Fórum témák

» Több friss téma
Fórum » Erősítő (tuning) teljesítmény növelése
Lapozás: OK   2 / 5
(#) _ampervadasz_ válasza silenthill2 hozzászólására (») Máj 14, 2008 /
 
-Ez azért van mert a hangszóród kónusza polipropilén, és nem gumi!
Lehet cserélni, azzal még semmi baja nem lessz a hangfalnak!
-Azok az ellenállások a két végfoktarnyó között helyezkednek el, és a kettő találkozásánál, van a kimenet!
Azok az ellenállások környéke csak megbarnult, vagy szó szerint kiégett ? A megbarnulás az még nem nagy gond, viszont hosszabb lábat kellet volna ráhagyni, és úgy beforrasztani a nyákra, mert akkor nem égeti el az ellenállás, a "környezetét"!
Nagy valószínűséggel, nagy áram is folyik a végerősítő fokozatban! Ezért leghet ki ennyire a hangszóró, illetve az ellenállások, szétégnek!
A nyugalmi áramot kéne mérni a meghajtó áramkörében az erősítőnek, mert valószínű nagyobb mint a normális érték ( kb: 100-250mA erősítőtől függően, a normális érték)! Térdre kényszeríti a végfokot, és a hangszórót is!
(#) cimopata hozzászólása Máj 14, 2008 /
 
Az nemlehetséges hogy a kiemeneten offset egyenfesz van? Mert az már kivezérlés nélkül ki/behúzza a membránt. És egyből torzítást okoz valamint nagy kivezérlésnél nemlineáris kilengést.
(#) _ampervadasz_ hozzászólása Máj 14, 2008 /
 
Mondjuk ez is igaz...
-leközlebb, 20.a után leszek majd megint-
(#) silenthill2 válasza silenthill2 hozzászólására (») Máj 14, 2008 /
 
Hellósztok!Akkora egy hülyeséget írtam.nem REMIX 5W-os ellenállás égett ki,hanem két db henger alakú 1mm vasrag,és4-5mm hosszú R543 és R544-es ellenállás van SZÉNNÉ égve.Na ezek mire valók?Kicseréljem őket?Az a különös,hogy minden funkció tökéletesen müxik,mármint az erősítő korához képest,de mégiscsak volt ezeknek az ellenállásoknak valami szerepük.Lehet hogy ezért van a szabálytalan kilengés is nagy hangerőn?.
(#) silenthill2 válasza _ampervadasz_ hozzászólására (») Máj 14, 2008 /
 
A nyugalmi áramot mégis hogyan tudom mérni?Hova tegyem a műszer pozitív végét,és hova a negatívat?
(#) cimopata válasza silenthill2 hozzászólására (») Máj 14, 2008 /
 
Melyik ellenálás?
Kapcsolás alapján betudod azonosítani?
Ez így eléggé nehéz.

Gondolom ez a kapcsolása.

A nyugalmi áramot R22; R23 on tudod mérni.
Ha ez egy 50W os AB osztályú végfok akkor a nyugalmiáram 25-40mA-re tenném.
Tehát az ellenálásokon 0,025*0,5=15-20mV ot kell mérned.
Ezt P2 vel állícsd be finoman.

A bemenetet kösd földre és mérd meg a kimeneten milyen értékű egyenfeszültség van.
Akkor mondható jónak ha +/-100mV alatt van.
Ha nemannyi akkor P1 el próbál meg 0-ra állítani.

mindenjót
(#) _ampervadasz_ válasza cimopata hozzászólására (») Máj 15, 2008 /
 
Üdv!
Nem ezt az erősítőt akarja megépíteni! (ez nekem van meg!)
A kapcsolási rajzon be volt pirossal keretezve, az a rész, amit neki is meg kell építenie, ahhoz hogy tökéletesen menjen az az a megépíthető erősítője, aminek anno még az adatait nem lehetett tudni, a HE-SORE-n!
Ő ezt akarná megépíteni! (-és erre volt példa a képen látható kapcsolási rajzon bekeretezett táp)
(#) _ampervadasz_ válasza silenthill2 hozzászólására (») Máj 15, 2008 /
 
Ahhoz hogy ezt megtudjammondani, ahhoz kéne egy kapcsolásirajz is!
(#) cimopata válasza _ampervadasz_ hozzászólására (») Máj 15, 2008 /
 
Áhh értem

A közepét nemolvastam a topiknak.

Ez a végfok tényleg jólehet.
Bár kicsit sokallom a 6600 at, feleennyiből is összelehetne hozni.
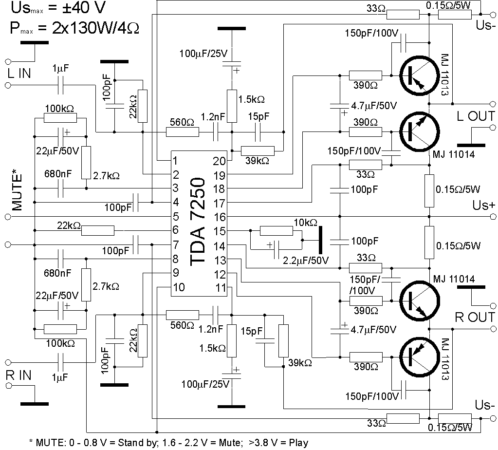
TDA7250 600ft HEStore ba
MJ11015-16 kb 600 darabja
A nyákot meg lelehet gyártani hiphopp.

Gondolom ez a kapcsolás alapján készült:

tda7250.gif
    
(#) _ampervadasz_ válasza cimopata hozzászólására (») Máj 15, 2008 /
 
Idézet:
„Ez a végfok tényleg jólehet.
Bár kicsit sokallom a 6600 at, feleennyiből is összelehetne hozni.
TDA7250 600ft HEStore ba
MJ11015-16 kb 600 darabja”

megjegyzem, én is támogatom az ötletet , de a megépítője, nem tudom hogy rendelkezik e nyák maratásához szükséges eszközökkel, illetve a nyák elkeszítéséhez szükséges eszközökkel (foto, vasalásos, alkoholos filccel berajzolós) mert nem úgy tűnik (elsőre, és másodszorra sem)!

Idézet:
„Gondolom ez a kapcsolás alapján készült:”

Ez nagyon valószínű!
(#) cimopata válasza _ampervadasz_ hozzászólására (») Máj 15, 2008 /
 
Valószínüleg a közeljövőben kipróbálom a kapcsolást.
HEstoreban megveszem az IC-t az elektrokonthában meg veszek BDW83/84C-t Szerintem egy 100-120W ot azzal is kilehet hozni. És még olcsón is jövök ki vele.
(#) _ampervadasz_ válasza cimopata hozzászólására (») Máj 15, 2008 /
 
Sok sikert hozzá!
Én ez a jószágot építem meg!
Aneve FET 1!
Végfok védelemmel ellátva, természetesen, mert a fetek nem kétforintosak bele !
(#) cimopata válasza _ampervadasz_ hozzászólására (») Máj 15, 2008 /
 
Szép dareb ez is!

A fetekre tényleg vigyázz mert valóban drágák
(#) _ampervadasz_ válasza cimopata hozzászólására (») Máj 15, 2008 /
 
... ja amit elfelejtettem hogy a végfokvédelem komplex müködésű, és nem rontja a hangminőséget!
Rendelkezik:
- ki/be kapcsoláskor jelentkező tranziens védelemmel
- túlterhelés védelemmel
- ebből következika zárlatvédelem is!
Az erősítőt csakakkor javaslom meépíteni, ha tényyleg biztos vagy benne mi csinálsz! ( de tényleg, mert igen húzós ára van)
(#) silenthill2 válasza _ampervadasz_ hozzászólására (») Máj 20, 2008 /
 
Hello AMPERVADÁSZ!(TDA7250-hez) Hát jól sejtetted,nem rendelkezem nyáklap maratásához szükséges eszközökkel.
(#) _ampervadasz_ válasza silenthill2 hozzászólására (») Máj 20, 2008 /
 
Nemvagyok jós, de de ez a hsz-ből kitünt!
De a KIT -eknél nem is kell martni, csakforrasztani!
Remélhetőleg, azért már sikerül valamit összehhoznod!
(#) _ampervadasz_ válasza cimopata hozzászólására (») Máj 20, 2008 /
 
Lenne viszont egy kérdésem!
A dokumentáció alapján, egy pár 15E Forint, itt , és itt , meg nem ez van! Hogy van most akkor? Hamis amit a HQ-nál adnak?
(csak pédaképpen néztem meg, elvől neminnen rendelek)
(#) cimopata válasza _ampervadasz_ hozzászólására (») Máj 20, 2008 /
 

Sajnos ezeket a feteket nemismerem, nemtudom hogy mennyi lenne a jó ár érte.

Maradok a TDA7250-nél, a panelterv kész. Hétvégén legyártom. A végtranyók lényegesen olcsóbbak mint 1 ilyen fet. És nálam igazán a teljesítmény számít.

Mindemelett minőségben nemmarad el olyan nagy mértékben a Aneve FET 1-től.
Talán nincs is szükség rá.

Üdv: Cimó

(#) _ampervadasz_ válasza cimopata hozzászólására (») Máj 20, 2008 /
 
Ha hallottál volna egy ilyet megszólalni, aszthiszem akkor szerintem egy véleményen lennél velem!
Amúgy a karakterisztikájan nagyon hasonlít a elektrocsöveséhez! Ennél nem szól semmi, szebben!
(#) silenthill2 válasza _ampervadasz_ hozzászólására (») Máj 20, 2008 /
 
Ne haragudj AMPERVADÁSZ!Azt hittem hogy nekem írtad,hogy kellenek azok az eszközök.Furcsálottam is,hogy minek hozzá lemaratni a nyákot,mivel már van a KIT-en felvannak forrasztva az alap dolgok.Na szóval.Írd már le légyszives részletesen,hogy pontosan miket is kell vennem a KIT-hez,hogy működjön is.Szóval amim van->egy kb 25-30cm hosszú,kb.7-8cm magas (hűtőbordám) és egy 35-40V-os fene tudja hány amperos trafóm a 2X40W-os erősítőmből.Na és van egy 40V-os 4700mikrofarátos kondim ugyanúgy az erősítőből,ami szerintem nagyon gyenge...Na és akkor ezeken kívül mik is kellenek hozzá???
(#) silenthill2 válasza silenthill2 hozzászólására (») Máj 20, 2008 /
 
az a kondi ami nekem van 3 lábú.Szóval ezeket néztem ki majd a fet-hez,amiket biztosan tudok hogy kelleni fognak.Ezeken kívül még mik kellenek hozzá?Ezek nagyon alap dolgok,de ezek is kelleni fognak hozzá,főleg a hővezető paszta.Na és hangerő szabályzó vagy ilyesmi kell hozzá?
(#) silenthill2 válasza silenthill2 hozzászólására (») Máj 20, 2008 /
 
Vagyis a KIT-hez.
(#) silenthill2 válasza silenthill2 hozzászólására (») Máj 23, 2008 /
 
hahó!senki?
(#) cimopata válasza silenthill2 hozzászólására (») Máj 23, 2008 /
 
Trafó, gratz híd, fuffer, biztosíték, csillám szigetelőlepka, hűtőborda.... sok apróság, neked kell eldöntened bontosan mit is akarsz az erősítődbe.
(#) _ampervadasz_ válasza silenthill2 hozzászólására (») Máj 23, 2008 /
 
És még azon kívűl, még a dobozára van szükség, meg az előfokra , ami benne található!
Gondolomazerősítődőnszeretnéd a hangerőt álítani, de még nemtudnimilyena bemenete!
(mire kötöd PC TV HiFi stb.)
(#) silenthill2 válasza _ampervadasz_ hozzászólására (») Máj 27, 2008 /
 
Helósztok!Trafóm az van.35-40V körüli az erősítőből.Azt nem tom hány amperos.RCA bemenetes,van rajta bőven.Manuális stereo potméter van benne,amit ki fogok hajintani,mert már ősrégi,ezért egy új manuális stereo potmétert is veszek bele.Hűtőborda van.Hővezetőpasztát venni kell.Na még a FET sincs meg.Valamint én nem vagyok elektronikai műszerész...És fogalmam sincs,hogy saját magamtól meg tudnám-e csinálni.Azt szeretném,hogy a FET-hez amit kinéztem,tudjam állítani a hangerőt potméterrel,esetleg legyen mély-magas állítási lehetőség.És hogy RCA jelről menjen.Tehát PC-hez szeretném használni.Véleményetek,hogy én megtudnám-e csinálni ezt,és hogy akkor ez mennyibe is kerülne,ha a FET em 130W-os lessz 6000akárhány ft magában,és akkor amik még kelleni fognak hozzá mennyire jön ki kb?Nem tudom,hogy a mély-magas hangszínszabályzóra szükség volna-e,ha a pc-n van EQUALIZER...???
(#) sixtek válasza silenthill2 hozzászólására (») Máj 27, 2008 /
 
Ennyi (vagyis nulla) hozzáértéssel azt javaslom valami egyszerűbb projektet válassz!
Hidd el jobban fogsz járni!
(#) szamóca válasza silenthill2 hozzászólására (») Máj 27, 2008 /
 
Jobb ha az eredetileg javasolt "minél gyorsabban megszabadulni tőle" projectet választod. És veszel egy olyat amit ki is próbálsz, és még tetszik is, megvételkor. :yes:
(#) silenthill2 válasza szamóca hozzászólására (») Máj 27, 2008 /
 
nem értem...ampervadász valami olyasmit mondott,hogy könnyű megszólaltatni azt a fetet amit én választottam.na majd szétnézek,hogy újan mennyi is 2x 130-150w-os stereo erősítő
(#) Holubek válasza silenthill2 hozzászólására (») Máj 27, 2008 /
 
Üdv! Ha csak otthon akarod hallgatni akkor legegyszerűbb egy stk végfokot összedobni. Én kb 1 hónapja raktam össze egy STK4241-es végfokot. Az adatlapja szerint 2X120W 1Khz-en. Nagyon jó lett nem torzít szól ahogy kell, de diszkóba nem ajánlom mert melegszik rendesen. A tápnak sajnos fel kell áldozni egy ą54V-os 650W-os trafót.
Következő: »»   2 / 5
Bejelentkezés

Belépés

Hirdetés
XDT.hu
Az oldalon sütiket használunk a helyes működéshez. Bővebb információt az adatvédelmi szabályzatban olvashatsz. Megértettem