Fórum témák
» Több friss téma |
Fórum » Házilag építhető fémkereső
Igen, jó lesz úgy. De az alufóliát ne spirálisan tekerd rá, mintha bandázsolnál, mert úgy az árnyékolás meneteinek induktivitása lesz. Hanem egy olyan hosszú, kb 20 milliméter széles csíkot, mint amilyen a tekercs kerületénél 1 milliméterrel rövidebb, azt hajtsad rá a tekercsre.
Az alufólia alá a tekercsre tegyek szigetelőszalagot?
A hozzászólás módosítva: Jún 23, 2019
A leírás szerint is kell a tekercset impregnálni. Az impregnáló lakk nyújt elég szigetelést, nem szükséges plusz szigszalag.
Sajnos nincs lakkom
Sziasztok!
Egy kis segítséget szeretnék kérni. Megépítettem az igen népszerű orosz PI kapcsolást. Minden rendben működik, nagyon szépen jelzi az 5 forintost is 7-8cm-ről a levegőben, de van egy aprócska érdekesség, nem detektálja a nemesfémeket. Sem az aranyra, sem az ezüstre, de még a tekercselő huzalra sem jelez. A potikat úgy állítottam be, hogy alaphelyzetben csendben van a készülék, csak fém jelenlétekor ad hangot. Valakinek van valami ötlete, hogy hol lehet a hiba? Előre is köszönöm
Ez nem is fog detektálni.Én is megépítettem ,de minek?
A hozzászólás módosítva: Jún 27, 2019
Köszönöm a gyors válaszodat, no meg a tippet! Teszek egy próbát a Clone PI-vel is.
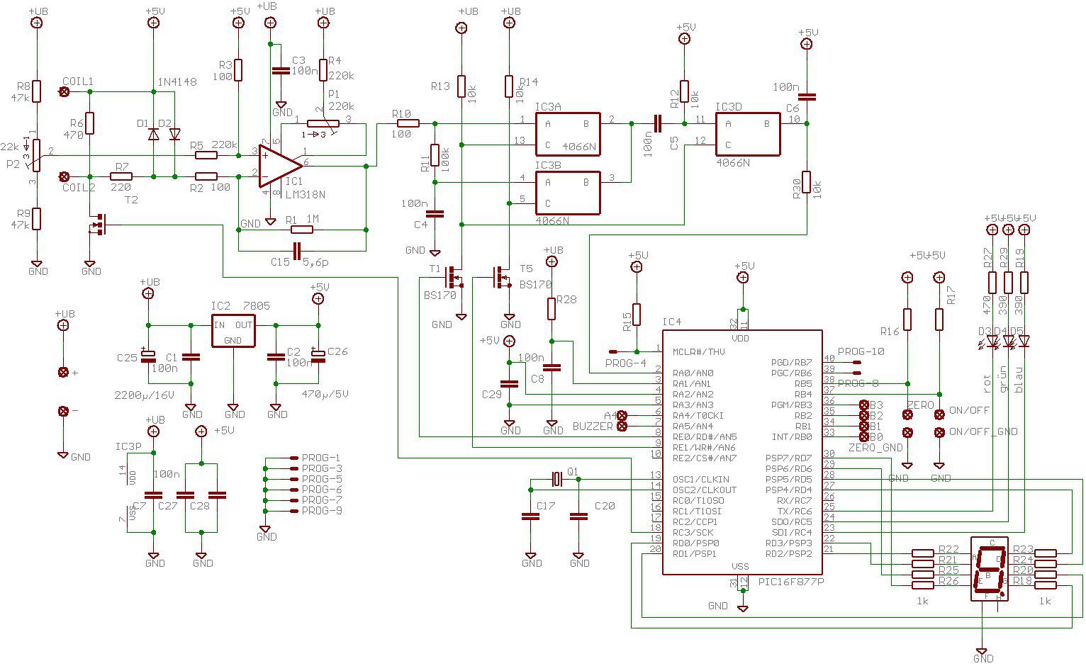
Megint építek gépet. Mivel eddig kivétel nélkül mindegyik gépem egyszerre csak 1 frekvencián működött, így elhatároztam, hogy csinálok egy multifrekis vasat. Elég sokat agyaltam rajta, mert ilyenek kapcsolási rajza és működési elve nem nagyon található sehol. Így abból kellett kiindulnom, ami a fejemben volt. Mondhatjuk, hogy a nulláról indultam tehát.
A gép 8 és 16 kHz es frekvencián megy. Persze építhettem volna más frekvenciákra is, de egyenlőre így döntöttem. A kész gép még kissé kusza, de hamarosan kap egy új és szép nyákot. A harmadikat. Levegőben egyenlőre nem mondanám érzékenyebbnek, mint a hagyományos gépeket. Be kell majd dobozolni és terepre vinni. Kíváncsi leszek rá.
Erről én is csak annyit olvastam valahol, hogy van néhány (3-4?) kitüntetett freki, ezeket végigsöpri a gép, és azt választja ki közülük amelyik az adott talajon, adott körülmények és beállítások mellett a legjobb érzékenységet hozza.
Mellesleg valamelyik reggel hallottam a rádióban hogy állítólag már szállítani is tilos, tehát ha megtalálják a kocsid csomagtartójában már azért is büntetnek.
Ha van benne elem és menetkész, akkor igen. De ha valami egyszerű módon hatástalanítod, akkor nem. Ki kell venni az elemet.
Ha ez így lenne, akkor a boltban hogyan árulhatnák? De bevallom, hogy nem érdekel a dolog ezen része. Mindenki máshogy kockáztat. Valaki iszik, valaki többször nősül. Én ezt csinálom. Persze, itt szögezem le, hogy csakis műhelyben építem, talajra sosem viszem ki, olyant nem tennék.
Itt kettő freki van. Gyakorlatilag azt teszi, amit írtál, de nem választ önkényesen talajt. Mindkét eredményt méri. Már csak valami furmányos szoftver kell hozzá, hogy a legjobbat hozzam ki belőle.
Eljutottam a gép bedobozolásáig. Már voltam kint a géppel próbán és használhatónak tűnik.
Két kép a gép működéséről. Adó tekercs feszültség és áram.
Sziasztok!
PI géphez csinálnék 1x1 m keretet, 10 tekerés 0,5mm2 hangszórókábelből, CCA megfelelő vagy inkább a tiszta réz, én a réz felé hajlanék inkább. Tömör rézkábel 0.75mm2 is megfelelő lehet? gondolom a sodrott jobb a nagyobb felület miatt. Üdv.
A vezeték (tekercs) ellenállása is fontos. Ha túl nagy az ellenállása, akkor kevés áram fog folyni a tekercsben és kisebb lesz a mágneses tér.
A sodrott vezeték használata célszerűbb a keretnél, mert ha szétszedhetőre csinálod, akkor nem fog eltörni a hajlítgatástól.
Természetesen 2 Ohm körülire szeretném, 220-400uH induktivitással kb..
Igen néztem túl merev a 0.75 tömör réz, nyilván az alu ötvözetek között is van különbség meg a rezezés vastagságánál. CCA-nak jóval nagyobb az ellenállása gondolom, mint a jó réz vezetéknek. Profi ezüstözöttöt hangfalkábelt nyilván kerethez nem fogok venni, persze a tekercs jósága fontos, de kísérletezéshez sima sodrott réz hangszóró kábel elvileg jó szerintem. Érdemes koaxot használni szerinted? ez nem olyan nagy méret, egy 2x2m keretnél már biztos jobban kell az árnyékolás.
Üdv!
Szeretnék egy pinpointert, egyértelműen egy Pi kapcsolás kellene bele, de nem tudtam dönteni, hogy melyiket válasszam. Esetleg valaki közületek már foglalkozott ilyesmivel? Pár tanácsot, ötletet szívesen meghallgatnék.
Régen volt ilyen irányú próbálkozásom. Én a Surf-PI-t építettem meg a keskeny, hosszúkás panellel, hogy kicsi legyen. Nem volt rossz, de nem is volt egy csúcs.
Sziasztok! Van egy silverstar femkeresom most jelenleg 20cmrol hoz egy 5 forintost a kondit milyen pf-enkent cserelgessem benne hogy erosebb legyen nincs semmilyen muszerem hozza ha valakinek van valami otlete es megyosztana velem azt megkosszonnem.
Megy a Grál kutatása nálam is. Nekiestem egy kísérleti gépnek. A kísérlet lényege abban áll, hogy a fej adótekercsébe jutó energiát tudjam módosítani viszonylag széles tartományban. Az egészen piciket kihagytam, mert már van benne tapasztalat. Jelenleg 150-500 Vpp között tudom állítani az adó tekercsen lévő, 12,5 kHz-es adó jelet. Érdekességként megjegyzem, hogy 400 Vpp-s adójelnél cirka 10 wattot cuppant a gép az aksiból kifelé. Az adó meghajtó egy teljes hidas komplexum, aminek a tápfesze állítható. Ma tesztelgettem egy kicsit, 270 Vpp-s jellel. Azért ekkora adójellel, mert ez fölött a levegőteszteknél már nem volt igazán látványos növekedés. Levegő teszt eredményt nem írok, mert nem gázbolygón akarom használni. De földben, méghozzá agyagban és olyan érzékenységgel, amivel normál körülmények között használom a gépet, 30 cm mélyen jelezte stabilan az 1 forintost. 95 százalékos érzékenységnél 32 cm mélyen. Kíváncsi leszek homokos terepre, kissé nagyobb adójellel.
A gép vevőerősítője (az általam megszokottól) cserére került. Karesz50 által áthangszerelt instrumentálisra, amelyért köszönetem. Mivel a kor halad halad, és szeretnék kicsit csillogni, ezért érintős érzékelőket használtam a gépbe, mert így trendi. Mivel egy érintős érzékelő olcsóbb, mint egy egyszerű nyomógomb, ezért ilyent használtam. A készülékházat valahol fölleltem, nem mai darab. Talán egy öregebb motoros ráismer. Az alkatrészek igazából kommersz cuccok, kínai MCU, olcsó LCD, "no name" OPA-k. Az egész alkatrész költsége nem ér 4e forintot. A fej elkészítésével viszont azért molyoltam. Kellett kis erősítés, mert érzékenyebb lett a gép az ütődésre, illetve a vizes fű zavaró hatásait kiküszöbölendően kellett egy szénszálas papucs a fejre. Megint lett egy kedvenc gépem. A hozzászólás módosítva: Okt 23, 2019
Még emelsz egy kicsit az adójelen, aztán már az lesz a baj, hogy átüt a fesz a lakkon.
De ha lesz belőle olyan változat ami a 20kV-os adójellel 3m mélyről is hozza az 1Ft-ot akkor az érdekel.
Kivitelezhetetlen lenne, de ki tudja. Itt is elég a baj. Rásüt a nap a fejre, melegszik kicsit, és már megy is az ofszet. Nyári melegben szerintem határolna is az erősítő. Talán télen is közel lesz hozzá. Kell majd egy menetes ferrit a fejbe, amivel a szélsőséges hőmérsékletet kompenzálni tudom. De még nem vagyok biztos benne, hogy kell, talán belefér a tápfeszbe. A fogyasztás sem gyenge, laptopból bontott 18650-es cellákkal nem mernék messzire menni. A nagy adójel miatt sivít a gép, kb olyan, mint ha kissé zúgna a fülem.(Néha nem tudom, hogy a gép az, vagy az alapzaj) Egy érme 15-20 centiről úgy túlvezérli, hogy megbízhatatlan olyankor a diszkrimináció. A talajkiegyenlítést is nagyon precízen kell beállítani.
De hát ettől szép az egész. A hozzászólás módosítva: Okt 23, 2019
Előbb utóbb valamelyik gyártó keresni fog.
Hajrá !
Sziasztok.
C.Scope Metadec 1-s, kapcsolási rajzot keresek,sajnos sikertelenül. Tudna valaki segíteni? Ha fizetős sem probléma,Köszönöm.
Üdv!Szeretném megépíteni a Silver Star 1a fémdetektort.Kész panelt hol lehet beszerezni?Sehol nem találok.
Ha a beültetettre gondolsz olyat szerintem sehol, ha magára a nyákra akkor a Ferinek kell hogy legyen, bár ez már elég régi konstrukció.
Sziasztok!Az lenne a kérdésem hogy lenne esetleg valakinek egy bevàlt nyàkterve? Köszönöm szépen!
helló, nekem van 2-3 papirom ami alapján az enyém is készült nagyon kevésfogyasztású normális müködésü fémkeresőm amit egy hozzáértő szakember az alapján készitett el.
|
Bejelentkezés
Hirdetés |













De ha lesz belőle olyan változat ami a 20kV-os adójellel 3m mélyről is hozza az 1Ft-ot akkor az érdekel. 