Fórum témák
» Több friss téma |
Fórum » Infra távirányítós bemenetválasztó, és hangerőszabályzó
Témaindító: Zenner, idő: Nov 3, 2008
Témakörök:
Illetve másnak építettem már be. A lába kétszeri hajlítástól, tőbe letört.
Készítettem egy csöves előfokot, már bevált ATMEGA8515 vezérlővel.
Kapcsolást kicsit módosítottam egy segédpanellel, az ENCODER így bemenetválasztásra is alkalmas az előlapról. Nem szükséges + 2db nyomógomb..
Szia. Nagyon jól néz ki, süt az igényes gondos hozzáállás mint a többiről.
Szabad megtudni, hogy a hangerőpoti gombjába a led-et hogyan oldottad meg? Csúszóérintkező, vagy csak simán vezetékezve?
Gratulálok! Speciál cégek (kis szériás audiofil) gyári minőségét idézi.
Ide már elférne egy blue ALPS motoros poti
Szia,
nem tőlem kérdezted ugyan, de az én gyári (Musical Fidelity) erősítőmben vezetékkel oldották meg. Nem hallottam, hogy bárkinek is tönkre ment volna. A lényeg, hogy elég hosszú, és hajlékony legyen a vezeték.
Köszönöm, fejhallgató hajlékony vezetékét használtam. Poti gombja benyúlik az előlap mögé, erre van rögzítve a vezeték, együtt forog a gombbal.
Köszi, ez is ALPS gyengébb kivitelben, valóban jobb lenne a javaslatod szerinti.
Cseréjét később megoldom..
Üdv urak!
Érdeklődnék aki már készített távos hangerőszabályzót: Mi alapján, mi volt az alapötlet, esetleg elérhető-e a kapcsolás? Tanulmányozom a témát, mert szeretnék készíteni egy igényes verziót Alps blue potméterrel, de eddig úgy látom, hogy a többe kerül a leves esete áll fent és kész kittel jobban járok (mivel még programozóm sincs semmihez). Mit gondoltok? A hozzászólás módosítva: Márc 2, 2019
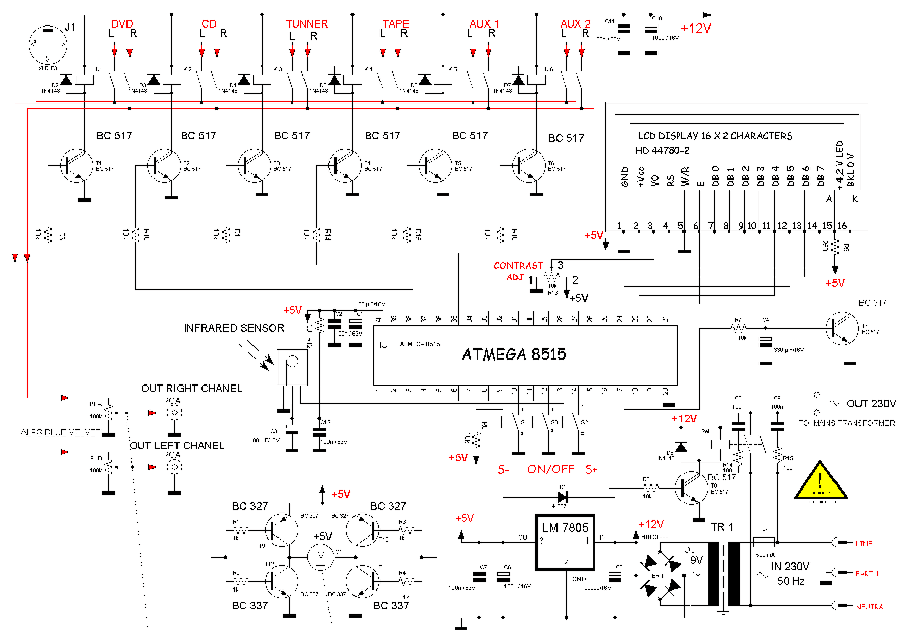
Ezt a kapcsolást használom több készülékemben, nagyon bevált. Tanulmányozd, egyszerű, legdrágább alkatrésze a poti (minőségtől függően). Bekapcsolást, hangerő szabályozást és hat bemenet választást tud, mute funkcióval. Nyákterve kompakt, könnyen beépíthető, alkalmas LCD és VFD kijelzőhöz (ez drágább). Sajnos vezérlő IC-t programozni kell, de nagyon egyszerű.
Nagyon köszönöm.
Ez milyen távokkal müködik? Vagy hogy kell ezt elképzelni? Van egy kódcsomagja az adott távnak ezeket ki kell olvasni, hogy melyik gombra mit küld és a vevő ezt fordítja feszültségjelekké amit a mikrovezérlővel feldolgozunk? Mondjuk erre a távra gondoltam: Bővebben: Link Az infraszenzor tipusa mitől függ? Hogyan válasszak? A hozzászólás módosítva: Márc 2, 2019
PHILIS RC5 távval működik, : ez jó kapható több típus is, gombok feliratuk szerint használható.
itt olcsóbb A hozzászólás módosítva: Márc 2, 2019
Mivel semmi tapasztalatom programozás terén ezért azt se tudom milyen programozó kell avr-hez. Ha ez 10-15-20ezer ft akkor lehet érdemesebb más irányban gondolkodnom. Szóval ha csak annyi lenne hogy meg kell tanulni programot irni nulláról már az is szép feladat, de azzal még azt mondom tanulok valami újat
Nincs semmi komoly költsége, hex adott, csak be kell égetni.
EXTREME BURNER AVR V1,0 innen letölthető: Bővebben: Link Ez kell még hozzá: Bővebben: Link A hozzászólás módosítva: Márc 2, 2019
Tudom, már 10 éve tetted ki, de tudnál erről a kapcsolásról pár infót adni?
Szia, a kapcsolás dokumentációja publikus? Nyákterv, hex fájl?
Kapcsolas fent van, nyaktervet tudok kuldeni es hex is van.
Szia! Én is nagyon megköszönném, ha kaphatnék egy nyáktervet és hex.-et.
Nagyon köszönöm!
Marcius kozepen leszek otthon, most nem tudom csatolni.
A hozzászólás módosítva: Márc 6, 2020
Elkészült távvezérlehető előfok + DAC egy dobozban. Régebbi vezérlést "lebutítva", kijelző nélkül alkalmaztam. Egyéb funkciók nem változtak. Kimeneti csöves fokozat erősítése 1,5x ös, fázishelyes , alacsony kimeneti impedanciát biztosít.
A hozzászólás módosítva: Ápr 18, 2020
Szuperül néz ki! Milyen DAC-ot építettél bele?
Az egy remek DAC! A trafó meg hab a tortán!
A hozzászólás módosítva: Ápr 19, 2020
Sziasztok!
Megérkezett!! Várom a véleményeket. |
Bejelentkezés
Hirdetés |





























