Fórum témák
» Több friss téma |
Fórum » Hegesztőgép javítása
Témaindító: Szentgyörgyi Lajos, idő: Nov 25, 2008
Szia.
Nekem úgy rémlik, hogy csak két fázist használt. Meg egyébként is 230V esetén problémás lenne az 1 fázis mód. Tehát ez simán egy olyan trafó, aminek a 380V-os a tekercse, 230V-nál megcsapolással. A kapcsoló (bár nem a legjobban látom a képen, inkább elv ezért): 1: 380V-os pont, azaz a tekercsvég (szimpla vezeték a trafóból) 0: kikapcsolva 2: 230V-os pont, azaz a tekercs megcsapolás (dupla vezeték a trafóból) A nulla meg megy oda, ahova eddig ment, a másik tekercsvégre.
100% biztos hogy 2 fázist használ. A bekötés pedig ahogy Johnycorp írta.
A hozzászólás módosítva: Ápr 29, 2020
Idézet: „A nulla meg megy oda, ahova eddig ment, a másik tekercsvégre.” 2 fázisnál nincs nulla. A kapcsoló váltáskor az egyik dugaszt teljesen leválasztja, nehogy a fázis kijusson a 2+f dugóra és viszont.
Köszi a tippeket! Követtük őket, és azóta tökéletesen működik.
Sziasztok
Kb egy éves inverteres co2 hegesztőgépem van olyan problémával, hogy ív felvételekor az első pár mm huzal eldurran és csak ezután fog ívet. A huzal nem ég vissza az áramátadóba. A másik érdekes probléma, hogy folyamatos hegesztésnél amikor egy hefthez érek vagyis átmegyek a fűzővarraton akkor a hegesztési folyamat mintha akadozna, (mint amikor pl.akad a spirálban a huzal)mintha nem lenne tökéletes a test. Már új munkakábelt is cseréltem.
Sziasztok! Új vagyok itt ebben a témában, de a napokban hozzám került egy nagyobb méretű hegesztő és a javítása során olyan problémába ütköztem amivel eddig még nem volt dolgom gondoltam megkérdezem a hozzáértőbbeket. Nos a hibaleírás szerint a hegesztőből "elment az áram". Az az hiába érinti az elektródát a munkadarabhoz(CO) az csak kicsit szikrázik és más semmi. Hosszas méregetés után kiderült, hogy a munkakábel a hibás, mert a csatlakozón mért feszültséget nem viszi át a markolatig. Másik kábellel tesztelve jó is a gép. Viszont az a gond, hogy az eredeti munkakábel vége elég speciális, így többe kerülne mint a hegesztő ára. Nyolc méter hosszú még egy tolóművel ellátott CO munkakábelről beszélünk. A kérdésem az lenne, hogy lehet-e vásárolni az áram vezetését szolgáló"csövet, vagy mi a neve és azt hol lehet?
A kábelben elszakadhatott az erősáramú vezeték. Szét lehet bontani és újrakötni. Más megoldást nem javaslok. Szerintem keress hozzá szervizt! Nem kerülhet annyiba a javítás, mint egy új munkakábel ebben a kivitelben.
Azért ahhoz komoly fizikai behatás kell, hogy egy áramvezető sodrat ami esetenként több száz A folyamatos átvitelére méretezett elszakadjon. Annak szemmel jól látható okának kell lennie. Bár még nem találkoztam nyolc méteres Co munkakábellal, gyanítom, hogy mindkét végén préselt kötés található, azok pedig nem hajlamosak kontakthibára.
Szevasztok,
igen, javítottam már ilyen mukakábelt, a leg egyszerűbb megoldás mellette kívülröl társítani egy 16kvadrátos vagy a max áramhoz megfelelő keresztmetszetű licnis vezetéket... nem szégyeltek réz színű aluminum licnit tenni bele ami eltöredezett és hiába foltoznánk...
Pedig a kínai gyártó reklámozza is. CO2 munkakábel rezezett alumínium kábellel.
Mint villanyszerelők, alapból tudjuk, hogy alu-réz párosítás soha nem vezet jóra. ![]() Ennél éppen más okból.
Több helyen ki van kopva pár centis darabon a bőr ami a külső borítása a munkakábelnek. Itt megnézve négy vastagabb és vagy hat vékony (06-08mm2) szál megy benne. A négy vastagabb a vízhűtéshez kettő a gázhoz egy a negyedik pedig a spirál lehet amiben a huzal megy. nekem nagyon furcsa, hogy egy 400A-es gép munkakábelében nincs az áram vezetésére külön erősáramú szál. de ebben biztosan nincs. A munkakábelt végig "tapogatva" semmilyen hibahely nem tapintható. Csak még mindig ott tartok, hogy nem túl világos előttem mi vezetheti a gép és a markolat között az áramot, mivel nincs külön áramvezető a munkakábelben.Erről találhatok valahol bővebb információ?Már két szerviz is meg lett kérdezve a javításról, de mindkettő közölte, hogy nem érdemes vele foglalkozni, vegyenek másik kábelt. De ha tudtok valami jobb szervizet ajánlani az is megoldás lehet.
Nálad a gép és a markolat közt a vizhűtéses
csövekben van a vezeték...
Vizes kábel esetében, már láttam olyat, hogy a víz magában az erősáramú kábelben folyt...
Nem kell ahhoz komoly fizikai behatás, elég ha napi 8 órában hajtogatják a kábelt, és egy idő után simán eltörik.A vizes kábeleknél gyakoribb, a száraz kábel esetében ritkán fordul elő, de megesik. Már vagy 15-20 alkalommal javítottam ilyen kábelt, aki még nem csinált ilyent, annak nem is javaslom hogy nekiálljon. Kell hozzá megfelelő prés és préshüvely,megfelelő csatlakozóvég és nem utolsósorban türelem. Amit a gyárban CNC gépek csinálnak, azt nem egyszerű házilag utánozni, de nem is lehetetlen.
Mindig ott folyik. Ezért csak 35mm2-es az áramvezető az 500A-es vizes hegesztőkábelben. Aztán ha kilyukad a tömlő, 2 percen belül ráolvad az áramvezetőre a műanyag tömlő.
Nem kell eldobni a munkakábelt, lehet venni csak víz-áram kábelt bele.
Helló.Van egy Einhell BT-GW 150 típusú gépem,ami ma sajna elfüstölt.Nem szoktam nagy dolgokat hegeszteni vele ma is kb talán egy öt perces munka volt vele.De egyszer csak bugó hang meg kis fűst majd lekapcsolt a hőkioldó.Talán már kicsit későn.Lekaptam a burkolatot a trafon a vastag alu kábel szigetelése rendessen el van egy darabig színeződve.Ilyen bevont aluvezetéket esetleg lehet kapni valahol.Vagy valahol javítatni vagy nemtudom,de sajnálnám ez miatt kidobni.
Köszi ha valaki tud segíteni.
Szevasztok,
kedves pubi, kapcsold le a diódákat, lehet hogy valamelyik zárlatos lett, és ismét helyezd a trafót üzembe, lehet hogy jó és az egyenirányító hibás...
" Amit a gyárban CNC gépek csinálnak, azt nem egyszerű házilag utánozni, de nem is lehetetlen. " ... no én is beleütköztem már hasonló problémába. De mostanában azon agyaltam, hogy elviszem a munkakábelt a városunkban lévő targonca és alkatrész kereskedésbe ahol foglalkoznak hidraulika tömlő gyártással is és velük próbálnám préseltetni a hibás áramkábelt. Lehet, hogy elvállalnák.
Szia köszi de sajna a tekercs éget le.elkezdtem letekerni róla két sort letekertem az a látvány fogadott hogy a szigetelés szinte el is tűnt róla.Ettől még persze lehet dioda hiba is majd ki lesz mérve de tuti újra kel tekerni a trafót.
Szia Lali!
A hidraulikatömlő gyártás kissé más préselési eljárást kíván, bár ha a géphez van olyan hüvely ami a hegesztőkábelnél használatos akkor akár jó is lehet. A javításban nem a préselés a legnagyobb kihívás hanem a vizeskábel csatlakozási pontjainak újra--felhasználhatóvá tétele. Az eredeti csatlakozók ipari ezüsttel vannak forrasztva, így házilag nem igazán bonthatók, ezért én legyártattam hozzá egy csomó csatlakozó párt és az általam gyártatott csatlakozókra előónozott vörösréz csövet felgörgőzöm,majd 420 fokon olvadó forrasztó ónnal felforrasztom. Ebbe a vörösréz csőbe kerül az áramvezető sodrat, amit egy erre a célra vásárolt mechanikus préssel rögzítek, ami 6 ponton nyomja be a rézcsövet ugyanúgy mint a gyári eljárásnál. A rézcső oldala előre ki van fúrva a vízáramlás biztosítása miatt. A víztömlőt szintén ezzel a préssel rögzítem a csatlakozóra, boltban várásolt préshüvellyel. Ehhez a présbe másik pofákat használok. az áramvezető préseléséhez hegyesebb pofák kellenek, a tömlőhöz szélesebb és méretre munkált rádiusszal a hüvely méretének megfelelően.
Sziasztok!
Első sorban nem azt várom hogy látatlanba megoldjátok a problémát, csak segítség kellene hol lehet a hiba. Adott egy Hetra 100/160 hegesztő. 230 és 380-as üzemmód is van rajta. Eddig szépen működött mind2 fesznél, de egyszer csak úgy semmi előjel nélkül a 380-as állásnál levágja a megszakítót, 230-as állásban pedig működik rendesen. Levettem a burkolatot, mechanikailag semmi sérülést nem láttam. Magát a technikát nem nagyon ismerem, ezért egy kapcsolási rajz is már sokat segítene. A további kérdésem, hogy mi lehet a hiba forrása? Köszönöm az építő jellegű válaszokat!
Kapcsoló hiba lesz. Kerüld ki indításkor a kapcsolót, és kiderül.
A bekötése ugyan ez, csak kisebb teljesítményű a 100/160.
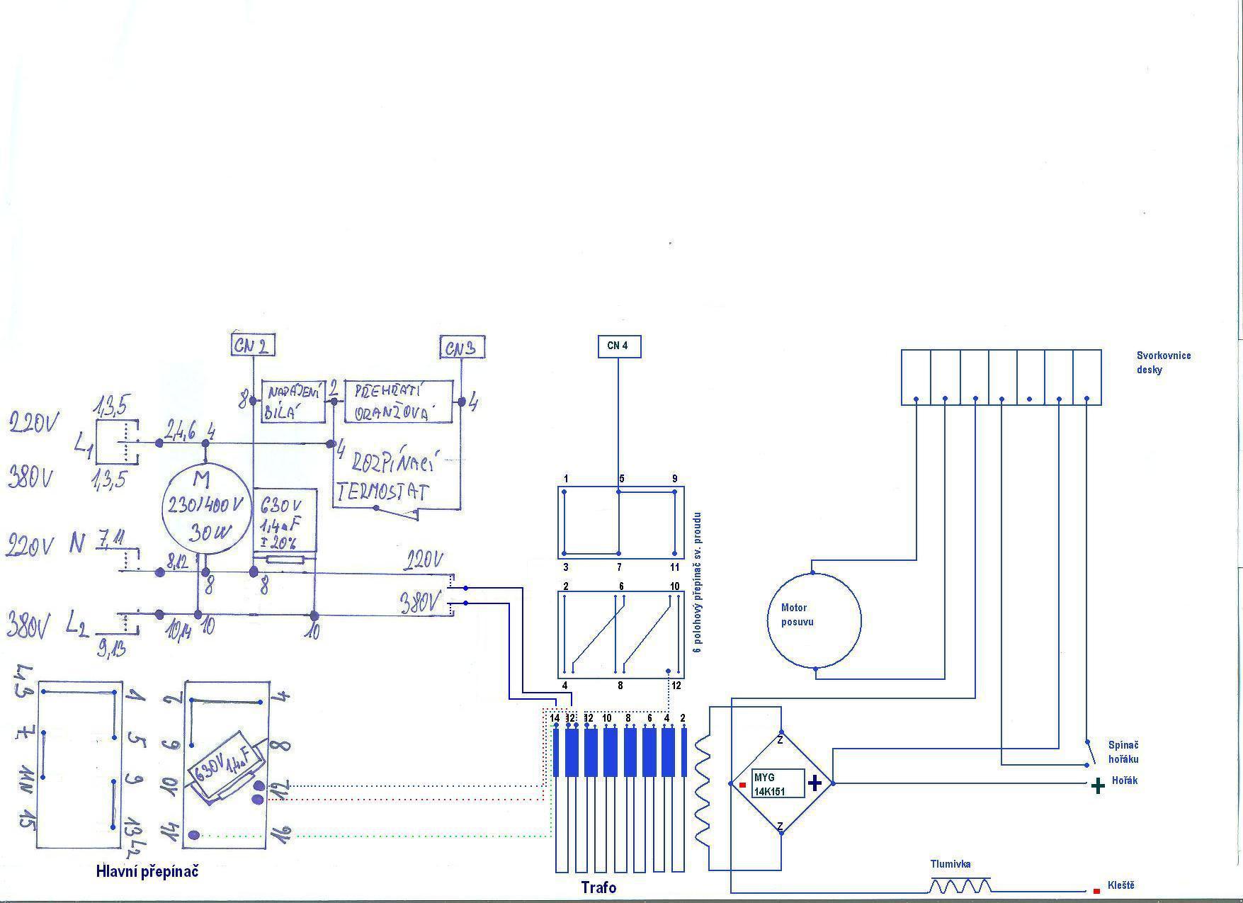
https://www.hobbielektronika.hu/forum/getfile.php?id=159188
Szia! Van itt öt oldal róla és egy megoldás ezzel kapcsolatban.
A kapcsolóhiba kizárva, bekötöttem kapcsoló nélkül és úgy sem működik 380-ról.
Megvan minden fázisom, más 3 fázisú kütyü megy rendesen. A megszakító se gond, b20-asok vannak, más nagyobb teljesítményű cuccal sem vágja le. A rajzokat megleltem, köszi. Egyelőre még mindig tanácstalan vagyok. Ha tekercs zárlat lenne akkor működhet 230-ról?
Sziasztok! Segítségeteket szeretném kérni. Javítok egy Güde MIG 192/6K Co hegesztőt. Azzal a hibával hozták hogy, a 230/400Vos kapcsoló tönkrement, próbálták kicserélni de nem tudták bekötni. Próbálgatták de nem sikerült. Találtam róla bekötési rajzot, sikerült is bekötni. Indításkor nem indul az előtolás és a trafó sem. Kiderült a vezérlőpanelen van egy kis trafó, az ment tönkre. Valószínü a próbálkozásaik során szegény 400V-ot kapott és leégett. Ilyen trafóra lenne szükségem, vagy a paraméterire. Az stimm hogy 230V/12V de a teljesítménye?
Fontos mert a 400v os állásban egy kondenzátoron keresztül kapja a villanyt. Lásd a mellékletet. Segítséget előre is kösz. |
Bejelentkezés
Hirdetés |










