Fórum témák

» Több friss téma
Fórum » Diszkófény vezérlő készítése házilag
Lapozás: OK   1 / 2
(#) djbeeboy hozzászólása Jan 6, 2016 /
 
Kedves Fórumtársak és Tisztelt Moderátorok!

Korábban szerepelt már a fórumban hasonló, majd hogy nem megegyező elnevezésű téma, azonban ezek a több éves szakmai eszmecserék és ki-ki saját vagy utánépített munkályának bemutatása után valami oknál fogva törölve lettek, így ezen segítséget nyújtó hozzászólások és kapcsolások immáron sajnos nem elérhetőek!

Ezen téma indításával szeretném ezt újra életre kelteni és segíteni mindazokat, akiknek hasonló kérdéseik-problémáik vannak!

Jelen esetben Én magam egy olyan ritmusvezérlő elektronikát keresek, amely a már sokak által ismert, 12V-os DC mikromotorokat vezérli!
Ezen belül is érdekel olyan, ami bár ritmusvezérléssel, de csak egy motort mozgat, valamint egy olyan kapcsolásra is szükségem volna, ami egyszerre ugyan több motort is képes vezérelni ritmusra, de nem egyszerre, hanem egymástól függetlenül teszi ezt, pl. 2-3 külön kimeneten!
Túlnyomó részt ilyen mikromotorokkal rendelkezem, ezért is szeretnék ilyen vezérléseket készíteni!
Viszont, vannak léptető motorjaim is, valamint különféle synchronous motorom is, melyeket szintén szeretnék majd életre kelteni egy-egy fényben, tehát azt gondolom, hogy a diszkófények világának szinte összes technikai megoldására alkalmas lehet ez a téma!

Voltaképp minden megoldás érdekelne, ezért várom a tisztelt fórumtársak segítségét, hozzászólásait!

Továbbá, rendelkezem néhány gyári diszkófénnyel, melyeknek a felépítéséről valamint az elektronikájáról hamarosan készítek képeket, amiket megosztanék itt a témában, hogy mindenkinek segíteni tudjam ezzel is a munkályát, elképzeléseit!
(#) Udvari Zsombor válasza djbeeboy hozzászólására (») Jan 6, 2016 /
 
Ha elhanyagolhatóak a motorok, akkor lehet a LEDeket az LPT portra kötni és egy szoftverrel vezérelni. Bővebben: Link
(#) gaboca323f hozzászólása Jan 6, 2016 /
 
Sajnos tényleg sok hasznos infó eltűnt a téma törlésével, nem tudom mi ok volt rá.

Nekem még lehet megvannak a dokumentációk valahol, bár már jó pár éve nem csináltam ilyet.
Egy motoros, illetve egy csatornás vezérlőm az volt működő, 2 motorra úgy oldottam meg, hogy egy relé váltogatta a kimenetet a motorok között.

Léptető motoros is volt, 6 vezetékes motorhoz, valamint syncronous motorhoz is megvolt az eurolite mf5 koppintása.

Megnézem megvannak e még valahol, de nem ígérek semmit.
(#) gaboca323f hozzászólása Jan 6, 2016 /
 
Na találtam is pár cuccot a régi levelezéseim között.

Az ütemvez.lay az általam (is) használt, egymotoros vezérlő, a netes kapcsolások közt ez jött be a legjobban.

A jpg-g pedig egy talált kapcsoláshoz tartoznak, ezt is megépítettem, de nem nagyon használtam, már nem tudom miért, ez elvileg több motort is elbír egyszerre. Annyi még rémlik, hogy talán a poti értéke nem volt jó, és 250k helyett 1Mohm kellett bele.
(#) drhati hozzászólása Márc 7, 2016 /
 
Sziasztok!

Egy ilyen fény építését tervezem a közeljövőben. Eddig odáig jutottam, hogy összedobtam egy bipoláris léptetőmotor vezérlést, amit most megosztok veletek. Azért ilyen alkatrészekből van, mert ezek voltak itthon, így eddig egy fillért sem kellett rá költeni, és azért nem PIC vagy AVR alapú, mert ezek felprogramozásához sem tudásom, sem technikai hátterem nincs. Remélem azért valaki hasznát veszi a kapcsolásnak. Most a fényforrás kiválasztásával foglalkozom, a legnagyobb fejtörést a lencsék beszerzése okozza. Sajnos nem találok olyan helyet, ahol megfelelő optikák lennének. Szerintetek 3W-os ledekből és hozzájuk tartozó 5°-os lencsékből jól mutatna a dolog?
(#) habazutty válasza djbeeboy hozzászólására (») Márc 7, 2016 / 1
 
Szia!

Ez már egy sokszor megépített kapcsolás. Több ilyet is tettem fényekbe és kiválóan teszi a dolgát. A törölt topicban is fent volt. Ez micromotorokhoz való.

A szinkronmotoroktól csak szimplán el kell venni a tápot és újra rákapcsolni, majdnem tuti, hogy a másik irányba fog forogni. Ezek általában 230 V-osak. Ilyenek vannak Pl. a MARTIN RAPTORban.

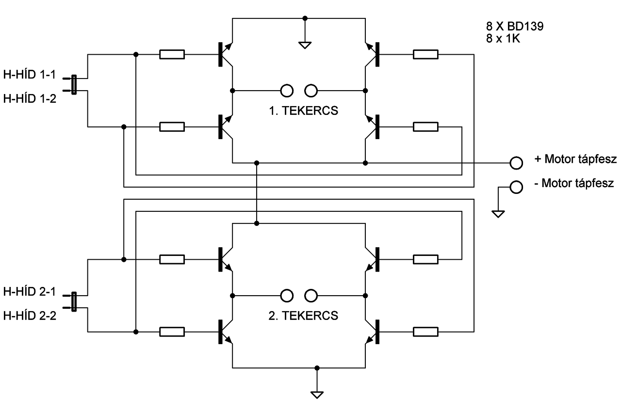
Van egy két motoros vezérlőm, amit egy Quad-ba építettem. A belső parabola léptetőmotoros, a külső tükör pedig a fenti képen lévő kapcsolásról jár. Az ütem szünetekben forgatja a léptetőmotort, mindíg ellenkező irányba. Elég látványosra sikerült a működése.
(#) habazutty válasza habazutty hozzászólására (») Márc 7, 2016 /
 
Megtaláltam a kétmotoros panelrajzát. DipTrace-el készítettem. Ha kell, akkor felteszem.
(#) Szakirodalomolvaso hozzászólása Márc 16, 2016 /
 
Budapesten van egy szórakozó helyem, valaki megtudná nekem oda ezt csinálni?!
Hívjatok a megadott számon, délután 5-6 után, bármikor!
Előre is köszönöm.

Üdv: Pál
(#) djbeeboy válasza habazutty hozzászólására (») Márc 18, 2016 /
 
Kedves habazutty!!

Azt gondolom, mindannyiunk segítségére szolgálhat a két motoros vezérlő rajza, így ha teheted, akkor oszd meg velünk. légyszíves!!
(#) Piszkos Fred hozzászólása Ápr 13, 2016 /
 
Csatlakozom az előttem szólóhoz, engem is lekötelezne, ha megosztanád velünk a kétmotoros vezérlő panelrajzát. előre is köszönöm
(#) gaboca323f hozzászólása Jún 3, 2021 /
 
Van valaki még aktívan ebben a témában?
(#) kokozo válasza gaboca323f hozzászólására (») Jún 4, 2021 /
 
Biztos van, csak kérdés nincs amire válaszolni lehetne..
(#) gaboca323f válasza kokozo hozzászólására (») Jún 15, 2021 /
 
DC motorhoz kellett volan nekem vezérlő, olyan ami stabilan működik. Az itt is linkelt spirálfüzetes, és a BSS oldalon taláható verzión kívül. Igazából a Dody féle lenne a legjobb, ha publikus lenne.
A hozzászólás módosítva: Jún 15, 2021
(#) Josi777 válasza gaboca323f hozzászólására (») Jún 15, 2021 /
 
De mihez szeretnéd használni? Nagyon sok féle DC motor létezik.
(#) gaboca323f válasza Josi777 hozzászólására (») Jún 17, 2021 /
 
A fényekben használatos 12 dc motorhoz.

Névtelen.jpg
    
(#) Bakman válasza gaboca323f hozzászólására (») Jún 17, 2021 /
 
Hol található az a Dody féle verzió?
(#) gaboca323f válasza Bakman hozzászólására (») Jún 17, 2021 /
 
Gyakorlatilag már sehol, sajnos ami van fellelhető darab, arról le van csiszolva minden infó az ic-kről.
(#) dB_Thunder válasza gaboca323f hozzászólására (») Jún 18, 2021 /
 
Mi a cél, működési követelmény, elv?
Én ma már mikroproc-cal csinálnám, mint diszkrét digi ic-vel.
(#) kaqkk válasza dB_Thunder hozzászólására (») Jún 19, 2021 /
 
Idézet:
„Én ma már mikroproc-cal csinálnám”
Egy ADC bemenet és 2 PWM kimenet kéne + egy L9110 motormeghajtó , csak azt nem tudom hogy a mikrofon jele elég lenne e az ADC bemenetnek vagy kéne még egy műveleti erősítő is ?
A hozzászólás módosítva: Jún 19, 2021
(#) dB_Thunder válasza kaqkk hozzászólására (») Jún 19, 2021 /
 
Határeset!
Nagy hangerőnél, meg alacsony ADCref-t választva mehetne erősítés nélkül is. De én tennék bele műveletit, sőt ha otthon kis hangerőnél is akarjuk hogy működjön, akkor még az erősítést is variálnám, egyszerűbb esetben csak 2 lépcsőben.
(#) kaqkk válasza dB_Thunder hozzászólására (») Jún 19, 2021 /
 
Hogyan működnek ezek a vezérlők ?Ütemszünetben váltanak irányt és a hangerőtől függően gyorsulnak ? Hosszabb "csend" esetén megállnak ?
(#) Gafly válasza kaqkk hozzászólására (») Jún 19, 2021 / 2
 
Mint a tapskapcsoló: Pofozod a társad és ütemre villog a lámpa (bocsánat).
A hozzászólás módosítva: Jún 19, 2021
(#) habazutty válasza gaboca323f hozzászólására (») Jún 19, 2021 /
 
Szia gaboca!

Itt egy pár Griven rajz. Az egymotorost megépítettem. Szerintem jó.
Ha lesz érkezésem csinálok róla videót.

Nyilván a mikrokontrolleres verziók inkább csak gondolatébresztőnek jók...
(#) kaqkk válasza habazutty hozzászólására (») Jún 19, 2021 /
 
Idézet:
„Nyilván a mikrokontrolleres verziók inkább csak gondolatébresztőnek jók...”
Miért is ? Komolyan kérdezem nem kötözködni akarok ....
(#) habazutty válasza kaqkk hozzászólására (») Jún 19, 2021 /
 
Mert sajnos nincs meg a program ami belevaló…
Egyébként nagyon jó lenne. Ezért gondolatébresztő, hiszen adott kapcsoláshoz lehet programot kreálni, ha valaki ért hozzá.
(#) kaqkk válasza habazutty hozzászólására (») Jún 19, 2021 /
 
Ja értem ez a 3 sebességes megoldás megfogta a fantáziámat , Lehet hogy belefognék a program fejlesztésébe ha valaki bevállalná a nyák megépítését és a próbákat ...
A hozzászólás módosítva: Jún 19, 2021
(#) habazutty válasza kaqkk hozzászólására (») Jún 19, 2021 /
 
Nekem is van egy megrekedt projektem, de idő az nincs rá…
Kedvcsinálónak egy összetettebb masina Bővebben: Link

Gabóca egy ilyet vadászik: Bővebben: Link

Egyébként itt van sok csemege annak aki szereti a témát: Bővebben: Link

Nem tudom a három sebességes alatt melyikre gondolsz.
(#) kaqkk válasza habazutty hozzászólására (») Jún 19, 2021 /
 
A pdf ben mindkét procis rajz 3 sebességesre van tervezve , a motormeghajtó bemenete 3 lábról 3 különböző ellenállással van megtáplálva .. Ezek e léptetőmotorasak is tetszenek ez már kicsit nagyobb kihívás
(#) Josi777 válasza habazutty hozzászólására (») Jún 23, 2021 /
 
Pedig szerintem pont mikrokontrollerrel lehet a legszabadabban megépíteni. Csak ahhoz kéne tudni, hogy mit csinál egy ilyen szerkezet, pontosabban mi az elvárás, hogy mit kéne csinálnia.
Következő: »»   1 / 2
Bejelentkezés

Belépés

Hirdetés
XDT.hu
Az oldalon sütiket használunk a helyes működéshez. Bővebb információt az adatvédelmi szabályzatban olvashatsz. Megértettem