Fórum témák
» Több friss téma |
Fórum » TV hiba, mi a megoldás?
Szia!
Ott nincs zárlat. Képen egy megpörkölődött tekercs, de az valamennyi ellenállást képvisel, de mivel tekercs ugyanakkora az értéke mint a párjának. Zárlatot nem találtam sehol máshol sem. A FET-ek kimérve jónak tűnik, egyeznek az értékeik. Szerintem a vezérlő IC pukkant el, de nem vagyok biztos benne. Kéne egy tesztet csinálnom hozzá. Ha nem rakok rá semmit az se biztos hogy megindul a tápegység.
Szia!
Ezt megtaláltam, minden benne van, kivéve a táp panelt. Sajnos ez nem elegendő infó, mert táphibára gyanakszom pont. Van egy megpörkölt tekercs is a tápegység panelján, és kissé komplexebb a dolog mint egy szabvány tápegység.
A narancssárga FB601-es pozíciószámú ferrites fojtóra fújódott füst honnan került rá? A kék kerámiakondenzátor meg a mellette lévő FET jó?
Szia!
Köszönöm a tippet! A mellette lévő kék kondi van megpukkanva.... Kiszedem és megnézem milyen értékű. Csere után meglátjuk. A FET nem zárlatos. Csere után referálok hogy mi újság! ![]() Még egyszer köszönöm a szemfülességedet. Én nem vettem észre a kondit
Át lett vizsgálva még egyszer. Zárlat nem volt sehol sem. Ellenben a kerámia kondiról fújodott rá a füst.
Cserélve a kondi, tesztelve, jó lett. ![]() További kérdés hogy merjem e használni úgy hogy a 3A-es bizti helyett csak 4A-es-t találtam itthon és azt raktam be? A TV hibátlanul üzemel, köszönöm szépen a segítséget mindenkinek!
Szervusztok. Az alany egy TX92F sasszis Thomson Black Pearl. A hiba úgy indult, hogy a nagyfesz trafón elkezdett kibugyogni némi impregnálószer. A képen annyit lehetett látni, hogy az OSD erősen torzulva és elcsúszva jelent meg, de az éppen nézett film képe tulajdonképpen tökéletes volt. Kikapcsoltam a készüléket és szereztem hozzá gyári HR8228-as, vadi új trafót. Ha már benne voltam, kicseréltem CL44-et (Plessey 1.76 típusra, szerintem a gyári Arcotronics R76-tal egyező kellene legyen), CL22-t és CL21-et (a 8,3 nF-ot válogattam 8,2-esből, típusa Arcotronics R76), mert az említett kondik gyantázása alul mintha bőrösödött volna, gondoltam ennyi üzemóra után nem baj, ha csere. Leszedtem az összes bordát és újrapasztáztam, eltakarítottam a NYÁK-ot, kicseréltem a mérve is vacak TDA8177 flyback generátor bootstrap kondiját, a tápegység pár kisértékűjét és a nagyfesz meghajtásban lévő kicsiket (ezek nem japánok voltak, állapotuk többé-kevésbé már látványosan gyengült), valamint a színvégfok mellett egy Rubycont, mert az is elfogyott. Ezek természetesen mérve lettek a tápegység összes többi elkójával együtt, azok teljesen rendben vannak. Kicseréltem még RL47-et, mert némileg égett volt már (bár az értéke még rendben volt), valamint egy 100 és egy 10 nF-os fólia kondenzátort az FBT meghajtókörében. RL03-07-es ellenállások rendben, a diódák is.
A tünet jelenleg a következő: többnyire indulás után egy másodperccel leáll. Megjön a nagyfesz, a LED zöldre vált, egy másodperc után pedig készenlétbe kerül a készülék, ahonnan már nem indítható el egy feszültségelvételig. Nem villog hibát a piros LED. Usyst beállítottam abban a fél másodpercben, amíg volt élet, de nagyon nem is kellett mozdítani rajta. A flyback szekunder körén a 26, 13, 200 V megvan, kb. 5-10 %-kal magasabb értékeken. A power fail jel L szintű, miután stby-ból felébredt a táp. Aztán néha sikerül elindulnia rendesen, akkor van is kép, elég furán torzulva. Természetesen a G2 közben be lett állítva, csak a láthatóság kedvéért mutatom ezen a képen. Szervizmenüből majd beállítom a képet, de hátha van összefüggés, ennyire rossznak nem kellene lennie szerintem, nem klasszikus hordótorzulásnak tűnik. Kérdés, hogy mi miatt állhat le? A hozzászólás módosítva: Júl 14, 2021
...közben annyi kiderült, hogy az STV2145 nem reagál a beállításokra, hiába állítom szervizmenüben, a geometria sem függőleegs, sem vízszintes irányban nem reagál. Mivel mentett értékek vannak és alapvetően működik az eltérítés, nem gyanakszom az I2C kommunikációban hibára-rendeltem STV2145-öt. De szerintem önmagában ez nem indokolja a nehézkes indulást. Ha már elindult, nem áll meg, nem melegszik rendellenesen, nincs semmi tünete..
Szia!
Némi segítség: Bővebben: Link
Szia!
Köszönöm, de sajnos ezek nagy részén már túlvagyok. Kivettem DL08, DL60, DL61-et, megvizsgáltam záróirányú letörésre-mind 130 V felett teszi, azalatt szivárgás nincs, nyitóirány tökéletes. Kivettem DL21, 22-t, szintén rendben vannak, a BYW26 1k V felett tört le, a BY228 meg 1500 felett (annál többet nem tud a műszerem, de adatlap szerint rendben is van), szivárgás szintén nincs. LL22 tökéletes, 550 uH, égésnyom, átütés helye nem látszik. RL47 barna volt, nem égett el, de azt cseréltem. TL41 rendben van, bétája 1700 körüli 10 mA-es Ic mellett, maradékfeszültsége 0,5 V körüli, diódája mérhető. CL21, 22 cserélve lett újakra (mindkettő R76-os Arcotronics, az eredeti Roedersteinekkel egyező igénybevételre alkalmasak). CL44 régebben fóliára lett cserélve, mértem, rendben van. CL07 szintén. CL32 vadiúj, polaritása rendben. Az említett SMD ellenállások mind rendben vannak. Úgyhogy tanácstalan vagyok, mint egy kisközség.
Cseréld ki az STV-t, mert szeret elpusztulni a kelet-nyugat kimenete. De persze előtte ellenőrizd a kimeneten a moduláló feszültséget, aminek változnia kell a szervizmenüs állítás közben.
Igen, ez nekem is a következő logikus lépés. Egy dologra reagál, a vízszintes szélesség jobb oldalra valamennyit valtozik. Nem tudom, hogy az STV hibája miatt az EW fokozat nem rendes működése okozhat olyan szekunder feszültségszintet (a képméret és a magasabb szekunder feszültségek erre magyarázatot adnának), hogy akár a trafó árama, vagy a magasabb kimenet végül eredményez készenlétbe kerülést (a power fail csak alacsony feszültségre "ugrik"), hátha pont erről van szó. A táp mindenesetre rendben kell legyen, nem lép egyszer sem "request" üzemmódba. A 9 és 5 V rendben van a CPU-n és a kapcsolt táp oldalán (ennek alacsony szintje is kivált power fail jelet). Szkóppal körbenézek még benne, köszönöm.
Megjött az STV. Pontosan ugyanaz a hibajelenség a cseréje után. EEPROM hiba? De attól nem kellene leállnia. Ugyanúgy leáll 1 másodperc után, csak sokadik próbálkozásra tud bemelegedni a képcső (de ha sikerült neki, akkor már nem áll le, akármeddig elmegy, akármit teszek vele). Menüben ugyanúgy nem reagál a képgeometriára. A menü meg úgy néz ki, hogy amíg hideg a TV, tökéletesen látszik, aztán ahogy bemelegszik, elkezd egy sorban összeesni, de csak ott. Aztán ahogy melegszik tovább, elkezd megjavulni, de nem lesz tökéletes már. Nincs ötletem.
Üdv, egy eredeti Panasonic (mármint nem gagyi belsejű vestel Panasonic) LED TV, olyan hibával jött hozzám, hogy miután bekapcsol, felvillan a kép, de el is tűnik. Újra felvillan, és újra eltűnik. 2-3 próbálkozás után már nem kapcsol be, és ha jól emlékszem a piros visszajelzo csak 1x villan fel. Tudomásom szerint háttérvilágítás hibakód.
Oké, rosszak voltak a ledek, cseréltem is az egészet. A tv bekapcsol, működik. A tulaj viszont most mondja, hogy pár óra elteltével a tv kikapcsol magától, és csak a piros LED villog. (nem tudom hányszor, csak annyit tudok hogy villog, de gyanítom hogy 1x) Ilyenkor ha áramtalanítja, és vissza bedugja, a tv megy tovább. Nincs valami bypass megoldás, mint a régi csöves világításnál, hogy ne kapcsoljon le a háttérvilagitas, ha valami gubancot észlel?
Nem lehet, hogy az a gubanc a meghajtó elektronika, vagy a LED-ek tönkremenetelét okozná és amiatt lényeges, hogy ilyenkor leálljon? Őszintén szólva nem értem ezt a mentalitást, ha valahol hiba van, iktassuk ki az erre figyelmeztető/ennek esetleges káros hatásaitól védő megoldást, ahelyett, hogy megoldanánk a bajt.
Ha pár óra után áll el, ott valami melegedéssel összefüggő dolog lesz valószínűleg. Próbáltál ilyen jellegű okot keresni?
Sziasztok!
Került hozzám egy Daewoo TV, CP375-ös sasszival. A tápjában elhalálozott egy pár alkatrész: - hálózati biztosíték - C806 470 pF 2 kV - R804 0R56 2W - R806 100R - R807 2k7 Az R803 túlélte, illetve az STR-S5707 integrált tranyója is (csoda..) Mind cserélve lett plusz az összes kis elkó, de semmi élet jelet nem mutat. Az lenne a kérdésem, hogy a C806 kondi zárlata miatt meghibásodhatott az STR belső túláram hibaerősítője (OCP)? A másik, hogy mostanában mennyire megbízhatóak ezek az STR IC-k? Pár éve elég gyalázat volt a felhozatal (hibás széria). STR-S5708
Sziasztok
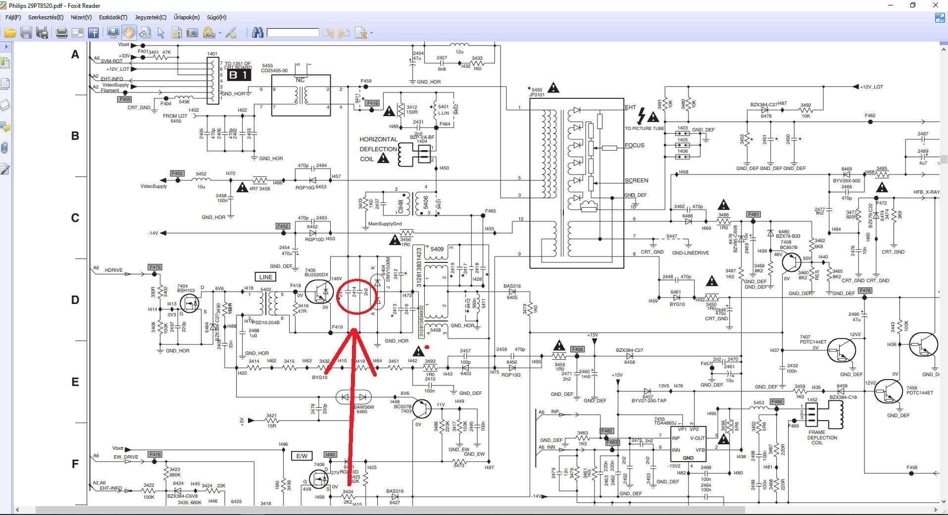
Hozzám került egy Philips 29PT8521/12 TV, fura cicergő (mellékelek hangmintát) hangot produkál, se kép se hang. Egyik pillanatról a másikra kikapcsolt és csak cicereg. Az egyenirányító diódahídon 320V van. Forrasztási hibát nem találtam a panelon, látszatra hibás alkatrész sem látszik (púpos kondenzátor, égett ellenállás). Merre keressem a hibát?
Szia!
A sortranzisztor épségét ellenőrizd.
Szia
Meg lesz a hiba, jobban szétszedtem a panelt és a sortranzisztor BU2520DX mellett egy kerámia ellenállás van elégve valami talán 2,2NF 2KV kerámia kondenzátor kapcsolási rajz szerint. Sajnos szerintem a tranzisztor is rossz lesz mert a kondenzátor a test és a középső lábára kapcsolódik, de majd mindjárt kibányászom és rámérek.
Inkább egy 100pF 2kV-os vagy 1nF-os kondenzátor lesz az.
A hozzászólás módosítva: Aug 31, 2021
Mintha 102K lenne rajta. Viszont a tranzisztor is kuka műszer nem mutat semmit hibásnak írja.
Ellenállás mérővel 1-2 láb 400K Ohm 2-3 láb semmi, 1-3 láb dióda. Más lehet még rossz? A hozzászólás módosítva: Aug 31, 2021
Multiméterrel mérj rá a bázis-emitterre (1-3). Egy ellenállást kell ott találnod, a 2-3 (C-E) között pedig egy diódát, úgy ahogyan a rajzon is látszik.
1-2 láb 400K Ohm
2-3 láb semmi 1-3 láb dióda.
Mi a tranzisztor típusa? Mi van ráírva?
BU2527AX
Ez nem a rajz szerinti típus. Építs be egy diódás típust, lehetőleg a rajzon lévőt és cseréld ki a kondenzátort.
1nF 3KV kondi is jó?
Nagyobb feszültségtűrésű lehet, ezért igen.
Sziasztok, kaptam egy LG 43L624 es led tvt. A tulaj ki akarta dobni, elhoztam. 3 éves. Kék a képernyő. Ennyi baja volt. Megvettem hozzá a led szalagot. Kicseréltem. Háttérvilágítás ok. Összeszereltem. Háttér ok viszont eltűnt a kép. Nem jön be semmi. Kimértem a tcon panelt. Vgh fesz 0 v a többi tesztpont érték ok.. Cseréltem tcon panelt. De most sincs kép. Mi legyen a következő kontroll? Mi lehet a gond?
Szia!
Ha volt háttérvilágítás, akkor miért cserélted ki a ledeket? Nézd meg, hogy nem olvadt-e ki ennek a feszültségnek a biztosítéka. |
Bejelentkezés
Hirdetés |








Cserélve a kondi, tesztelve, jó lett.







Nézd meg, hogy nem olvadt-e ki ennek a feszültségnek a biztosítéka. 




