Fórum témák
» Több friss téma |
Fórum » Kapcsolóüzemű (PWM) végfok építése
Lehet, hogy láttál egy rajzot, amiről valamiért azt gondoltad, hogy a purifi rajza, de...
A leírásod alapján nagyjából biztosra vehető, hogy nem láttad a purifi tényleges kapcsolási rajzát. Az Ncore valamelyik verziójának rajza kering a neten, és bár vannak hasonlóságok is, de azért más mint a purifi. A hozzászólás módosítva: Okt 18, 2022
Kerestem google-val képeket a purifi-ról, és a gyártó weblapján találtam is olyat, amin mintha még a FETmeghajtó IC tipusa is olvasható lenne.
purifi-audio.com/1ET400A-75deg-full-res.png Szóval mégiscsak van abban gate meghajtó... A hozzászólás módosítva: Okt 18, 2022
Sajnos, lehet, hogy összekevertem őket... Lehet, hogy az Ncore volt? A Karesz még rajzot is tett fel, hogy milyen egyszerű a kompenzálása...
Abban földelt bázisú volt a szintáttevő.Amit most betettél képet, abban egy Silicon Labs ic van, amiről az előbb beszéltem. Arrafelé tudják mi a jó... A típusa: Si8231. Ezt - ha jól emlékszem - gyártja a Silicon Labs, meg valami Skyworks. Az eredeti Si a gyorsabb. Ez egy termékcsalád, a bemeneteken vannak különbségek, a főkör által i kívánalmaknak. Egy PWM bemenet, vagy kettő, már nem emlékszem. Ha még tettek volna egy gyors komparátort a bemenetre, akkor igazán összkomfortos lenne. Itt vannak a lehetőségeik: https://hu.mouser.com/datasheet/2/472/Si823x-2507830.pdf
Megtaláltad a Purifi kapcsolási rajzát?
Bocs, nem lapoztam. Most látom, hogy ezen az oldalon van még folytatása... A hozzászólás módosítva: Okt 18, 2022
Sziasztok! Elsőre a "Elektronikában kezdők kérdéseknél" tettem fel a kérdéseket ott "antiktelefon" sokat is segített, de úgy gondolom ez az erősítő-végfok topikba való.
Van egy ilyen erősítő, (PDA500-AMP) más feliratot nem találni rajta. Nem találok hozzá rajzot. Ha van hibás dióda meg kondi rajta, gondolom így nehéz be azonosítani, hogy milyet vegyek helyette. Van rajta a meghajtó IC IR2156S és körülötte a diódák kondik milyenek lehetnek? Van egy rajz ez alapján próbálok boldogulni, cserélhetem ilyenekre mint a rajzon vannak? Az SMD ellenállásokat figyelve az alaplapon mások vannak mint ezen a rajzon. Válaszokat köszönöm!
Helo.
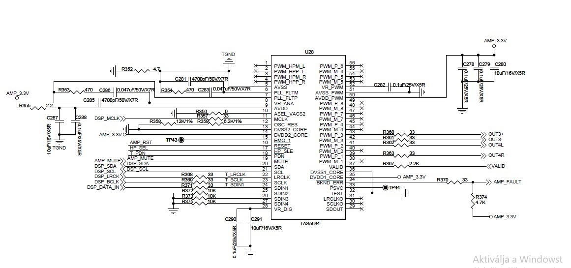
Nem épp építés hanem javítás de pwm téma. Egy Sony mhc v11 es bluetooth hangszóróval küzdök. TAS5534 hajt meg egy TAS5624 ic t. Csak épp a TAS5534 ből nem jön ki a pwm jel a végfoknak. Leellenőriztem a tápfeszeket, logikai bemeneteket, 11 lábon az MCLK t, LRCK, SCK, SDIN1, minden van valami, mélyebben nem elemeztem de a szkópon látszott hogy van jel. Döglött lenne az ic? Mit lehetne megnézni még? Kínomban azon gondolkozom hogy készíteni kéne egy i2c sniffert és ráakasztani a buszra, azt az egyet még nem néztem. A hozzászólás módosítva: Márc 14, 2023
Tiszteletem!
Van egy PR:O 15D erősítő modulom, ami bár működőképes, de gyalázatosan alulméretezettnek tűnik. Persze ezt a modul nem tudja, ezért szól mint a veszedelem. Ez egy kétutas aktív PWM erősítő. Minden ki van élvezve a végtelenségig, jó hogy bele nem hal szegény. A táp TOP262 IC-re épül, 2X75V-ot állít elő a két végfoknak, valamint néhány segédfeszt. A végfokok IRS20124s IC-re épülnek, 150V-os feteket hajtanak meg. Ezek csak fel vannak forrasztva a nyákra, ennyi a hűtésük. A kimeneti induktivitások 0,4mm-es huzalból vannak 2cm átmérőjű vörös toroid magon. Nekem így nincs rá szükségem, gondoltam átalakítom sztereó erősítőnek, de nem olyan egyszerű ahogy első körben hittem. Rajz nem lévén, visszarajzolva a lényeges részeket. Az Irs20124s az Irs2092-től eltérően nem analóg, hanem PWM bemenetű. A bemeneten egy szintillesztő diszkrét fokozat, amit egy ADAU1701 dsp előz meg. Ebből jön két csatornán a PWM jel, tehát az aktív kereszt váltó digitálisan működik. A Dsp előtt van egy előerősítő, ez a gain fokozat. Nos ez így nem opció számomra. Nem tetszik hogy azonnal digitalizálja a bemeneti analóg jelet, aztán abból csinál PWM jelet a félhíd meghajtóknak. A kimenetről semmi visszacsatolás, csak a Jóisten figyel a torzítás nem túl magas szintjére. A nyák többrétegű, vastag rézfóliájú, ilyet nem tudnék csinálni. Viszont a Dsp-t leválasztva lehetne önrezgővé tenni, viszonylag kevés külső alkatrésszel. Mivel a két végfok tápja közös és egymástól csak pár cm távolságban vannak, vélhetően a vivőket el kellene tolni egymástól 20-30kHz-re. Csakhogy önrezgő kapcsolás esetén a vivő nem állandó, hanem várhatóan 200-400kHz között fog változni. Azaz hiába eltolnám egymástól a két csatorna vivőjét, biztosan lenne olyan állapot, amikor a különbségi frekvencia a hallható tartományba esik. Van e tapasztalat ilyen közös tápos önrezgő erősítő hallható füttyögésével kapcsolatban?
Sziasztok.
Valakinek ötlete, hogy a PWM erősítős cikket olvasva miért így jelennek meg a képletek?
Merthogy képként lett betéve:
Idézet: „<img src="/cikkek/files/523//files/math/math_972_5fc30dde41a075316e1af49fe4618ea8.png" style="vertical-align:-28px; display: inline-block ;" alt="H=n*I_max/l_uthossz+mu_rel*l_legres" title="H=n*I_max/l_uthossz+mu_rel*l_legres">” A hozzászólás módosítva: Aug 16, 2023
Több mint 12 éve írták a cikket, akkor valószínűleg nem így nézett ki.
Írjál a szerzőknek, majd javítják. Lehet mást is aktualizálnak egyúttal.
Ilyen képként megadott képleteket a HE oldal által nyújtott képletszerkesztővel lehet készíteni, mint például: ITT. Ha nem jelenik meg helyesen akkor az nem a cikk írójának hibája.
Ha megnyitod pl az alábbi linket: https://www.hobbielektronika.hu/cikkek/files/376//files/math/math_9...2a.png , akkor láthatod, hogy nem a képet tölti be, szóval ez a HE hibája.
Mivel mindkét szerző: lorylaci és Ge Lee is létező tagja a fórumnak, majd frissítik a cikket, ha jut rá kapacitás. Amúgy nem értelemzavaró, csak csúnya. Még az is lehet, azóta pár dolgot másként látnak, esetleg kibővítenék, átfogalmaznák, stb...
Múltkor én is visszanéztem cikkemet, abban is "romlottak el" dolgok időközben. Akkor jó volt, mostmár nem. Olyan is volt, ami akkor sem volt jó, de senki sem vette észre... Amúgy az alsó zöld sávban az utolsó tétel, a "Hiba jelentése" pont erre van. Mármint ha a HE fórummotor a gyanús... A hozzászólás módosítva: Aug 16, 2023
Igaz nem pont ebben a témában, másban használtam már a "Hiba jelentése" funkciót körülbelül másfél éve.... Azóta is várom a választ, megoldást.
Üdvözletem! Adott egy MAC audio micro xl 1000 digitális autós erősítő. Hiba jelenség a következő hogy amikor gondol egyet akkor a kimenetre kiteszi a féltápot az az 56V dc. Csatolom fényképen a végfok kapcsolási rajzát. Minden alkatrész ki lett cserélve a meghajtó kártyán. Mi okozhatja a hiba jelenséget? Válaszokat előre is köszönöm!
Cserélt alkatrészek: U1: tl072 U2: lm393 U3: lm311 U4: IR21844s Q3: mmbt5401 Q5: mmbt5551 Q7:mmbt5401
Ha már szóba került a "D" osztály. Tegnap futottam bele ebbe a blogba. Kicsit csodálkozva néztem ki a fejemből, aztán azt gondoltam egy merészet és rendeltem kettőt ebből a kínai modulból. Állítólag minden harmadik működik, de hátha szerencsém lesz és a kettőnek a fele hibátlan lesz. Nem áll semmiből kipróbálni... hátha nekem is eláll a lélegzetem tőle. Most nem cinikus vagyok, hanem kíváncsi. Majd beszámolok róla.
Idézet: „Az elmúlt években a „D” osztályhoz történt megtérésem óta volt szerencsém körülbelül 15-20 különböző ilyen elven működö erősítőt hallani, építeni, modifikálni. Volt köztük olyan amire azt mondtam: elmegy, voltak majdnem hallgathatatlanok, jobbak, és néhány nagyon jó is. Aztán pár hete a sors (ingyen) a kezemre játszott egy -szó szerint- filléres kínai áramköröcskét amely alig nagyobb egy gyufásdoboznál, és itthon is beszerezhető bruttó 1100 Ft-ért. Ez nem elírás, tényleg annyi! 12-24V DC tápfeszről üzemel, elfogadható torzítással 2×10 w-ot tud 8 ohmon, éppen volt is kéznél egy laptop tápegységem, nosza gondoltam: -mit veszíthetek. Mielőtt kihajítom teszek vele egy próbát, legfeljebb röhögök egy jót…. A következő sorokat csak saját felelősségre olvassátok, mert vagy arról szól hogy teljesen elment az eszem, megsüketültem, vagy: megtaláltam a „D” osztályúk AN Ongaku-ját, persze „picit” olcsóbban. Nos, röviden: Ez a vicc kategóriájú kis semmi holmi simán leszólt mindent amit eddig erősítőből -bármilyen felépítésűből/osztályúból- volt szerencsém hallani. Ezt nem hirtelen felindulásból írom, jó két hete hallgatom, többféle hangsugárzóval próbáltam. Hogy csinálja, fogalamam nincs. Tisztaságban, DINAMIKÁBAN, térreprodukálásban, életszerű megszólalásban egyszerűen lenyűgözö. Nehezen tudom elhinni hogy az amit hallok ezekből a kis vacakokból jön. Persze figyelebe kell venni a korlátait, de én a 21 nm-es szobámban 85-86 dB-s hangdobozokkal idáig nem tudtam hallható torzításig kihajtani.”
Kíváncsi leszek...
Adatlapja alapján jó nagy torzítása van, lehet hogy pont az tetszett meg neki.
Mi a típusa, vagy honnan rendelted? ( Lehet, hogy le vagyok maradva egy brosúrával? )
Erről van szó. Nincs annyi ujjam hogy meg tudjam számolni hogy az utóbbi 30 évben hány ilyen szösszenetet olvastam. Akkoriban még hittem a mesékben, így meg is vettem vagy építettem ezek zömét. Mostanában meg már csak röhögök rajtuk.
Közben megtaláltam Dragonweed oldalán. Ezt valaki innen a fórumról használta, talán nem is olyan régen írt erről, talán házimozit csinált belőle?
Én a TPA3318-as panelt néztem ki, ez 1 x 60W, 1800,-Ft-ért nem lenne rossz. Aztán nézelődtem, hát az eredeti ic-nek 32 lába van, a kinai panelen levőnek meg 28. Hm...inkább elfelejtettem a dolgot. Ettől még lehet jó, de inkább nem kísérletezek vele.
Nem is értelek. Miért nem? Miért nem hiszel benne, hogy egy 863Ft + tréfás produktum le tud szólni milliós készülékeket?
Én is kíváncsi leszek. Hátha leveri a Burgumot, mint vak a poharat : )
Már vagy 6 éve nem szórakoztam PWM-mel, játszani mindenképpen jó lesz... meg akármire... esetleg valamire. Azért meghallgatom bent is, ha kibírja a 3R terhelést a műhelyben. Vagy még nem tudom. Egyelőre tényleg nagyon birizgálja a fantáziámat.
Hát, a millióból a fele a márkanév. A következő tétel a sokkal nagyobb teljesítmény ( csövesekre ez nem vonatkozik, mert ott a kisebb teljesítményt a bele vetett hittel pótolják ) A komplett erősítőkbe táp is van építve, meg mindenféle kényelmi akármi. Ha csak a végfokot néznéd egy a panelen, nem is lenne olyan drága...
Én nem a 863,-Ft-os panelről írtam, hanem az 1800-asról. ( Hestore ) Ez azért drágább. Egyébként eszembe sem jutott, hogy jobb lenne, mint a milliós A/B osztályúak. De lehet, hogy többet ér, mint egy játék. Mintha egyszer arról írtál, hogy ami a cikkedben megjelent D osztályúról szólt, hogy nagyon jól szól... pedig az aztán ezer sebből vérzik. Meg azt sem értem, hogyan tudsz véleményt formálni olyan valamiről, amit nem is hallottál... Ezt hívják előítéletnek.
3 ohmra? Megszólal az áramkorlátja. Lehalkítod.
Ezek a szűrő nélküli, meg nem a kimenetről visszacsatolt végfokok nagyban függenek a hangfalak impedanciájától. Ha az tisztán ohmos lenne, nem lenne semmi baj. De, ugye nem az? És a kimeneti szűrő ( már ha van ) frekvenciamenete a hangszóróval együtt , ha a hangszóró okozta csillapítás nem adja ki a pont exponenciális felfutást négyszögjelnél, akkor vagy kiemelése lesz nagyobb frekvenciákon, vagy vágása. De biztosan nem lesz egyenes a Bode. Ez még nem biztos, hogy baj, meg kell hallgatni. Kinek, mi tetszik.
Hétfőn elvileg itt lesz. Először megmérem, hogy egyáltalán mit csinál(-e valamit), aztán meghallgatom a műhelyben, aztán újra megmérem.
Van kimeneti szűrője. Ki kell cserélni a fojtót és át kell számolni a szűrőtagot 3 Ohmra. Ha átmegy a vizsgán kap egy akkus tápegységet, majd ha készen lesz a töltő panelja. Duál monó tápot kap, mert van 12 db 3.5Ah-s akkum (átmenetileg). Az egyiket meghagyom eredeti állapotában, a másikat megbirizgálom.
Kíváncsi leszek mire jutsz ezzel. Ha nem érzed úgy, hogy teljesen hallgathatatlan, és lesz rá lehetőséged, akkor a TPA3122-t próbáld ki - hídkapcsolásban. Alapból ez félhidas, és úgy nem túl kicsi a torzítása, de azért hallgatható. Viszont hídba kötve sokkal kisebb torzítást produkál, és nagyobb teljesítményt. A 4 ohm már határeset, 24V táp esetén, nagy hangerőnél lekapcsolgat (kisebb táppal nem), mert eléri a belső áramlimitet, 8 ohmra viszont jól megy. A kimeneti szűrőjét is módosítottam, kapott egy harmadik vasmagot közös módusú tekercsekkel: ettől kb. a felére csökken a nyugalmi áramfelvétele, és drasztikusan csökken a tekercsek melegedése. A torzítására nem tudom hogyan hat, mert nem mértem, de a hangja nekem tetszik. Később kipróbáltam egy TPA3116-ra épülő verziót, majd annak is módosítottam a szűrőjét. Eleinte az is nagyon jónak tűnt, de hosszabb távon valahogy már inkább csak "nem rossz", azaz a TPA3122 mégiscsak jobb valamiért. Pedig ez utóbbi sokkal alacsonyabb PWM frekvenciát használ.
A saját erősítőm házi gyártású panelre készült, de nemrég megjött kínából egy újabb nyák ehhez az IC-hez, csak még nem volt időm összerakni. Annyi eltérés lesz hogy több SMD alkatrész lesz rajta. Több dolog (mérési eredmények is) alátámasztják, hogy a kommersz (értsd: olcsó) kategóriában, az SMD ellenállások jobbak mint furatszereltek (kisebb a saját zajuk, és a tozításuk is).
Az este eszembe jutottál, hogy láttam a honlapodon erről információkat. Újra végig olvastam.
Nagy valószínűséggel nem fogja bírni a hangszóim alacsony impedanciáját, tehát nekem csak játszani lesz jó ez a modul. De majd kipróbálom, 0.5-1W nálam elegendő szobahangerőt jelent, hátha ennyinél még nem tilt le a védelme. Vannak jó minőségű SMD ellenállások is, amik partiban vannak furatszerelt társaikkal.
Igazából ameddig nem éred el az áramlimitet, addig nem lesz gond. Néhány W-nál mindenképpen többre jó lesz, de a névlegesnél kevesebbre. A kapcsolóüzemű erősítő esetében (az AB osztályútól eltérően) a reaktív terhelés, és a hangszóró által "visszatolt" energia szinte semmi problémát nem okoz, és ez sok esetben előnyt jelent.
Igazából a Purifit kellene meghallgatnod, vagy a NAD-ot. A NAD-hoz nekem nem volt szerencsém, a Purifi viszont nekem összességében tetszett, de sokaknak nem tetszene, mert az a kategória ahol ami a bemeneten van, szigorúan az van a kimeneten is - nem színez semerre, "nincs saját hangja". Ezért aztán csak jó felvételekkel jó. Nem fedi el a hibákat, ezért azokat könnyű meghallani. De.. halljuk neked milyen véleményed alakul ki ezekről a kis Texas végfokokról. Azért azt tudni kell, hogy kicsit más elven működnek mint pl. a Purifi vagy a NAD, ez utóbbiak önrezgők, míg az integráltak többsége fix frekvenciás. |
Bejelentkezés
Hirdetés |




Abban földelt bázisú volt a szintáttevő.







Adatlapja alapján jó nagy torzítása van, lehet hogy pont az tetszett meg neki.





