Fórum témák
» Több friss téma |
Mielőtt kérdezel, a következő két dolgot ellenőrizd!
I. A helyes tápfeszültségek megléte.
II. A kimeneten van-e egyenfeszültség.
Élesztés.
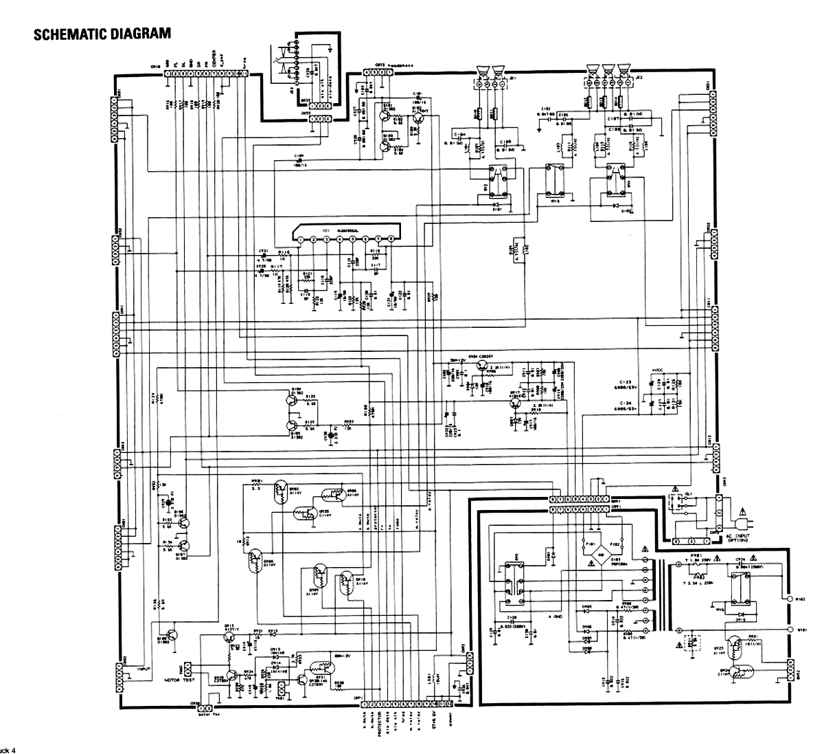
Ok, le lesz, ja a relé előtt a végfok szól, nem hallom hogy torz lenne. Csak kirajzolom kézzel, igaz körülményes, de legalább tanulok.
Nem is annyira a kapcsolási rajz az érdekes, ha például IC-s a védelem, akkor máris kijelölhetünk mérési pontokat a típusa alapján. Tranzisztoros esetén a működtető tranzisztor lábain mérünk feszültséget. Mielőtt rajzolni kezdenél, fotózd le a relé környezetét!
Felül nézet, nemsoká alulról is lesz.
Alulról hátha kivehető a lényeg. Elvileg a relének kattania kell, betápot nem kap a tekercse, az tuti 0v
A védelem kapcsolása egyértelmű, csak a kimeneti egyenfeszültséget figyeli, ami nem ad okot a kimenet letiltására.
A relé tekercseknek testhez képest pozitív feszültségen kell lennie, ennek hiánya okozza a hibát. Bekarikáztam az általam hibásnak vélt alkatrészt.
Szép napot!
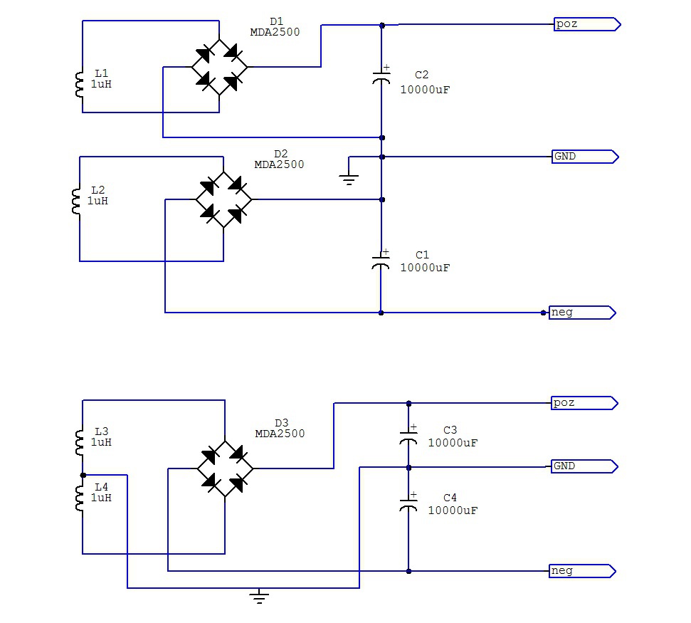
Épülgető erősítőmmel lassan eljutok a táphoz illetve az egyenirányítás részhez. Szerintetek melyik egyenirányítási kapcsolás a jobb? A rajz elején a trafó szekunder tekercse lenne, két külön álló tekercsel. Segítséget ellőre is köszönöm! A hozzászólás módosítva: Máj 25, 2022
Én egyértelműen a második változatot választanám.
Nem csak a kevesebb alkatrész miatt, hanem mert kb. fele a diódákon eső veszteség. Földelésre viszont talán kicsit jobban oda kell figyelni.
Én meg az elsőt. De nem amiatt, hogy ellentmondjak neked - hanem mert különböző műszaki okok miatt azt tartom jobbnak.
Valahol itt a fórumon olvastam korábban, hogy valóban az első megoldás a szerencsésebb, annak ellenére is, hogy több alkatrészt igényel.
Szépen az áramutak jelölésével látszott, hogy a zavaró csatolások így kevésbé hatnak. Talán te írtad, vagy csak linkelted, nem tudom.
+1 szavazat az elsőre. Eleinte én is a másodikat használtam, de utána áttértem az elsőre.
Igen én írtam és le is rajzoltam és ezt is használom mindig, kivétel nélkül ha kettős táp van.
A bekarikázott alk. részen 300Kohmot mértem. Este felé tudom kiforrasztani, megnézni ki van utána, elótte.
Üdv!
Nemrégen szereztem be ilyen végfok paneleket. Van dokument is hozzá, szeretném, ha segítenétek kitalálni a rajzon szereplő 2 kivezetés funkcióját. Valamiféle védelem lehet...Amúgy ügyes kis holmi, 60W-ot írt róla a pdf-je. Sajnos az nem fér ide a mérete miatt...
A felső 3-as az out, hangszóró kimenet (oda is van írva)
Az alsó 1-es a túláram védelem kimenete az elektronikájához.
Furcsa így látni egy végfok rajzot. A Japánok írnak függőlegesen?
Amilyen figyelmetlen vagyok, nem láttam a szememtől...
![]() A végtranyók közvetlen kimenetét nem vettem észre! (Pedig kézenfekvő, hogy legyen...) Most már így felvilágosultam túláramilag is. Köszönöm...
Tudnád részletezni, vagy linkelni milyen műszaki okok miatt tartod jobbnak az elsőt?
Én a másodikat is jó megoldásnak tartom Gafly által említett előnyök miatt nagy áramoknál különösen, de az alábbi módosítással: Ha a trafótól a közös pont külön van vezetve, a mellékelt kép szerint, akkor a felső két dióda csak a felső tekercs egyenirányításában vesz részt az alsó két dióda csak az alsó tekercs egyenirányításában vesz részt. A egyedüli közös vezetékek a greatz pozitív és a C3 pozitív illetve a greatz negatív és C4 negatív pontja között van, de ezeken a a szakaszokon is egy időben csak egyik tekercs árama folyik. Egyik periódusban a felső, másikban az alsó. Amit problémának látok esetleg, ha a pozitív és negatív ág terhelése különböző, ekkor a trafó nem szimmetrikusan lesz terhelve.
Hát ezt már nem szeretném sokadjára leírni és lerajzolni. Valahol a hozzászólásaim képei között találsz nyilakkal összefirkált nyákrajz vázlatokat.
A problémát már fel is vetetted - nem folyik azonos áram a tápágakban csak akkor ha erősítő nem szól. De akkor meg mindegy. Meg van egy olyan is, hogy töltési ciklusban a Graetz árama elágazik - egyik irányban a végtranzisztorokon át a hangszóró felé, másik irányban a puffert tölti - a GND vezeték csillagpontjában aztán találkoznak, majd haladnak a trafó felé. Kicsit bonyolult, de legalább nem egyszerű.
Szerintem csak asszimmetrikus terhelésnél hátrányos a közös graetz, nagyjából szimmetrikus terhelésnél egyértelműen az egy graetz-el felépített változat a jobb.
Erősítő esetében egy 100Hz alatti, nagy kivezérlés már asszimetrikus terhelést okoz, viszont szerintem ennek csak akkor van jelentősége ha a puffer alulméretezett. Kellően nagy pufferkondenzátorok esetén (ami egy 20Hz-es jel, ill. áramfelvétel áram-hullámosságát ki tudja szolgálni) az egy graetz-es megoldásnak nincs hátránya, előnye viszont igen. A trafó szempontjából ez úgy néz ki, hogy egy graetrz, és assszimetrikus terhelés esetén 2x egyutas lesz az egyenirányítás. Az ehhez tartozó áram effektív értéke, a trafó szekundere felől nézve 2^0,5-ször nagyobb, mint graetz-es egyenirányítás esetén, ezért a szekunder jobban fog melegedni, mintha 2 graetz lenne. 2 graetz esetén viszont az egyenirányítás vesztesége a nagyobb. Szerintem ha két trafó van az erősítőben akkor kell a két graetz is. Ha egy trafó van két szekunderrel, akkor egy graetz is elegendő, de több pufferkondit érdemes használni, mint a két graetz-es megoldás esetében.
Még annyit, hogy a múlt században, amikor QUAD405-öt épített mindenki, aki az átlagnál jobb erősítőt akart, kipróbáltam mindkét megoldást. Mechaniaki Művek által gyártott 2...4db 10.000µF-os puffer kondival, és különálló 10A-es diódákból épített graetz-el. Semmiféle különbséget nem hallottam, az erősítő hangjában a két megoldás között, még akkor sem amikor két külön trafó volt benne, pedig akkor még sokkal jobb volt a fülem, mint most. A melegedés meg nem számított, mert olyan vastag alumínium lemezekből volt a doboza, hogy hűtőborda nélkül is elvitte volna az erősítőben keletkező összes hőt.....
Ennélfogva szerintem egy graetz-el ugyanolyan jól meg lehet csinálni az erősítőt, de végülis tökmindegy, hogy egy vagy két graetz kerül az erősítőbe, mindenki csinálja úgy ahogy jobban teszik. Még annyit, hogy ha két szekunder közös pontja kicsit nagyobb impedancián keresztül csatlakozik a kondik közös pontjára, akkor a kondikat bizonyos mértékben rákényszeríti az asszimmetriák elsimítására - annak aki meghallja a különbséget, ez is megoldás lehet. A hozzászólás módosítva: Máj 25, 2022
Köszönöm Mindenkinek a segítséget! Az első variáció csináltam meg
. Még káosz van s nagyon félkész, de a tápnak az erős/nagy áramu része bekötve a 11vegfoknak. 4db TDA +/-40v rol, s 7 db ST 151 +/- 60v bekötve.
Huha, mihez kell 11 végfok?
Ha már 1 greatz esetén több puffer kondit ajánlasz, akkor egyszerűbb a két greatz-et használni, igaz nagyobb a disszipáció, de a végfokban ennél sokkal több alakul hővé.
@Karesz, azt hiszem ERRE gondoltál, bár itt közös a föld a trafótól, nem ugyanaz az eset.
Szerintem ez nem annyira egyszerű, hogy "gyökkettőszörtrafó" és nem is szeretnék újra belefolyni különösebben. Kicsit tanulmányozni kell ezt a három primitív szimulációt.
A zenei jel sem olyan, hogy 100 Hz alatt, meg 100 Hz fölött. A "zenei jel" egy komolyzenei részlet amiben egy deka mély nincs még 200 Hz alatt sem (csak írtam egy számot), de elég "fejben" integrálni a 10 msec-es részleteket és jól láthatóan van egyenáramú összetevője. A Quad meg soha sehol nem számított etalonnak a hifiben, csak az amatőrök körében volt népszerű a kapcsolás túlmisztifikálásának köszönhetően.
Az emitter ellenállásokon 7,8mV és 6,8mV ot mérek a testhez képest. Nem kevés?
Egy atmos házi mozihoz készül, gyári vegerositők méreg drágák, megfizethetetlen számomra. Ezért keszulget egy saját vegerositő nagyjából 2 éve szedegetem össze felé hozzá a motyokat, lassan látszik a fény az alagút végén
Idézet: Ezzel ugyanígy vagyok, többször, többféle erősítővel is eljátszottam. Szerintem sokan ugyanúgy nem hallanak csak ráfogják, de inkább átveszik mert valakitől hallották hogy az úgy jobb. Csak azt nem értem, akkor a több milliós gyári erősítőkben miért közös tápról jár a jobb és a bal oldal. Ja, lehet hogy a mérnökök se tudják hogy dual monóban jobb lenne. „Semmiféle különbséget nem hallottam, az erősítő hangjában a két megoldás között, még akkor sem amikor két külön trafó volt benne, pedig akkor még sokkal jobb volt a fülem, mint most.”
Érdeklődés szintjén, a Quad miért nem számít hifinek, hiszen minden paraméterében teljesíti a szabványt ?
Hifiben mi az etalon ? (ha a francia méterrúd etalont atomórából leosztott 1 KHz-el rezegtetik ?)
A kétszer egyutas egyenirányítás, (ami asszimmetrikus terhelés esetén kialakul) nem probléma a gyakorlatban, rengeteg helyen alkalmazzák is, ahol alacsony feszültség mellett kell nagy áram (pl. PC táp). Akkor sincs vele gond ha összevissza rángatják a tápot a terheléssel.
Pontosan azt kell tudni róla, hogy a szekunderen nagyobb effektív értékű áram fog folyni, mint graetz esetén (ugyanakkora DC terhelést feltételezve). Ha ettől DC-ben elmágneseződne a trafó, akkor rengeteg tápegység lenne használhatatlan. Persze lehet direkt olyan jelet adni az erősítőre ami gondot okoz (pl. mindig az egyik hálózati félperiódussal szinkroban vannak benne a csúcsok), ez viszont graetz esetében is okozhat problémát. A QUAD405 a maga korában egy műszakilag nagyon jól kitalált, és jó hangú konstrukció volt. Az amatőrök körében azért volt népszerű, mert csak össze kellett rakni, és hozta amit vártak tőle. És az akkori kommersz hifi cuccokban, (amik magyarországon akkriban kaphatók voltak) levő "végfok alapkapcsolásoknál" sokkal jobb hangja volt. Tulajdonképpen egy mezei AB osztályú alapkapcsolásnál most is jobb, hangra, és műszaki paramétereit tekintve is. Ma már lehet akár D osztályban is sokkal jobbat készíteni, de akkoriban még teljesítmény FET-ről is max. külföldi szakirodalomban lehetett olvasni.
Az a helyzet, hogy van aki hallja a felvételen is, hogy a karmester a felvétel előtt megborotválkozott-e vagy sem. Nincs ezzel gond, szubjektív dologról van szó. Sőt igazából annak rosszabb aki ilyeneket meghall, mert neki minden hangtechnikai eszközzel problémája lesz, (hiszen ezt nem minden eszköz tudja reprodukálni) és nagyon sokat kell ráköltenie ahhoz, hogy elégedett lehessen vele.
Van aki a táp dolgait hallja meg, olyan erősítőn is, aminek elvileg nagyon nagy a tápelnyomása. Más valaki a kapcsolóüzemtől "irtózik". Van aki esküszik rá, hogy csak invertáló fokozatok lehetnek egy jó erősítőben, mert a neminvertáló erősítőnek rosszabb a hangja, és még sorolhatnám... Nem akarom eldönteni, hogy ezek közül kinek van igaza. Megvagyok a saját cuccaimmal, de időnként megírom a véleményemet, vagy éppen a saját tapasztalatomat, egy-egy felmerülő kérdésben. Most pl. a tápegység kapcsán. Tehát én simán beépíteném az egy szem graetz-et abba a tápba, és a puffereket is szeretem kissé túlméretezni. A hozzászólás módosítva: Máj 25, 2022
|
Bejelentkezés
Hirdetés |














. Még káosz van s nagyon félkész, de a tápnak az erős/nagy áramu része bekötve a 11vegfoknak. 4db TDA +/-40v rol, s 7 db ST 151 +/- 60v bekötve. 




