Fórum témák
» Több friss téma |
Fórum » Gépkocsik kapcsolási rajzai
Sziasztok! nem tudtam még kapcsolási rajzot szerezni a WV Lupo 1.7 SDI-hez.
Ha tudtok segítsetek , előre is köszönöm. Soma
Sziasztok!
Van egy olyan gondunk egyik ismerősőmmel, hogy van egy Seat Arosa 2000-res évjárat 1.4 3 hengeres Diesel ha minden igaz AMF motorkódú, a gond a vele annyi hogy a vízhőfok mutatója a műszeregységben meg sem moccan ha megmozdul akkor pedig hol jó, hol nem többnyire ugrál, van nekem egy ELM327 "hibakód olvasó" amivel telefonnal megnéztük mennyi a hűtővíz hőmérséklete a motorezérlő szerint 73 *C (fok) -ot mértünk ellenben a műszeregségben lévő mutató meg sem moccant van neki egy 70 *C fok állása ,de az alap állapotban marad... Mi lehet a gond? amúgy a vizet nem forralja, a gumitömlők sem kemények... menni megy, másbaja nincsen, csak az hogy a hőmérő nem mutat semmit... CarScanner nevezetű Android alkalmazással néztük az értékeket.... alapjárat is jó. Kapcsolási rajzot nem találok, illetve nem tudom hogy melyik az az autó ami ugyan ezzel a motorral van szerelve, gondolom a rajzok nagymértékben nem térnek el egymástól.
Szia! Valószínű, hogy a vízhőfok érzékelő kettő "NTC-t" foglal magába (ezért négy vezetékes) és az amelyik a műszer egységet működteti az nem jó (a másik érzékelő a motorvezérlőnek ad információt).
Sziasztok!
2007-es 2.0i GrandVitara kapcsolási rajzát keresem. Előre is köszi, ha tud valaki segíteni
Sziasztok
Eggy Bmw 2001 e46-oshoz kersekek kapcsolaso rajzot , ha valakinek van kerlek kudje mar el , előre is köszönöm.
Sziasztok! Vectra b2 kapcsolási rajzot keresek! Tud valaki segíteni?
Tudom szinte reménytelen, de hátha valamelyikőtök tud segíteni. Egy Citroen Jumper 2.2 HDI 2012-es ipari hulladékhoz kéne kapcsolási rajz. Nagyon megköszönném, ha valaki elküldené.
Szia! Mondj egy motorkódot és, hogy melyik része kell? Holnap megnézem hátha találok valamit róla.
A hozzászólás módosítva: Jan 10, 2020
4HH A motorvezérlő és környéke. A főnököm hozta a nyakamra. Valahol motort cseréltek benne, de nem sikerült beindítani. Pontosabban azt mondták, hogy beszerelés után beindult, de néhány perc után leállt. (Hiszi a piszi
) A diagnosztika nem kommunikált a motorvezérlővel. Kiszereltem elvitték valahova ahol állítólag megjavították. (Mondjuk annyi változás van, hogy azóta ha a gyújtást ráteszem hallom, hogy megy az üzemanyag szivattyú.) A motor továbbra sem indul. Gépet ma nem tettem rá, mert a gyújtáskapcsoló betét is megadta magát a sok indítózástól. Rendeltünk megjött kicseréltem, indítózott csak nem indult. A munkaidőm lejárt majd hétfőn megpróbálok okosabb lenni. Ha volnának rajzok talán könnyebb lenne.
Annyit sikerült kibogoznom, hogy ezeknél a dízeleknél elő szokott fordulni, hogy P0603 hiba ami az erőátviteli modul memória hiba. Persze ez nem befolyásolná az indítást de előfordulhat, hogy a csatlakozók valamelyikében sérült vagy oxidált. Nekem csak 2009-ig vannak infók azok is hiányosak ezekhez a típusokhoz.
Akkor sajnos egy adatbázist nézegetünk. Köszönöm a fáradozást.
Itt fent van. Várd meg amíg a lap alján a Pocessing felirat átvált Download-ra. Meg jelöld be, hogy nem vagy robot.
Szia, mérj egy 5V-ot a railcső nyomásmérőnél, többször is hoztak már nekem ilyen autót, hogy az előző szerelő kínlódott vele hetekig, pedig csak zárlatos volt a nyomásszenzor, ezért nem volt 5V, motorvezérlő sem volt olvasható, esetleg a motorvezérlőről magát a motor kábelkötegét is le lehet húzni, utána lehet olvashatóvá válik, akkor viszont biztos a zárlat valahol.
Köszönöm szépen, ezen már túl vagyok. Jelen pillanatban ott tartok vele, hogy a javított vezérlővel olvasható a nyomás és rendben valónak is tűnik. Viszont a porlasztókra nem jön vezérlés. A kábelnek ezt a részét kimértem, jó. A porlasztók ellenállását is megmértem 200KΩ körül vannak az szintén jó érték. Rajz nélkül sajnos én nem tudok többet tenni az ügyben. Akár az is lehet, hogy a vezérló továbbra is hibás. Egyenlőre félre toltam volt más dolgom. Talán kerítenek egy biztosan jó vezérlőt, vagy legalább egy rajzot.
Esetleg még egy főtengely jeladót néznék, indítózás közben van motorfordulatszám? Sajnos így tényleg részemről is csak találgatás, meg kb. bármi lehet a gond.
Sajnos a motorfordulatot is látom indítózás közben.
Mondtam is a főnökömnek, hogy összekevertek Uri Gellerrel, vagy Harry Potterrel.
Sziasztok!Ford galaxy 1.9pdtd 2006 wgr-hez keresek elektromos kapcs rajzot.Koszi ha tud vki!
A hozzászólás módosítva: Feb 3, 2020
Sziasztok. Megane II coupe /cabrio -hoz kellene 1 kis segitség ..Ha valakinek lenne kapcsolási rajza és elküldené azt nagyon megköszönném. Erre a emil-ra :szimko.andrej@zoznam.sk
Előre is köszi.
Szia! Ezeket nem tudnád esetleg egy tárhelyre feltőlteni és jelszóval ellátva elküldeni a linket?
Pl: Megadownloand-ra? Ingyenes 50Gb tárhely! Válaszod előre is köszönöm!
Üdv!
Golf 3 SDI 1.9 1H1 1996 rajzot keresek. Főleg az izzító rendszer érdekelne. Köszi
Sziasztok! Nem tud valaki véletlenül egy 2004-es 1,4-es VW Polo-hoz (9n) kapcsolási rajzot elektronikus formában küldeni vagy feltenni ide? Főleg a motorvezérlő és környéke lenne fontos. A kiegészítő részek megvannak az általam használt diagnosztikai programban.
Szia! Motorkódot írj ... estére lesz időm mutatom.
Szevasztok!
Hyundai I20 2008-2012 G4LA motorkódhoz lehet valahol kapcsolási rajzot találni? Ha volna forrás, megköszönném. Üdv: StMiklos
Ha kérdés volna a rajzal kapcsolatban, majd keresel. Elég jó a rajzgyűjtemény róla. Ez éppen a Hatchback de van Saloon-ról is.
Szuper, nagyon köszönöm.
A hozzászólás módosítva: Okt 13, 2022
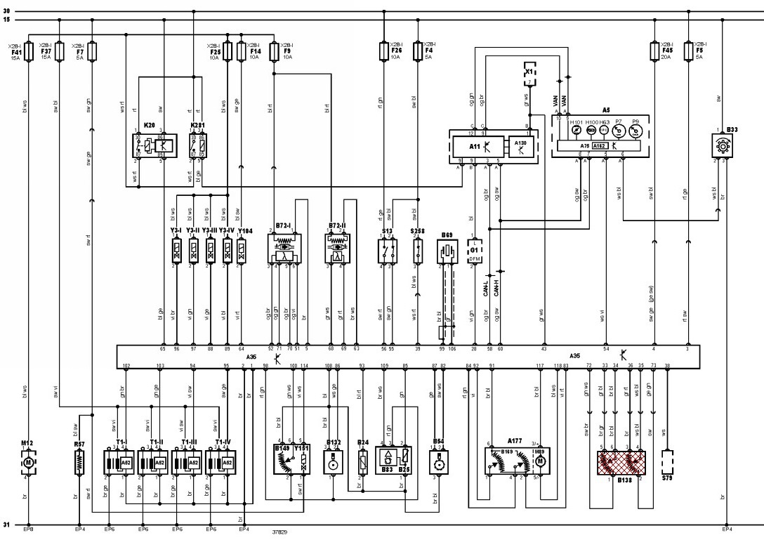
A négy ijektor mellett van a tankszellőztető, mellete a két lambda, az mellett a fék majd a kuplung, kopogás érzékelő és a generátor. Alsó sorban van az üza szivattyú mellette a karter szellőző cső fűtése, majd a négy gyújtótrafó az erősítőivel, EGR, CMP, ECT, MAP, CKP, alapjárati motor, APP (gázpedál potméter), tempomat főkapcsoló. A K281 az a fő relé, K20 üza relé, X1-DLC, A11 multifunkciós kontroll modul benne az A130 diagnosztikai modullal, A5 a műszerfal a kijelzőkkel benne az A75 a kontrol modulja és az IMMO az A162, B33 a sebesség jeladója.
|
Bejelentkezés
Hirdetés |





) A diagnosztika nem kommunikált a motorvezérlővel. Kiszereltem elvitték valahova ahol állítólag megjavították. (Mondjuk annyi változás van, hogy azóta ha a gyújtást ráteszem hallom, hogy megy az üzemanyag szivattyú.) A motor továbbra sem indul. Gépet ma nem tettem rá, mert a gyújtáskapcsoló betét is megadta magát a sok indítózástól. Rendeltünk megjött kicseréltem, indítózott csak nem indult. A munkaidőm lejárt majd hétfőn megpróbálok okosabb lenni. Ha volnának rajzok talán könnyebb lenne.
Mondtam is a főnökömnek, hogy összekevertek Uri Gellerrel, vagy Harry Potterrel. 





