Fórum témák

» Több friss téma
Fórum » Arduino
A klónok CH340 Soros-USB illesztőjének drivere (Letöltés)
Lapozás: OK   748 / 867
(#) Josi777 válasza Massawa hozzászólására (») Okt 17, 2022 /
 
Ezt nem teljesen értem. Az volt a kérdés, hogy használható-e az az áramkör hálózati feszültség meglétének a vizsgálatára. Arra pedig az a válasz, hogy igen. Hogy jön ide minden más?
(#) Vacok válasza Massawa hozzászólására (») Okt 17, 2022 /
 
A táp sem lesz leválasztva, így a figyelőt sem szükséges ebből kifolyólag. Kevés a helyem, így csökkentenék az alkatrészek mennyiségén.
(#) sdrlab válasza Vacok hozzászólására (») Okt 17, 2022 /
 
A 330k után a föld felé én betennék még egy kondenzátort is, amitől a kimeneten el fog tűnni az 50Hz. A szoftveres kényelemért megéri szerintem...
(#) Josi777 válasza sdrlab hozzászólására (») Okt 17, 2022 /
 
Feltételezed, hogy kb. 10 msec-nél hosszabb a loop ciklus?
(#) sdrlab válasza Josi777 hozzászólására (») Okt 17, 2022 /
 
Nem tételezek fel semmit se..., csak minek legyen ott 50Hz, ha DC szint is lehet...?!
(#) Josi777 válasza sdrlab hozzászólására (») Okt 17, 2022 /
 
Minek oda plusz egy alkatrész, ha felesleges?
(#) Massawa válasza Vacok hozzászólására (») Okt 17, 2022 /
 
Hát igen. Éppen kinlodok egy 300W-s erösitövel, amit szintén nem választottak le a hálozatrol. Direkt leányálom ilyen szerkezetet javitani.
Amugy vannak valoban intelligensebb megoldások mint a fél wattos ellenállás, és ahogy a kolléga is mondta a GPIOon 50 Hertzes kb négyszögjel lesz, amit extrán kell kezelni a prociban.
A hozzászólás módosítva: Okt 17, 2022
(#) asch válasza Vacok hozzászólására (») Okt 17, 2022 /
 
Szerintem ha tényleg csak a meglétét akarod tudni ellenőrizni a váltófeszültségnek, és valóban nem kell leválasztani, akkor akár egy kellően nagy ellenállással közvetlenül is rákötheted a 230-at a mikrovezérlő lábára. Ugye speckó szerint (Lásd ATMega és ATTiny csipek adatlapjai pl) túl és alulfeszültséget is elvisel a láb, belül egy diódával a tápra, illetve a GND-re van kötve minden láb, és ennek a diódának van egy áramkorlátja az adatlap szerint. Ezen áramkorlátból kiszámolható a szükséges ellenállás értéke, és azzal bekötve teljesen határozottan fogja állítgatni a lábat a 230, digitális bemenetként érzékelni lehet az 50Hz-et ezen a lábon.

Nem csináltam még ilyet, csak elméletileg mondom, hogy ha valóban csökkenteni akarod az alkatrészek számát, akkor elég ez az egy darab ellenállás, ráadásul a teljesítménye is kicsi lesz. Egynél kevesebbel meg biztosan nem lehet megoldani. Abban sem volnék biztos, hogy ha elvetjük az izolációt, akkor bármilyen előnye volna a több alkatrészes megoldásoknak.

Annyi hátránya mondjuk van, hogy ha 3V 50Hz megjelenik a bemeneten, azt is ugyanúgy fogja érzékelni mint a 230-at. Eggyel szofisztikáltabb volna egy ellenállás osztó után analóg inputként mérni a feszültséget, így egészen komolyan lehetne elemezni a táp minőségét is (a pozitív félperiódusban legalábbis, a negatív oldal 0-ra lenne vágva).
(#) Elektro.on válasza Vacok hozzászólására (») Okt 17, 2022 /
 
Megkaptad a helyes választ icserny hozzászólásában!
(#) GPeti1977 válasza asch hozzászólására (») Okt 17, 2022 / 1
 
Érdemes több ellenállást sorba kötni mert 250V felett átütnek amelyek nem nagyfeszültségre lettek tervezve.
(#) Massawa válasza GPeti1977 hozzászólására (») Okt 17, 2022 /
 
Lehet, hogy a glimmlámpa sokkal jobb lenne. Nem melegszik, nincs meg az átütés veszélye, de én is még egy ellenással leosztanám a bemenetet a nagyobb stabilitás érdekében.
(#) Vacok válasza Elektro.on hozzászólására (») Okt 17, 2022 /
 
Abszolút. Meg az utóbb felsorolt lehetőségek közül is van miből választani.
(#) Josi777 válasza Massawa hozzászólására (») Okt 17, 2022 /
 
Mi az extrém egy 50 Hz-es négyszögjelben egy processzor számára?
(#) Massawa válasza Josi777 hozzászólására (») Okt 17, 2022 /
 
Semmi csak, az, hogy ha nem szinkronba olvasod le, akkor egyszer az L-t fogja látni, máskor meg H szintet. És ezt kezelned kell.
(#) proba válasza asch hozzászólására (») Okt 17, 2022 /
 
Az ellenállást méretezni kellene, hogy a hálózati feszültség maximális értékénél is kisebb áram legyen, mint a mikrokontroller fogyasztása, a tápfeszültséget ne emelje meg káros szintre, illetve negatív polaritás esetén ne terheljen be a mikrovezérlő stabilizátorának. A bemeneti diódák áramtűrésén felül.
(#) JZoli válasza proba hozzászólására (») Okt 17, 2022 /
 
Hát én nem tudom mennyire tennék rá 230V-ot egy procira. Áramlökéstől mi lenne vele? Na meg ha mondjuk 10mA megy a bemeneten a prociba, akkor ott már a teljesítmény sem pikóta amit az ellenállásokkal el kell melegíteni. Ha esetleg több ágon is érzékelni kell akkor már szémottevő teljesítmény veszne el csak az érzékelő körökön.
(#) Josi777 válasza Massawa hozzászólására (») Okt 17, 2022 /
 
A loop normál esetben több nagyságrenddel gyorsabb, mint 50 Hz, tehát nem kell semmit külön kezelni, normál digitalRead()-el vizsgálható.
(#) asch válasza proba hozzászólására (») Okt 17, 2022 /
 
Igen. A mikrokontroller tápra tett terhelő ellenállással is meg lehet ezt oldani, nem bonyolult be mindenképpen gondolni kell erre is.

Az jutott még eszembe, hogy a táp működési módjának függvényében magának a mikrokontrollernek a potenciálja bárhol is lehet a 230-hoz képest, erre is gondolni kell ahhoz, hogy jól működjön. Lehet, hogy mégsem lesz triviálisan egyszerű.
(#) sdrlab válasza Josi777 hozzászólására (») Okt 17, 2022 /
 
És ha más dolga is akadna annak a szerencsétlen procnak, mint ciklikusan figyelni az 50Hz-et?! Nincs összhangban az alkatrész mennyisége(+1), a program egyszerűségével ebben az esetben! Ráadásul még impulzusvédelmet is ad a téves reakció ellen...
(#) sdrlab válasza asch hozzászólására (») Okt 17, 2022 /
 
Abszolúte működő verzió ez is! Nekem évek óta így megy a hőlégpáka vezérlőm. 3 db soros ellenállással biztosított a kellő átütési szilárdság..., kellően kis áram teljesen biztonságosan hajtja meg a bemenetet. Mivel 50Hz-re kellett a PWM-es fázishasításhoz, így oda ideális volt....
(#) Josi777 válasza sdrlab hozzászólására (») Okt 17, 2022 /
 
Hogyan figyelsz egy bemenetet, ha nem ciklikusan (A válasz: megszakítással. Azzal meg pláne mindegy, hogy 50Hz vagy mennyi)? És miért nem mindegy, hogy 50Hz vagy nem 50Hz? A programon semmit sem kell változtatni, miért is kéne?
(#) sdrlab válasza Josi777 hozzászólására (») Okt 17, 2022 1 / 2
 
Neked biztosan mindegy is ) Így születnek azok a programok(és programozók), amiknek a helló wördhöz is 32 bit kell, meg 10kB kapásból!
A válaszok megszülettek, majd a kérdező eldönti, melyik neki a megfelelő..., ne mi találjuk ki helyette!
(#) Josi777 válasza sdrlab hozzászólására (») Okt 17, 2022 /
 
Egy egyszerű, normális kérdést tettem fel, erre micsoda dolog ez a lekezelő válasz? Érv helyett személyeskedés? Semmivel sem tudtad alátámasztani az állításodat, ezért most piszkoskodsz?
Ez mennyire segítség bárkinek is vagy mennyire illik a fórum céljaiba?
(#) sdrlab válasza Josi777 hozzászólására (») Okt 17, 2022 1 /
 
Rajtad kívül kb mindenki más értette miért jobb a DC szint, mint melóztatni feleslegesen a procit! Ha ez nem ment át, sajnálom... De felesleges csodálkoznod, ha butasághoz ragaszkodsz...
(#) Josi777 válasza sdrlab hozzászólására (») Okt 17, 2022 /
 
Arra való a ez a fórum, hogy mások tanuljanak belőle. A kérdés, hogy miért melózna feleslegesen a proci az 50Hz-es bemeneti jel miatt? Senki sem tudott rá válaszolni, senki! Egyetlen érv sem hangzott el, hogy mi lenne a különbség. Ebből mit lehetett tanulni? Hogyan kell másképp írni a programot? Megtudtuk? A kioktatás nem érv, ráadásul még mentség sincs rá.
(#) Massawa válasza Josi777 hozzászólására (») Okt 17, 2022 /
 
Pontosan ez a baj. A loop sokkal gyorsabb, azaz kapsz egy sereg alacsony szintet digital readdel, ( azaz van hálozat) majd ugyanennyi magasat. ( azaz nincs hálozat). Ez mire lenne jo?
Ha odatennél a bemenetre egy kondit, ami 20 ms tartja a szintet, akkor a loopban világos lenne, hogy van hàlozat a bemeneten, ha meg megszünik, 20 ms késöbb már a loop is észre venné.
Akkor meg csak azt kellene figyelned, hogy az adott bemenetn van változás és csak arra reagálna a proci.
(#) Josi777 válasza Massawa hozzászólására (») Okt 17, 2022 /
 
Ez attól függ, hogy mi a célja a hálózati feszültség figyelésének. Abban az esetben, amikor egy párhuzamos tevékenységet kell végezni a megléte vagy nem meglétekor, akkor célszerű a kondenzátor, viszont ha nem ez a cél, hanem mondjuk egy folyamat indulását vagy leállítását akarjuk megvalósítani, akkor felesleges.
Ha olyan a feladat ahol "zavaró" a ki/be kapcsolgatás, akkor természetesen egyszerűbb egy kondi, mint ezt szoftverből kezelni. De miután csak annyit tudunk, hogy a hálózati feszültség detektálása a feladat, így ezt a feladatot kondenzátor nélkül is ellátja.
szerk.:
Akkor lehetne eldönteni a konkrét esetben, hogy szükséges vagy felesleges a kondenzátor, ha ismernénk, hogy mi a célja a hálózati feszültség figyelésnek.
A hozzászólás módosítva: Okt 17, 2022
(#) Massawa válasza Josi777 hozzászólására (») Okt 18, 2022 /
 
Eddig azt tudtuk, hogy a hálozat jelenlétét kell detektálni. Arra egészen biztos, hogy felesleges az 50 Hz-s szinusz jel félperiodusainak a folytonos mérése és azzal leterhelni a procit meg bonyolitani a kodot.
Ha egy triacot stb akarsz gyujtogatni a procival, akkor igen, de az már nem a hálozat jelenlétéröl szol, hanem a szinkronizáciorol, késleltetésröl stb.
(#) Vacok válasza Josi777 hozzászólására (») Okt 18, 2022 /
 
Konkrétan egy páraérzékelős ventilátor vezérlést szeretnék készíteni, amit a ventilátor burkolata alá szeretnék rejteni (ezért kell a minél kisebb méret).
A vezérlés mikéntje pedig:
Csak akkor indulhasson el, ha a lámpa felől megkapja a kapcsolt 230V-ot és a páratartalom is eléri a beállított küszöbértéket és a lámpa lekapcsolása után pedig még kb. 2 percig működjön, majd álljon le.
Ehhez ugye kell egy állandó táp és egy kapcsolt kábel is. Ezt a kapcsolt kábelt szeretném én figyeltetni, illetve a táp is trafó nélküli lenne.
A hozzászólás módosítva: Okt 18, 2022
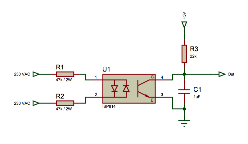
(#) Bakman válasza Vacok hozzászólására (») Okt 18, 2022 /
 
Lásd melléklet. Ha nincs kéznél dupla LED-es optocsatoló, szimpla is jó.
Következő: »»   748 / 867
Bejelentkezés

Belépés

Hirdetés
XDT.hu
Az oldalon sütiket használunk a helyes működéshez. Bővebb információt az adatvédelmi szabályzatban olvashatsz. Megértettem