Fórum témák
» Több friss téma |
Én jártam úgy hurokkal, hogy csak teljesen terhelve zúgott.
Ha meg van szakítva, akkor nem tud áram folyni, hiszen nincsen zárt áramkör. Feszültség persze indukálódhat, de áram nem.
Az a baj, hogy ilyenkor az áram a "mellékáramkörökben" folyik le, amik ugye az erősítő kényes pontjai. Tehát az indukált feszültség esetleg a visszacsatolást táplálja meg a zavarjellel.
Az árnyékolásra nem kell mellékáramkört kötni. Az árnyékolás jó esetben független az áramkör többi pontjaitól, és egyetlen ponton kapcsolódik a földhöz(csillagpontba).
Ha az árnyékoláson indukálódik a feszültség, akkor nem történik semmi, mert az áramkörök egy pontból vannak gnd-re kötve, és ebből a pontból indul az árnyékolás is ezért tud árnyékolni. Mindíg körbeviszem az árnyékolást a nyákon, de az áramkör sehol nincs az árnyékolásra kötve (analóg áramkörök esetében, a digitálisnál az a lényeg, hogy minél alacsonyabb legyen a vezető ellenállása és minél közelebb legyen a kondenzátor a terheléshez, de egyébként mindegy), ha pedig hurok lenne, akkor megszakítom az árnyékolást.
És vajon mi a helyzet ezzel a hurokkal ha teleföld van?
Majd mindjárt teszek fel erről egy érdekes képet.
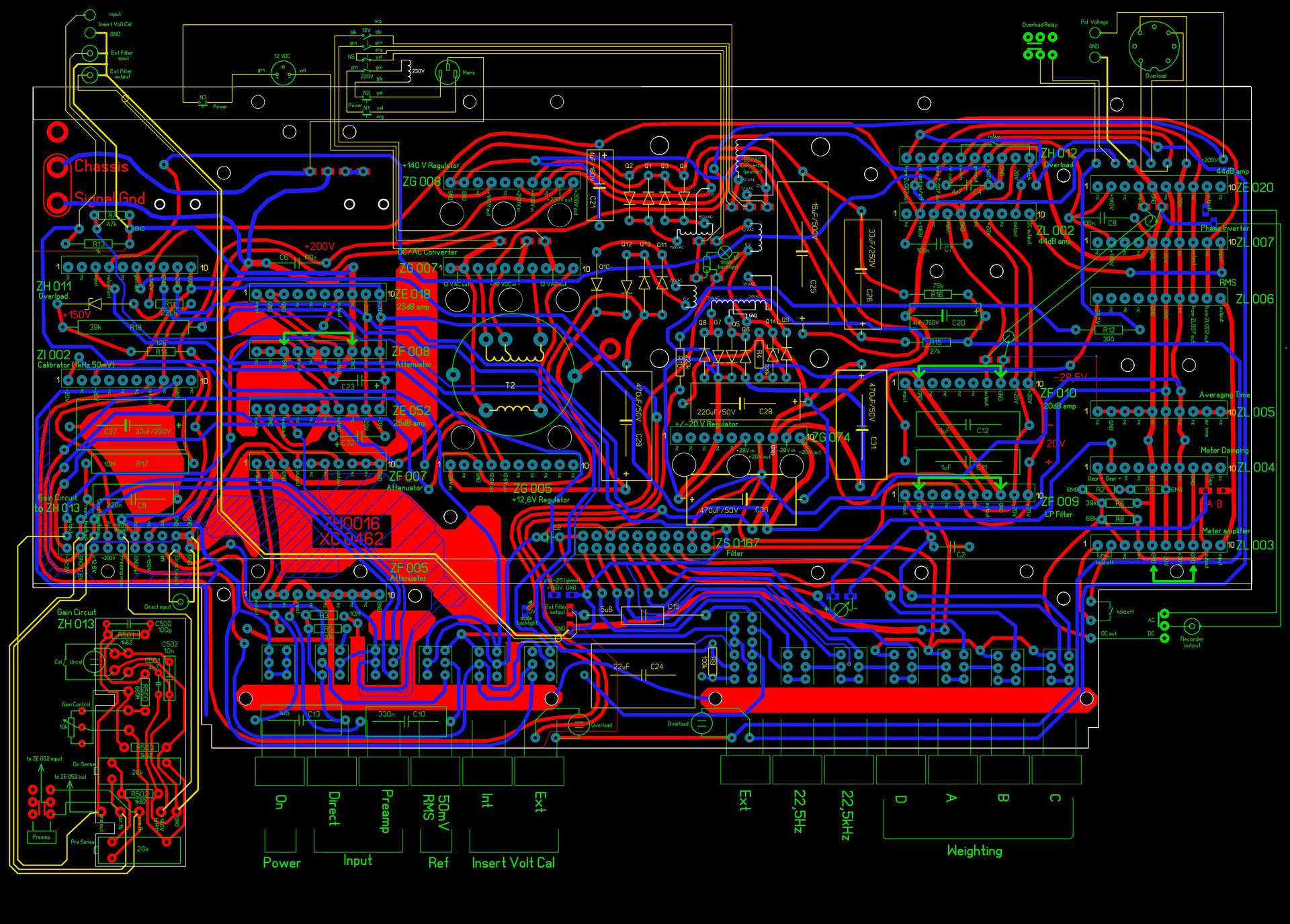
A csatolt nyák képén van alkatrész kötve rá.
Azt mondod vezessem el külön a referencia pont GND-jét a szűrőkondik GND-jéhez? Vagy inkább a bemeneti GND-hez az "input buffer" nyákon.
A Denon mérnökei kísérleti úton döntötték el, hogy a jelföld mely pontokon csatlakozzon a teleföldhöz. Jó néhány helyen átkötések vannak és némelyiket hozzá forrasztották. Remélem jól látszik a képen.
Szerintem igen. Én ugyan sosem használtam árnyékolásnak nyákfóliát, de mindig csillagpontos megoldásra törekedtem. Eddig nem is volt gondom sem földhurokkal, sem zajjal soha.
Ha megnézed a "main board"-ot, itt szerintem nem lehet a csillagpontos megoldást kialakítani.
Ha mindegy egyes panel GND-jét külön-külön vinném el a csillagpontba, akkor ezeken a fóliákon egymástól eltérő zavarjelek alakulnának ki a referenciapontokon (a neminvertáló bemeneteken). Sorosan felfűzve a kimenettől a bemenet felé, az esetleges zavarjelek egymáson lebegnek. Ez így biztosan nem érthető mire is gondolok.
Itt a hurok kerülete 160 mm, a lezáró ellenállástól a GND-ig 12 mm.
Kérdés, vajon mekkora áram tud indukálódni ezen a hurkon és mekkora feszültség jut ebből a 12 mm-es szakaszra. Végső soron "A" helyen meglehet szakítani a hurkot... esetleg néhány tized Ohm-mal a megszakítást áthidalni. De az is lehet, hogy bolhából csinálunk elefántot. Most nulla brumm van hangszórókon (fülre)... némi sustorgás hallatszik teljes hangerőnél... ez valószínűleg a 3,6 V-os Zenerek miatt van, ezeket majd LED-ekre cserélem. Ha itt lesz a nyák majd kivallatom. @Suba: a mobil tesztet mindig megcsinálom. Nyugodtan lehet telefonálni a "hifi torony" belsejébe dugott fejjel is. A hozzászólás módosítva: Aug 23, 2023
Minden épkézláb javaslat ki lesz próbálva. Ez deszkamodell, össze lehet kókányolni... azért van.
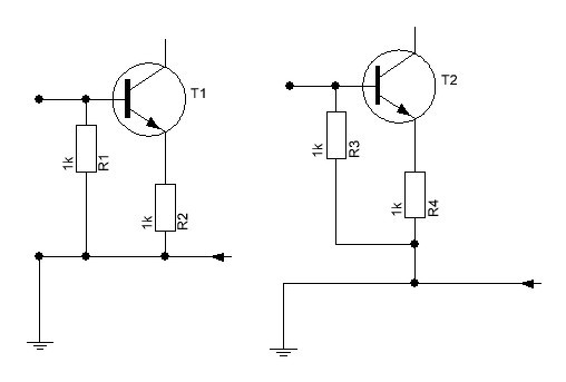
Mindegy nagyjából hol szakítod meg, lehetőleg úgy ahogy rajzoltad.
A bemeneteknél is vigyázni, ahogy az ábrán, a jobboldali megoldás jó. A nyíl a zavaráram útját mutatja. A hozzászólás módosítva: Aug 23, 2023
Oké, de rajzold hozzá légy szíves a feszültség generátort is (ami az emitterkövetőt vezérli).
Akkor szerintem egy másik (harmadik) megoldás lesz helyes.
Erre a moduláris felépítésre -még- nincs ötletem. De töröm rajta a fejem...
Bocsi, hogy untalan-unásig "szórakoztatok" itt mindenkit, de nem tudom megállni, hogy ezt még megmutassam. A példaképem, a Brüel and Kjaer.
A képek sorszámán látszik, hogy most készült fotók. 10 uV-os méréshatárban, rövidrezárt bemenettel, "rec out" kimeneten mért brumm (114 dB a teljes feszültség erősítés) és 14 Vpp-t mutat a szkóp a skála végkitérésénél. A másik kép, hogy nem csalunk. Jól látszik a skála alatti lámpasoron, hogy 10 uV-os méréshatár glimm-je világít. Mint már többször említettem, itt nem csillagpontos a GND, hanem fel van fűzve. A ZF 008, ZF 009, ZF 010, ZL 003 nyákoknál megszakítják a földvezetéket és a nyákon viszik. A sárga vonalak vezetékes áthidalások. Nincs teleföld, nincs hókusz-pókusz, csak tudták mit hogyan kell csinálni.
Akkor lehet, hogy érdemes lenne felfűzni a moduloknál is? Két föld, egyik a nem invertáló bemeneteknek, a másik az egyebeknek. Szerintem könnyen kivitelezhető tesztelési céllal is...
Ezt nem tudom. Első körben összevissza kaszaboltam a nyákokat. A jelföldön mindössze a neminvertáló bemenet jFET-je és a DC szervó neminvertáló bemenete van, ami szintén jFET. Tehát ezen nem folyik áram.
A "nagyáramú földre" (ami azért nagyon kisáramú) csak a tápszűrő kondik csatlakoznak. Ha két földet külön viszem, az egyik zavarmentes lesz, a másikban zavarok keletkeznek. A nagyáramú föld zavarai a tápsinekből jönnek. A +/- táp és a GND nagyfrekvenciásan együtt lebeg.... a referencia feszültség viszont stabil, zavarmentes. Ebből az következik, hogy a tápfesz "lebegése"/zavarjele a (nagyfrekvencián) nagyon kicsi tápelnyomás miatt egy az egyben megjelenik a kimeneti jelben. Ha a két föld közös, akkor a referencia feszültség is együtt lebeg a tápfesszel és a nagyáramú földdel. A zavarjelet ilyenkor a zárthurkú erősítés függvényében nyomja el (ha jól gondolom). Ez (a második) lenne szerintem a jobb megoldás, de itt meg fellép az a földhurok, vagy egyéb probléma amiről eddig szó volt. Már kezdek én is belezavarodni az egészbe. És újra megemlítem, hogy ezek az 1R-os csillapító ellenállások a tápfeszben drasztikus javulást eredményeztek (fülre)... bármennyire hihetetlenül is hangzik ez deebo-nak. Napok óta tesztelem A hozzászólás módosítva: Aug 23, 2023
Idézet: „A +/- táp és a GND nagyfrekvenciásan együtt lebeg.... a referencia feszültség viszont stabil, zavarmentes. Ebből az következik, hogy a tápfesz "lebegése"/zavarjele a (nagyfrekvencián) nagyon kicsi tápelnyomás miatt egy az egyben megjelenik a kimeneti jelben.” Ugyanez volt a DAC-nál is, aztán kiderült, hogy ha a nyákra ráakasztom a szkóp GND-jét és mindjárt oda a mérőtűt is, akkor is ugyanaz ottvan a szkóp bemenetén, ami technikai nonszensz és nem nagyon találtam magyarázatot a jelenségre, legfeljebb azt, hogy a DAC meg a szkóp közti nagyfrekvenciás zavar látszik a szkópon és nem is az áramkör kimenetén van a jel.
Zárthurkú erősítés alatt a hurokerősítést gondoltad, ugye?
Én akkor is két külön föld irányában haladnék. A jelföldet szépen vékony fóliasávval vezetném végig, hogy minél kevesebb zajt szedjen össze. A tápföldet meg széles sávval, esetleg ónnal végig felrakva, az alacsony impedancia miatt. Tápot alaposan stabilizálva és az alaplapon megszűrve vinném a panelekhez. Esetleg táp-táp közötti hidegítés, akkor nem is kapcsolódsz a földhöz a táp szűréssel. A hozzászólás módosítva: Aug 23, 2023
Igen, ezt már én is észrevettem és meg is szoktam ejteni ezt az ellenpróbát, hogy rövidrezárt bemenettel mit mutat a szkóp. És erre mutattam azt az érdekes jelenséget, hogy az akkumulátoros tápegység tápfeszébe - ami nincs is galvanikus kapcsolatban a hálózattal - egyértelműen belelátszik a DVD a kapcsolóüzemű tápja, ami egyébként a zenei jelben elvész/észrevehetetlen, mert olyan kisszintű.
A Brüel kimenetén nincsenek olyan jellegű zavarok, mint a szkóp kábelen... de ha mégis, könnyen tettenérhetőek. Megszűntetem a zavarjelet, lemegy a mutató, visszakapcsolom, felmegy. Néhány uV feszültségesést ki lehet vele mérni egy bizonyos fóliaszakaszon. Csak sokáig működjön még hibátlanul.
Igen.
Ezt is ki lehet még próbálni, vezetékem és sniccerem van. Az akkumulátoron nincs mit stabilizálni, az azért elég stabil és zajtalan feszültségforrás, csak amíg a modulokig eljutnak az elektronok, azzal van gond. Ez a táp-táp közötti hidegítés komoly zavarokat tud bevinni, végfokkal már szivatott meg - de egy mozdulat kipróbálni - nem felejtem el. Készüljön már el az a két nyák... kíváncsi vagyok mi változik az új osztó elrendezéssel, aztán a maradék zavarjelek/brummok mértékének függvényében lehet vele szórakozni. Kicsit félek a "hallgassuk meg gyorsan" effektustól, de legfeljebb behozom, oszt később befejezem a hiányzó/félbemaradt méréseket : ) @"tothbela": az éjszaka eszembe jutott, hogy esetleg a 10 Vpp, 500 kHz-es négyszögjelet vehette rossznéven az első fokozatban az U404. Bár le volt osztva 16 dB-lel, de még mindig sok lehetett neki. Kicsit óvatosabb leszek az ilyen méréseknél legközelebb. A hozzászólás módosítva: Aug 23, 2023
Hangszererősítőknél ha félvezetős az effekt kör (az előfok és a végfok közti szabad hozzáférés), akkor tesszük feszültség határolót a hozzáférhető csatlakozókra. Cmos integrált áramkörök esetében is hasonló védelmi ízét használnak.
Földhurok: Nem értem ezt a földhurok elméletet. Mi is a földhurok? Mi történik a körbefutó fóliasávon belül? Biztos láttál réz lemezzel körbeölelt trafót. Az mit csinál? Minek az oda? A körbefutó fólia egy rövidrezárt menet. Ha trafó köré tekerjük, akkor a mágneses tér belül marad. Ha a mágneses tér kívül van, akkor pedig kint marad. Innét szabad gondolkodni bátran. Mi fog történni, ha ezt a rövidrezárt kört fel nyitjuk?
Béla a CMOS elemeket a sztatikus feszültség ellen kell védeni, azaz nem okvetlenül a földelés a gond. Ráadásul azok az inzertek az erösitökön ugy vannak bekötve, hogy a kimeneti jel lebeg ( föld nélküli) és csak a bemeten kap a külsö eszköz földet.
A trafo körül réz folia mindig szigetelt, azaz szo sincs rövidzárrol a trafo elektromos szorását hivatott csökkenteni. Ha a mágneses szorás (50 Hz) ellen is védekezni kell, akkor permalloy burkulotatot kap az egész trafo. A földhurok az amikor a bemeneti jel a GND-n összekeveredik a kimeneti jellel, azaz ahol a kimeneti GND áramok folynak oda nem lehet alacsonyszintü jeleket csatlakoztatni. Ez a GND csillagkötésével teljesül. . Ráadásul sok fémdobozba épitett erösitöben van egy harmadik faktor is, mert általában a trafo vasmaga galvanikus kapcsolatban van a fém sasszival, ami antennává válhat és a JO földelési pontot nagyon gyakran elég nehézkes megtalálni.
Ha limitert teszek elé, nem tudom mérni. Én vagyok/leszek a limiter. A CD játszóból nem jön 10 Vpp 500 kHz.
Igen, ezzel földhurok izével Neked van igazad szerintem, mcc-nek pedig abban, hogy nem a hurokba kellett volna az invertáló bemenetet tenni, hanem azon belülre egy külön fóliasávval. Most már mindegy, már itt a nyák az asztalomon... ki is költözök X időre a műhelybe.
Két külön üzenet van elrejtve a hozzászólásban. Az első arra próbál rávilágítani, hogy két független eszköz összecsatlakoztatása esetén nem csak a hasznos jel feszültség maximuma terhelheti a be és kimenetet, hanem a csatlakoztatás pillanatában jelenlévő statikus potenciálkülönbség is. Ítt még nem lényeges a földhurok.
A másik a külső rövidrezárt szalag, tehát nem árnyékolás, hanem erővonal visszaterelő akármi. Lehet kicsit zavarosan fogalmaztam.
Az a baj, hogy nagyon együgyű az ember. Vannak kicsi részletek mint a földelés, tápellátása, munkapontba helyezés, meg sok ezer dolog. Na minden bizonnyal ki lehet tárgyalni minden részletet, de akkor ezer év sem lenne elég az erősítő elkészültéséhez. Mi dig kimaradt valami.
Ez a rövidrezárt sziget is most villant be, mert ideális esetben a váltakozó mágneses fluxusokat nem engedi átmenni a körülhatárolt területen, azok keresnek könnyebb utat maguknak.
Jó gondolat ez a rövidrezárt sziget is. Nem sokára kiderül működik-e.
Mint tudjuk, egy nap 24 órából áll, plusz az éjszaka. Most megreggelizek, aztán lepihenek egy órácskára. |
Bejelentkezés
Hirdetés |





















