Fórum témák
» Több friss téma |
Erről a domén izéről Bruno Putzeys is írt, neki az álma egy hiszterézis mentes vasanyag. ( De akkor miért nem jó neki a légmagos tekercs? )
Persze hogy titok, a konkurenciát nem akarják segíteni.
Nem biztos hogy jól tudom de például ha jó mélyek az elkó fegyverzetein a rücskök, azaz nagy a fegyverzetek felülete, akkor a kapacitás lesz nagy. Viszont a mélyebb üregekbe vezető elektrolit csatorna ellenállása nagyobb, mint a felszínhez vezető. Alacsony belső ellenálláshoz nem szabad mély érdesítést alkalmazni, csakhogy akkor a kapacitás lesz kicsi. Az sem lehet mindegy, hogy a kivezetések a feltekert fegyverzeteknek melyik és hány pontján csatlakoznak. Ha egy vezeték darab érezhető változást okoz a hangban, akkor egy ennyire bonyolult elektrokémiai alkatrész még jobban. Bár első megközelítésben nincs kémiai folyamat az elkóban, de valójában folyamatos oxidáció zajlik belül. Így gyógyulnak az oxidréteg mikrorepedései. A repedések sajnos a hőmérséklet változásra, valamint mechanikai behatásra is keletkeznek. Egy elektrolit kondenzátor gyártó leírásában olvastam valamikor. Idézet: Az egyik legrégebbi és legismertebb hifi újság, a Stereophile 2011-2012-es highend végerősítő tesztjei közül hármat kiemelve, melyeket ugyanaz a tesztelő Michael Fremer készített ( a 3 készülék szubjektív jellemzéseinek egyértelmű összevethetősége miatt ):„... IMD mérést, mert talán lehet valamit látni, hogy mi a különbség. Nem százalékosan kell értelmezni, hanem a spectrumot végignézve talán lehetne látni a különbséget. Így talán lehetne a szubjektivitást és a műszeres valóságot közelíteni egymáshoz...” 1. darTZeel NHB-458 ( 145.000 $ / pair ) https://www.stereophile.com/content/dartzeel-nhb-458-monoblock-amplifier 2. Soulution 710 ( 45.000 $ ) https://www.stereophile.com/content/soulution-710-power-amplifier 3. MBL Reference 9011 ( 120.000 $ / pair ) https://www.stereophile.com/content/mbl-reference-9011-monoblock-amplifier A tesztek végén részletes mérések is találhatóak. Kiemeltem egy rövid részt a darTZeel NHB-458 tesztjéből, amely mindhárom készüléket jellemzi pár szóban egymáshoz viszonyítva: "...The NHB-458's transparency and "just right" attack begins at the very bottom of the audioband and extends to the very top. If the Soulution 710 was so fast and clean that I wished it might slow down a bit and reveal more texture, and the MBL 9011 was top-to-bottom coherent but I kept wishing it would tighten and speed up a bit, the NHB-458 was, to my ears, like Goldilocks' favored porridge: just right. The NHB-458s produced exceptionally clean and transparent high frequencies that combined the speed and fine image size of the best solid-state gear with the textural and transient delicacy and generous harmonic instrumental structures of the best tubed components." A a 3 teszt alapján egyértelmű, hogy Michael Fremer, aki azért hatalmas tapasztalattal rendelkezik ezen a téren ( és nyilván egyéni preferenciákkal úgyszintén ), a darTZeel NHB-458-t találta a legjobb hangúnak....de olyannyira, hogy a meg is vásárolta a tesztpéldányokat, és azóta is ezt használja otthon és saját referenciaként. ( pontosabban már az utód NHB-468-t ): https://www.youtube.com/watch?v=H07NpWk_Xf8 A hozzászólás módosítva: Ápr 21, 2024
Úgy gondolom, a hiszterézises probléma kisebb Bruno esetében, mint a légmagos tekercs fizikai méretéből adódó gondok. De ez egy másik probléma. Kapcsolóüzemben a kimeneti induktivitást a vivő folyamatosan átmágnesezi. Lineáris üzemben ez nem mindig teljesül. De lehet hogy nem így van.
Lehetséges, de ez Fremer szubjektumából adódik. Egyáltalán nem biztos, hogy más ember is ugyanezen a véleményen van, lehet, hogy másnak másik hangkép tetszik.
Én nem erről írtam, hanem a kondik IMD-re való hatásáról. Lehet, hogy tévút, de legalább lehetne látni, hogy a spectrumban van különbség az egyes kondik esetében, vagy nincs. Ez nem jelenti azt, hogy amelyiknek a legkisebb a hatása az a legjobb.
Mint ötlet nem rossz, csak nem biztos, hogy hallanám a különbséget, vagy ha hallanám is, esetleg nem tudnám eldönteni, hogy melyik a jobb. Ha pedig tudom a mérési eredményeket, onnantól nem objektív a meghallgatással kapott eredmény.
A fülünkkel az a baj hogy ugyan sokmindent meghallunk, de ugyanakkor könnyű becsapni a hallásunkat. Vannak kellemes hangok, és vannak nem kellemes hangok, csakhogy ha tartjuk magunkat ahhoz, hogy az a jó erősítő aminek az van a kimenetén mint ami bement a bemenetén, akkor az efféle színezések tévútra vihetnek, és lehet, hogy szubjektíven az a hangzás fog jobban tetszeni ami többet módosít a hangon. Viszont másvalaki meghallgatja, aki más hangzást kedvel, és esetleg neki más lesz a kialakult véleménye is. A teszteddel is az a helyzet, hogy amikor meghallgattad, tudtad melyik kondival hallgatod, és ez szinte mindenkit befolyásolna. Persze említetted, hogy nem csak Te halgattad.. egyezett a kialakult véleményetek? A meghallgatásos tesztek még teljesen vakteszt alapján sem mindig megbízhatók.
Ez szerintem kétesélyes dolog, vagy látnánk a különbséget a spektrumképen vagy nem... egy próbát lehet, hogy megérne. Az mindenképpen kiderülne, hogy IMD jellegű torzításból fakad-e a hallott különbség, vagy sem. Ha pl. tranziens jellegű különbségek okozzák, akkor az esetleg nem fog látszani egy statikus jellel történő vizsgálatból.
Az elkók szivárgó árama pl. tud imbolyogni, szinte véletlenszerűen is, ami egy alacsony-frekvenciás zajként jelenik meg. Ha ez 20Hz alatti, akkor közvetlenül nem is halljuk meg, de a keletkező torzítási komponenseket befolyásolhatja. Főleg ha pl. ez eljut a hangszóróig is, ugyanis akkor az is lehet, hogy nem is az erősítő szól másképpen, hanem a hangsugárzó...
Teljesen jó a gondolatmeneted, sőt valószínűleg így is van ahogy írod. Bizonyos kondenzátorok esetén a dielektrikum töltéstároló képessége erősen limitált, és nem lineáris. Azaz a kondiban tárolt töltésmennyiség nem egyenesen arányos a feszültséggel - másképp fogalmazva növekvő feszültség esetén a kapacitás csökken... Ez kerámia kondik esetén látványos, de a többi i csinálja csak nem ilyen drasztikusan. Pl.: 1µF-os SMD kondi mérése Bővebben: Link
Némelyik frekvenciafüggő is, ennek pl. már alacsony frekvencián is eléggé változott a kapacitása. Bővebben: Link De nem mindegyik ennyire rossz. A hozzászólás módosítva: Ápr 21, 2024
Ha nem mérünk semmit, akkor marad a próbálgatás, veszel egy marék kondit, aztán valamelyikkel csak jól szól... Majd csinálsz egy másik erősítőt, amiben egy másik kondi fog jól szólni. Ez az ETS elmélet - Ez Talán Sikerül...
Még az sem derülne ki, hogy IMD torzításból ered a rossz hang, mert a hang megítélése már megint a szubjektivitásba vezet. De ha nem csinálunk semmit, akkor marad a próbálgatás.
Így igaz, mérni kell(ene). De ez Karesz projektje, én pl. nem tudok IMD-t mérni, nincsenek hozzá eszközeim. Az a jó kis RLC mérő sincs már az asztalomon, azóta már máshol dogozom.
A légmagos tekercs mágneses tere eléggé kilóg a tekercsből, és "megszórja" a környezetét. Az eleve nagy méreteit tovább növelné, hogy szinte semmi sem lehetne a közelében.
Azért lehet légmagos toroidot is tekerni, az sokkal kevésbé szór ki. Inkább az a probléma, hogy egy 2kW-os végfok nem fog elférni egy tenyérben.
De ez a máshogy szól dolog ugyanúgy megvan fóliakondik esetében is, pedig ott nem nagyon van kapacitásváltozás, hőmérsékletváltozásra pl. nulla, de másra se nagyon.
De van kapacitásváltozás, meg nemlinearitás is, (sőt a többi effekt is), csak sokkal kisebb mértékben, mint pl. kerámia kondinál. Ráadásul fóliakondiból is sokféle van, különféle felépítéssel, és más-más dielektrikummal.
Éppen a PWM erősítők és rezonáns tápok esetében olvashattunk arról, hogy a PP kondik helyett nem jó a Polisztirol. Ebben ugyanis az átpolarizációs veszteség felmelégíti a kondenzátort.
Ebből az jön le, hogy esetleg nem lineáris a feszültség vs áram arány. Ez nagy teljesítményen melegedés, kis jelszinten torzítást jelenthet.
Ez sajnos probléma. Magam is próbáltam olyan légmagos tekercset csinálni, ami nem szórja meg a környezetét. Felmerült a toroid forma is, de a kettéhajtott solenoid kisebb térfogatúnak bizonyult. A szórt tere meg elméletileg nem nagy. Talán egy külső rövidrezárt köpennyel teljesen jó is lehetne.
Amúgy jól elterelődött a téma. Idézet: „Az elkók szivárgó árama pl. tud imbolyogni, szinte véletlenszerűen is, ami egy alacsony-frekvenciás zajként jelenik meg. Ha ez 20Hz alatti, akkor közvetlenül nem is halljuk meg, de a keletkező torzítási komponenseket befolyásolhatja. Főleg ha pl. ez eljut a hangszóróig is, ugyanis akkor az is lehet, hogy nem is az erősítő szól másképpen, hanem a hangsugárzó...” A nagyon lassú szivárgóáram változást (pl. hőmérséklet változás és az öregedés/formálódás hatására változót) a DC szervó kompenzálja. Az infrahang tartományban jelentkező lengések azonos fázisban jelennek meg a félhidak kimenetén - tehát kioltódnak - a hangszóró kapcsain nem jelennek meg (feltételezve, hogy két azonos gyártmányú elkón a véletlenszerű lengések is közel azonos fázisúak... bár a véletlenszerű éppen azt jelenti, hogy nem). A hozzászólás módosítva: Ápr 22, 2024
A DC szervóban is van kondi, ami ugyanazt csinál(hat)ja mint a többi... Nem tudom, csak feltételezem, hogy DC szervóval kb. ugyanott lehetünk hangzásban mint a csatolókondikkal, viszont a DC csatolt átvitelnek nem csak előnyei, hanem hátrányai is vannak...
Azonban mindezek csak találgatások mindaddig, amíg a végére nem jár valaki.
Ebben van csatolókondi is, DC szervó is. Meghallgattam szervóval és szervó nélkül is. Nem hallok különbséget a két megoldás között. Szkóp fotót is tettem ki mindkét állapotról.
Most az, hogy a szervóban lévő kondin fellépő esetleges feszültségváltozás elhúzza a kimeneti driftet mondjuk 1 mV-tal, számít?
Jó kérdés, én valószínűleg nem hallanám a különbséget
, de attól még lehet, hogy van.Egyébként az, hogy egy DC szervónak "mennyit kell dolgoznia" szintét mutatja valamennyire az erősítő (aszimmetriákból eredő nemlineáris) torzításait. Tehát ha a hangerő növekedésével változik a DC komponens (amit szervó persze korrigál - de ez mérhető), az is egyfajta mutató a torzításra. Az hogy nem hallasz különbséget szervóval, és nélküle, mindenképpen jó jel, mert akkor valószínűleg az ilyen típusú torzítása kicsi az erősítőnek. Azért egy mérést ez is megérne, hogy függ-e a szervó általi korrekció mértéke a hangerőtől (minél kevésbé függ, annál jobb).
Már megint lehűlt a műhely 12 fokra - már nem szeretnék tavasszal ott is fűteni - majd ha jobb idő lesz mérek még egyebet is. A szervó kimenetének mérése is szerepelt a tervekben. Majd kiteszem mit látok a kimenetén.
Kíváncsiságból összehasonlítottam a szimulált és a mért THD értékeket.
Az IRFP240/9140 Ugs feszültségét a gyakorlatban mért értékre növeltem a battériák soros feszültségével. R33 értéke nagyon jó közelítéssel akkora, mint amit a gyakorlatban mértem. A nyugalmi áram a szimulációban is 75 mA. A gyakorlatban a teljes híd torzítását mértem, ahol kiesnek a páros harmonikusok... a szimulációban ezek ott vannak mivel félhidat szimulálok. A terhelés ennek megfelelően itt fele a 4.7R-nek. K3 szimulálva -90 dB, mérve -82 dB K5 szimulálva -118 dB, mérve -101 dB A THD(tot) mérve 0.008%, a szimuláció szerint Nocht szűrővel 0.008% (ebben azért van egy kis véletlenszerűség is - akinek van szeme hozzá, látja).
Újra mértem a THD-t - most is az előerősítőn keresztül - nincs mit hozzáfűzni... átlagos.
Kíváncsi voltam mennyit változik az erősítés hidegen és ha bemelegszik. Az elő erősítő bekapcsoláskor: 178.0 mV, fél óra múlva: 177.9mV. Végfok bekapcsoláskor: 1.021V, fél óra múlva: 1.022V. Végfok THD bekapcsoláskor: 0.0022%, fél óra múlva: 0.0016% Ez utóbbival is magyarázható, hogy bemelegítve jobban szól. Ha a terhelő ellenállást 6.5R-ról 2.5R-ra csökkentem, a kimeneti feszültség 1.027 V-ról 1.012V-ra esik. Ebből a kimeneti impedancia 31.6 mOhm (1 kHz-en) és ebből a DF: 250. A kimeneti impedanciát lehet csökkenteni (mint már írtam). Ehhez meg kellett nézni, hogy eléggé stabil-e nagyfrekvenciásan. Ezt nyilván legegyszerűbben a négyszögjel-átvitellel lehet ellenőrizni, hogy mennyire marad stabil kapacitív terhelés hatására. Tehát óvatosan elkezdem növelni a pozitív visszacsatolás mértékét és azután újra meghallgatom. Nem tudom javulni, vagy romlani fog-e a hangzás... nem soká kiderül (ha nem teszem tönkre mérés közben a végfokot).
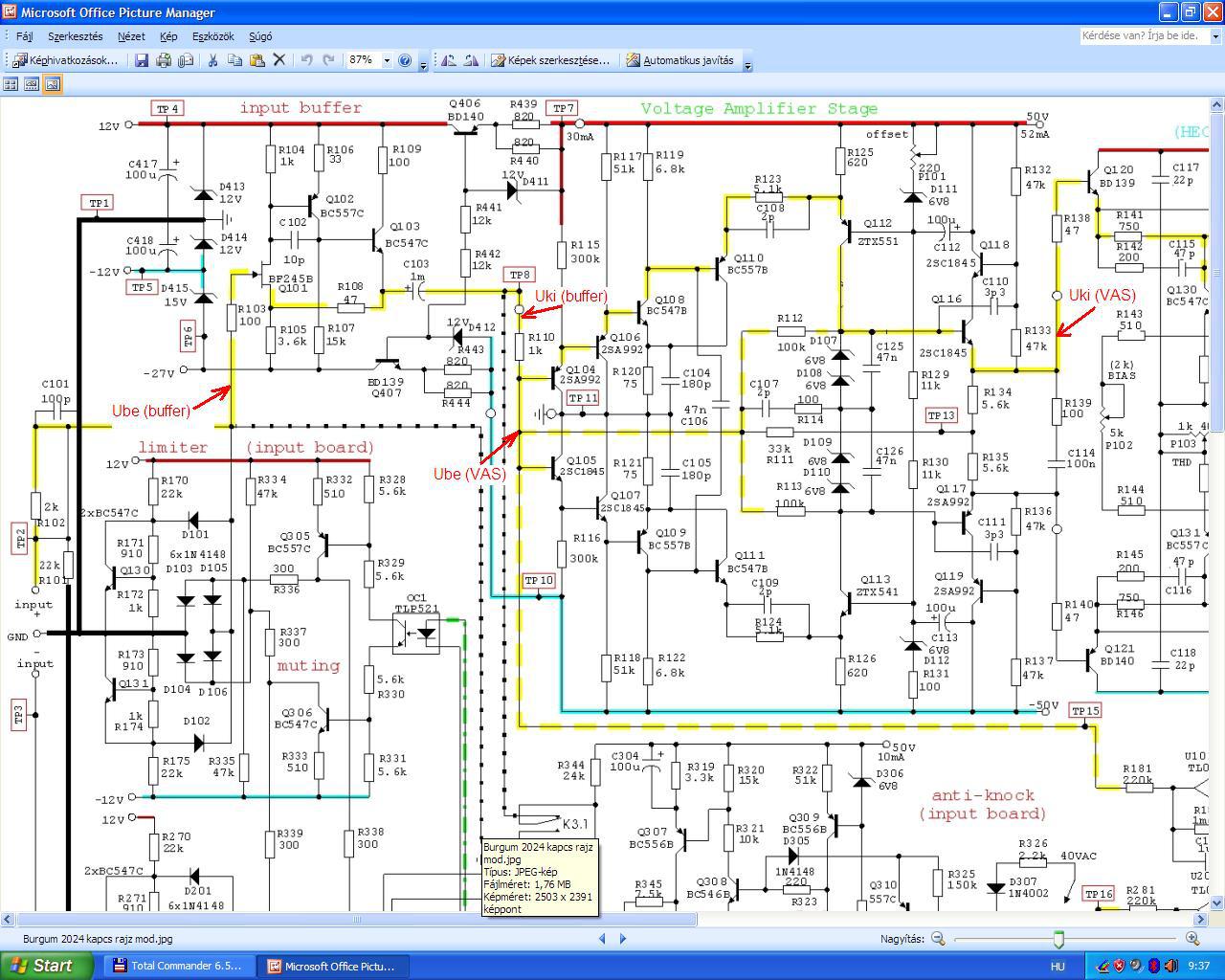
Készül a Burgum végleges, picit módosított változata...
Nyolc éve hever a régi Kodak gépem egy sarokban és még az akkuja sem merült le nullára. Feltöltöttem és működik. Játszottam kicsit. Ha lenne érzékem a fotózáshoz, egész jó képeket lehetne vele készíteni - persze telefonnal is - de ez mintha jobb minőségű lenne. Nincs hozzá szemem. A lényeg, hogy ma is dolgoztam valamennyit... bár ez is csak játék... én már nem dolgozom többé ebben az életemben.
Látom, hogy egy rágcsálóügyi menedzser is szemrevételezte az építést és nem rendelt el bontást, alkalmasnak találta.
A "picit módosított" változatból végleg kihagytam a Hawksford kaszkódott, valamint változott GND vezetékezése. Kialakítottam egy csillagpontot és leválasztottam a jelföldet a tápszűrő kondik földvezetékétől. Megszüntettem azt a csúnya "pacát" a VAS bemeneti összegzőpontján, valamint kettéosztottam a VAS tápvezetékét - külön vezeték megy a szűrőkonditól a kimeneti emitterkövetőkre és a nagyjelű erősítőre. Jobb lett, majd mutatom.
Bemeneti aluláteresztő nélkül a bemeneti buffer átvitele a képeken: A -3dB-es pont 8 MHz körül van, de ennek nincs akkora jelentősége, lényeg az, hogy elég gyors és túllövésmentes a kimeneti jel. A csillapítatlan négyszög a bemeneten továbbra is a vezeték illesztetlenségéből adódik... nem tartottam fontosnak lezárni a bemenetet 50 Ohm-mal, illetve az invertáló erősítőt nem is lehetne lezárni, mert bír ekkora áramot (és ugye a szimmetrikus meghajtásra szükség van most, ez fontosabb mint az illesztettség).
Az új nyákterv szerintem jó lett, a VAS gerjedési hajlama megszűnt - a túlvezérlést jól tűri - még a 200 kHz-es négyszögjeltől sem vezérlődnek telítésbe a fokozatok tranzisztorai.
A -3dB-es pontja 1.8 MHz-en van.
Invertáló erősítőnél minden gond nélkül mérni tudjuk a nyílthurkú erősítést (Au = Uki/Ube).
Ez a VAS az Otala-féle iskolába jár, ahol a kis visszacsatolási tényezőn (31 dB) és a magas (hangfrekvenciás sávon kívülre eső) nyílthurkú sávszélességen (160 kHz -3 dB) van a hangsúly. A közel két hónapos szubjektív tesztek szerintem azt igazolják, hogy ez jobbik út. Nálam az a fogalom, hogy "sziszegés" nem létezik (a régi Burgum sem sziszegett). A jó tranziensek szerintem fontosabbak a szép THD-nál. De ez csak a magánvéleményem, nem kell rá sokat adni. A "BB_Ube-Uki_290kHz szinusz" fotón az a pont látható ahol a visszacsatolási tényező a felére csökken (Ube = 6 dB-lel nő, tehát kétszerese a kisfrekvencián mérhető bemeneti amplitúdónak).
Az "Irgum" és a "Burgum". Október közepén kezdtem bele ebbe a projektbe és tegnap fejeztem be.
Több mint 2000 munkaóra, több mint egy millió forintnyi alkatrész. Elfáradtam. Nem építek több irgum-burgumot. Ez volt az utolsó. Isten bizony. De azt gondolom úgy szólnak együtt mint ahogy kinéznek. Tegnap hallottam életemben először azt (három számnál is), hogy szól a zene és közben 1-2 tized másodpercre elhallgat. Megállnak a hangok a levegőben. Hátborzongató volt. |
Bejelentkezés
Hirdetés |






, de attól még lehet, hogy van.



















































