Fórum témák
» Több friss téma |
A potenciométer az asztalra van szerelve?
Dehogy. Töle távolabb 2M re van dobozban a vezérlés.
Itthon kísérleteztem. Egy porszívó triakos szabályzóval meg egy egyutas egyenirányítással a kimeneten meghajtottam egy trafót. Megnéztem szkópon mi van a potin és a csúszka pontjai között 100-150 től 0 Voltig változik a feszültség. Nem egy bika poti és éveket ment a porszívó. Lehet fölrakom a porszívó szabályzót a rázóra és meglássuk.
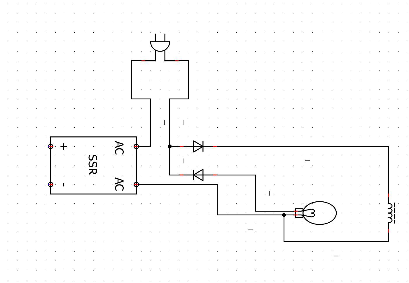
De továbbra sem értem a szilárdtest relé miért eszi a potikat.?
Ha nem változtattok a beállításon, akkor a jó értéknél meg kell mérni, milyen ellenállás értékre van állítva a poti és helyettesíteni egy fix, 3 - 5 W-os ellenállással.
Nem nagyon tudni, mi van az SSR-en belül...
Jó ötlet erre is gondoltam. Az a hejzet hogy nem mindig ugyanaz a beállítás, több féle anyagot mozgat a rázó (fagyasztott gyümölcs és zöldségek..). De megmértem a leggyengébb állásban 47k körül van, a legerősebb meg ugye a 0 Ohm. Tennék egy lépcsős kapcsolót meg hozzá egy ellenállás lépcsőt. 4-5 lépcsővel szerintem killennének elégítve az igények.
A hozzászólás módosítva: Szept 17, 2024
A levágott félhullám sem hiányzik az SSR-nek?
Jó ötlet. Nem panaszkodott érte csak a potikat eszi.
Ja meg még egy érdekesség. Ugyanitt volt egy szállítószalag DC motor tirisztoros szabályzóval. Ez is meghat és hasonlóan kapott egy triakos szabályzást a végén egyenirányítva. Ez megy a rotorra, a sztátornak állandó gerjesztése van. Ez is megy már évek óta van hogy 24 órás üzemben. Biztosan létezik kézenfekvő egyszerű megoldás a problémára.
Hali!
Tme-ből én ilyen potit tettem SP1.2-330K-A 1 DB 5 804,00 Potenciométer:axiális;egyfordulatú;330kΩ;2W;±20%;6mm;mono Gyártó: TELPOD; Gyártó cikkszáma: SP1.2-330K-A; A HESTORE-os SSR-hez SSR-40VA Szilárdtest relé - teljesítményszabályzó (SSR), 1-fázisú, 40A, 500K dimmer, 24...380V AC, nullátmenetnél kapcsol Melléklem milyen teljesítményeket mértem ohmikus fűtőbetéttel A hozzászólás módosítva: Szept 17, 2024
|
Bejelentkezés
Hirdetés |












