Fórum témák
» Több friss téma |
Ó,hát az így elég bonyolult lenne.Arra gondoltam hogy valami fotoellenállással meg oldható volna talán közös anódra a kijelzőhöz esetleg valami tranzisztorral....Szóval ez nem ilyen egyszerű?Miért gondoltam rosszul?
Már ketten is mondtuk, hogy próbáld meg kisebb feszültségről járatni.
Ha a kijelzés megfelelő fényű, és amúgy minden kívánt funkció működik, akkor szóljál és kitalálunk valami fotóellenállásos tranzisztoros okosságot. Persze az is lepergett, hogy csinálj fényképen a hátuljáról (netán az elejéről).
Szegmensenként 1 1 szabályzó kellene, ami földfüggetlen. Így már nem annyira baráti. Ha csak egyszerű szimpla csökkentést akarsz, a szegmensekkel soros pár ohm segíthet. Egyéb esetben olyan bonyolult, hogy egyszerűbb másik órát keresni.
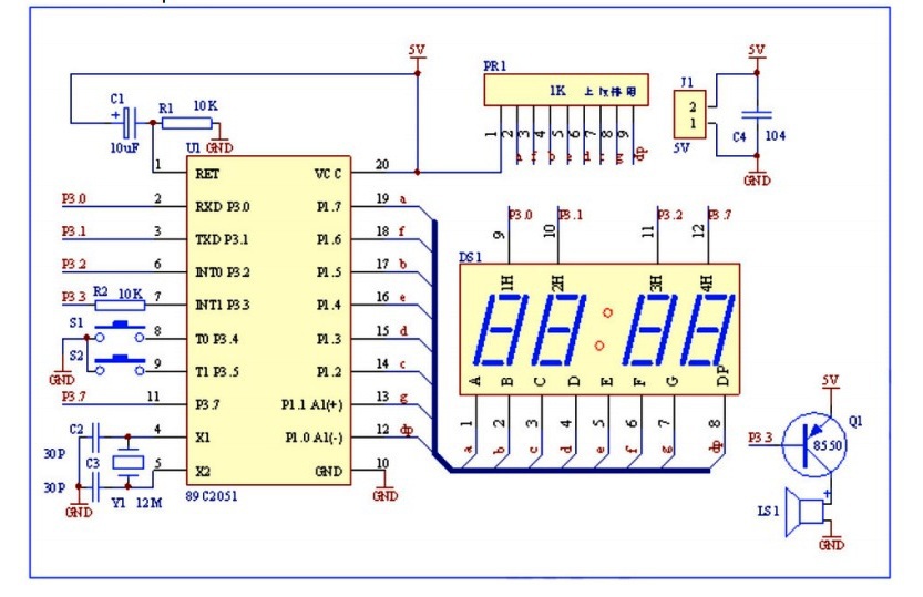
Itt a kapcsolási rajz talán segít az ötletelésben. 4 optocsatoló a 4 katódra (anódra) és közös vezérlés fotoellenállással tranzisztoros kapcsolással -csak egy ötlet. ( az egyik katódon (anódon) már van egy korlátozó ellenállás vajon mi célból?)
A hozzászólás módosítva: Nov 19, 2024
Hello! Azért gondoltad rosszul, mert a mikrokontroller időmultiplex módon vezérli a kijelzőt.
- Tehát kiteszi a 7 szegmens kódot a kijelzőre, majd bekapcsolja a számhoz hozzá tartozó anódot . - Kikapcsolja az anódot, kiteszi a következő szám 7 szegmensét. majd bekapcsolja a második anódot. - És ezt ismételgeti folyton, még el ne, fogy a digit, majd kezdi elölről. Tehát az anódokat időben egymás után kapcsolgatja fel. Így az egy-egy anódra jutó bekapcsolási időt kellene csökkenteni a fényerő változáshoz. Ezért a megoldás lehetne a program átírása, pontosabban az óraprogram újra írása. Hardveresen is meg lehetne oldani, de műszakilag az értelmetlen lenne a hardver áramkör jelenlegi egyszerűségéhez képest..
Minden anódra kell egy ellenállás 100-1000 ohmig.
Hello! Ha ez tényleg úgy működik, hogy az 1k sor felhúzza a szegmenseket, a mikrokonzroller meg lehúzza ezt az áramot (ami sötét), akkor vélhetően megoldható a dolog. Az 1K közös lábának feszültségszabályozásával. Feltéve, hogy minden szegmensben lévő diódák száma azonos.
Az anódot azért nem lehet szabályozni, mert ott az áram értéke attól függ, hogy hány szegmens van épp bekapcsolva. Egyébként nem tudjuk, hogy a kijelző közös anódos vagy katódos, de feltehetően az utóbbi, amennyiben igaz, hogy az 1K-k a szegmensáramokat adják.
Ennek eldöntéséhez jó lenne egy fénykép a hátsójáról...
Itt megnézheted mind a 6 oldalát a nyáknak...
2 dolcsis ócskaság (100-ért meg átalakítjuk) ![]() https://www.aliexpress.com/i/33051640683.html https://www.instructables.com/C51-4-Bit-Clock/ A hozzászólás módosítva: Nov 19, 2024
Mondjuk a senekét éppen nem.
![]() De ha igaz a rajz, akkor jól el kell tapétavágóval vágni az ellenállás háló közös lábára menő fóliát. Erre kialszik az összes fény. Baj nem lehet belőle, valamint ónáthúzással helyreállítható. Ha ez így van, a megszakítással párhuzamosan be kell próbára forrasztani egy szinte tetszőleges szilícium diódát. Ekkor halkabban fog világítni a kijelző, elképzelésem szerint. Ha még mindig túlzottan hangos, akkor nem párhuzamosan még egy másikat. Háromnál többel már tutira nem működik. ![]() Na, ha ez így működik, azaz rövidre zárva fényes, amúgy meg halvány, akkor nyert ügy, csak el kell morzsolni azt a varázsigét, hogy "Proli007 segíts" , hogyan kössem be az alkonyatkapcsolót. Vagy javasol valami kevésbé gányolós megoldást. Nem néztem meg az adatlapot megint, de szerintem azért van így megcsinálva, mert a processzor inkább szeret lehúzni, mint fel.
Valóban célszerűbb lenne az egészet újra alkotni a nulláról.
De egy pici PIC12Fxxx es szériás mikrovetérlővel és néhány plusz alkatrésszel szerintem megoldható úgy, hogy a közös anódokat multiplex frekvenciájánál egy nagysegrendel nagyobb frekvencián PWM -el szaggatjuk a fénytől függően. De ez igazából gazdaságilag már nem éri meg, és legalább még egy ugyan ekkora panel lenne. (kis tulzással) A hozzászólás módosítva: Nov 19, 2024
Ezen rajz alapján rá sem néznék a panelra. Az egyik közös ponton 10K, ami abban a pozícióban garantált 0 fényerő, és a felesleges ellenálláslétra azt sugalja, nem igazán átgondolt konstrukció. A másik, ami tuti, ezzel a napi 30-50sec-nél potosabb órát nem tudsz építeni, a beépített kvarc tulajdonságai miatt. A fényerő is eléggé gyöngécske lesz tapasztalataim szerint ( bár lehet régi kijelzőkkel próbáltam hasonlót). Az IC kimenete max 20-30mA val terhelhető, azt 4 felé osztva nem sok marad egy szegmensre.
Picurka ám az a kijelző, a négy egymás mellett sem sokkal nagyobb mint a húszlábú DIP tok.
A mostani LED-ek nagyon tudnak világítani pici áramról is...
Hello! Hogy Gafly-nak igaza legyen..
Szerintem keress egy normálisabb kapcsolást, és azt építsd meg. Ez nagyon pontatlan lesz. Én inkább a cikkekben közölt Tom 25 nixie órát használnám fel kiindulásként. (gyakorlatilag én meg is építettem néhány éve és hibátlanul működik. 57mm-es 7 szegmenses led kijelzőt építettem bele a nixiek helyett. a 74141-et kellett cserélni 4511-re arra kellett egy ULN2003 a katódoknak. az anódmeghajtásnak pedig egy TD62783-at használtam. A DS3231 miatt pedig elég pontos lesz.
Dehát Mester, megvette a kittet, működik is neki, csak az a baja hogy éjszaka süti a szemét, és sötétben tompítani szeretné.
Ez kell bele. proli007 alkotása, nekem hibátlanul működik.Ezúton is köszönöm mégegyszer proli007-nek. Az eredeti bejegyzést már nem találom,nekem is ugyanez volt a gondom.
Köszönöm mindenkinek a segítséget.Valóban rosszul gondoltam.Azt hittem másképp működik a kijelzés.Így már nagyjából érthető.S azoknál a digitális óráknál,melyek a hálózat frekijéből számítják az órajelet,azoknál meg lehetne oldani egyszerüen?Hogy a napszak fényerejével változzon a kijelzés ereje?
Kb. minden megoldható ha te készíted el de az elgondolásodban (napszakoz igazított fényerő) látok némi buktatót. Éjszaka felkapcsolod a villanyt, nem fogod látni az időt mert kicsi a kijelző fényereje, hiszen éjszaka van. Nappal, leengedett redőnynél az óra bevilágítja a szobát, pl. nyári időszakban hajnal négykor. Ráadásul minden nap más időpontban van napkelte és napnyugta.
Vna itthon több, saját építésű óra. Hidd el, az aktuális környezeti fényviszonyokhoz kell igazítani a kijelző fényerejét.
Az, hogy honnan veszi az idő kiszámításához az órajelet. (hálózat v. kvarc) független a kijelzés fényerejétől. De ahol a kijelzőnek csak annyi lába van, mint 7 szegmens + tizedes v. kettőspont és ahány digit van. Pld. 7+1+4=12 az mind multiplex üzemű. Tehát a digitek bekapcsolási idejével lehet csak szabályozni. Ha itt ez fordítva működik, akkor ez egy kivétel.
Úgy látom tévedésben vagyok. Az IC tényleg nyitott kollektoros kimenetű, és számomra meglepő módon, az 1kohm ellenállássoron keresztül világíthatnak a ledek. A kioltott állapot meg a led földre zárása?? A 10K-t meg benéztem, az a zümmer vezérlő kimenet.
A hozzászólás módosítva: Nov 19, 2024
Jaj,nem.Félre tetszik érteni.Volt régen egy német digitális órám (vákumfluoreszcens) magától fényesedett ha világosabb volt,sötétben pedég elhalványodik.Azért írtam a fotoellenállást.
Hello! Kipróbáltad legalább azt amit javasoltam? Mert nem tudni jutottál-e valami eredményre.
Nem próbáltam.nekem az bonyolult.Bíztam benne hogy van egyszerűbb megoldás is...Azért köszönöm önnek is.
Egy kis biztatás, Proli007 rajzáról csak az R1 (ez az 1K-s fotoellenállás) ,R2 és T1 kell. az ellenállássort kiveszed, az 1 lábát kifordítod, a maradékot visszaforrasztod. ( vagy elvágod a hozzávezető sávot. A sor 1-es lábára (amit kifordítottál/kikötöttél) kötöd a tranzisztor emitterét. Rajzon + elem jelű vezetéket a + 5 voltra - jelű vezetéket a földre kötöd (az elem nem kell bele ). 4-5 forrasztás, 3 alkatrész az egész.
|
Bejelentkezés
Hirdetés |





2 dolcsis ócskaság (100-ért meg átalakítjuk) 
, hogyan kössem be az alkonyatkapcsolót. Vagy javasol valami kevésbé gányolós megoldást.






