Fórum témák
» Több friss téma |
- Ez a felület kizárólag, az elektronikában kezdők kérdéseinek van fenntartva és nem elfelejtve, hogy hobbielektronika a fórumunk!
- Ami tehát azt jelenti, hogy a nagymama bevásárlását nem itt beszéljük meg, ill. ez nem üzenőfal! - Kerülendő az olyan kérdés, amit egy másik meglévő (több mint 17000 van), témában kellene kitárgyalni! - És végül büntetés terhe mellett kerülendő az MSN és egyéb szleng, a magyar helyesírás mellőzése, beleértve a mondateleji nagybetűket is!
sziasztok van egy kerdesem van egy bc178 tranzisztorom meik laba az emiter???
Hello!
Hát ezt még soha sem figyeltem meg. Már rég feladtam, hogy valami logikát fedezzek fel. Hol van már az a szép idő, mikor a páratlanok voltak az NPN-ek...De ha konkrét nem tudom a bekötését inkább megmérem, mert találkoztam már csodákkal, de inkább kitolásnak nevezném. üdv! proli007
Bővebben: Link
:google:
Hello!
Az első kérdésedre: Current gain bandwidth product (fT) is the frequency at which the common emitter current gain is in unity. A sebesség és kollektor feszültség vizsgálatához inkább a Turn-on-time és Fail-time karakterisztikákat javaslom. A nagyjelű viselkedést, inkább a futásidővel lehet jelllemezni, mint a frekivel. Azért ajánlom figyelmedbe ezt a "kis" esszét. üdv! proli007
kosz kosz m
ar kes zis
Köszi! Finomnak ígérkezik.
Rövid kérdés előlegbe: Tehát akkor pl. fT/2 frekvencián 2 lesz a béta?
Hello!
Amennyiben ez lineáris összefüggés lenne. Mert akkor mennyi lenne az áramerősítés 0Hz-en azaz egyenáramon? üdv! proli007
Sziasztok!
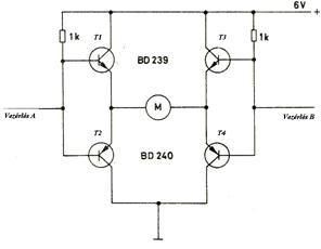
LPT motor vezérlés témában találtam egy 4 tranzisztors kapcsolást ezzel elvileg mindkét irányba lehet mozgatni a motort. Az a bajom vele hogy nem fér a fejembe, hogy hogyan működik pedig gondolkoztam rajta egy csomót. El tudná valaki magyarázni? Köszi Ja itt a szöveg amit az ábra mellé rakott a szerző: A kapcsolás PNP és NPN tranzisztorokból áll. Logikai egynél az NPN (felső), logikai nullánál pedig a PNP (alsó) tranzisztor fog vezetni Így első esetben a pozitív, második esetben a negatív tápfeszültséget kapcsolja a motor sarkára. A jobb és baloldal a relés kapcsolás mintájára szimmetrikus. Hibája a kapcsolásnak a 2*1,2V-os maradékfeszültség a tranzisztorokon, ami jelentős vesztesség (kb. 40%!!!) Ezért ezt a kapcsolást nagyobb feszültségekre érdemes megvalósítani, (pl. 12V) akkor a százalékos vesztesség is elfogadhatóbb lesz.
Ez egy úgynevezett H-híd kapcsolás. Bővebben: Link
A felső két tranzisztor PNP az alsó kettő pedig NPN. A tranzisztor ugye a bázisán lehet kapcsolni. A két kivezetéshez Ahoz és Bhez egy-egy NPN és PNP tranzisztor bázisa van kötve. Logikai magas szinten az egyik alacsonynál pedig a másik tranzisztor kapcsol. A-ra és B-re ellenkező szintet kell kapcsolni így forog a motor. A szintek felcserélésével pedig a forgás irány fordítható meg.
Például: A magas akkor T1 zárva van és T2 nyitva van így T2-n átt csak a föld felé folyhat áram. Ha A magas akkor Bnek alacsonynak kell lennie ekkor T4 zárva van és T3 van nyitva így a táp felől folyhat az áram a motor felé. Itt az áram útja: föld < T2 < motor < T3 < táp. Fordítva pedig :táp >T1 >motor > T4 >föld. Láthatod hogy a motoron más irányba folyik az áram mindkét esetben így más irányba is forog. Remélem segítettem valamennyit
Sziasztok!
Egy alternatív kapcsolással vagyok bajba ![]() Sajnos nem vagyok szakmabeli ![]() Találtam egy régebbi Elektromos kapcsolások nevű könyvet, de abba 4 érintkezős kapcsolókkal ábrázolja a kötést. A most vásárolt alternatív kapcsoló viszont csak 3 érintkezős ![]() Ha tudnátok segíteni megköszönném
Szia! Mellékelem a kapcsolási rajzot. Általában a kapcsolók egyik kivezetését meg szokták jelölni. (szines festékpöty, betűk stb) Ha nincs megjelölve, egyszerűen ki tudod mérni. Ugyanis az a kivezetés a "jelzett", amelyik a másik két kivezetés közül vagy az egyikkel, vagy a másikkal kapcsolódik össze. (attól függően, hogy hova kapcsolod a kapcsolót) Üdv Tibi
Szia Tibi!
Köszönöm a gyors segítséget ![]() üdv. Jano
Sziasztok! Azt szeretném megkérdezni, hogy nincs-e valami összeszedett adatbázis trnzisztorokról és kondenzátorokról, ami friss?
Mert most csak azt tudom, hogy milyen alkatrészt keresnék, csak azt nem, hogy melyik lenne az.
Szia! Nem igazán értem mit is, és miért keresel. Tranyókról (meg mindenről) a: http://www.alldatasheet.com/ oldalon találsz adatlapokat. Kondikról nem iagzán fogsz találni ilyet, hiszen azoknak két értékük van, (kapacitás, és feszűltség) az meg rájuk van írva. üdv tibi
Bővebben: Link
Sziasztok, tudna valaki egy monostabil multivibrátor kapcsolási rajzot küldeni?
Köszi: Maverick
Régen voltak ilyenek, ma nem tudok róla, de biztos van. Az én módszerem az, hogy megnézem az itt közzétett kapcsolásokat, és ha valami érdekes típust látok, elolvasom az adatlapját. A másik meg az, hogy elektronikai boltok honlapján nézelődök, és kategória, név, ár (meg ha van, akkor kép) alapján megsaccolom, mit tudhat, ezután szintén megnézem az adatlapját. Ez ugyan nehézkes módszer, de legalább azokat ismerem meg, amik elérhetőek.
Szia!
A tranzisztorról (ugorj, ha gondolod): Ha egy NPN tranzisztor (mint a képen a felsők) bázisfeszültségét emelni kezded az emitterfeszültséhgez képest, akkor a nyitófeszültség környékén elkezd áramot engedni a kollektor-emitter közt. Ez az áram B-szer nagyobb, mint a bázison befolyó áram (ami aszintén az emitteren folyik ki). A bázisáramot az előbb említett bázis-emitter (BE) feszültség határozza meg. Az emitterkövetés: Ha pl. az emitter egy ellenálláson keresztül van a földre kötve, Te pedig a földhöz képest megemeled a bázisfeszültséget, akkor: nő a bázisáram, emiatt nő a kollektoráram és emitteráram (mert az emitteren folyik ki a másik kettő). Az emitteráram átfolyik az ellenálláson. Ha az árama nő, akkor a rajta eső feszültség is, ami viszont az emitter feszültségét emeli. Mivel emelkedik az emitterfezültség, közeledik a báziséhoz, tehát csökken a BE fesz (záródik a tranzisztor). Ez addig folytatódik, amíg újra be nem áll az egyensúly, vagyis a BE feszültség a nyitófeszültségre áll. A nyitófeszültség persze kicsit függ az áramoktól (dióda karakterisztika), de ez itt nem fontos. Ezért követi az emitter a bázist, így kapcsol feszültséget a felső tranzisztorod a motor egyik, illetve másik csatlakozójára. Az alsóknál ugyanez a helyzet, csak a feszültségek és áramok ellentétesek, tehát ugyanez történik, csak tükörben.
Persze, nem növekszik az áramerősítés a végtelenig, én csak fT környékére gondoltam.
Na én ezt nem értem, mit jelent a logikai magas és mély.
Mert ha jól tudom az ltp adatbitjeire írt 1 érték 4,8 V, ha pedig 0 akkor 0,8. De ha jol tudom a tranzisztor ki se nyit 0.8 nál ezért nem értem mi ez az egész.
Amikor 4.8V van a kimeneten, akkor a felső nyit, amikor 0.8V, akkor az alsó. Most nem csak azt kell nézni, hogy mennyinél nyit, hanem azt is, hogy hova kerül az a 0.8V. Ugyanis ez a BC fesz, és nem a BE. Ez emitterkövető kapcsolás. (Fentebb leírtam a működést. Talán valamit segít, csak kicsit zavarosra sikerült.)
Egyébként a 0.8 és 4.8V-ot ne vedd készpénznek. Nem néztem utána, de ezek bizonyos terhelési határ alatti max, ill. min feszültségek lesznek. De ha velük számolsz, nem ér nagy meglepetés.
Sziasztok!
Néha olyan problémával állok szemben, hogy nem tudom a hangfalaim fázisát beazonosítani. Nem azzal van a gond, hogy nem tudom a pirosba dugni a piros kábelt, hanem pl. az, hogy van egy mélyláda, amiben eleve úgy áll a hangszóró, hogy a reflexnyílás a mágnesre néz, stb... máskor pedig két autóban jó lenne, ha nem kellene "hallgatózni", hogy mikor is szól több mély... Magasat pedig nem is hallgattuk, hogy kioltják-e egymást.... Erre keresnék megoldást. Én mikrofonos érzékelésre gondoltam. Két mikrofonnal a hangfal elé, egymástól "távol", és a két jel fázisát kellene összehasonlítani. Ezt hogyan lehetne megoldani? Esetleg egy már bevált ötlete van valakinek, vagy hallottatok már ilyenről? Még egy buta kérdés: erősítőket nem lehet sorba kötni? (az oké, hogy hidalatlan erősítőnél sorbakapcsolás esetén az egyik erősítő kimenete le lesz földelve, de a hidalt erősítőknél semmi köze sincs a földhöz a kimenetnek. Vagy valamit kihagytam?) Köszi szépen!
Van egy léptetőmotorom aminek 4 kivezetése van, nem tudom most hogy hívják.
Építettem egy H hidat és azzal szeretném vezérelni, az lenne a kérdésem, hogy két H-Híd kell hozzá vagy van valami egyszerűbb módja is?
A H híddal jellenzően nem a léptető motorokat vezérlik. Egy kicsit más az elv, olvasgass utána:
Bővebben: Link_1 Bővebben: Link_2
Sziasztok!
Ugye létezik valami szabvány a vonali jelszintre? Szóval mekkora max. feszültségeket mérhetek, mennyire "terhelhető" stb. Tudom, a gyártók meg a szabványok nincsenek mindig jóban, de azért érdekelne a dolog.
Ahogy olvasgattam arról van szó a bipoláris motornál, hogy sorrendben kapcsolgatom a tekercseket hol ilyen polaritással hol olyannal.
Nem akarok pontos pozíciót meg hasonlót csak hogy forogjon vagyis, hogy az itthon fellelhető 10db ilyen motort ne kelljen kidobnom. Néztem az L298 IC-t, de 3000 Ft a két H-Hid meg csak 1000 illetve, ha AVR-t kötök rá vezérlőnek akkor max 2000 és a H hidat másra is fel tudom használni sőt az AVR-nél is sokmindent ráköthetek. Kérdés, hogy miért olyan drága az L298-as mivel tud többet amire nekem szükségem lehet. ![]() Ja amúgy rákötöttem a motor egyik tekercsére és ha megfelelően vezérelem akkor szépen körbeforog, lassan és a terhelésnél megáll, de azért érdekes volt látni
Hello!
Van egy egyszerű profán módszer. Rákötsz a poaritásnak megfelelően egy laposelemet a hangszóróra. Ha mind kettő hangszóró kifelé mozdul el, akkot az elem polaritása szerint van a plusz-minusz. (De lényeg, hogy egyirányba!) Persze mondhatod, hogy hangváltónál kondi, vagy szűrő van. Azt egy ellenállással ideiglenesen át kell kötni. Ha erre nincs lehetőség, ott a füled. A hangszórókat egymással szembe kell állítani, úgy hogy csak náhány cm hézag legyen köztük. Ha ellen irányban mozognak (tehát az egyik kifelé megy miközben a másik befelé), szinte kioltják a hangot. Erősítők soros kapcsolása, elég badarság. Kivétel, amikor hídkapcsolásban vannak. Akkor a hangszóró, a két kimenet közé van kapcsolva (semmi GND!) a soros kapcsolást az biztosítja, hogy a végfokok ellenfázisban vannak vezérelve. (Tehát amikor az egyik kimenet a plusz tápfesz felé tart, akkor a másik a minusz felé, és következő periódusban fordítva.) üdv! proli007
Bocsi nem vettem észre a felső hozzászólásodat. Köszönöm szépen a választ, átgondolom, és ha még mindig nem értek valamit, még kérdeznék, szíves engedelmeddel
|
Bejelentkezés
Hirdetés |





Már rég feladtam, hogy valami logikát fedezzek fel. Hol van már az a szép idő, mikor a páratlanok voltak az NPN-ek...


Mert most csak azt tudom, hogy milyen alkatrészt keresnék, csak azt nem, hogy melyik lenne az. 




