Fórum témák
» Több friss téma |
Sziaszok!
http://www.compusa.com/products/product_info.asp?product_code=50115...BROWSE Ezen a linken találhátó PC diagnosztikai kártya megépítésén gondolkozom. Van valami tapasztalatotok a témában? Épített már valaki ilyet? Sajnos nincs rajzom, és még pontos müködés sem tiszta, ha bármilyen anyagok van ezzel kapcsolatban nagyon örülnék neki. Természetesen valamilyen mikrovezérlőt kellene alkalmazni, de nem hiszem, hogy összességében annyira bonyolult lenne. A linken található kártya a 80-as portot figyeli. Üdv
Javíts ki ha tévedek de akkor ez a kártya "csak" annyit csinál hogy nézi a pci portot és ha valami hibakód érkezik a lábra....gondolom vannak ilyen szekvenciák vagy pedig direkt erra célra felhasznált láb a porton akkor ezt jelzi neked?
Mert ha igen akkor nem csak arról van szó hogy mikrokontrollerbe azokat a lábakat amit a hiba kód jön az feldolgozza neked a jeleket és mondjuk rs232-n kiküldi vagy egy bináris kódot kicsom neked egy ledsorra??
Helló.
Nekem van egy ilyenem, persze nem én építettem. Ezen 3db GAL16v8 található, nem értek hozzá de ezek valami programozható IC-k. Egyébként venni itt is tudsz: POST code kártya
Sziasztok!
Köszönöm a válaszokat! Igen ilyenre gondoltam, de én inkább építeni szeretnék. Sajnos a PCI lekivilágát nem ismerem, több infó kellene róla, akkor elvileg meg lehet építeni. Gondolom így sokkal olcsobban ki lehete hozni. Egyébként mennyiért vettétek, ha lehet tudni? Üdv
Én a belinkelt fórumon jutottam hozzá 3900Ft-ért, de nekem ennyit bőven megér pedig az alaplapom gyárilag tartalmaz ilyet.
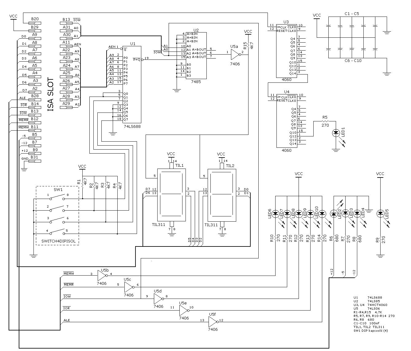
Hello. Van itt egy ISA slotra épülő POST kódkártya kapcsolást. Már csak meg kell építeni.
estig rajzoltam, lehet benne hiba, bár kétlem.
Gondolkodtam én is ezen a dolgon és nekem is hasonló elrendezés jutott a fejembe. Már csak a PCI slotba kéne valami ilyesmit építeni.
Nem tudom, hogy még aktuális e a dolog, de azért belinkelem amit ezzel a témával kapcsolatban találtam.
[link=http://bioscentral.com/]http://bioscentral.com/[/link] POST Diagnostics ISA-8 Card |
Bejelentkezés
Hirdetés |




estig rajzoltam, lehet benne hiba, bár kétlem.






