Fórum témák
» Több friss téma |
- Ez a felület kizárólag, az elektronikában kezdők kérdéseinek van fenntartva és nem elfelejtve, hogy hobbielektronika a fórumunk!
- Ami tehát azt jelenti, hogy a nagymama bevásárlását nem itt beszéljük meg, ill. ez nem üzenőfal! - Kerülendő az olyan kérdés, amit egy másik meglévő (több mint 17000 van), témában kellene kitárgyalni! - És végül büntetés terhe mellett kerülendő az MSN és egyéb szleng, a magyar helyesírás mellőzése, beleértve a mondateleji nagybetűket is!
Anyag a darlingtonokról
A relék áramáról mit tudni? Ha semmit, mérd meg, hogy mekkora áramot igényel a behúzáshoz. Köss vele sorba egy árammérőt (a legnagyobb méréshatártól kezdj mérni!) és kapcsold 12V-ra. A műszer mutatni fogja az áramot.
Mellékelem, hogy én melyik relére gondoltam...
Köszi az eddigi infókat!
50mA ha jól olvastam az az áram amit igényel, nyugodtan használj szinte bármilyen 500mA körüli tranzisztort. Pl. 2N2222, BC639....stb.
A Bázisellenállást úgy méretezd, hogy kapjon a bázis annyi áramot amivel az Uce a legkisebb lesz. Ehhez Ib=50mA tratozik katalógus szerint. Ekkor Uce 500mV A PIC kimenete 5V-on van ebből vonjuk le az Ube~0.6V-ot Tehát az előtéten kell esnie 4.4V-nak és folyni fog rajta 50mA Rb~88 Ohm. Válaszd a hozzá tartozó nagyobb szabványos értéket ( szerintem 100 Ohm megfelelő ) és kész is vagy. A tarnzisztor 50mA*500mV=0.025W-ot fog disszipálni, ami bőven megengedhető erre a tranzisztorra. ( katalógus: 0.83W ha T<25 Celsius ) -szerintem-
Köszönöm, hogy ilyen részletesen leírtad!
Üdv
Még annyit kérdeznék, hogy a BC817-es is megfelelő lehet, igaz?
"Mikrovezérlő lábára akarom így kötni és az úgy is csak 50mA-t tud elviselni..."
Melyik PIC tud 50 mA-t?
Szevasztok azlenne a bajom hogy van egy 3lábu potméterem ée bekellene kötni egy lézeres kapcsolásba egyszerű cucc mégsem tudommeik lábat hova kössem plz segitsetek
Szerintem igy kell bekötni.
megpróbálom azért kössz
Nem ismerem a PIC-eket, de most megnéztem egyet az 25mA-t tudott I/O lábon.
Át kell számolni, de az elv igaz.
Igen olyan mootorrol lenne szó amin nincs gyári töltő (romet). Időközben kaptam egy kapcsolási rajzot osztálytársamtól a kérdésem az lenne, hogy télleg úgy működik ahogy a rajzon le van írva?
Az adatlap szerint:
DS39631D-page 321 Maximum output current sunk by any I/O pin ...............25 mA Maximum output current sourced by any I/O pin ...........25 mA
Hello!
Bocsi, hogy belepofázok, de szerintem elnézted a katalógust. Az 500mV szaturációs feszültség, 500mA kollektor áramra vonatkozik, 50mA bázisáram mellett. A h21 karakterisztikán látszik, hogy minimálisan 100-as bétára lehet számítani 50mA kollektoráram mellett. De ha 50-es bétát számolunk is, akkor is megfelelő 1mA bázisáram. Ha ötször ennyivel meghajtjuk, biztos a siker. Tehát legfeljebb 5mA bázisáramra van szükség. A PIC lába, ha 25mA-el terhelhető, akkor sem igaz, hogy egyidőben az összes kimenetet ennyivel lehet terhelni. A tok disszipáció is behatárolja a kimenetek terhelhetőségét. üdv! proli007
Örülök, hogy kijavítasz!
Én úgy értelmeztem, hogy 50mA bázisáramnál lesz Uce minimális. Azt gondoltam, hogy ekkor ha kisebb áramot is hajtunk át a Collectoron az az Uce(sat)-ot nem érinti. Legkisebb disszipációra törekedtem, de nem vettem figyelembe a port terhelhetőségét (25mA) így amúgy sem állja meg ez a méretezés a helyét. Üdv.
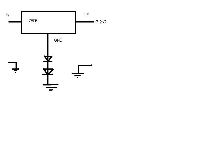
Bizony! (2x1,2=2,4 -> 5+2,4=7,4 és nem 7,2)
Hali!
Nem igazán tudom követni az eseményeket... Akkor ha most mondjuk BC817-et akarok a relé és a pic közé tenni és a relé max 10A-t vehet fel, akkor mekkora ellenállást kell beraknom? Köszi és bocs, ha értetlen vagyok! Üdv
Mint, sokan rámutattak a port maximum 25mA-re terhelhető. Tehát a tranzisztor bázisárama nem lehet ennél nagyobb.
Ha nem törekszel minimális disszipációra, akkor a szükséges collector áramot osztani kell a B-vel. Ez BC817-néll ilyen Ic mellett több, mint 100 , számoljunk ezzel. 50mA, ha osztod ezzel megkapod a szükséges bázisáramot 500uA. Számoljunk 0.6V nyitófeszültséggel. Így R = 4.4V/500uA=8.8 KOhm A disszipáció P=Ucesat*Ic=~1V*50mA=50mW Proli007, egyetértesz?
Köszi az infókat!
Lenne egy más jellegű kérdésem is. Egy Ricoh óra IC-nek akarok tápot adni a nyákon és kellene hozzá valamilyen elem. Jelenleg egy CR2032-es 3V-os van, de az fizikailag elég nagy. Létezik valami kisebb foglalatú megoldás?
Hy!
Meghajolva a tudásod előtt azt szeretném megtudni, hogy: - miért pont 1,2V-ot számoltál diódánként; - továbbá az így kapott értékhez miért 5-öt adtál hozzá ( hiszen a rajzon 7806 szerepel )?
Üdv mindenkinek!
Csak annyi lenne a kérdésem, hogy BGA tokozású IC-t hogyan lehet nyákra ültetni?
Sziasztok!
Pontos 1Hz -et szertnék építeni a rajz alapján, de a benne szereplő BFW10 -es N típusú JFET -et nem lehet kapni. Mivel tudnám helyettesíteni? Előre is köszi.
Szia! Gyakorlatilag bármilyen "N"-es fettel helyetesíthető. pl.:BF244 (ez mindenhol kapható) üdv tibi
Idézet: „miért pont 1,2V-ot számoltál diódánként” Mert a diódán 1,2V feszültség esik. Idézet: „az így kapott értékhez miért 5-öt adtál hozzá ( hiszen a rajzon 7806 szerepel” Ez természetesen elírás csupán, igazad van.
"Mert a diódán 1,2V feszültség esik."
Inkább maradjunk a jól bevált 0,6-0,7 V-nál a néhány mA-es tartományban, szerintem... Üdv.
Hali! Neten találtam olyat is amit mondasz. Így gondoltad nem?
Nekem mondjuk az a kapcsolás szimpatikusabb amit először küldtem ha tényleg helyettesíthető a BFW10 -es egy BF244 -el, és nem kell semmit állítani rajta. A másodiknál a trimmerel a frekvenciát kell pontosítani? Csak mert nem rendelkezem itthon frekvenciamérővel és oszcilloszkóppal sem.
|
Bejelentkezés
Hirdetés |











