Fórum témák
» Több friss téma |
Mielőtt kérdezel, a következő két dolgot ellenőrizd!
I. A helyes tápfeszültségek megléte.
II. A kimeneten van-e egyenfeszültség.
Élesztés.
Tomi!
A hangszóróvédelem tilt, (relé kattog) vagy csak a hang megy el?
Csak a hang megy el a relé nem kapcsol le...
Nem tud valaki olyan linket ahol erősítő kapcsolási rajzok vannak vagy lehet letölteni?
Jó kis linkek, de konkrétan én a Grundig V8200 erősítőhöz keresek rajzot de ha gondolod segíthetsz hátha te hamarabb rá akadsz...
Köszi!! (de én miért nem találtam meg???) ezt már sikerült elmenteni.
Szia!
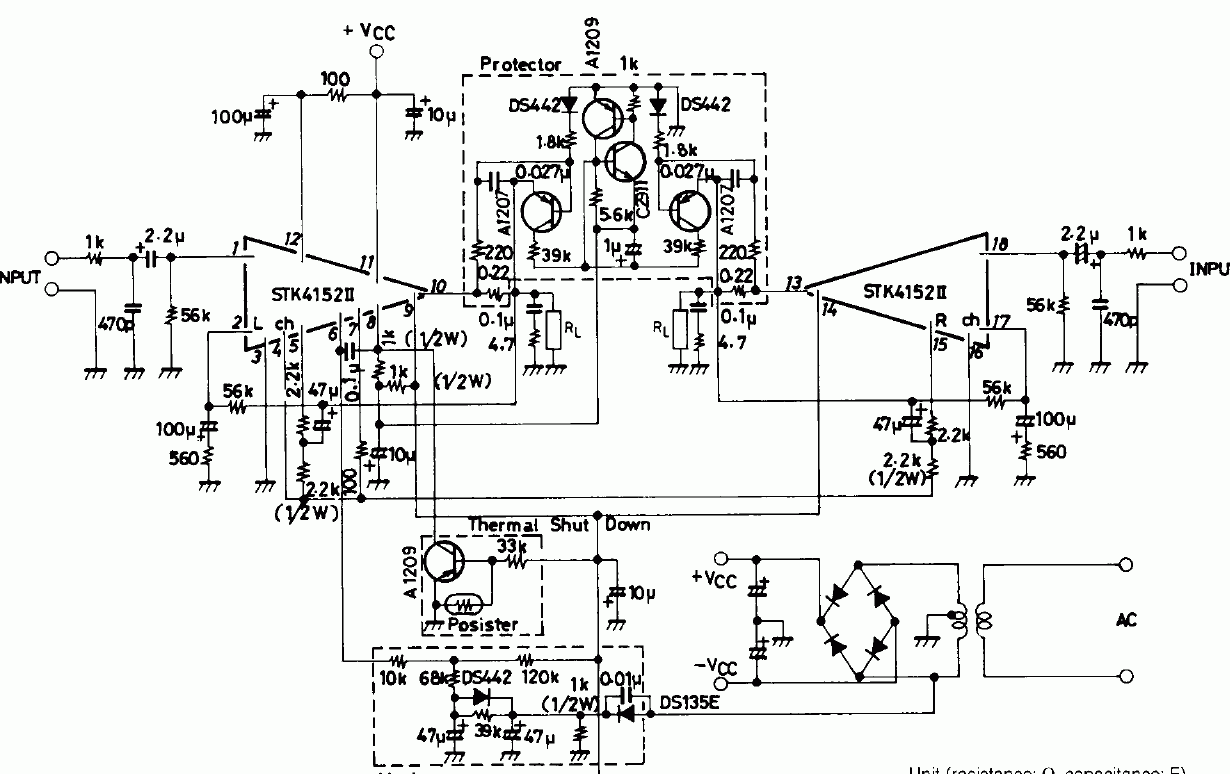
Nem kell a relének kapcsolnia!! Nézd meg ezt a rajzot!
Kösz lapose bár ez nem sokat segít asszem, ebbe 2db STK4036X volt.
Arra akart utalni hogy lehet más típusú védelem is benne.
(bár kétlem hogy ebbe a kategóriába ilyet tettek) Bevallom még én sem láttam ez az STK védelmet.. :eek2:
A Grundig általában odafigyelt a cuccaira, régen elég sokat javítottam, nagyon sokba volt valamilyen védelem beépítve!
Az STK IC-i nagyon hasonlítanak egymáshoz, tehát a védelem eléggé univerzális.
Nem véletlen hogy az a 0.22 ohm-os ellenállás több végfoknál is feltűnik. Ha te pluszba beépítettél még egyet, az áramkorlát sokkal hamarabb fog megszólalni. Vissza kell nézni a panelt hogy nincs -e benne egy hasonló áramkör!
Köszönöm a sok értékes segítséget!
Csak annyi lenne a kérdésem, TE milyen erősítőt, illetve hangszórót tudsz javasolni, amit egy LADA-ba bele lehet rekeszteni? Én arra gondoltam, hogy lenne 4db hangszóró (elől az ajtóban, hátul a kalaptartóban), illetve egy 1db mélynyomó! Még véletlenül sem szeretnék fejegységet venni hozzá, vagy inkább egy "műveleti erősítőt, ami az adott végerősítőhöz emeli a jelszintet (legalább is láttam olyat ami 6,3V bemeneti érzékenységgel rendelkezett).
Idézet: De akkor miről hajtod az erölködőt? „Még véletlenül sem szeretnék fejegységet venni hozzá”
Azért, mert én csak zenét szeretnék halllgatni, amit egy MP3 lejátszóról szertnék hajtani! Csak egy szint illesztő kellene ami az erősítőhöz illesztené a jelszintet és gyakorlag készen is vagyok vele.
A szint illesztőn esetleg egy hangerő beállítás lehetne eszközölni, illetve egy hangszin beállítást (Eqvalizer). Én azt szeretném, hogy szépen szóljon (nem csak a mély) , legyen is azért hangja.
Sajnálom hogy messze lakol tőlem, szívesen megmutatnám a különbséget az MP3, és a CD felvétel között
.Idézet: „Én azt szeretném, hogy szépen szóljon” De szintillesztő ügyben segítek, ha mindenképp ez az elhatározásod.
Hali!
Mint írtam autós erősítők és egyáltalán autós hangtechnikában nem vagyok otthon, csak elméleti szinten tudok egy s mást. Aztán, hogy ez a gyakorlatban hogy néz ki azt meghagyom a hozzáértőknek. Ha a fejegység egy CD-s autórádiót jelent, akkor a nélkül nem fog szólni semmi a kocsidban, szóval tetszik nem tetszik azt meg kell venni. Betehetsz akármilyen márkát a kocsidba, ha ésszel tekered a hangerő potit. Ha meg mint írták van jóval több pénzed mint a Lada-ád, akkor még profi hangminőséget is elérhetsz benne és esetleg még az áhított teljesítmény is meglesz. Csak gyakorlati tapasztalatból mondom, hogy nagy végfok, nagy teljesítményű hangszórók, vastag kábelek, jó minőségű hangforrás, erősebb akkumlátor a kocsiba, talán ha akkora teljesítményről van szó, akkor generátor csere, esetleg több akkumlátor. De ha ilyen rendszerben gondolkodsz minőség mellett, akkor pár Lada árát kitermelheted a zsebedből. Véleményem: Kalaptartóba 2 ovál hangszóró, ajtóba amekkora befér, első szélvédőhöz valami kis csipogó ami a magasat nyomja, ezen kívül tehetsz még a hátsó ajtóba is amekkora elfér. Ha akarsz és kell, de szerintem ennyi hangszóró mellett már egyáltalán nincs szükség mélyládára, de te dolgod, én egyébként ennyi hangszórót se tennék be, max előre hátra és még egy csipogó. Aztán jöhet a végfok kérdése: Első hangszórókat és csipogót meg tudja hajtani a CD-s autórádió, és még a hátsó ajtóban lévőket is. Az oválhoz tennék már külön végfokot, és a mélyládához is abszolút egy saját végfok kell. A két végfok jelét a CD-s autórádióból kell hozni. Biztos van rajta jel kimenet (2 RCA szokott lenni). Márkákat nem mondanék, mert nem ismerem őket melyik milyen, csak azokat amik a kezeim között voltak. Hangszóróból javítottam jópár félét, de ebből sem írok semmit, mert ha ezt írom akkor az egyik "tábor", ha azt írom a másik hurroghat le, stb... A lényeg itt is kinek mi az igénye, kinek mi tetszik, és mennyi a keret. Hallottam már trabiban egy régi tesla hangfalat! szólni egy kis clarion rádiósmagnóról, brutál méllyel. Viszont magnat cumót is, hogy homályosodott és torzult előttem a kép a mélyeknél, de azzal a kocsival nem tudtak elmenni bevásárolni például, pedig nem kicsi Bmw volt. Na úgy nézem jól elragadtattam magam, mert ez már nagyon nem erősítős téma... Ha érdekel még akármi akkor azt már privátban erről.
Ok! Mindent köszönök, pont azért kérdeztem most, mert addigra, amíg megveszem a Lada-t, addigra valami böködöt jó lenne szerezni bele, és úgy 50-60ezret szánok rá max.
El se hiszem sikerült beszerezni a rajzot a Grundig erősítőhöz...Talán most már rájövök hogy mért tiltogat a hang...
Ja csak most olvastam az üzid szamóca,de már sikerült beszerezni...
Szia!
Szerintem tedd fel ide, lehet hogy mást is érdekel!
Szia!
Ott van benne a védelem gyárilag 0.22 ohm-os ellenállás, csak a tápágakban!
Tudom most már átlátom és értem, pont azoknál az ellenálásoknál vannak hiányok nekem fenese gondolta volna hogy ezeknek ekkora jelentősége van...
Hát tényleg igazad volt! Ezek nem spóroltak a szilíciummal, meg a többi védelmi alkatrésszel.
("A ne ítélj a külső alapján", most ismét igaz. )
Sziasztok!
Van egy unitra junior rádióm. A következőt csinálja: ma bekapcsoltam...szólt rendesen, a tetejére valmi kis tárgy ráesett, és elhallgatott. felülről megütöttem, ugyanúgy nem szólt csak alpzaj jött ki belőle. Alulról megütöttem semmi...fejrefordítottam és alulról megütöttem ismét szólt. Elcipeltem valahova, az utazás során rázkódott. Megérkeztem, bekapcsolom ismét nemszólt, majd emlékeztem mitől is gyógyult délelőtt, na fejre fordítottam, kicsit ráütöttem és voálá, máris szólt. Aztán megint valamit ráejtettem a tejére és ismét elhallgatott...na onnantól nem hajlandó szólni.Van egy bemeneti csatlakozó rajta, arra jelet küldtem, átkapcsoltam arra a csatornára, és szól rendesen. Az alkatrészek lábait átforrasztgattam, megmozgattam minden alkatrészt benne, de ugyanúgy semmi, csak végfok alapzaj, és nem kap jelet a rádiótól. Vagy a ráidó valamiért nem szól egyáltalán Csatolok egy képet, amin a saját antennáját fényképeztem le, és a két szélső tekercs a ferriten megmozdult, azaz a lakkozása elengedett. Visszaállítottam szerintem ugyanoda ahol volt eredetileg a lakkozás szerint. Ez befolyásolhatja azt, hogy nem szól a rádió? Szerintem egyébként nem, csak nem vagyok benne biztos. Hol és hogy folytassam a hibakeresést? (De csak úgy, hogy egy asztalos is megértse a választ.)
Ez az egység NEM befolyásolja a rádió működését!
Ez a tekercs az AM sávokért felelős (ez az AM antenna FM -hez semmi köze) A hibát nem elektronikai, hanem inkább elektromehanikus hiba okozza, vagy is a kapcsolók amivel a sávot váltasz stb., azok eloxidáltak. Ha van csavarlazítód (WD40), akkr fujj be a végéről a kapcsolónak. "Járasd", kapcsolgasd, ide-oda. HA, ezután sem jó, akkor a kapcsoló cserére van szükség, ami azt jelenti, hogy nagyon sok forrasztásnak nézel majd elébe. Az ötletem a következő lenne, megszünteni a kapcsolót, vagy is amelyik érintkező zárt, az egy forrasztással a nyákon is zárni kell, ami nyitott az meg maradjon is az, de ehhez egy kapcsolási ajz is kéne, ami nekem nincsen! : Ha ezt a módszert választod akkor csak az adott hullámsávot tudod használni!
köszi ki is próbálom a wd40-t.
Az hogy mechanikai/elektromechanikai problémája van azt gondoltam én is, de ennek örülök, hogy az antenna egyáltalán nem befolyásolja ezt a dolgot. Sajna kapcsolási rajzom nekem sincs. Kerestem, de nem találtam. Ha valakinek van akkor azt szívesen venném. Zoli
Szivesen, sok sikert!
|
Bejelentkezés
Hirdetés |





.
