Fórum témák

» Több friss téma
Fórum » Elektronikában kezdők kérdései
- Ez a felület kizárólag, az elektronikában kezdők kérdéseinek van fenntartva és nem elfelejtve, hogy hobbielektronika a fórumunk!
- Ami tehát azt jelenti, hogy a nagymama bevásárlását nem itt beszéljük meg, ill. ez nem üzenőfal!
- Kerülendő az olyan kérdés, amit egy másik meglévő (több mint 17000 van), témában kellene kitárgyalni!
- És végül büntetés terhe mellett kerülendő az MSN és egyéb szleng, a magyar helyesírás mellőzése, beleértve a mondateleji nagybetűket is!
Lapozás: OK   360 / 4047
(#) Fodor válasza besi99 hozzászólására (») Dec 22, 2008 /
 
Bocsi, de nekem ez a válasz nemtetszik! Miért becsülsz alá? Sok IC-s erősitőt épitettem már! Sehol sem találok kapcsolást 63V DC-ről 2X80W- ra meg 2X50W-ra
(#) mutatvanyos válasza vtnagy hozzászólására (») Dec 22, 2008 /
 
Szia!
Nekem évek óta /10 éve/ egy Minicraft tipusú panelfúróm van, szintén 3.6V -os. Mivel az akku szépen lassan tönkrement, én egy régi számítógép tápegységet használok, az 5v-os kivezetéseit.
Mivel a motorja 40-50W-os így nem ritka a 8-10A áramfelvétel (Mondjuk nem csak nyákot szoktam fúrni vele)
(#) Gery hozzászólása Dec 22, 2008 /
 
Sziasztok!
Olyan érdekes kérdéssel állok hozzátok, hogy:
Van egy állólámpám amibe piros izzot szeretnék belerakni. Először vettem egy hagyományos izzot(körte alakút), de abból a legerősebb is alig világít. Akkor mondom veszek ilyet spot izzót, mert az erősebb. Valóban erősebb és szuper is lenne, de annak a legalja nincs bepirosítva(normális átlátszó üveg), ami egy kicsit zavar, mert kivilágít alul. És az lenne a kérdésem, hogy azt meg lehetne-e "szüntetni"?
Gondoltam én ilyenre, hogy van piros festékem(fújós). Hogy azzal lefujnám, és voálá piros lenne. Csak azon gondolkodtam, hogy az nem kezd el olvadni-e tán?
Vagy valamivel, ami nemátlátszó lefedni. De mivel?
Szóval tudtok valamit tanácsolni?
(#) besi99 válasza Gery hozzászólására (») Dec 22, 2008 /
 
tán alufólia? próbáld meg hátha nem pukkan el,Festék simán leég
(#) Gery válasza besi99 hozzászólására (») Dec 22, 2008 /
 
A festék szerinted is leég? Akkor azt hagyom. Amúgy amint elküldtem az üzit nekem is alufólia jutott eszembe. Csak sehogyse tudtam rögzíteni, ahogy becsavartam lecsúszott. Majd egy vékonyka 1erese 1szálas kábelt leblankoltam és azt rátekerve rögzítettem.
Mindenesetre biztos jobb mint volt... De miért pukkanna el?
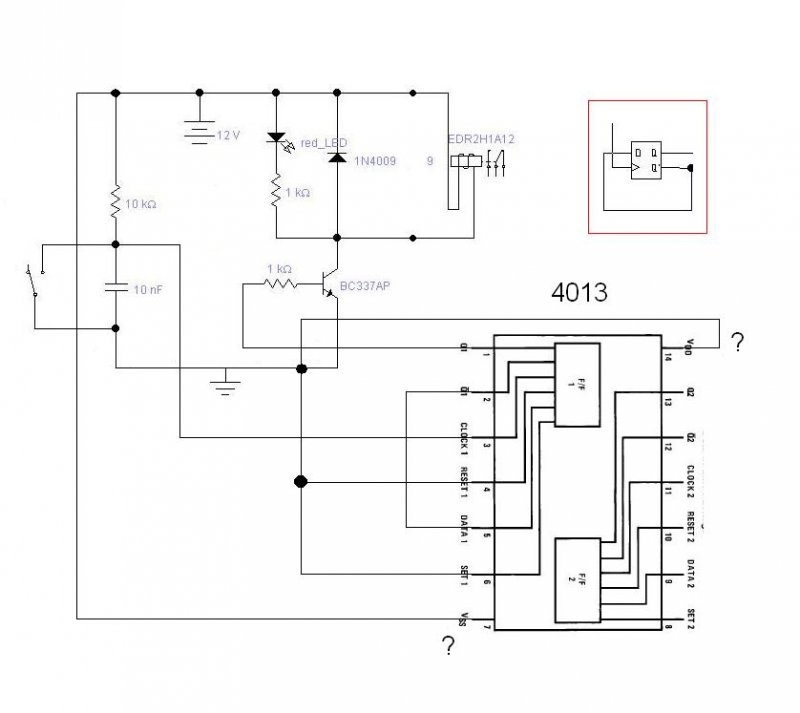
(#) CsekmeCsaba hozzászólása Dec 22, 2008 /
 
Sziasztok egy gyors kérdés az icénél a Vss és a Vdd negatív és pozitív. De melyik melyik mert elfelejtettem.
Előre is köszi.
(#) Medve válasza CsekmeCsaba hozzászólására (») Dec 22, 2008 /
 
(#) tom75 hozzászólása Dec 22, 2008 /
 
Nagyon kezdő vagyon hogyan tudok háromszög vagy szinusz jelből fűrész jelet előállítani?
Diódás határolóval levágom egy schmit triggerbe átalakítom?

Köszi
(#) totti91 hozzászólása Dec 22, 2008 /
 
sziasztok
az ilyen ledek rontják a látásom vagy van valami egészségügyi roncsoló hatása?
(#) besi99 válasza tom75 hozzászólására (») Dec 22, 2008 /
 
A kérdésed sem az igazi; azt szeretnéd, hogy a szinusz vagy háromszög jel inditson egy bármilyen fűrészgenerátort, vagy szinkronizálja?
Kérdezz pontosabban!
(#) totti91 válasza (Felhasználó 13571) hozzászólására (») Dec 22, 2008 /
 
valójában a szobámba akarom berakni mint fénytechnika..de ha gáz akkor inkább veszek egy uv csövet
(#) totti91 válasza (Felhasználó 13571) hozzászólására (») Dec 22, 2008 /
 
értem..akkor maradok az UV csőnél, az legalább nem fogja kinyírni a szemeim
(#) CsekmeCsaba hozzászólása Dec 22, 2008 /
 
Sziasztok Kéne egy kis segítség de nagyon van ez a kapcsolás megépítettem de nem nagyon akar működni mikor kapcsolgatom akkor hol bekapcsol hol nem.
Elmondom hogy minek kellene van egy távirányítós modulom és mikor megnyomom a gombot akkor jön egy 12 v os jel ez az S1. és ha még egyszer megnyomom akkor megint jön egy 12 v os jel S2. Kellene egy ojan kapcsolás nekem ami ezekre a jelekre bekapcsolna egy relét meg ki.
(#) Gyurix hozzászólása Dec 22, 2008 /
 
Ha egy erősítőbe 1 ohm-os 5%-os toleranciás ellenlás helyett 1%-os 1 ohm-os ellenállást rakok akkor ugyan ugy fog működni az erősítő vagy nem is fog tőle működni?
(#) Sir-Nyeteg válasza Gyurix hozzászólására (») Dec 22, 2008 /
 
Ugyanaz az alkatrész, csak pontosabb, többet szöszöltek vele a válogatáskor.

Működni fog!
(#) Gyurix válasza Sir-Nyeteg hozzászólására (») Dec 22, 2008 /
 
oké kössz

(#) dcsabesz hozzászólása Dec 22, 2008 /
 
Sziasztok!

Elősször is azzal kezdeném, hogy nem vagyok gyakorló elektromos szakember, de azért egy diódát meg tudom különböztetni egy ellenállástól. Ha nem sikerül szakmailag kifogástalanul fogalmaznom, nézzétek el!
Szóval a kérdésem abból ál, hogy van egy trafóm és egy kisgépem, aminek nem lehet szabályozni a fordulatszámát (gyárilag). De tudok-e tenni valami azért, hogy csökkenteni tudjam a fordulatszámot?
Infó a trafóról: Bővebben: Link
A képen lévő trafón már látható egy gomb, amivel ezt a szabályozást már megoldották.
És infó a gépről: Bővebben: Link
Az oldal legalján lévő rezgőcsiszoló.
A trafó 12 v-os 2A terhelhetőséggel a csiszoló 12 V-os és 10 W teljesítményt vesz fel.
És ez volna a kulcsszó: "[b]Tirisztorvezérlésű elektronikus szabályozás ( teljes hullám elektronika visszaszabályozó effektussal ) a munkának megfelelő fordulat és nyomaték az alsó tartományban."[/b]
Szóval egy olyan egységre gondoltam amit a trafó és a gép közé illesztek és ha tekergetem változik a csiszoló rezgésszáma.

Remélem van megoldás erre a problémára!?
Köszönöm előre is.
dcsabesz
(#) tom75 válasza besi99 hozzászólására (») Dec 22, 2008 /
 
Fűrészjelet szeretnék előállítani.
(#) besi99 válasza CsekmeCsaba hozzászólására (») Dec 22, 2008 /
 
olvasd el az 555-ről szóló forumot, szinte neked találták ki, ámbátor 2 tranyóval is meg lehet csinálni
(#) besi99 válasza tom75 hozzászólására (») Dec 22, 2008 /
 
olvasd el az 555-ről szoló forumot, az időzítő kondiján astabilban mindig fűrészjel van
(#) jdani hozzászólása Dec 23, 2008 /
 
Hali. lenne egy egyszerű kérdésen. Itt az oldalon, meg-e lehet tanulni a PIC vel bánni egy olyannak, aki azt se tudja, hogy eszik-e vagy isszák-e a PIC-t? és ha igen akkor hol kezdjem?
(#) t1szabcsi hozzászólása Dec 23, 2008 /
 
Sziasztok.
Lenne egy kérdésem nekem is, remélem tudtok segiteni.
Fényképezőgéphez szeretnék időzitőt csinálni, a távezérlőre szeretném rákötni. A lényeg hogy 2 vezetéket zár össze a távvezérlő es akkor csinál a gép egy képet. Azt szeretném hogy egy olyan elektronikát kötnék rá ami állitható (10mp 20mp 30mp 1perc) időközönként állandóan zárná ezt a két vezetéket. Néztem az időzítő áramkörnél az 555 ic vel készültet és szerintem ezzel is meg lehetne oldani, több ellenállással, és kapcsolási lehetőséggel. De annyira nem ertek hozzá tudnátok segiteni hogy hogy tudnék egy olyan elektronikát csinálni ami állitható időközönként összeköt kb 1 mp re egy áramkört.
(#) mex válasza t1szabcsi hozzászólására (») Dec 23, 2008 /
 
hello. 2db 555-re van szükséged,vagy egy 556-ra.
Az első időzitő astabil módba beállitva vezérelné a második időzitőt ez pedig monostabil kapcsolásban adná az 1másodperces jelet,akár egy relén akár egy nyitott kollektoros fokozaton keresztül kapcsolná a fényképezőgép kioldógombját. Milyen tápfeszültségről üzemeltetnéd az időzitőket?
(#) besi99 válasza t1szabcsi hozzászólására (») Dec 23, 2008 /
 
vagy vekker, -az csörög is, vagy 555
(#) mex válasza besi99 hozzászólására (») Dec 23, 2008 /
 
Kissé macerás lenne a vekkert 10másodpercenként beállitgatni nem gondolod?
(#) monarovauxhal hozzászólása Dec 23, 2008 /
 
Sziasztok, mivel nem találtam ennél értelmesebb topicot, ezért ide írom, van 2 db NEC d1691 tranzisztorom, működőképesek, csak nem találtam hozzá semmiféle számomra értelmes infot, csak itt van 2 db datasheet, ez + ez, tudnátok belőle valami hasznosat mondani nekem, hogy, pl neme lehetn belőle esetleg erősítőt építeni? vagy bármi hasznosat, mert itt állnak szerencsétlenek
(#) T0m1c hozzászólása Dec 23, 2008 /
 
Hali,

Zománc húzalt hol kaphatnék? Kik foglalkoznak vele?

üdv!
(#) kaqkk válasza t1szabcsi hozzászólására (») Dec 23, 2008 /
 
Itt a segédprogramokban lévő 555 astabil kapcsolás jó neked a következő adatokkal
10sec R1 300 kOhm
20sec R1600 kOhm
30sec R1900 kOhm ezek helyett tehetsz 1 MOhm-os trimmerpotit
R2 33 kOhm
C 47 uF
(#) besi99 válasza monarovauxhal hozzászólására (») Dec 24, 2008 /
 
éppen lehetne, a kabátgomb már megvan, hol a kabát?
mono végfoknak is lehetne használni de eléje két
Npn kisteljesítményű tranyó kéne. Ez nem baj, de hol a táp? Középen fenn találtok kapcsolásokat, gyüjteményt, katalógust. Ennél2-5W-ra lehet számítani, keressetek az oldalon!
(#) besi99 válasza T0m1c hozzászólására (») Dec 24, 2008 /
 
Az ünnepek után előkotrom a címet, nevet, Kb 2-2,5e kilója
Következő: »»   360 / 4047
Bejelentkezés

Belépés

Hirdetés
XDT.hu
Az oldalon sütiket használunk a helyes működéshez. Bővebb információt az adatvédelmi szabályzatban olvashatsz. Megértettem