Fórum témák
» Több friss téma |
és egy 16 szoros dvd lézer 190mA on hajtva, az mit tud? füstöl a fekete szikszalag? gyufát gyujt?
Ha jól befókuszálod, akkor igen. Gyufát gyújt és szigszalagot éget
királyság
holnap teszek fel róla képeket hátha érdekel valakit ![]() további szép estét heló
És félkész, és kész állapotban
SZiasztok.Az lenne a kérdésem,hogy épitettem egy dvd irobol kiszerelt diodával lézert.nagyon jol sikerült ,égeti a fekete tárgyakat 1méterröl ,lufit durrant stb.Aproblémám az ,hogy a fokuszt mindig állitanom kel.Nem igazán tudom elérni ,hogy nagyjábol párhuzamos legyen a fény .Mi lehet a gond,talán a kollimátor lencse nem megfelelö?köszönök minden segitséget.
Ha beállítod a fókuszt pl 2m-re, kkor ott lesz a gyújtópont, ott lesz a legerősebb, viszont ha te 1m-re teszed a szigetelőt vagy lufit nem fog történni semmi, mert ott még nem olyan erős a fény, nem ott gyűlik össze az összes fény.
Tehát minden távolságnál újra kell fókuszálni, ha azt akarod, hogy a táv legvégén legyen a legfényesebb, legerősebb, hogy ott legyen gyújtópont.
Köszönöm szépen értem.Hogy érik el a pointetereknél,hogy szinte egyenletes a fény átméröje 5-6 méteren?
Beállitottam 2 méterre de ott már nem olyan pici a gyujtopont.Ez miért van?köszi
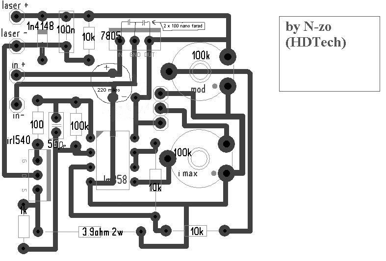
szép lett de a helyedbe a 7805 után kiszedném a mikros kondit inkább elé rakd mert ha utána rakod a mikrosat rezgőkör alakul ki és pl ha a végén beállítod mondjuk 200 mA-re az pár megaherzen már lead 300-at is amit csak szkóppal tudsz kimérni én így küldtem el egy pár 808 nm-es diódát is és a végén derült ki a turpisság.
Ezt Szupepe mondta nem én találtam ki és kiszedtem a mikrost és lám azóta nem szállnak el kis idő mulva sem a diódák.
megnéztem a maxot, 50 mA ig megy fel leddel
most már csak egy lézer diódát kéne beszereznem,...
ezt lerészletezhetnéd ezen a képen rajzold át nekem hogy mit hova kell átrakni, vagy kivenni, és mi kell a helyére,... kösz
Ehun e lerajzoltam hova érdemes kötni a 220 mikros pozitívját és nem árt a rajzolt ábra képpen bekötni két darab 100 nanos kerámia kondit a test kimenet és a test bemenethez a 7805 re de ha már itt tartunk akkor a 220 mikros helyett legalább egy 1000 mikro 16 voltos kondi jobb szűrés lenne.
és ha igy marad, akkor az azt jelenti hogy ráteszem a lézerdiódát, beállitom a 190mA etr és nem is annyi?
akkor megint felteszem a kérdésem, mint régebben ha olyan sokan használjátok ezt az áramkört akkor mért csak most derül ki hogy nem is jó? ez azért megint csak eléggé bosszantó,... mivel már kész van, alkatrészeket budapestről rendeltük, balatonon nemigen kapni ilyen dolgokat,... akkor most mi is van? *** az egész igy? A stílusodra ügyelj egy kicsit, hadd ne soroljam. -- kobold
de mondjuk nem igazán értem, azt írtátok hogy akármit kötünk a kimenetre akkor is a beállított áram jön ki, akkor leddel 50 mA a max, akkor hogy lesz abból 19mA mondjuk? valaki elmagyarázhatná,....
multiméter nem tud magas frekvenciában áramot mérni.az hogy mennyi megaherzen rezeg az nagyban függ a kondi kapacitásától.
nem biztos hogy akkorát ugrik nagyomm frekvenciatartományban az áram. nekem a 808 nm-es diódánál számított akár pár tiz miliamper is és kész. nem biztos hogy hamar kimegy attól a dióda de a legbiztosabb ha a stab előtt van a kondi és nincs több felesleges kérdés. Át kell olvasni a 7805 adatlapját.
Szerintem meg kellene nézned mostmár, mit is jelent az, hogy áram és feszültséggenerátor.
mindegy ha másnak jó átalakítás nélkül akkor nekem is jó lesz, max. nem centizem ki a dióda mA szükségletét hanem kicsit kissebre állítom és kész,...
és akkor talán a dióda is bírni fogja sokáig,... kösz
elmesélhetnéd nekem, mondtam hogy nem vágom az egészet, de szerintem szép teljesítmény tőlem hogy már kész, és elvileg működik is, csak vannak dolgok amiket nem értek, ezért kérdezek,... de szólj ha baj, mert akkor nem kérdezek többet,... mondjuk ugytudom hogy a fórum azért való hogy kérdések, és válaszok legyenek rajta,...
helo
Szerintem egy kicsit meg zavar hogy egyszer ezt halod egyszer azt! Ez szerint probáld be álitani az áramot laser áram beálitása it az odalon infra diodára szol persze az áram paraméter ! Nálad valoszinü piros dvd dioda 16x irobol az kb 150mA ne adj töbet jó tanács! :yes: B.Ú.É.K üdv dvdlemez
A topikban számtalanszor el lett mondva (amit állítólag végigolvastál) mi miért van, hogy működik, töviről hegyire. Igen, ezért van a fórum.
A googlét meg sem merem említeni. Idézet: „de mondjuk nem igazán értem, azt írtátok hogy akármit kötünk a kimenetre akkor is a beállított áram jön ki, akkor leddel 50 mA a max, akkor hogy lesz abból 19mA mondjuk? valaki elmagyarázhatná,....” Ezt a kérdést úgy nem értem, ahogy van, de akkor elmondom hogy működik a dolog. A dióda közvetlen áramgenerátorra van kötve, ami normál esetben üresjáráson tápfeszültséget ad a kimenetén (a szupepe féle generátor annyiban különbözik, hogy 0-ra tekerve nincs tápfesz a kimeneten, hanem 0V van, így rá lehet kötni a diódát letekerve) Az áramgenerátor változó terhelő ellenállás hatására (dióda esetén hőmérsékletváltozás) feszültségváltoztatással reagál. Egy ideális áramgenerátor akkor is leadja azt az áramot, amit beállítottak rajta, hogyha a világ két túlsó oldalára helyezik a kivezetéseket, és akkor is, ha rövidre zárod. Ezzel szemben a valóságos áramgenerátornál az őt meghajtó feszültséggenerátor feszültsége a limit (na meg egy két gyakorlatias dolog az áramgenerátor felépítésével kapcsolatban, de ez itt nem fontos). Ebből kikövetkeztethető, hogy ha egy 5V-al meghajtott áramgenerátoron beállítasz 1A áramerősséget (tekintsünk el az áramgenerátoron eső feszültségről), akkor 0-5 ohmig stabilan képes tartani azt. De ha 5 ohm fölé mész akkor az áramgenerátor hirtelen feszültséggenerátorrá alakul át, hiszen ő megpróbálja az 1A-t áthajtani pl 10 ohmon, de mivel a tápfeszültség limitálja a kimeneti áramot (ohm törvény), ezért az áramgenerátor kimenetén mindíg 5V lesz (5ohmnál nagyobb terhelés esetén). Ha te olyan LED-et kötsz rá, ami a te áramgenerátorod tápjának feszültségével összemérhető feszültséggel működik, akkor az áramgenerátor nem fog jól működni. Ezért szokás rövidzárral nézni az áramgenerátort, mivel az kéznél van, és nem mérhető össze a tápfeszültséggel. Amit Djatis mond, szerintem fogadd meg, nem kell módosítgatnod semmit rajta, ha stabil az áramgenerátor előtt lévő feszültséggenerátor, akkor nem kell pufferkondi sehová sem.
Köszönöm a kielégítő választ,...
ott mondjuk 190mA t akartam írni,... majd kipróbálom vasdarabbal a mérést, kíváncsi leszek, nem fogok változtatni rajta, kész van és kész, és bízom abban hogy a pc táp eléggé stabil,.... köszi
megmértem az áramot vasdarabbal, meg anélkül is, meg leddel is, és mindenhogyan csak 50 mA jön rajta maxon,....
akkor most mizu van ezzel? jó vagy nem jó? nem 350 mA nek kéne maxon jönnie?
tedd rá a diódát és meglátod jó lessz
az lesz, csak nem vok nyugodt hogy jó e szerinted tényleg jó így? ha dióda rá lesz kötve akkor több lesz a mA?
|
Bejelentkezés
Hirdetés |




holnap teszek fel róla képeket hátha érdekel valakit 









