Fórum témák
» Több friss téma |
Fórum » Keverőpult építése, javítása
egyszerübb lett volna, ha az oldalt is berakod nem ?
rajzokon nincs semmi adat :no: :no: ....tessék ITT az oldal, kompletten :worship::worship: eltüntek a csatolt képek
Javítottam!
Gyerekek... ha tényleg nincs semmi adat rajta, akkor minek teszed be mellékletként. Lemented a gépedre, aztán meg feltöltöd ide?? A oldal mérete sem végtelen... Azért áljunk meg mostmár lassan a 10.giga fórum file mellékletnél ![]() Ha a kép megvan weben, tessék onnan belinkelni!!!!!!!!!
de akkor nem lesz f**za csávó :no: , mert nem ő rakta be/fel
amugy eggyet értek veled!:yes: 10gb ?
Szia
Igen tudom el felejtettem mert csak a kapcs.rajzot töltöttem le én szerintem jó keverő de mindenkinek lehet véleménye.
én megnézném mer én is valami ilyesmit szeretnék építeni .küld el a rajzot
köszi
Szia.Én erre kíváncsi vagyok mert én is szeretnék egy keverőt fabrikálni csak eddig nem nagyon vannak rajzaim.
Köszi
Én is szeretnék a zenekarnak egy keverőt építeni.
Tetszik ez a megoldás nekem is. Link
Az előbb elfelejtettem bejelentkezni.
Jó pár éve építettem egy erősítőt, annak a mikrofonbemenetén van ez az mikrofon-előerősítő.
Ha keverő akor legyen rendes Phantom tápja is és rendes előerősítője is.
Elöbb találtam ezt a LINKET amiben elég furán oldották meg a 39 volt létrehozását, érdemes tanulmányozni...
Ja!
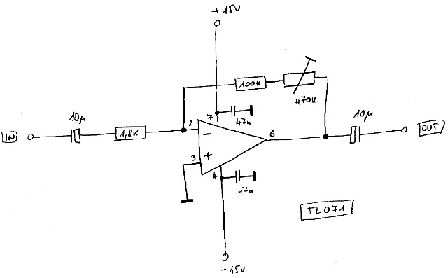
Nincs fesz-különbség a + és - fázis között ezért nem lehet aszimmetria sem, sőt, mivel a két 6,8k-s ellenállás közös pontján a szimmetrikus jel miatt elméletileg mindig 0 a jel, ezért a csatornák közt sincs áthallás. Ugyanakkor érdekes a zénerekkel alkotott limiter is, nem száll el az IC bemenete!
Üdv! Nemrég kaptam egy befejezetlen keverőt. Rá van írva, hogy hobbielektronika 4 sávos keverő. ez gondolom, valami gyári mutatvány lehet. Ha ez mond valakinek valamit, akkor fel is teszem a kérdéseimet: Milyen IC-k kellenek bele? Esetleg van e valakinek valamilyen rajza róla?
Köszönöm a segítséget!
Hajaj! Ezt így elég nehéz lesz beazonosítani...
Esetleg valami fotó, vagy egyéb nincs róla? Úgy - talán - könnyebb lenne. Mit értesz az alatt, hogy befejezetlen? Hiányoznak belőle alkatrészek? (Gondolom, igen, mert hogy nem tudod, milyen IC-k kellenének bele...)
Őőő kép... Majd talán holnapra hozok egyet, mert itt nincs.
Az Ic-k hiányoznak, meg a potik, de azok megvannak, csak nincsenek beültetve.
NYÁK 002.jpg
valami ilyesmi?? ha igen akkor itt a kapcs rajza:Kapcs kev. 001.zip ez is az ha minden igaz üdv talán ez az..
Szia! Már majdnem bedőltem, de nem ez az! : (
Maga az erősítő rack széles. Quad 405-ösök vannak végfokként, és a keverő rész nincs még kész. Azt hiszem 10 tolópoti van rajta. Nem tudom, minek a 4 sávhoz, meg van valami átkapcsoló, meg ilyesmik. Holnap dobok fel róla egy képet. Azért köszi!
hát akkor még is csak ez lesz na mind 1 majd holnap...
ezen 10 toló poti helyvan!... s meg hobbielektronikás...... nem hagytam ki!!!ebben a 27976 hsz-ban van! meg se nézted ezek szerint, peddig egyezik szentem az elmondásod szerint!
De megnéztem, de nem az... : ( Azt hittem, hogy a (#27987) üzidben akartál felraki egy másik linket, de csak félreértettem a mondatot.
A képet még nem tudtam hozni, mert a fényképezőgéppel is meggyűlt a bajom, de igyekszem.
Hello! Sikerült behoznom egy képet: Itt
Nekem megvan a teljes leírás csak most nyincs időm bescannelni.
ne5532 ic-k vannak benne Amugy szart nem ér szerintem.Nekem egy törött panelesem van alkatrésznek már.Valami zenekari keverőnek szánták.
Mind a 10 Ic ne5532?
Na jó... várok a leírásra. Köszi! Nekem is csak zenekari keverőnek kell, meg, esetleg, hogy ne kelljen össze-vissza dugdosnom a kábeleket, ha a megnót, vagy a cd-t, vagy a gépet szeretném hallgatni.
Üdv! Nemrégiben építettem egy 2X4 sávos összgzőt, és elgondolkodtam egy kicsit, hogy ezt lehet e bővíteni. Mármint 2X8 sávosra szeretném csinálni. Annyi kéne nekem.
Gondoltam, hamár a bemenetek úgyis párhuzamosan vannak kötve, nem lehetne e a 4 helyett 8 bemenet. A kérdést azért teszem fel, mert nem tudom, hogy az IC bírná e, vagy van olyan IC, ami kimondottan több sáv összeadására alkalmas? Köszi! Üdv!
Hali!
Szeretnék segítséget kérni. Találtam egy keverő kapcsolási rajzot, amit megszeretnék építeni. tudna vki véleményt mondani róla hogy működni fog stb. stb.. És a lenti rész elmagyarázná vki mert nem nagyon értem! Előre is köszi!
Működni fog.
A lenti részben megfelezik a tápfeszt két ellenállással és rákötik a neminvertáló bemenetre. Így mindkét műveleti erősítő kimenetén 4.5V lesz, ha nincs a bemeneten semmi. Ez azért jó, mert a bemenet + és - irányba is változhat, és nem kell szimmetrikus táp. A műv. erősítő kimenete csak a + és - táp közt mozoghat. Ha a neminv. bemenet csak simán a földre lenne kötve, akkor a bemeneti szinusz negatív részét simán levágná. De így a bemeneti szinusz a 4.5V-ra szuperponálódik, tehát kb. -4V-ig még nem vágja le az alját. A fokozat végén természetesen el kell távolítani az egyen összetevőt, ezért van ott a soros kondi a 2. OPA kimenetén. Ha szimmetrikus tápról járatnád a OPA-t, akkor lehet a földre kötni a neminv. bemenetet, és nem kell a kimenetre a kondi sem.
Köszi a segítséget, most már világos. Lenne még1. A szöveg részében mint írnak a gainról? Nem nagyon értem ezt sem. Köszi!
Idézet: „*.BMP” *.JPG, *.GIF :yes: :yes: :yes: A többit meg a modik intézik...
Nem sok fontosat...
PLD: Egyszerű jelkeverő, amely alkalmas mikrofon és effekt jelek keverésére. aszem Egységes erősítés a bemeneti jelen. A bemeneti jelszintet a 10K-s lineáris potival lehet beállíteni. /értéke igény szerint módosítható/ A kép közepén van egy Idézet: , ezzel lehet a kapcsolás jelerősitési szintjét módosítani...„Gain < hanping resistor” és a legvégén Jfet bemenetű dupla opa-t javasol, és ezek lehetnek PLD: Mational Semi LF3xx, vagy lehetnek még TL072 vagy TL082. Naggyából erről lenne szó. De én sem vagyok perfekt angolos...
A szöveg szerint: "A bemenet és a kimenet közti erősítés 1, ha a bemeneti potik teljesen fel vannak tekerve. Ha a 2. OPA bmenetén lévő ellenállást 10K-ra csökkented, akkor 10-szeres (20dB) lesz az erősítés."
Megjegyzem, a bemeneti potik bármely állásában is 1 az erősítés, nemcsak feltekert állásban. |
Bejelentkezés
Hirdetés |




semmi adat :no: :no: ....







