Fórum témák
» Több friss téma |
azt énsem tudom, hogy mekora áram folyik azon..
csak aztfeltételeztem hogy 20mA nál több nem folyhat be az IC be, de ahogy látom az egyik grafikonon, lehet több is (ez a rész nem tejesen egyértelmű nekem az adatlapban) nem egyszerű ez a rész, az ICbe befolyó áram 2 felé folyik: egyik az IC részegységei felé, a másik a fölösleges áram az a söntszabályzón elfűtődik, ha a részegységeknek több áram kell, akkor a söntön elfűtőtő áramból nyúlja le (így jólenne tudni menynni a maximum áram ami a részegységek felé folyik és mennyir bír a söntszabályzó..). az adatlapban az áll, hogy 20mA ICbe befolyó áramnál 5,5V a amximális feszültésg. így én ezt vettem alapul. De ahogy látom a söntszabályzó elbír többet is, mint 20mA, így 18V-5,5V / 20mA el is számolható (nem kell rászámolni 10% ot) = 625 ohm (620 vagy 680 ohm...)
Sziasztok !Van Nekem egy gyermekmotor akkumulátorom,sajna töltő nélkül. Nem tudom milyen aksi tettem fel egy képet róla! Ehhez szeretnék egy egyszerü de jó töltőt csinálni ,ami azért elég hamar feltölti. Ha valaki tudna nekem segíteni ,annak nagyon köszi
Kezdem érteni, elnézést kérek hogy ilyen érthetelen voltam, de szerintem jobban jártam így hogy valamennyit Én is agyaltam vele, mintha valaki iderakott volna egy kapcsolást és kész!
Lerajzolom Nrmálisan hogy akkor mi merre hány méter és akkor még megmutatom!
Ez nem éppen ebbe a topikba való.
Egyébként építsd meg ezt. Ez gyorsan fel fogja tölteni, és nem is tesz benne kárt. Ja, az akksit ne melegítsed a radiátoron, mert zokon veszi, és nem lesz mit töltened.
Nah, akkor kész a rajz, az egyik része ugye már megvolt, de így most akkor oké? az így már jó nem?
igen eddig jó de még nincs kész!
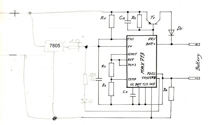
ottvannak még a PGM 0 1 2 3 lábak... és a Fastchg (8as láb) a töltésjelző ledhez. a 2n6109 et nemhiszem hogy kapsz, cseréld le egy BD234 / 236 / 238 ra.. van egy kondi a CC lábon azt növeld meg 15nF fölé pl 33nF..
jaa tényleg a papíromon befírkáltam a LED-et oké az megvan, és mi az a PGM 0 1 2 3 lábak?
Az látom hogy 3-4-9-10-es lábak
A PGM2-3 valami feszültség változás
A PGM0-1 az meg az áramkorlát beállítás?
adatlapot kiyitod az 5. oldalon le van írva, hogy melyik mire jó, a 6. oldalon pedig a beállításaik.
PGM 0 és 1 el a cellaszámot lehet beállítani PGM 2 és 3 a tervezett kb-i töltésidőt (mintavételezés időközét), és neked voltage slope termination engedélyezett kell elgyen (enable), ez a feszültség csökkenés érzékelését engedélyezi a töltés végén. (+PGM3 a csepptöltés áramát is állítja a 2. oldalon a táblázatban benne van hogy PGM3 érékétől hogyan függ a söntön eső feszültésg, így az áram is.) pl nálad a 6 soros cellához PGM 0 és 1 nc/üres/nincs bekötve az akkupak ránézésre 600-800mAh körüli lehet töltőáramot 500mA rre választottad így a töltésidő tervezett értéke 600 (tól 800) mAh/500mA az 1,2--1,6 óra = 72--96 perc, azt is írja a nagykönyv, hogy a táblázatból ennek az 1,5-2 szeresét válasszuk ki --> táblázat --> 132 perces töltésidő, 84 másodperces mintavételezés PGM 2 az akku-/batt- pontra PGM 3 referenciára de lehetne a 180 perces töltésidőt is választani hátha nagyobb az akkupakk...
Oké LED megvan
PGM0-1: Nc PGM: REF PGM2: batt- Re megvan Rsönt is megvan így már oké nem?
ha a BD tranyó és a CC lábon lévő kondenzátort is módosítottad akkor oké, a ledet hova kötötted?
A 8-a lábra kötöm a LED katódját, persze ahhoz is rakok egy ellenállást.
Igen a Tanzisztort kicserélem. De a cc lábnál miért változtatom a kondit? mekkorára?
írtam 15nF nál nagyobbra pl 33-100n
és a led anódja az ellenállással hova megy? V+? jaa a tranyóra kell egy kisebb borda, legrosszabb esetben 8W ot elfűt ..
OOHH hogy vakuljak meg, bocs!!!8-as a LED katódja utánna ellenállás és az ellenállás másik vége az meg az R1 és a C1 RC tag közé.
az ott ebben az esetben nem lesz jó helyen.
mert amikor a led elaludna, akkor az ő árama is a söntszabályzóra kerülne, ami + 20mA kb vagyis mégegyszer annyi mint amire számoltunk (az előtétet is át kellene méretezni hozzá..) már ésszerűbb lenne betenni egy 7805 öt kis hűtéssel (max 1,5W..) kimenetéről 1 ohmmal a V+ ra, és 150ohmmal a leden keresztül a 8 as lábra. és akkor biztos nincs probléma a táppal...
ja igen a CC lábon lévő kondi az áram erősítő hurok begerjedését akadályozza meg.
a tranzisztor kicserélése, miatt kell kicsit növelni...
Oké. Akkor 7805 kimenete megy 2 ellenállásra (1. 1ohm-> V+-ra, 2. 150ohm--> LED)
GND föld In ugye a bemenő fesz.
ja stimmel,
A 7805 bemenete a 18V DC re megy... egyébként az a 10µF nemszükséges az akku+sönttel párhuzamosan (nem lesz töltés közben tehelve az akku)
Értem, oké, akkor mégegy rajzot csinálok mert már 2 A4-es össze vissza van
![]() Most ez a cella választás nyomja az agyam..... ha már lesz akkor legyen komoly.... akkor nem csak 7.2 V-os akkut lehetne tölteni nem, ha variálok a PGM cuccokkal?
jaja pontosan
még az elén felvetettem hogy a PGM lábakat (mind a 4 et) ki kellene vezetni külön, hogy univerzális legyen a töltő. ha más nem akkor 4*4 jumpertüske és 4 dugasz vezetékkel a PGM ekhez... neizgulj én kilóra firkálom szét a féloldalt elnyomtatott A4 es lapokat, aztán mennek begyújtani a kályhába.. nem vész kárba..
oké kivezetem! mind a 4 PGM-et jumperre!
Rendben, akkor ez így mostmár nekem fog működni? A kivezetéses témára még visszatérünk, előbb ezt megcsinálom így, mert ez ugye nem nekem lesz, oda meg csak ezt kell alkalmazni.
illene működnie! de kiderülni csak akkor fog, ha összerakod. (nem sok eséylt látok arra, hogy ne működjön..)
OKÉ!Na most szerintem akkora köszönettel tartozom hogy nem igaz! Meg persze akkor is amikor már működve látom!
Na akkor egy ultolsó szemlét kérek szépen!
A tápot fölé rajzoltam, de az most nem látszik, de az csak egy graetz és egy puffer.
csá
R1 nemkell! a 150ohmot az 1 ohmos másik végére kösd (7805 kimenetére) a többi jó .
akkor köszönök szépen mindent, amikor megcsináltam jelentkezem!
Üdv mindenkinek egy kis segítséget szeretnék kérni,szükségem lenne egy 18V 1,2Ah Ni-Cd fúrógép akkuhoz egy automata töltőre,ha esetleg valakinek lenne hozzá panelrajz is az még jobb lenne,előre is köszi mindenkinek
Egy Ni-Cd akutöltő kapcsolási rajzára lenne szükségem,12V 1.2Ah. Előre is kösz. (fúrógéphez kellene).
Hali mindenkinek, van egy 9.6 voltos akkupakkom, ezt szeretném feltölteni egy hálózati adapterről az akksi 1700mAh-s NICD. Valaki tudna segíteni mekkora ellenállást tegyek a töltő és az akksi közzé, hogy +-170mA-el töltsön?
Aválaszokat előre is köszönöm |
Bejelentkezés
Hirdetés |





és akkor még megmutatom!








