Fórum témák
» Több friss téma |
Fórum » 5 KW-os inverter
Témaindító: Gipszi Jakab 2, idő: Aug 4, 2006
Témakörök:
Helló Mindenkinek !
Az lenne a problémám,hogy az ÉD*****ÁSZ nevezetű kis szösszenet nagyon sokér adja a villanyt Az-az elgondolásom támadt,hogy NAP ELEM (persze jó sok)--->Vezérlő(Akksi töltéséhez inverterhez)---->és ugye maga az 5000 W -os inverter !!! nem elírás 5 KW-os inverter persze nem ekkora full állandóan a terhelés! Vagy lehet,hogy ez SOKKK Na itéljétek meg és ötleteket várok ! A dologban annyi változás még lehet,hogy ehy 2 KV-os bridge motoros generátort is valahogy bekéne iktani persze szabályosan ! Lehet,hogy tulzás amit itt leírtam de akkor kérnék javaslatot mit hogyan ![]() Janno
szerintem ennek a cuccnak az árából minimum 50évnyire elegendő áramot vehetsz az egész házank.
jó sok napelemet honnan tudsz szerezni?
amikor 5 db szolár(?) lámpa a hódban 2500huf és egyben van 3.6V -os napelemes cella ami ~ 100mA-rel tölti az elemet.. és éjjel vílágít.. számoljunk... tehát 1 csomag 2500 ami: 3.6V - 500mA vegyünk 2-t akkor már lesz 1 A és 3.6V ami 3.6W neked 5000W kell -> 5000W/3.6W az ~1389db*5000ft =6 945 000FT és ekkor CSAK 3.6V od és 1389A-od van :yes: ezt át alakítod 230-ra lesz veszteséged... szóval TE házilag ~40 Ft ért NEM állítasz elő 1KW áramot óránként! vagy ha előállítasz nem a TE idődben fog megtérülni :yes: de lehetséges természetessen.. ![]() amugy... 6 945 000FT ért -> 173 625KW áramot kapsz min. vagyis ~47 év (17362,5 nap) ig elegendő :yes: napi 10kW -al számolva.. TE meg 5kW -ot állítasz elő csak.. remélem jól számolgattam üdv
Szerintem egy szélerőmű olcsóbban kihozható. Persze nem tudom, hogy nálatok mennyire fúj a szél.
De ne a gagyi kerti lámpából indulj ki! Lehet kapni nagy napelem paneleket. De azoknak az elévülési és megtérülési ideje ~20 év.
Persze nem 100K-ért van egy ilyen napelem panel hanem sokkal drágább. Igazából jó az ötlet, de sajna házilag "kis pénzből" nem nagyon megvalósítható. Inkább a hütés-fütés energia gazdálkodáson kéne sporolni.
elszámoltad magad a 47 évnél. Szerintem kevesebbre elég, mert 4 évente szökőéve van, Szabikám!
![]() Szerintem ekkora dimenzióban megvalósíthatatlan a projekt!
csá ha nagyon építhetnéked van ....
akkor inkább ajánlom a ezt vannnak működő cuccok meg ami üzemképesnek tűnik jah és ingyenadja az energiát ez a lényeg
hmmm
nem hiszem ![]() én írtam 47ÉVET??? kb 47évet írtam! amugy... 45*45 mmes gondolom a napelem.. vagy is 56,2545 négyzetméter a 2778db napelem felülette! vagy is 1 napelem szélességben 12.5 KM hosszú! üdv
Üdv !
Mondok egy tippet. Veszel 4 db 1000w -os szünetmentes tápot aminek kikötöd a csipogólyát. mindegyiket megspékeled megfelelő teljesítményű lehetőleg klóros akksival ami nem olcsó de sokáig bírja és nem merül hamar jól veszi a töltést akár 10 15 évig is kitart. mindegyiknek külön építesz napelemeket töltésre. és a szünetmenteseknek a tranyóit jóval nagyobb hűtőbordákkal illetve hűtöventillátorokkal ellátni. és megosztod a házban az ajzatokat hogy külön külön rá tudd kötni teljesítmények szerint külömböző konektorokra vagy konektor csoportra. Nembeszélve arról hogy még lehet háromfázisú rendszered is ami elhajt akár egy kompresszort is persze a teljesítményed függvényében. Szünetmenteseket érdemes olcsóbban bontókban megvenni mert nagyon olcsó csak az legyen a baja hogy az akksija kimúlt. és már mehet is a dolog. A napelemek amik drágábbak lesznek. De nem hiszem hogy annyira. de szerintem ne használj olcsó napelemet szolár lámpából mert az nem fogja bírni egy évig sem . Inkább költs egy picit többet. Amit még ajánlok mivel én kb 4000 w ot mondtam de szerintem a kissebb fogyasztást pl mellékhely világítás kis TV vagy videó és beltéri elmehet símán az alap hálózatról és az nem lesz drága. nameg legyen számlád is ,konkrétan azért hogy legyen egy kis számlád is nehogy azt higyjék hogy megbuheráltad az órát amire úgyis rájönnek hogy nem, a másik meg hogy tervezik hogy a megújuló energiát is meg fogják adóztatni.
Ja bocsi nem klóros akksi az hanem LÚGOS nehogy félreértés legyen.
Ja mégvalami .
Vannak kapcsolásirajzok napenergia energiájának megduplázására igaz minden panelnek meg kell csinálnod mert kis teljesítményüek de az alkatrész igénye csekély és nem drága kb egynek 50 60 ft
"Vannak kapcsolásirajzok napenergia energiájának megduplázására"
Az energia alatt ugye Wattot értesz? Ezt ugyebár az energiamegmaradás törvénye szerint nem tudod megduplázni. Amit tenni lehet, az a feszültség duplázása, ami a kimeneti oldalon feleakkora áramot jelent ( a veszteségek figyelmen kívül hagyásával), tehát a teljesítmény azonos marad. A teljesítményt csak a napelemek felületének, hatásfokának (napsütés erősségének ) növelésével lehet fokozni.
Szia Atis!
érdeklődéssel olvastam az írásod a bontókban kapható hibás inverterekről. Tudsz ajánlani valami címet ahol vehetnék ilyeneket?
Üdv Sanya !
Én momentán Szegeden lakom és és itt szegeden a repülötér Utca 8 szám alatt található egy raktárépületben. Elektronikai megsemmisítő cég ahova patkószögtől az ágyúcsőig mindent bontanak ami elektronika. Érdemes körülnézni. Én szoktam kijárni. Egyébként a cég neve valami C & C elektronik
Itt a pontos meghatározás mert megtaláltam a névjegykártyot.
Repülőtér 8 szám A cég neve C & C elektro BT telefonszám Pintér András Az egyik főnök 06 20 3269 169 Pintér Tibor A tesója 06 30 655 8820
Köszi a címet , tőlem egy kicsit messze esik, de ha arra járok feltétlen megkeresem.
Csá Sanya!:yes:
A gondolat menet a következők miatt született
![]() Beszereztem egy darab 18 V 8 W-os napelemt aksi töltésére szerném használni akksi-->inverter Ugye ha jól számoltam (met azér azt még tudok ) 0.44 A a töltő áram (80 %-os hatásfokkal számolva !!:eek2: )csak így simán kötve na de mi van ha valamilyen elektronikai áramkörrél 0.44 A ből többet csinálok akkor elég jól használható egy 120 Ah-s aksi töltögetésére Azér ilyen nagy az az (500 Watt) mert egy teljes lakás minden ellátását kellene fedeznie )Jelenleg a lakásban 2 Db hűtő 2 Db TV Rádió DVD,DVD ERőlködő Műhód vevő Erőlkődő Mikró stb műxik persze nem mind egyszerre.Gipszi
sztem ha jól értem akkor a 0.44amperből akarsz többet csinálni ugye??
nos ha a telljesítmény marad akkor ezt csak úgy éred el ha a feszültséget csökkented... 12 volt alatt meg semmiképen nem fogja feltölteni az aksit.. Ha növelni akarod a töltőáramot akkor vagy szerezz be több napelemet vagy rakd minél naposabb helye... Bár egy aksit ha 18 volttal töltesz az elég hamar feltöltődik ha megvan hozzá az áramerősség is.. ha nincs akkor meg leesik a feszültség és pl visszaesik 13-12 voltra 0.7amper mellett
HY
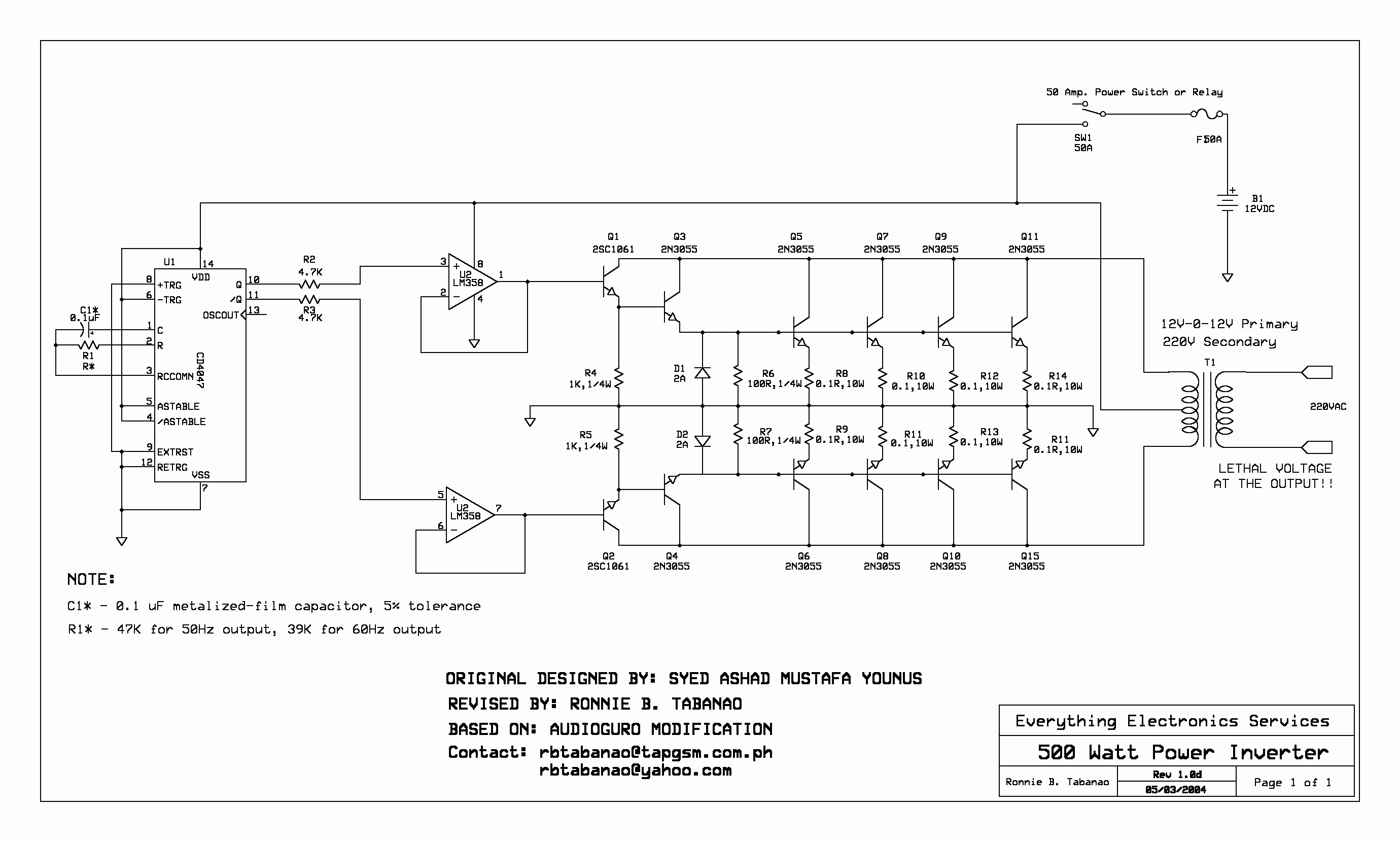
Én is gondolkodtam már ilyesmin. Szerintem jóval kevesebből is ki lehet hozni, mint 6 945 000Ft. Ugyanis a napelemnek nem kell, hogy 5kW-os teljesítménye legyen, mert annak csak az akkumulátort kell töltenie. Egy 12V-os aksinak 417A-t kell leadnia (5kW/12V), tehát kell egy 500Ah-os akkumulátor (4db 120Ah-os elég lesz párhuzamos üzemben), amit 50A-rel kell tölteni (de szerintem sok az az 50A), így a töltésre fordított teljesítmény "csak" 720W (14,4V*50A). Vagyis 400db 3,6V-os és 500mA-es napelem kell, ami 400db*2500Ft= 1000000Ft-ba kerül (ha igaz a fentebb említett ár). De szerintem olcsóbban is be lehetne szerezni a napelemeket (pl. nagykerben vagy más országban), mert mindenhol csak azt hallom, hogy mennek lefele az árai. Egy 5kW-os transzformátor beszerzése sem olyan nehéz: pl. a múltkor láttam kint a piacon egy kb.2-3000W-os transzformátort (de lehet, hogy több is volt, mert volt vagy 30kg), a fószer meg csak 5000Ft-ért vesztegette (érdemes szétnézni az ilyen helyeken). Meg vettem volna de bérházban nincs hova tenni az ilyen behemót gépezetet. Mellékelve küldök egy 500W-os inverter rajzot, amit szerintem fel lehet túrbózni (+tranzisztorokkal, nagyobb trafóval) ha működik. Ha már valaki megépítette ezt az invertert szólhatna, hogy jól működik e, mert én is neki fogok. Összefoglalva: - napelem = 1000000Ft (szerintem ott érdemes érdeklődni ez után, ahol látsz ilyet a tetőkön) - inverter felturbózva = 15000Ft (100db 2N3055-ös egyenként 150Ft-ért, de lehet, hogy kevesebb is elég lesz) - transzformátor = 10-15000Ft (lehet pár hegesztőtrafó is megfelel) - akkumulátor = 88000 (4*22000Ft) Össz.:1 118 000Ft. De ha ügyes vagy, akkor olcsóbban is ki jön (kevesebb tranyó, kisebb trafó, kisebb aksi kapacitás + spórolj). Minden jót! Idézet: „múltkor láttam kint a piacon egy kb.2-3000W-os transzformátort” Milyen piacon?
Szia!
Milyen piacot emlegettél ahol trafót árultak? És ha már itt járunk el tudnád mondani hogy egy inverterhez miért kell még tarfó is? Bocs ha hülye a kérdés de nem vagyok MÉG otthon a témában de nagyon érdekel. Köszönöm a választ előre is.
Én meg azon gondolkodom, hogy a biciglit behozom a házba kötök rá egy generátort és amíg nézem a tv-t addig tekerek..., lehet, hogy valami kisseb lcd-tv nézek, mert ahoz kevesebb energia kell....hegymenetben a nagytévét nézném....ha meg sok szabad időm van aksit is töltögetek vele és még a fitnessért sem kell fizetni.
Kicsit viccesen hangzik, de amúgy komolyan gondolkozom rajta!
Az inverter áramköre egyenfeszültségből (pl.12V-os aksiból) csinál 50Hz-es váltakozófeszültséget (négyszögjelet, ami jobbaknál szinusz), melyet a trafó feltranszformál 230V-ra (áttételtől függ). Tehát jelen esetben a transzformátort fordított bekötéssel használjuk.--> Nem 230V váltakozó feszültségből csinál 12V-ot (letranszformálás), hanem 12-ből 230-at (feltranszformálás). Dióhéjban ennyi.
A mai inverterekben (szünetmentes tápokban) ha jól tudom már trafó sincs. De javítsatok ki ha tévedek. És ha nem tévedek, akkor nem tud valaki feltenni egy ilyen rajzot? Megköszönném.
egyébként találtam a neten egy helyet ahol 3 Kw-s inverter-t lehet kapni 6 kw pillanatnyi csúcsteljesítménnyel szinuszos jelet készít így bármit ráköthetsz.
És kb 60 ezer ft trafóstól. szerintem egy ilyen nem lehet olcsóbban összehozni vagy ha igen akkor mondjátok meg hogy mennyiért lehet trafóval együtt. Mert ha mondjuk mindennel együtt kijön van 20-30 ezerből akkor megéri összedobni
milyen piacról beszéltél a múltkor ahol a trafót láttad?
Megmondanád. köszi!
Én 2 hete láttam 750W -os 220-380V ból 24V trafót bazi nagy..
3000 ft ért kinálták.. (az adatok a trafón voltak) mellesleg most vasárnap is láttam egy papinál egy hassonlóan nagy trf-t... (nagykanizsa) üdv
nem vagyok nyírségi csak érdekelt azt hittem pesten láttad.
akkor úgy látom mégis csak aza gyári 3kw-s inverter éri meg trafóval együtt.
Nem egy-egy kis inverter, hanem ha megnézed az 500W-os rajzát akkor rájössz. De ha mégsem: 1db 2N3055-ös csak 10-15A-t bír--> ezért párhuzamosan kell összekötni őket (ahogy a rajzon is van), hogy a tranzisztor max áramai összadódjanak.
|
Bejelentkezés
Hirdetés |





:yes:







