Fórum témák
» Több friss téma |
Fórum » MosFET végfok
Idézet: „Megvan neked ez a szám?” tádááá! Itt egy, mára már elavult cím szepelt.
Itt egy, mára már elavult cím szepelt. <---találtam egy 120W-os FET-es erősítőt, megnézem a HobbyElektronika-ba is valószínűleg ez van, ez tökéletes lenne, de +1 pár FET-et szeretnék bele rakni, ebben a kapcsolásban ez minden további nélkül megtehető ugye?
Idézet: „nekem tök mind 1” Erre szoktam mondani: kukás-k@kás kecsesen ringó fecske vs. recsegve fingó kecske... nekem nem mindegy (sértődés nincs ugye Szabi?)
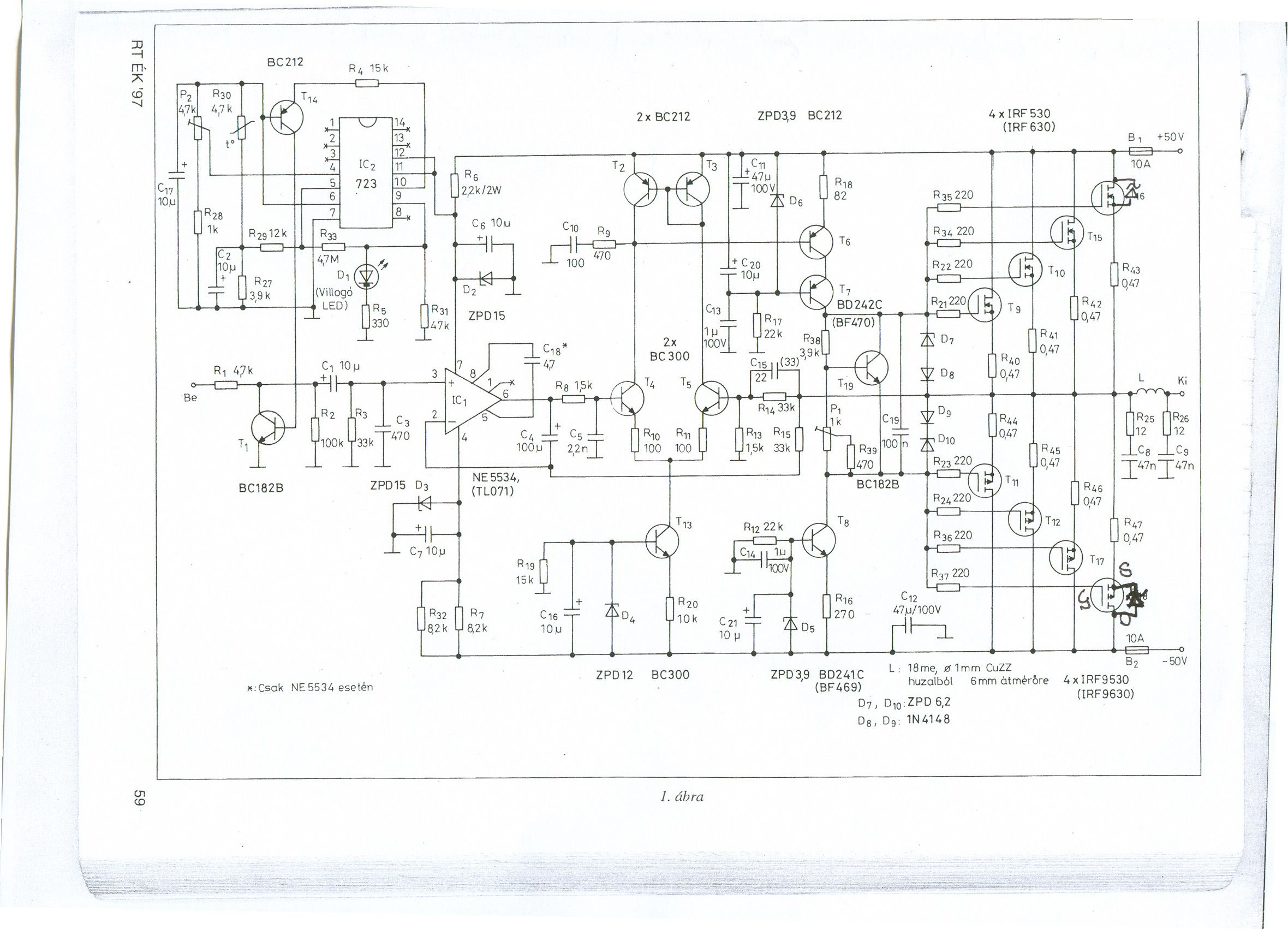
Szabi" A 86"os RT-ben nincsen a 97. oldaon semmien erősítő
melyik 97es oldalt nézed ??
rt1986.pdf 76.6 MB 462 oldal 78 -es oldalon van a 97 es oldal..... de ha ennyire.....
Köszi hogy elküldted mert az FTP-n, csak 1986.djvu-volt ami az Évkönyv, 1986.pdf nem
Az erősítő meg sajna tranzisztoros Találtam egy erölködőt: Itt egy, mára már elavult cím szepelt. <--- szerintetek ez használható? Ha igen berakhatok még1 FETpárt(+0.22Ohm)?
nincs, csak nem tudtam, hogy tranyó v fet...
melyiknek van szebb hangja ? gondolom a fet-nek.. amit felraktam 120W-os tranyósat, ahhoz jó a te kapcs.üzemű tápod kocsiba ?
Szerintem a FET-esnek(a karakterisztikája ennek közelíti meg legjobban a csövesekét), de kb. ez egyénfüggő szerintem.
Szerintem ez lesz a jó neked. Én megépítettem 4 darab IRF540N-típusu fettel(BUZ23(TO3)=IRF540(TO220)=IRFP240(TOP3)). Alra kell csak vigyázni hogy a FETeket válogatni kell, mert különben csunya és torz hangja lesz. Az enyém 46.3V-ot kap üresjáratban, IRF540fetekkel(100V-os csak, ezért +-45Vnál nem ajánlok nagyobb tápot, az IRFP 200V-os és nagyobb tokban van, de 3szor annyiba kerül.)
Szevasztok!
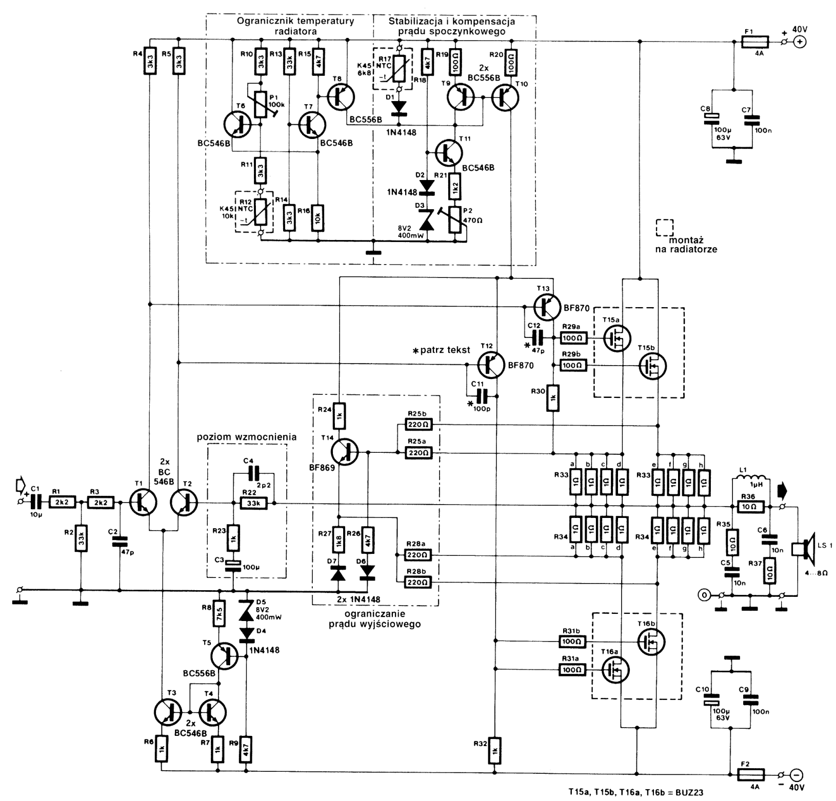
Szeretném megépíteni az alábbi erősítőt! Bővebben: Link na most kérdésem a következő lenne. A tápellátásnak +/-70V-on javasolnak! Nekem csak olyan trafóm van ami +/-80V-ot ad le! Kérdésem,hogy üzemeltethetem-e erről a nagyobb tápfeszről! a Végfoktranyók IRFP240 és 9240 ami 200V-os. Ezzel talán nem lenne gond de az előfok bírná ezt a nagyobb feszt?? mit kéne átalakítani ha kell valamit?? Aki ért hozzá legyenszíves segítsen nekem...
Szia
Feltétlen MOS-fettel akkarod megépiteni tranzisztoros nem felel meg?
Igen, feltétlenül. Mivel már ezek adottak... Többire tudsz valamit mondani??
Szia
Szerintem elviseli de pontosan nem tudom.De evvel az erősítővel keresd djloui-t mert ő megépitete és müködöt neki, még képeket és nyáktervet is talász hozzá az Erősítő mindig és mindig nevű topicban.
Lenne it egy rajzom mongyatok rola valamit, valaki véletlenül nem ismeri-e, érdekelne hogy valaki egyszer nem-e csinálta meg .
Nincsen meg véletlenül vmi féle jobb minőségben ez a rajz?
Talán? (akkorát szól, hogy áááá szerintem)
Sziasztok!
Szükségem lenne egy olyan végfok rajzára ami csak N-csatornás feteket tartalmaz ( IRLZ34N => 55V 30A, de ebből a tipusból nyugodtan lehet benne akár több pár is, a mennyisége nem lényeges ) és kb. 300 W-ot ad le 4 ohmon, ha több az se baj , a lényeg, hogy a végfet-ek kb. IRLZ34N nek megfelelő "tudásúak" legyenek benne! Ha egyáltalán létezik ilyen kapcsolás, én nem találtam sehol, még hasonlót se sajnos, de hátha tudtok valamit!Előre is köszi!
Hali!
Gyors számolás után arra jutottam, hogy ezekkel a mosfetekkel csak hídban mehetne 300W 4ohmra, ami 2 végfokot jelent 2(!) ohmra méretezve. Tápfesz +-25V(inkább picit több) esetén. Valószínűleg nagyon fűtene a 2 ohm miatt, a tápfesz sem nagyon szabvány. De ha van ilyen tápod is akkor érdemes keresgélned kapcsrajzot, egyébként nem biztos hogy 300 wattért ezt a megoldást választanám. bocsi a kedvetlenítésért, üdv.
Amit első látásra lehet tudni, az az, hogy ehhez mindenképpen hidalt végfok kell, 54 V stabil tápfeszültséggel. Tehát ha nem tudsz neki 54 (vagy +/-27) V stabil tápot biztosítani, akkor eleve nem lehet teljesíteni 4 ohmra a 300 W-ot.
Na, amíg rajzot keresgéltem (sajna nem találtam, pedig emlékszem, hogy láttam valahol), Tarzan beelőzött. És abban is igaza van, hogy nem feltétlenül kell a gombhoz kabátot választani.
Hello! Egyáltalán nem vettem kedvtelenítésnek, sőt...
A fet azért adott, mert sikerült belőle szert tennem pár darabra! Nemtudom, hogy mennyire fűtene 8 fet ugye 4-4 egy végfokban és hidalva, 4 ohmon terhelve, szerintem kb. annyira mint egy hasonló teljesítményű tranyós végfok! üdv.
Hello! Gondolom sok pufferkondival nemtudok elég stabil tápot csinálni neki, de akkor mi módon lehetséges?
Megköszönném, ha mégegyszer megpróbálnád megkeresni azt a rajzot! Gomb és kabát esete előző hsz. Köszi!
Sziasztok!
Ismét segitségeteket kérném. Adott +/- 40v táp olyan 400w körül és ehez kéne fetes végfok! (gitárnak) Ha valaki feldobna rajzot ami legalább 100w, azt megkszönném.
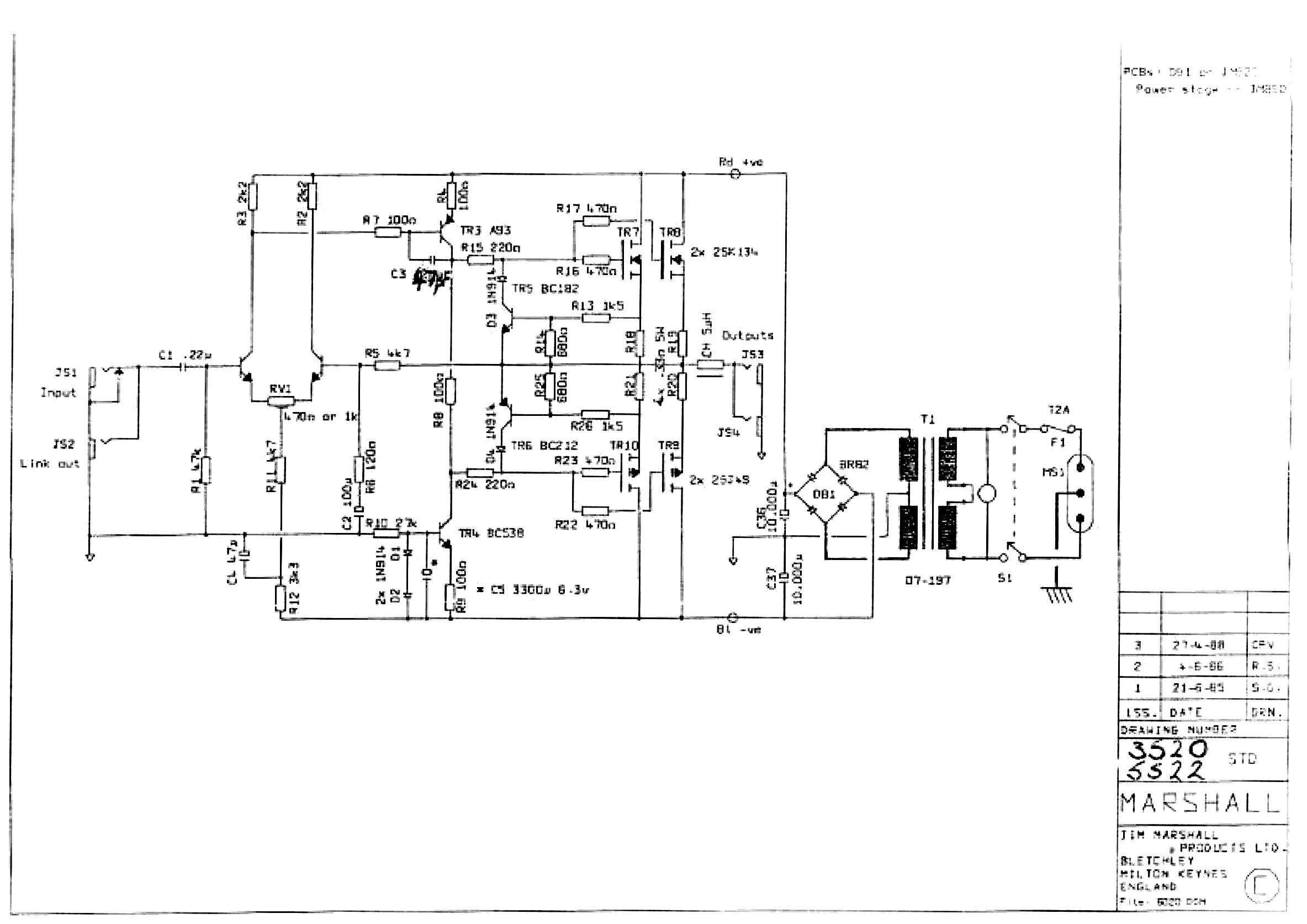
sziasztok.
olyan kérdésem lenne hozzátok, hogy szerintetek életképes e ez a kapcsolás amit belinkeltem ? plusz mivel lehetne helyettesíteni a K134 és J49 -es feteket ? ez lenne az első mosfetes végfokom, nincs róluk tapasztalatom a kíváncsiság hajt hangilag. elvben az oldalon ahol találtam a rajzot azt írták rá hogy 8 ohm 60 W és 4 ohm 120 W tudhatja ez ezt ? válaszokat köszi előre is.
Szia.
Ez az egyik legrosszabb hangú kapcsolás amit valaha is készítettem. Rádásúl ebből van egymódosított változat (egyébként mindkettő a Hangtechnikában jelent meg) ,de Te éppen a rosszabik váltoatot találtad meg! Én Toshiba J135 és K50-nel készítettem el (ezek a legjobb fetek) , rakhatsz bele irf 530-9530-at is, teljesen mindegy, a mosfet az csak mindig mosfet marad. Teljesítmény hangosításra jó, de hifire nem...
értem és köszi a gyors reakciót, el is vetettem az ötletet.
hello
Ha mindenféleképpen mosfetes akarsz, a Piret Endre kapcsolását építsd meg, az még talán elfogadható hangú. A rajz fentvan a 100W-os erősítő építése topikban.Bővebben: Link
|
Bejelentkezés
Hirdetés |




Ezeket letöltöm

mit kéne átalakítani ha kell valamit??




, a lényeg, hogy a végfet-ek kb.
Megköszönném, ha mégegyszer megpróbálnád megkeresni azt a rajzot! Gomb és kabát esete előző hsz. 





