Fórum témák

» Több friss téma
Fórum » SOUNDWELL B503 motoros potméter bekötése
Lapozás: OK   1 / 2
(#) szabónagymester hozzászólása Ápr 7, 2009 /
 
Üdv HE fórum tagok!

Hosszas böngészés után egy pocsék képekkel ellátott szlovák szerű oldalon találtam némi leírást, de sem a nyelvi tudásboból, sem a képek minőségéből eredően nem tudtam kihámozni semmi érdemre valót.
Bontottam egy Genius Home Teather típusú berendezést, és abból termeltem ki a címben említett Soundwell B503 típusjelzésű motoros potenciométert.
Sajna méricskéléssel nem jutottam előbbre, fogalmam sincs hogy van a bekötése.
Sajna a neten sem lelhető fel érdemben használható dokumentáció. (Ennyire egyedi darab lenne? )
Annyi már biztos előttem, hogy 6, vagy 8 csatornát tud szimultán szabályozni. Tehát egy több pályás potméterről van szó.
A poti 3, ill. 4 blokkból épül fel. Ha a motortis beleszámítom, akkor 5.

Az első 3 blokk a pálya modulok, melyek annyiban térnem el egy hagyományos potitól, hogy 3 helyett 8 kivezetés van. És 3 ilyen blokk van.
A negyedik valószínű egy közlő mű, a meghajtást vesz át a motorról, ill. adja át a tengelynek.
A végén egy walkman csévélő motor méretű, kinézetű, szerintem kommersz egyenáramú motor van.

Ha valaki rámolt már szét ilyen ketyerét, vagy valahonnan tudomást szerzett a bekötéséről, kérem az közölje már itt.

Mellékeltem pár képet. Sajna nem a legjobb minőségűek, ezt nézzétek el nekem.

Előre is köszönöm!
szabónagymester
(#) patexati válasza szabónagymester hozzászólására (») Ápr 7, 2009 /
 
Hali! Azt látom,hogy egy stereo poti de hány lába van?6,8,vagy Mibe akarod? Egy képet csinálj úgy is hogy látszanak a lábai (mind)
(#) szabónagymester válasza patexati hozzászólására (») Ápr 7, 2009 /
 
3x8 lába van.
3 blokk, blokkonként 8 láb egy sorban. Többszörösen, egész pontosan 4x-esen sztereó.

II <- poti tengely
------------
. . . . . . . . <- kivezetések 1.blokk
------------
. . . . . . . . <- kivezetések 2.blokk
------------
. . . . . . . . <- kivezetések 3.blokk
------------
<-közlő mű
=======
I I
I I <-motor
I I
------------


Ettől jobb képet nem tudok, mert ez a szar telefon nem autó fókuszos, és nem tudok makrózni.
>>

DSC00270.JPG
    
(#) Szamy válasza szabónagymester hozzászólására (») Ápr 7, 2009 /
 
szerintem ,ezt szétszedés nélkül nehéz lesz kibogarászni.még esetleg az is lehet, hogy "csapolt" kivezetéses (ismertebb nevén loudnes-es) pályákkal van megáldva, és ez megmagyaráz jónéhány plussz lábat.
másképp 24 láb összesen ,az akár 10 csatornára is elég lehet(ne), közös földpontnál(mondjuk ezt igen ritkán szokták intézni a potin belül).

gondolom , szegecselt...
(#) szabónagymester válasza Szamy hozzászólására (») Ápr 7, 2009 /
 
Sorrund rendszerben volt, tehát több csatorna egyben történő szabályzását szolgálta.
Nem szegecselt, 4 kis fül van az elején visszahajlítva, de baromi erős a tartólemez. Valami acél féleség, és félek szétszedni, mert ha széthajlítom, tuti úgy már ne rakom össze, és a potit meg nem akarom eldobni.
Fel akarom használni. De ha csak tanulmányi szempontból lenne érdekes, már darabokban lenne.
(#) szabónagymester válasza szabónagymester hozzászólására (») Ápr 7, 2009 /
 
Új témát indítottam, Motoros poti kerestetik címmel, ha lesz helyette másik, szétrámolom.
Rohadtul érdekel milyen kiosztást használ?
Addig meg hátha valaki tud mondani valamit.
(#) pucuka válasza szabónagymester hozzászólására (») Ápr 7, 2009 /
 
Üdv!
Szét ne szedd, mert többé nem rakod össze, és kár lenne érte.
Szerintem a hármas oszlop a potik eleje, közepe, vége, szerintem kimérhető, és 8 oszlop (poti) van egymás mellett. A közlő mű az egy 1:3-as áttételű bolygómű, mert különben nem tudnád forgatni a tengelyt. A motor pedig szerintem egy többpólusú DC motor lesz, amely viszonylag lassan forog.
ilyet már láttam ha ez nem ilyen, akkor bocs. Többnyire egyedi gyártásúak.
(#) Kovidivi válasza szabónagymester hozzászólására (») Ápr 7, 2009 / 4
 
(#) szabónagymester válasza pucuka hozzászólására (») Ápr 7, 2009 /
 
Épp ezt írtam én is, hogy nem merem szétszedni, mert tuti préssel lett ráhajtva a fül. És azt én konyhailag vissza nem hajlítom.
Egyedi darab, mert mint ezt is írtam, egy Géniusz házimozi rendszerből termeltem ki, és még soha hasonlót nem láttam, pedig a 30 évem ellenére elég sok mindent szétrámoltam már.
Azt némileg sejtettem, hogy bolygó műves lehet, akár a kis akkus csavarbehajtók.
A motor egy szimpla 2 pólusú dc motor.
Tuti nem léptető motor, mert eszméletlen gagyi "szervó" volt. Ugyan is a végállásnál nem tíltott le, hanem addig nyöszörgött a motor, amíg a távirányítón a gombot nyomtam. Komoly mérnöki munka!:yes:
A kiosztásra nincs semmi elképzelésem.

A fotózási linket meg nagyon köszönöm!
(#) szabónagymester válasza szabónagymester hozzászólására (») Ápr 7, 2009 /
 
Ki próbáltam, egy szimpla telefon töltővel, a motor egy egyszerű dc motor el kezdtem méricskélni a kivezetéseket, de mire mind a 8 lábat kimérem egymáshoz, az 8x8 variáció.
Bele őszülök.
Az biztos, hogy tengely irányban nincs villamos kapcsolat, ebben olyan mint egy normál egy, vagy két pályás poti.
(#) pucuka válasza szabónagymester hozzászólására (») Ápr 7, 2009 /
 
Üdv!
Csak a 3 lábakat mérd egymáshoz, mert szerintem ez van 8 szor, úgy hogy a tengelyt állítsd 1/3 állásba. Valószínűleg 100 k -1-2 Mohm os poti lesz
(#) G-Lex válasza szabónagymester hozzászólására (») Ápr 7, 2009 /
 
ez egy 50K-s 6 csatornás poti.
Én el tudom képzelni, hogy pár lába nincs bekötve, vagy pedig 2* van kivezetve. Szerintem 3db 2 csatornás poti van benne. Tehát az egymás mellett lévő lábakat kellene összemérni.

A panelról azért sokminden kiderül a bekötéssel kapcsolatban.
(#) szabónagymester válasza G-Lex hozzászólására (») Ápr 7, 2009 /
 
Egy skiccelt rajzot tudnál irány mutatásnak kreálni?
A mérések nekem is olysmit hoztak, hogy az egymás mellett lévő lábak tartoznak össze.
De még póbálgatom mérni.
(#) szabónagymester válasza szabónagymester hozzászólására (») Ápr 7, 2009 /
 
Azt mondja meg nekem valaki, hogy az ördögbe tudok 80k-t mérni egy 50k potin?
Mi a jóistent mérhetek össze?
Abszolút semmi elképzelésem a pályák elrendezéséről.
Ami nekem racionális lenne, a koncentrikus pályák, teljességgel kizárva.
(#) szamóca válasza szabónagymester hozzászólására (») Ápr 7, 2009 / 4
 
A 6 csatornához, 3x2 pályás középkivezetéses poti lehet.
Egyik lehetséges elrendezése ilyen.
Üdv.
Van 10kivezetéses stereo is, ott a középleágazást és egy pályaosztáspontot külön lábra kivezeték. A Vidi is gyártotta.

Vidi 002.jpg
    
(#) szabónagymester válasza szamóca hozzászólására (») Ápr 7, 2009 /
 
Érdekes elrendezés, és méréseimmel is kicsit egybe vág. De még mindig nem értem honnan jön az a 80K, mikor a poti 50K?!
(#) Master_of_the_web válasza szabónagymester hozzászólására (») Ápr 8, 2009 / 4
 
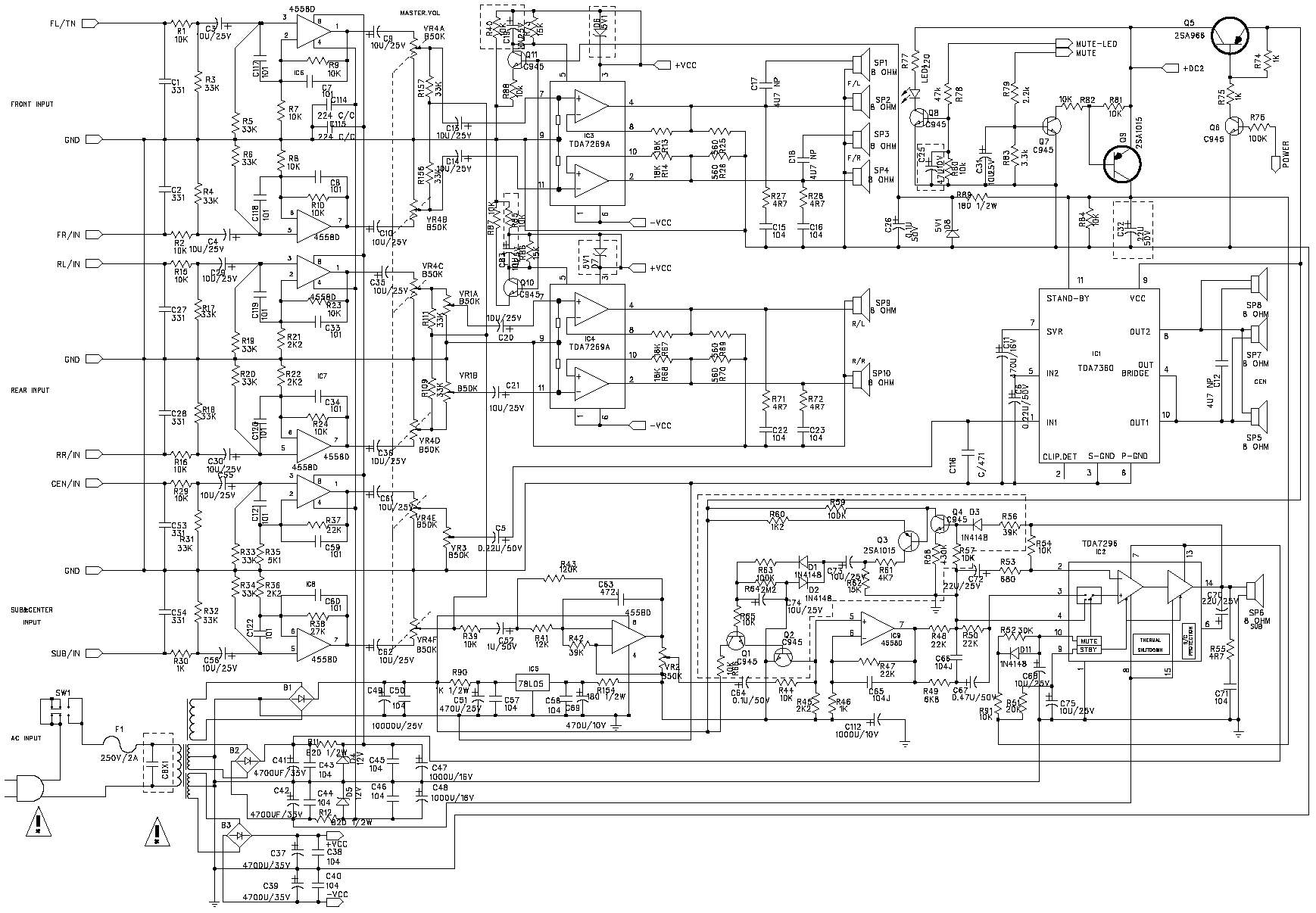
Találtam egy kapcsolást (Genius 5.1 -es rendszer) amiben ilyen potit használnak. A rajzon a VR4 lenne az szerintem. 6 poti van benne (szaggatott vonallal összekötve), ezek párosával, és ezeken a párokon belül a két poti szélső pontja össze van közösítve. (Igaz így csak 5 láb lenne párosonként) Az, hogy azon belül melyik láb pontosan a potik melyik részére megy, nem írják, de így legalább már el lehet képzelni mi is van benne pontosan.

Vagyis:

------------
. . . . . . . . <- kivezetések 1.blokk >>1. poti páros
------------
. . . . . . . . <- kivezetések 2.blokk >>2. poti páros
------------
. . . . . . . . <- kivezetések 3.blokk >>3. poti páros


Azért mérhettél 80K-t mert talán egybemértél két potit.

Remélem tudtam ezzel segíteni valamelyest.

üdv.
(#) szabónagymester válasza Master_of_the_web hozzászólására (») Ápr 8, 2009 /
 
Ami azt illeti meglehetősen sokat segítettél!
Halvány lila gőzöm sem volt, hogy honnan lehetne beszerezni a kapcsolási rajzát, mert az előerősítőben van néhány anonim ic.

Köszönöm szépen!

Le azért még nem zárom, hátha lesznek egyéb érdekességek is még!
(#) szamóca válasza szabónagymester hozzászólására (») Ápr 8, 2009 / 4
 
Rajzold le a lábakat, és add meg az egymáshoz mért értékeket.
(#) szabónagymester válasza szamóca hozzászólására (») Ápr 8, 2009 /
 
szamóca kolléga, jó kis házit adtál!:papakacsint:
Ok, kimérem és mellékelem rajzban.
(#) funkykutya válasza szabónagymester hozzászólására (») Aug 11, 2009 /
 
Sziasztok!

Épp most szorult javitásra a Genius 5.1 ben ez a poti, szóval nem úsztam meg a szétszedését. ( a réz csúszka kifordult a müanyagból)

A képeken látható a belseje, bár szerintem annyira gagyi poti ez, hogy nem érdemes belőle semmit csinálni.

Üdv.

(#) djlg hozzászólása Szept 10, 2009 /
 
Sziasztok!

Szert tettem egy olyan hangrendszerre, amiben ez a Soundwell poti van. Kb 5 éves és napi szinten volt tekergetve, igy gondolom kikopott és megadta magát.
A kérdésem az lenne hogy szerintetek mivel tudnám ezt helyettesíteni, mert még hasonlót sem láttam sehol, nemhogy ilyet.
köszönöm
(#) lapose válasza djlg hozzászólására (») Szept 10, 2009 /
 
Szia!

Pl.: ALPS potik.
Bővebben: Link
Bővebben: Link
(#) djlg válasza lapose hozzászólására (») Szept 11, 2009 /
 
Köszönöm a gyors választ!
Az árakat elnézve inkább kitalálok valami más megoldást, mert a poti majdnem annyi mint amennyi az egész volt nekem.
(#) selo hozzászólása Szept 17, 2010 /
 
Nekem is ilyen poti ment tönkre a Genius Home Theater hangfalszettben. Arra gondoltam, hogy a potmétert fix ellenállásokkal helyettesíteném és a PC-n állítgatnám a hangerőt. Így elméletileg 6 db 30K-s ellenállás bekötésével újra használhatnám a hangládát.
Valaki csinált már ilyet? Mely csatlakozó párokat kössem össze?
(#) dodkii válasza szabónagymester hozzászólására (») Nov 29, 2010 /
 
Tudsz mérni 80k-t, elég érdekesen van megoldva a poti bekötése. Mellékelek egy móricka ábrát arról, hogy egy blokk hogyan néz ki. A B503-as 3 ilyen blokkból áll. A képen az állórész látható, a forgórészen pedig van két darab független csúszóérintkező. Az egyik a belső kettő sínt köti össze, a másik a külső kettőt. A 6. és a 7. láb között 100 kohm-ot kellene mérni fixen. A 2. és 4. láb között 0-tól 100-ig bármilyen beállítható.
Ennyit tudok hozzászólni a kérdéshez, remélem sikerült előrébbjutnotok.

B503.png
    
(#) cscsont válasza szabónagymester hozzászólására (») Júl 13, 2011 /
 
Üdv Nagymester!
Érdeklődnék, hogy egybe van még ez a poti?, Mivel nekem egy ilyen adta meg magát és még szervizben sem tudom beszerezni.
Várom válaszod, hátha meg tudunk egyezni .
Üdv. cscsont
(#) cscsont válasza funkykutya hozzászólására (») Júl 14, 2011 /
 
Hali!
Olvastam a hozzászólásodat.
Genius poti. Ha emlékszel még rá. Ugyan ilyen gondom van, csak nekem totál elengedte.
Hogy sikerült megreparálnod, vagy szerencsés voltál és sikerült felhajtanod egy újat? Minden ötletre fogékony vagyok
Várom válaszod.
Üdv cscsonti
(#) masterful hozzászólása Júl 27, 2011 /
 
Hali!

Nekem is egy Genius 5.1-gyel van problémám, de nem tudom mi lehet a baja: az két első hangszóró teljesen süket! A hangszórókat próbáltam, azoknak nincs bajuk!
Ez a csoda potméter okozhatja az én gondomat is? Az első hangszórók hangosításáért felelős része tönkrement volna?
(#) atiman hozzászólása Márc 12, 2013 /
 
Sziasztok!

Van bárkinek bármilyen állapotban ilyen potmétere? Engem egyetlen egy belső rész érdekelne, egy olyan fehér kör a réz érintkezőkkel rajta. (sajna egyikről letört)

Köszi előre is!
Következő: »»   1 / 2
Bejelentkezés

Belépés

Hirdetés
XDT.hu
Az oldalon sütiket használunk a helyes működéshez. Bővebb információt az adatvédelmi szabályzatban olvashatsz. Megértettem