Fórum témák
» Több friss téma |
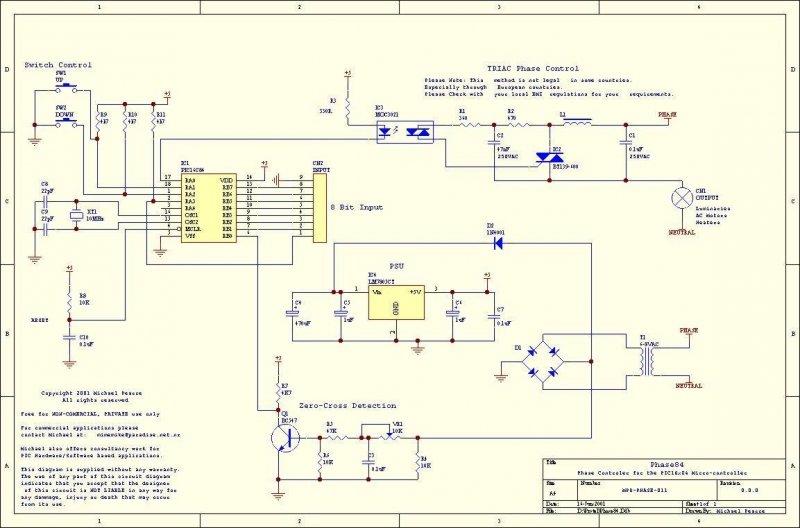
Ez szerintem nem fog menni ezzel a kapcsival,mert a te rajzodban nullátmenet kapcsoló van (detection passage par zero)MOC 3041 ez egy szilárdtest relé kapcsi rajza.Neked egy fázishasitó kapcsi rajza kell :yes:
Neked a triacos rész kell belöle
Szia! nem tudnád ezt olvashatóban feltenni? sajna nem látom az értékeket, mert ha felnagyítom elhomályosodik. Előre is köszi!
Az sajna nekem is igy van,de itt van még egy ,de google a barátod
És akkor a progim ezzel a fajta kapcsival szerinted menni fog?
Szia! most bekötöttem úgy, hogy 330ohm ellenálás az opto és a triak G pontja közé, az égőt sorba az A1, A2 pontjával és erre a tápot az opto meg 270ohmmal pozitívon, a másik fele a pic vezérlőlábán. Az eredmény ugyan az.Nem lehet a programmal valami baj?
Szerintem menni fog,az 560 ohm utáni rész kell neked de a googlen keress rá a "nullátmenet kapcsoló" és a "fázishasitás " szavakra és meg látod hogy az elöbbi a pwm-hez miért nem jó :yes:
Nem a proginak van baja,a MOC helyére tegyél egy ledet és meglátod rajta a fényeröváltozást ,a szilárdtestrelé csak min. félperiodusonként ki-be kapcsolgat nem szabályoz
Rákötöttem a ledet, és láss csodát szabályoz nagyon szépen. Akkor most jön a tanulás
utánna olvasok ezeknek. Egyébként a végeredmény egy olyan inpulzusrelé szeretne lenni, amit ha egy pillanatra megnyomok akkor teljes fényel kapcsol ki, be, de ha nyomvatartom akkor fényerőt is szabályoz. És több helyröl is szeretném vezérelni ezér szeretnék inpulzus relés megoldást.
Hát a MOC-on kivül jó lesz hozzá minden
Szia! Nézelődtem sokat, mostmár sejtem miröl van szó, de egy normális leírást sem találtam. Arra gondoltam, hogy moc3020 jó lenne nekem az elvileg akárhol tud kapcsolni, és nem csak nullátmenetnél. Én úgy néztem az eredeti kapcsolásom müködne azzal. szerinted?
Tökéletes,de ha megnézed az elöző rajzot az is ugy van mint a tiéd,megnézd meg ezt is Bővebben: nullátmenetBővebben
WM
akkor a héten veszek és ki is probálom. Köszi!
Szia! Ma vettem optotriakot tipusa K3021PW ezt adták helyetesítőnek. Bele raktam a kész panelbe, a jelenség épp hogy picit tekerek a potin és bekapcsol az égő és teljes fénnyel világít. Utánna szétszedtem, bekötöttem úgy, hogy az opto 4-es és hatos lábát 330ohmos ellenálással sorbakötve rákötöttem a triak G-és A1 pontjára. az A1 és az A2 vel sorbakötve az égőaz A1 felől. és 1es és 2-es láb 270ohm ellenálattal sorbakötve pic-re A jalanség teljesen ugyan az. Az opto alaplapja alapján szerintem nem nullátmenetes. A triak tipusa: BTB16 600BW ijen volt itthon több is. Mi lehet a baj? Ja és a led gyönyörüen szabályoz.
Két ötletem támadt. Egyik egyenirányítom majd fettel kapcsolgatom, a másik A led is rajta van a vezérlőlábon, az nem befolyásolhatja?
Egy kis segítséget szeretnék kérni.Szereztem egy 2x16-os EW162G0GLY lcd kijelzőt.Minden be van kötve a adatlapja szerint és meg se nyikkan! Kontrasztot Tudok állitani,de akkor is csak az első sor regál rá. PIC16f876-al barátkozom mostanában. Ha minden igaz akkor 1 lcd modul és 1 lcd text szükséges hozzá.Esetleg valami ötlet merre induljak? előre is köszönöm.
A ledes ötletet kizártam. Probáltam átírni a timer idejét is elértem vele, hogy vibrált az égő, de fényerőt nem szabályozott, utánna probáltam impulzusüzemre álítani is, ott sikerült kis mértékbe halványítani a fényerőt, de ott is vibrált nagyon. Valami ötlet még?
Próbáld meg ezzel.
A parsic 4bitet használ az LCD meghajtására.
A helyzet nem változott.A 4 bit is rendben van,de akkor serintem az lcd vel lesz a gond. Lehet tulfeszt kapott 12v ot
D ha rossz lenne akkor kontraszt állításnál nem lenne 1 karakter sem látható,nem? Holnap szerzek másikat és megnézem. ha nem akkor . Köszi a eddigi segítséget
Ha a teljses kontrasztot ráadod a kijelzőre és a felső sor minden karaktere besötétedik, akkor elvileg jó a kijelző.
Mekkora kristállyal raktad össze a kapcsolást? Mert amit az előbb feltettem program 4MHz -es kristályhoz írtam, ha ettől eltér a kapcsolásban lévő kristály, nem idul be a program. A mikrovezérlő beállításainál át kell állítani a kapcsolásban szereplő értékre.
Azért vibrált szerintem mert tul kicsi a pwm clockjának frekvenciája.Hajtsd 2ms adóval.Ha igy se jó nemtudom mi a gond.
4.00000MHz H.S.C van most benne. A pic jó. A kijelő új.És most is csak semmi. Rb0-tól rb5-ig dB4-től db7-ig Enable,Rs is minden a helyén nem értem már
Most nem vagyok benne biztos, de mintha ezt a típusú LCD meghajtó chip-et nem támogatná a parsic.
Megpróbálok utána nézni.
Ez található a Parsic help -ben: "All LCD modules, based on the Hitachi HD44780, are supported".
Most kérdés, hogy ezen kívül működik e másik fajtával? Sajnos a leírásból konkrétan nem derül ki milyen chip is van benne, vagy csak én nem látom. Próbálnod kellene szerezni egy HD44780 kompatibilis LCD-t a kipróbálásához.
Akkor más nem marad serintem sem. Felhivom a chipcadot hogy ez HD44 kompatible vagy sem.
A mikropascal rovatban gthomasnak sikerült beüzemelni,és még elméletileg HD44 kompatibilis is,azt mondják.A segitségedet előre is köszönöm.
Akkor pedig elviekben működnie kellene. Tudnál egy rajzot feltenni a kapcsolásról, ahogy be van most kötve nálad?
A Parsic szerint így kell bekötni:
Hali! probáltam azzal is. Már tényleg semmi ötletem. Sajna nem megy. Már kezdek nagyon szomoru lenni.
csináltam egy sima 4szögjelet timer-el 2ms folyamatos világított 20ms-nál halványabb és teljes fény között váltogatott az felett meg már láthatóan villogott. Már semmi ötletem.
Pont így van bekötve. Ezért nem értem én sem mi lehet még a probléma.Próbáltam f690-el is de semmi!
de azért gőzerővel nyomozok |
Bejelentkezés
Hirdetés |






utánna olvasok ezeknek. Egyébként a végeredmény egy olyan inpulzusrelé szeretne lenni, amit ha egy pillanatra megnyomok akkor teljes fényel kapcsol ki, be, de ha nyomvatartom akkor fényerőt is szabályoz. És több helyröl is szeretném vezérelni ezér szeretnék inpulzus relés megoldást.
WM
D ha rossz lenne akkor kontraszt állításnál nem lenne 1 karakter sem látható,nem? Holnap szerzek másikat és megnézem. ha nem akkor
. Köszi a eddigi segítséget

de azért gőzerővel nyomozok 




