Fórum témák
» Több friss téma |
Fórum » Kapunyitás gombnyomásra olcsón! - avagy automata kapu házilag
Témaindító: szabi83, idő: Feb 2, 2006
Hali!
Itt vagyok újra! Már rég voltam errefele, de mivel elfüstölt a trafó ami a kaput működtette így nem volt aktuális a téma! Most van új trafó és újabb gondok! Ugye azért égett le a trafó, mert a távvezérlő modul reed reléje zárva maradt és mindkét motor teljesen megszorult, és a fő 30-amperes bizti nem ment ki! Most tettem a motorokra külön külön 10 amperes biztiket, de ezekkel az a gond, hogy az induláskori nagy áramfelvétel miatt már néha akkor is kimegy, viszont ha teszek bele 15 ampert akkor az meg ha megszorul a motor akkor se megy ki! Mit lehet ezzel csinálni, mert így nagyon tré ez az egész!
Hali!
Én úgy tudom hogy vannak váltóérintkezős reed-ek is, nekem volt is belőle, kicsi is nagy is, é még olyanban mint az IC olyan tokozásban is láttam már! Utóbbi mehet a belső tekercsével is, de külső mágnes is szóba jöhet!
Hali! én vagy hall-icvel, vagy valami iparban használatos induktívval oldanám meg, de inkább a második. Az örökös lenne és megy 24 voltrol, és van akkora kimeneti árama, hogy mágneskapcsolót lehet vele müködtetni mindenféle egyéb eszköz nélkül.
Sziasztok.
Hogy tudnák egy 24 v motor vezérlésébe túláram érzékelést épiteni,vagyis ha a motor végállásba ér akkor lekapcsolná a vezérlést, ha netán a végállás elromlana. Köszönöm
Amennyire én tudom egy reed relé meg tekercs és növekvő áramfelvételre meghúz a reed, de valami pontosabb magyarázat vagy ötlet engem is érdekelne. Én is most vagyok kapuépítés előtt.
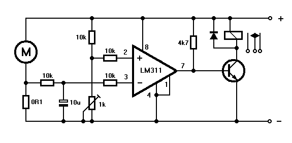
Szia. A megoldás egy feszültség komparátor úgy mint pl. az elektromos ablakoknál. 30amperos bizti? Milyen motorokat használsz? Ha nem találtok rajzot megpróbálom megkeresni az általam épitettét ha érdekel valakit.
Hali!
Tudnál erről a komparátorról bővebben is írni? Igen 30 amper, mert nálam 6 voltos motorok vannak és 16 voltal mennek!
Hát nem vagyok nagy elméleti szakember csak hobbi szinten barkácsolok de a lényege. A komparátor egy elenálláson eső feszültséget figyel ha a beállított feszültség csökken átbillent egy műveleti erősítőt ami néhány kiegészítő alkatrésszel már relét is tud kapcsolni. Ilyet építettem már innen a HE- ről töltöttem le egy rajzot ami egyszerű, megbízható és tág terhelési határok közt lehet beálittani . Ha érdekel megkeresem.
Helló.
engem érdekelne a rajz ,hálás lennék ha megtalálnád.
Helló ! Már előre elnézést kérek, hogy beleszólok de amikor poros veszi a fáradságot és elmagyarázza a komparátor működését és közli, hogy innen a HE-ről származik a cikk akkor elvárjátok ,hogy meg is keresse.Ha beírjátok a keresőbe ,hogy komparátor 9 db cikket találtok. Miért kell ez is porosnak megkeresni ?
Olvasd el nagy_hoho hozzászólását, és fogadd meg amit ír. Vedd a fáradtságot, és keresd meg magad. Ez itt egy neves szakmai fórum, nem egy hoz-tesz, "másikat ugráltatom" rendszer!
Már bocsánat ,de Poros ajánlotta fel ,hogy kérésre leközli.
Jól van, nincs gond, csak felhívtam a figyelmed, hogy mit kínál az oldal...
Sziasztok, Bocs de most értem haza. Természetesen segíttek. Itt van amit kerestek. Megépítettem 12 voltra és egy kis trükkel most 50 voltnál is nagyon jól működik de az adat lapján azt hiszem 35v a megengedett legnagyobb feszültség. Sebit illeti a köszönet Ő tette fel a HE-re.
Azért még mindig érdekelne hogyan jön ki a 30A áram felvétel nálad Ez iszonyúan sok vagy elszámoltad magad vagy ott valami nem jó
Hali!
Én is csak hobbi szinten csinálom az egészet! Érdekelne akkor az a kapcsolás, mert féltem a cuccot! Igaz most jól működik! Várom a kapcsolást!
Ez a 30 amper úgy jött ki, hogy igazából a két motor induláskor vesz fel 25 amper körül együtt!
Valaki írt annó valamit valami lágyindítoról! De már nemtalálom hogy hol volt! Ez az egy gondom vele az indulás! Volt hogy a 25amperes biztit kivágta, a 30-as meg nem ment ki! Így jártam!
Szia remélem megtaláltad a kapcsolást tegnap már elő kerítettem . Akkora áramnál amit említettél már komoly teljesítményű sönt ellenállás kell. Ha nem megfelelőt teszel bele most lehet amiatt lesz problémád. A rajzon nincs megadva az értéke de 0,5ohm körüli már elég. Én egy régi bilincses huzal ellenállást tettem bele ami 3 ohmos és kb. 5w. Ez egy kicsit langyos de nálam közel sincs akkora áram felvétel mint nálad.
Üdv!
Annál az ellenállásnál sokkal kisebbet is be lehet tenni, az a lényeg, hogy a komparátor másik oldalán, amit a potival tudsz állítani, azzal be tudd állítani azt a kicsi határt, amire ki kell, hogy oldjon. Ezekre a célokra nagyon pici ellenállásokat szoktak használni, nekem van 1mohmos is, de már nem emlékszem, a lényeg a pontossága. De tekintve, hogy nem az űrállomásra terveztek műszert, azzal sem kell sokat foglalkozni.
Üdv!
Milyen biztosíték volt? Indulás után nem mérted, hogy mennyit vesznek fel a motorok? Az van ugyanis, hogy az indítási áram a sokszorosa az üzemi áramnak, és lehet az is, hogy egy lomhább biztosíték megoldaná a problémát. Persze motorvédelmet mindenképpen érdemes alkalmazni.
Szia. Ne vezessük félre az után építőket én arról az ellenállásról beszéltem, ami után a feszültség esést figyeli a kompanátor. Ennek nem kell 1ohm-nál nagyobbnak lennie de teljesítményben több watt-os legyen, a rajta
átfolyó áram figyelembe vételével.
... nem véletlenül írtam az m betűt az ohm elé... ha csak egy ohmos az az ellenállás, és azt a 30A-t szeretnéd mérni vele, akkor egyrészt nem folyna 30A mert ez az ellenállás már komolyan beleszólna az áramkör működésébe, másrészt akkor 30V-nak kéne esnie rajta, ami kicsit sok.
Ha neked mondjuk 24V-ról a motor fogyaszt 2A-t akkor még mondjuk belefér, akkor mondjuk langyos lesz, de ha neki tényleg folyik 30A, akkor neki oda nem nagyobb teljesítményű ellenállásból kéne oda tenni 1 ohmosat, hanem valami ipari méretű motorokhoz készített fékező ellenállásból... szóval a lényeg az, hogy az ott 1 mohm amit írtam. Amire egyébként a kapcsoláson is 0,1 ohm-ot írnak. De nem értem mi volt a félrevezető.
Bocs félre értettelek.
Hali!
Egy motor üresjáratban ~4 ampert vesz fel, de induláskor ugye felég magasra felugrik! Az a fő gondom, hogy a vezérlés közösen adja a két motornak a feszt és kint a kapunál választom el őket! Így ez a komparátor is csak kint lehetne a motornál! Ennek a kapcsolásnak amúgy mindegy a polaritás? A motornál is az a gondom, hogy a 10 amperes késes bizti kevés mert néha kimegy, de a 15 meg sok mert ha megszorul akkor nem megy ki a bizti! Ugye a 30 amperes bizti meg a betápon van a trafó meg a vezérlő közt! Nemtudom hogy lehet megoldani a biztonságos működést!
Nekem ez egyébként annyira nem erősségem, de esetleg lehetne olyasmivel próbálkozni, hogy 10A-s biztosíték, csak lomhább változat, nem tudom, hogy az mennyit számít, hogy kibírja-e a bekapcsolási tranzienst, ha kibírja, akkor lehet, hogy megoldódik vele a probléma, vagy nem tudom, az is lehet, hogy eleve azt használod... azt nem írtad, csak hogy 10A
Hali!
Jelenleg autós késes biztosíték van benne 10 amperes! Ebben a verzióban sajna nincs lassú meg gyors! De most megint beszívtam a kapuval! Csak egy pillanatra nyomták meg a nyitó gombot és csak a jobb oldal indult el mire a másik rácsukódík így nem nem engedte kinyilni, és bent az elektroikában megpörkölődött a tartó tekercs! De még mindíg jobb mint ha a trafó pörkölődik! Most már azon filózok, hogy szétválasztom a két motort és külön relékkel külön tápról menne mindegyik! Mást már nemtudok! Nemtudom ebben az esetben egy mondjuk 22000 mikrós kondi mennyire tudná segíteni az indulást a bizti után bekötve!? Majd gondolkodok még mit lehetne kitalálni!
Helló ! Nem érdemes otthon kínlódni vele. Olcsóbb meg venni. De csináltunk már vezeték nélküli kapu csengőből is és még nem nyílt ki tévesen.
Aha... nem tudom segít-e a kondi, valamit biztos segít, de hogy a problémát megoldja-e azt nem tudom.
|
Bejelentkezés
Hirdetés |





átfolyó áram figyelembe vételével. 