Fórum témák

» Több friss téma
Fórum » Elektronikában kezdők kérdései
- Ez a felület kizárólag, az elektronikában kezdők kérdéseinek van fenntartva és nem elfelejtve, hogy hobbielektronika a fórumunk!
- Ami tehát azt jelenti, hogy a nagymama bevásárlását nem itt beszéljük meg, ill. ez nem üzenőfal!
- Kerülendő az olyan kérdés, amit egy másik meglévő (több mint 17000 van), témában kellene kitárgyalni!
- És végül büntetés terhe mellett kerülendő az MSN és egyéb szleng, a magyar helyesírás mellőzése, beleértve a mondateleji nagybetűket is!
Lapozás: OK   41 / 4054
(#) Sebi válasza m.joco hozzászólására (») Okt 2, 2006 /
 
Hát, legalább némi alapok azért kellenek a méréshez, hogy a műszerhalál megelőzhető legyen. Ez esetben semmi gond nincs, mivel a pákahegyen kb. 100..300mV váltófeszültség lenne mérhető (az állapotától függően), de az egyszerűbb multiméterek váltót csak 200V méréshatártól kezdenek mérni, ami azt jeleti, hogy kb 20V alatt a mérés még saccolásnak sem mindig mondható.
(#) huba válasza Sebi hozzászólására (») Okt 2, 2006 /
 
amiröl beszélsz az nem páka hanem forrasztópisztoly (én igy tanultam) és egy apro kérdés: mikor a feszt mérted ugye a hegy is rajta volt, mert ha igen akkor a müszered azért nem mutat mert a rézhegyen keresztül átfolyik az összes áram, igy a müszer a hegyen esö feszt mutatja ami elég kicsike... tehát ha leveszed a hegyet s rámérsz kb 6Voltot találsz
(#) maestro válasza huba hozzászólására (») Okt 2, 2006 /
 
Ugye azt azért tudjátok, hogy a rézhuzal nincs a trafóra rákötve, hanem a mágnese tér hatására indukálódik benne feszültség, és mivel zárt az áramkör, így áram fog rajta folyni, ami hőt fejleszt. Az enyém legalább is így működik. Ha a trafó kell belőle, akkor azt tudom tanácsolni, hogy szedd szét és úgy mérd meg a feszültséget.
(#) pbalazs válasza maestro hozzászólására (») Okt 2, 2006 /
 
Mi?
Azt írod, hogy nincs rákötve a trafóra, akkor hogy lehet zárt az áramkör?

Én úgy tudom, hogy a pisztoly "csöve", az a két téglalap keresztmetszetű huzal, ami papírral van elszigetelve, na az a trafó szekundere. Ez van rövidrezárva a forrasztó huzallal és azért melegszik.
(#) Moderátor hozzászólása m.joco hozzászólására (») Okt 2, 2006
 
Ha lehet az ilyen kérdéseidet ide tedd fel!
Nem kell ÚJ Témát nyítni feleslegessen, hiszen itt ez a TÉMA!

üdv
(#) _JANI_ válasza source2 hozzászólására (») Okt 2, 2006 /
 
Idézet:
„...de egyébként mit értesz az alatt hogy resetet csak érvényes lépés után fogad el => ezek szerint ha néggyel akarok osztani akkor a "2" lépésre tegyem?”


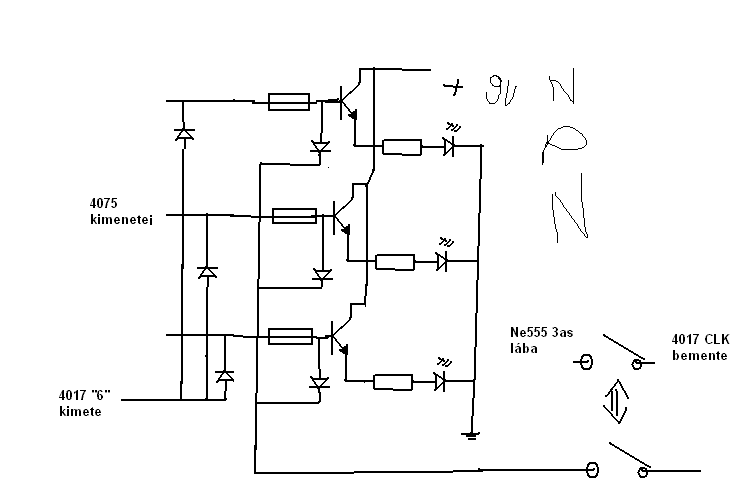
A 4017 CLK bemenete felfutó élre lép (( L->H; GND->UT+ )), és váltja a kimenetét. (Alapbekötés szerint, mert beköthető úgy is hogy negatív élre lépjen, de ez már egy másik téma.) Ha a RESET-et L (GND) szintre kötöd és a számlálást is engedélyezed a CE L szintre húzásával akkor a számláló az összes kimenetét, Q0 - Q9 -ig végiglépteti. Ehhez 10 pozitív impulzus kell. Ha a számláncot le akarod rőviditeni, mert neked PLD 4 impulzus kell (megjeleníteni vagy leosztani) akkor a RESET belenetet a Q4 kimenetre kell kötni! Ekkor a Q3 lessz legutolsó aktív kimenet!...

Szemléltetéskép, mellékelek egy ALAPKAPCSOLÁST is.
(#) _JANI_ válasza source2 hozzászólására (») Okt 2, 2006 /
 
Felületes olvasás. Én ezt írtam.

Idézet:
„... akkor a RESET jelet az értékes kimenete után kell levenni...”
(#) source2 válasza _JANI_ hozzászólására (») Okt 3, 2006 /
 
hi

inkább tudatlanság (persze az én részemről )
(#) _JANI_ válasza source2 hozzászólására (») Okt 3, 2006 /
 
Nem gond!

Elvileg bináris osztót is alkalmazhanál előosztónak, csak azt egy kicsit macerás beállítani. Amúgy a CD4017-nek az órajelfrekije 10V-on max 5MHz lehet. Egy előosztónak szerintem ez elég...
(#) source2 válasza _JANI_ hozzászólására (») Okt 3, 2006 /
 
hi

a max fordulat 6000 rpm (100Hz), 100*4 azaz 400hz a max, ami még távol áll az 5 mhztól (gondolom )

Köszi segítséged!

még egy kérdés: ezt a dobokocka áramkört akrom átalakítani úgy, hogy mikor megnyomom a gombot alapból kigyullad az összes led világít, ha így lehúzzuk a foldre a tranyókat akkor nem fog vílágatani, legalábbis ezt szeretném Fog működni?

válaszod előre is köszi és bocsa foglalmazért
(#) maestro válasza pbalazs hozzászólására (») Okt 3, 2006 /
 
Az neked huzal??? Én úgy tanultam anyagismeret órán, hogy a huzalokat inkább nemvasfémekből készítik (réz), és nem pedig vasfémekből, mert elég nehéz lenne meghajlítanod.
Igen. A trafó igazi szekunder tekercse nincs rákötve a réz huzalra. (segítek hova van: izzólámpa)
És mivel nem huzal, ezért nem tekercs--> nem a trafó megfelelő értelemben vett része (ha egyáltalán nevezhető trafónak)--> ezért nem is lehet rákötni. --> Kizárásos alapon a trafó rákötésekor az igazi szekunder tekercsre gondoltam.
Vagy megint nincs igazam? Mindegy. A lényeg az, hogy én is, meg te is tudod, hogy hogy működik a forrasztó pisztoly. Mert mások hozzászólásából ezt nem tudtam kivenni.
Egy tanács: máskor ne akadj fenn minden kis hibán a kicsit rosszul fogalmazott hozzászólásokban.
Üdv: maestro
(#) pbalazs válasza maestro hozzászólására (») Okt 3, 2006 /
 
Huzal, drót, vezeték, tyúkbél, stb., nekem egy kutya, ilyeneket nem tanultam, ebben biztos igazad van.

Idézet:
„trafó rákötésekor az igazi szekunder tekercsre gondoltam”

OK, itt volt a félreértés.

Idézet:
„mágnese tér hatására indukálódik benne feszültség, és mivel zárt az áramkör, így áram fog rajta folyni, ami hőt fejleszt”

Igen, igazad van, sőt, ezt a mágneses teret a 230-ba dugott primer indukálja, tehát trafó. Sőt, ha jól emlékszem, a vastag drót (forrasztó) közé csak úgy oda van tekerve a vékony (izzó), de ez nem biztos.

Idézet:
„A lényeg az, hogy én is, meg te is tudod, hogy hogy működik a forrasztó pisztoly”

Ott a pont.

Idézet:
„máskor ne akadj fenn minden kis hibán a kicsit rosszul fogalmazott hozzászólásokban”

Igyekszem, de sokszor nehéz edönteni, hogy csak rosszul fogalmaz a hozzászóló, vagy rosszul tud valamit. Ebből sok félreértés, abból meg vita van. De eszem ágában sincs senkit megsérteni, még véletlenül sem.
(#) _JANI_ válasza source2 hozzászólására (») Okt 3, 2006 /
 
Ha a födelt kollektoros kapcsolásban, ha a bázist egy diógával ÍGY lehúzd GND-re, akkor a tranzisztor vezérlését (Emitter-Bázis nyitófeszültségét) megszünteted és a tranzisztor kikapcsolt vezérlési állapotba kerük. Tehát nem fog az Emitterén áram folyni, azaz a ledek kialszanak. Rendszerint a tranyó bázisába is kell egy ellenállás. Mert nem minden tranyó viseli el ha a bázibát ilyen kapcsolásban közvetlenül a földre huzzák...
(#) _JANI_ válasza _JANI_ hozzászólására (») Okt 3, 2006 /
 
Ja a kimenetekkel sorbakötött diódák a logikai kapu kimeneti tranzisztorjait védik. Mert amikor a másik vezérlési ponton, nyitófeszültséget adsz a tranzisztorok bemenetére, egyúttal a kimeneti kapukra is tápfesz kerülne. Addig nincs baj míg a kimenetek magas logikai szinten vannak, mert azonos a potenciáljuk. De, amikor szintet vált a kimenet, a pozitívra kötött diódákon keresztül zárlatra kapcsol és a kapu, esetleg az egész IC is tönkremehet. Erre való a logikai kapuval sorbakapcsolt
Idézet:
„védődióda.”
(#) source2 válasza _JANI_ hozzászólására (») Okt 4, 2006 /
 
öö

lerajzolnád?

üdv...
(#) source2 válasza source2 hozzászólására (») Okt 4, 2006 /
 
Valmi ilyesmire gondoltál?

zzz.jpg
    
(#) _JANI_ válasza source2 hozzászólására (») Okt 4, 2006 /
 
Naggyából, IGGEN! EZ már egy próbakapcsolásra megérett. :yes:
Bár itt már részletesen levan rajzolva.
(#) source2 válasza _JANI_ hozzászólására (») Okt 4, 2006 /
 
köszi a segítséget

még 1 dolog, akkor most milyen ellenállások legyenek a ledek előtt?

http://img.vatera.hu/photos/159771/big/12346220.jpg

itt van az RGB led karakterisztikája.

mellékeltem a rajzot remélhetőleg a véglegest, majd hétvégén összedobom aztán modnom az eredményt , mindkettőre az osztóra is

üdv...

zzz2.jpg
    
(#) maestro válasza zaik hozzászólására (») Okt 4, 2006 /
 
Hello mindenkinek!
Nem tud valaki egy jó linket, ahol találok leírást az LCD, TFT, OLDED, CRT, TOLED, FOLED stb kijelzőkről. Lehetőleg nyomtatható formátumban, ja és magyarul! A suliba kellene egy kis beszámolóra, ezért nem csak az alapok kellenének. Gyorsan kellene.
Ha nem jó helyre írtam ezt a kérést, akkor bocsi.
(#) _JANI_ válasza source2 hozzászólására (») Okt 4, 2006 /
 
Az
Idézet:
„R = (Utápfesz-Uled) / I”
képlettel te magad is könnyen kitudod számolni a szükségez ellenállásokat.

De azért segitek.

A piros LED nyitófeszültsége szokott a legkisseb lenni. Az oldalon megadott atatok alapján ez legyen 1.9V

Ut= 9V
Uled= 1.9V
I= 20mA = 0.02A

U=Utáp-Uled= 9V - 1.9V = 7.1V

R= U/I= 7.1V / 0.02A = 355ohm


A zöld LED nyitófeszültsége egy kicsit magasabb, KB 2.5V
A szülséges ellenállás a fenti képlet alapján : 325ohm


A kékszinű LED-nek a még nagyobb a nyitófesz kell! Ez itt legyen 3.3V (de kapható az 5V-os nyitófeszültségű is)
A kékhez kellő ellenállás 285ohm

Ha nagyon eltér a ledek fényereje, akkor az értékeket változtasd meg, persze a határadatokat vedd figyelembe. Ha ilyen ellenállásokat nemtalálsz (nemfogsz), akkor a legközelebb levő szabványos értéket válaszd!

Sok sikert a teszteléshez és az építéshez.
Várom / várjuk / a végeredményt a Ki, mit épített? topikban.
(#) tbence3 válasza _JANI_ hozzászólására (») Okt 5, 2006 /
 
Hali!
Abban kérném a segítségeteket hogy határozzuk meg hogy mi lehet eme szerkezet mely nem remekel.
Szóval nem tudom mi lehet ez mert gyártási szám alapján vagyis ami találtam számot beírtam én a google-be de nem dobott ki semmit!
Köszi a segítséget!
(#) Báddzsó válasza tbence3 hozzászólására (») Okt 5, 2006 /
 
sztem egy régi külső modem
(#) tbence3 válasza Báddzsó hozzászólására (») Okt 5, 2006 /
 
Modem? Van relé meg eeprom,piezzo gondolod?Tudom valmaire használni?D ha jólnéztem akkor ez pont a nyomtató portra lehetne rakni de megeggyezik az alaplak dugójával!
(#) Báddzsó válasza tbence3 hozzászólására (») Okt 6, 2006 /
 
ja, boztos modem, laplink kábellel megy az alaplapra.
azt meg, h az alkatrészeit tudod használni vmire azt csak te tudod eldönteni...
(#) Dudus válasza tbence3 hozzászólására (») Okt 6, 2006 /
 
Modem!

És nem a nyomtatóportra megy, hanem a régi időkben használtak 25 tűs soros port csatlakozókat is, oda kell rakni, vagy olyan kábel kell neki, aminek a másik vége 9 tűs.
(#) source2 válasza _JANI_ hozzászólására (») Okt 6, 2006 /
 
Hi

egy kérdés csak ha tucc gyorsan válaszolj, vagy bárki már , mert holnap nicns nyitva bolt :S

kipróbáltma a HALL szenzort müxik (kapásból fordítva adtam rá afesz,de ment utánna is, de sztem az adatlapba is fordítva van rajzolva) (UGN3220) => datasheetarchive.com kell "erősíteni" a jelét??? (mellékelt ábra, egy odlala viszább van egy másik ábra 4017_alapkacsolása ahhoz megy)


válaszokat előre is köszönöm

op.GIF
    
(#) Báddzsó válasza source2 hozzászólására (») Okt 6, 2006 /
 
én nemtom mi lesz belőle, de mivel ez egy "switch" ezért gondolom nem kell erősíteni a jelet ha elég 30mA.
szép a rajz
(#) source2 válasza Báddzsó hozzászólására (») Okt 6, 2006 /
 
ok

köszi

üdv..
(#) _JANI_ válasza source2 hozzászólására (») Okt 6, 2006 /
 
Szerintem sem kell...
(#) source2 válasza _JANI_ hozzászólására (») Okt 7, 2006 /
 
HI

eggyel nem toltad el? Q4 az valójában az 5-ös kimenet nem? mert 0-tól kezdődik a számozás

üdv
Következő: »»   41 / 4054
Bejelentkezés

Belépés

Hirdetés
XDT.hu
Az oldalon sütiket használunk a helyes működéshez. Bővebb információt az adatvédelmi szabályzatban olvashatsz. Megértettem