Fórum témák
» Több friss téma |
Bővebben: Link Először fusd át ezt a topikot, csak előfok tápokkal foglalkozik. Mindenképp olyan előfokban gondolkodj ami dupla tápos +-15V. Ezt a tápot is érdemes megnézegetni eléggé jól kidolgozott darab. Bővebben: Link
A tápegységem +/- 40V és 12V AC -t ad le. A 12V-ból tudok csinálni +/-15V-ot. Nem akarok high-end előfokot, így valószínű, hogy egy JRC 2068D-ből (dual OPA) dobok össze egy nagyon egyszerű kapcsolást.
Tápnak ezt néztem ki, mert egyszerű és kis helyet foglal. Utólagos beépítésnél sajnos a méret és az egyszerűség is komoly szempont.
Talán a 7812 és 7912 párosítás szerencsésebb lenne, mivel a stabkockáknak egy kicsivel több feszültség kell, mint amire szabályoz.
Megmértem a feszt, két diódával és két 1000µF-os pufferrel, olyan kapcsolásban amit alább linkeltem. Stabok nélkül +/- 17,9V . Jó lesz bele a 15V-os stab? Mennyivel kell nagyobb feszültség neki?
Az már elég fesz különbség.
Jó lesz bele a 15-ös is.
Üdv mindenkinek
Azt szeretném kérdeni, hogy csináltam egy TDA7294-es erőködőt, és táp kellene neki... az a lényeg, hogy tudni szeretném mekkora +/- tápfesz kell neki és hogy mekkora váltófeszből tudok akkorát csinálni Tudom nem idevaló a kérdésem de csak ennyit szeretnék tudni és már itt se vagyok Köszi a segítséget
+- 10V-tól egészen +- 40V-ig működik, a váltót pedig úgy számold hogy a táp értékét oszd el gyökkettővel és adjál hozzá 1V-ot (graetz miatt)pl.:ha +-30V kell akkor 30/gyök2+1= 22,2V tehát egy olyan trafó kell amin 2*22V van (ha +- 30V-ról hajtod)
Köszönöm mindenkinek a segítséget, a 470nF-os elektrolit kondenzátorral tökéletesen működik, már csak egy akkora hangszórót kéne keressek mit meg is bír. Eltünt az említettt jelenség, lehet az volt a baj amit észleltem hogy az 1µF kondi töltődött fel a jellel s aztán sült ki. Az a lényeg most jól működik, a 100nF-ossal meg mégegyszer kipróbáltam mit ajánlott a gyártó is de ugyanolyan rossz a minőség. Köszönöm mégegyszer.
Hello!
Még mindig a táppal kűzdök és találtam itthon egy régi 2*50w unitra erölködőt a táp sec-je: 2*25v 2,1a ill. 2*18v 1a. Ha egyenirányítom +-35,25v lesz ami szerintem jó, csak nem tudom, hogy hány va? Rákerestem a neten, de azt nem találtam csak amennyit ide irtam adatot. Ez elég lenne a tda7294 végfokhoz, ha igen elbírna 2db végfokot is? Itt van a típusszáma is: unitra ts120/13
Helló
Szerintem ez kevés neki. Ahogy én látom a te trafod olyan, hogy két kivezetése van egy 18V ami 1A -os ( ez a rész 18W) a másik pedig 25V és 2,1A-os(25*2,1=52,5W), és minda két kivezetés szimetrikus. Vagyis a Feszültségek egyik ága a földhöz képest + a másik pedig - feszültséget ad. Például a 25V os kivezetésnál ha a földet és az egyik vezetéket megméred azon lesz neked +25V AC-d, akkor a másik kivezetésen lessz -25V AC-d. Na már most ha jól olvastam akkor te egy TDA2030ast akarsz építeni párban, ezzel az a gond , hogy a fezsültséged túl magas, és ezt nem tudod sehogy sem csökkenteni, vanak Feszültségszabályzó IC-k és ekkora fezsültséghez is jó lehetnének, csak a teljesítményt nem bírnák ami neked kell. Három megoldást látok a te számodra, vagy megpróbálod ezt áttekercselni , úgy hogy a fezsültséged jó legyen, vagy tovább keresgélsz othon vagy veszel egyet. Én megpróbálnám a helyedben megtekercselni. Felyből nem tudok adatokat mondani, de a forumban biztos találsz erről olvasnivalót. A válasz a kérdésedre , ez a trafo nem jó a TDA2030as erősítőhöz, mert magas a feszültsége.
Igen kb tápnak én is egy hasonlót ajánlanék. Kivettem egy részletet abból a képből amire gondolok.Nagy előnye ,hogy nem kell hozzá külön 2 db secunder ,hanem a fő tápágakból is táplálható. 12 voltból +-15-öt csinálni sokkal nehezebb lenne.
Valamint itt egy nekem szimpatikusnak tűnő előerősítő , ami jó példa lehet egy opamp előerősítőre. Azért tűnhet elsőre bonyolultnak ,mert tartalmaz egy relés bemenet választót ,és a táp is tetemes darab hozzá. De nyilván a neked tetsző részeket ki lehet mazsolázni belőle. Bővebben: Link
Köszi a segítséget. Én tda 7294 végfokot építettem és ehhez jó lenne ez a táp? A 2030ast csak akkor csinálom meg, ha nem találok a a tda7294hez tápot. Ha jól számolom 25*1,41=35,25V+- aminek jónak kell lenni a tda 7294hez?
Ahoz valóban jó lenne a feszűltséged, de a TDA7294 annak van olyan kapcsolása ami 60W és van olyan ami 100W ( nem beszélve a hidasról)De ha te még ha a 60W osat építetted is meg még ahoz is kevés, nem elég a teljesítménye hozzá. A 25v os kivezetséed is csak 50W os, egy egy erősítőhöz pedig szükséges minimum az erősítő max teljesítményének a 1,5x teljesítményű trafo. PL 60W hosz kb 90W, 100W hoz kb 150W stb.
Így a válaszom továbra is nem, ehez sem jó sajnos ez a trafo. Egyébként a trafo az elég borsos dolog, de mindenképp ajánlom figyelmedbe a vásárlást, ha már megépítetted akkor ne vesszen kárba. Egy 300W os torroid 30V os ami neked jó lenne az kb 8000Ft. Ha sokáig fogsz foglalkozni az elektronikával akkor még többet is rá fogsz majd költeni ettől . De egyébként ráköthheted, csak a trafod melegedni fog és előbb utóbb leég ha 30W tól többet halgatsz az erősítőből. Próbának megfelel hogy működik e az amit összeraktál, tartósan viszont nem fog jó lenni. Üdv.
Úgy tudom, hogy az IC már +/-10V-tól működőképes. +/-12V mellett kb. 10W 1% körüli THD-val már kivehető belőle. Nem próbáltam még játszani a visszacsatolással, de szerintem le lehet rontani annyira a bemeneti érzékenységet, hogy kb. annyira lehessen kihajtani, hogy a trafó még bírja. Ideiglenes megoldásnak jó lehet, max. nem 100W-os, hanem mondjuk 20W-os erősítőd lesz. Normál szobai használat közben úgysem hajtod jobban. Nekem a vidi kijelzője kicsit hangosabb zenehallgatás alatt kb. 1,5-3W-ig ugrál.. de az füllel már nekem elég hangos.
Szerintem az a trafo 105 wattos, mert a 25V*2.1A=52.5W-ot ketszer kell venni, mivel ket 25V-os aga van a trafonak, tehat 2*25V*2.1A=105W es az mar eleg egy 7294-nek.
Hi!
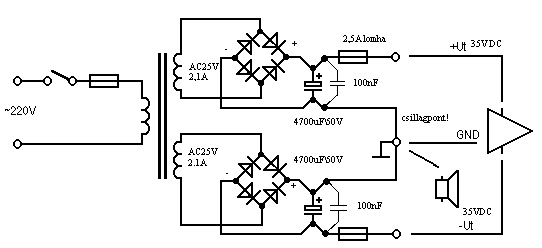
Kösz a segítséget mivel a sec: 25v+- akkor az 105w ami nekem tökéletes. Kaptam egy táprajzot, de nincsenek rajta adatok, azt tudom, hogy amperenként 2000µF-ot kell számolni, de más nem volt a rajzon. Beillesztem a rajzot, valaki beírná nekem az adatokat ha nem gond, most először csinálok erölködőt, aztán inkább kérdezek. Bővebben: Link
Köszönöm, tökéletes! A graetz-hídban a diódák azok lehetnek 1n4001-esek? Nekem a tápból 4db kábel jön ki, az egyik a 25v a másik a 18v. Még annyi nem tiszta nekem, hogy a képen nekem csak az egyik graetz-hídas részt kell megépíteni, ha igen akkor a földelés hogyan alakul? Kérdeznék még valamit, a barátnőm apját is megcsapta az erősítő építés szele és kérte a segítségemet. Na most neki van egy 5 vagy 6 sávos equalizere és ezt beszeretné majd iktatni az ő erősítőjébe. Ha nekem sikerül a saját erősítőm, akkor neki állhatok az ővéjéhez is. Szerzek majd róla képet, azt megtudnád majd mondani, hogy hova és hoyan kell bekötni?
Köszönöm még egyszer a segítséget!
Úgy néz ki a trafód mint a csatolt képen?
Ha igen, akkor az nem lesz jó a 7294-hez. A 220 az 230, mindig elfelejtem.
Nem most megnéztem és nem láttam a másik részét, be volt építve, 8 kimenet van rajta + a 230, tehát akkor ez jó? itt a képe az alján könnyebb azonosítani.
Hali!
A trafód megfelelőségét csak úgy fogod tudni megállapítani, ha megméred a szekunder feszültségeit. A max. áramerősségre a huzal vastagságából tudsz következtetni, számolhatsz 3A/mm2 -rel. A vasból kivehető teljesítményre, a keresztmetszetének a négyzetéből tudsz jó megközelítéssel saccolni. Pontosabban, (A^2*B). A "B" az kb 0,8 és 1,2 között lehet a trafódnál. Egyébként szimpla 18V és 25V -ból is lehet a TDA-hoz szimmetrikus tápot csinálni, ha nem kínálkozik jobb megoldás.
A netem rátaláltam valahol régebben az adatlapjára és azt írta, hogy a 25V az 2,1A., a 18V meg 1A.
A műsorforrások után és a végfok elé kellene beépíteni.
Helyezd áram alá (óvatosan ám), a trafót és mérjél , mert a 8 db vezeték már nem csak szimpla feszültségekre utal . Szerintem a 25 voltosból is kettő van meg a 18 voltosból is. Ez ha jól nézem hiperszil trafó . Ha van időd felrakhatnál még egy képet csak azt JPG formátumban. Miből szerelted ki pontosan?
Hello,
Kipróbáltam a TDA7294-es erősítőmet egy számítógép táppal és nem működött. +12 és -12 voltot adtam neki egy 300w-os tápból, szerintem ennyinek elégnek kellett volna lennie, de az IC nem is melegedett. Lehetséges hogy valamit a Standby állással kell csinálni?
nem a standby hanem kevés neki a - feszültség azaz a + az 12volt és kb 16amper a - az 12volt és 0.8 amper
Mértem és 4db kivezetés 25V amásik 4 pedig a 18V. Egy unitra erölködőből van 2*50w 8ohm. Itt a jobb kép
Köszi most megnyugodtam hogy jó az erősítő. :yes:
Az az unitra csak 30 wattos. Nekem a hűtőborda van felhasználva tda-ra.
Max 1 panelt bir el!!
Hi!
Elkészült a a táp panel képet mellékeltem. Viszont lenne egy kérdésem, a képen a 2narancs, illetve a 2 fehér kábel a trafó 25V-os kivezetései. A 3 kábel alul a +,-, föld. Áram alá helyeztem a trafót és a +,- kábeleknél 76,6V-ot mértem. Oldalanként pedig 38,3V-ot. Ez akkor most ideális a tda7294-nek? Nekem itthon van 2*47k és 2*100k tandem potim /6lábas/. Hova kell bekötnöm a hangerő szabályzásához ha jó akkor melyiket lenne érdemesebb? |
Bejelentkezés
Hirdetés |




Azt szeretném kérdeni, hogy csináltam egy
Tudom nem idevaló a kérdésem de csak ennyit szeretnék tudni és már itt se vagyok

. 









