Fórum témák
» Több friss téma |
Sziasztok!
Előre elnézést, ha rosszul használnék pár kifejezést. Soha az életemben nem tanultam elektronikát, csak a netről. Szóval fontos kérdésem lenne: hogyan lehet megoldani a következőt? Clock impulse-t kéne előállítani egy 4017 számára. De: a frekvenciáját ne potival, hanem egy momentary (pillanat?) kapcsoló segítségével lehessen megadni. Mégpedig: kétszer rá lenne bökve a kapcsolóra és a két bökés közötti időtartam lenne a clock impulse frekvenciája. Remélem érthető amit írok. Továbbiakban jó lenne ha sikerülne a két kapcsolás közötti időt osztani (1/2, 1/3, 1/4). Ezt egy másik négyállású kapcsolóval. Itt arra gondolok, hogy a clock pulse frekvenciája a két kapcsolás közötti idő fele, harmada illetve negyede (természetesen egésze is) legyen. Nos ezt szeretném megvalósítani. Jó lenne egy olcsó megoldást találni rá, minimális alkatrész mennyiséggel.
Szia!
Addig értem, hogy ha lenyomod a kapcsolót egyszer, majd még egyszer és ekkor keletkezzen egy órajel a 4017-es számára. Ez egyszerű megoldás. Azonban a felezést, harmadolást, stb... nem igazán értem, hogy hogyan szeretnéd. Mert ha osztod a két megnyomás közötti időt, annak mi értelme? Ha lenyomod egyszer a nyomógombot, ad egy fél, harmad, vagy negyed impulzust, és ha még egyszer megnyomod a gombot, nem történik semmi. Továbbá, a két gombnyomás közötti T idő az emberi tényező, vagyis nem állandó. Ebből következik, hogy az első verzió, miszerint egyszer megnyomom, utána még egyszer, ekkor ad egy impulzust. A két gombnyomás között eltelt idő mivel nem állandó, ezért azt nehéz lesz felezni, harmadolni, negyedelni.
Mármint folyamatosan állítsa ezt elő. Valami okos és gyors "számoló" szerűség kéne. Első kapcsoláskor elkezd számolni, a másodiknál meg befejezi... ezután újrakezdi az egytől és annyinál fejezi be, ahol a második kapcsolás volt... így körbe körbe. No és mindig ad egy impulzust ha visszatár az egyre.
Hello!
Ha jól értem, a két gombnyomás között eltelt idő lenne az alap periódusidő, amit a kapcsolásnak el kellene tárolni, és ennek a negyedét, harmadát, felét és egészét alkalmazná az impulzusok periódusidejeként, a négyállású kapcsoló állapotának megfelelően. Ezt minimális alkatrész szükséglettel legegyszerűbben egy programozható áramkörrel lehet megoldani. pl: PIC mikrovezérlő.
Annyiszor leírtam már: a kitűzött CÉL pontos leírása nélkül ne várjatok korrekt megoldást!
Tehát: mire szeretnéd használni?
Rendben, rendben, bocsi moderátor úr. De sikerült kibogozni. Tehát egy ilyen PIC megoldás kéne, amivel vezérelni lehetne egy 4017-et, ami majd egy filtert fog vezérelni... de ez már lényegtelen.
Szóval: valaki tudna segíteni ennek a megoldásában? Megprogramozni a PIC-et? Mivel én egyáltalán nem értek hozzá...
Igen, erről lenne szó.
Sikerült tovább jutnom a kutatásban. PIC12F508/509 szerintem a megfelelő választás erre a célra (bár én egyáltalán nem értek a PIC-ekhez).
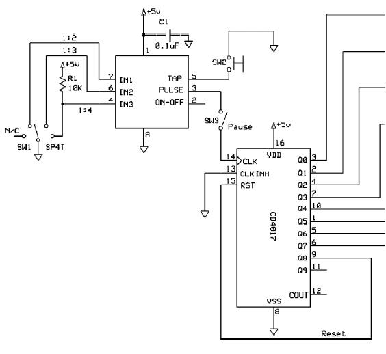
A mellékelt képen SW2 a pillanat kapcsoló, amire kétszer rányomva meghatározhatjuk a kimeneti frekvenciát (amit ő ismételni fog folyamatosan a következő két lenyomásig). SW1 pedig az clock impulse frekvenciának a viszonyát állítja a SW2 által megadott időtartamhoz (fele, harmada, negyede, egésze). Még annyit tudok, hogy 2.0-5.5 VDC között üzemel, internal oscillator speed 4Mhz. A legrövidebb clock impulse tempó 0,152 (394 BPM) másodperc kéne hogy legyen (ami a néggyel osztott állásban 0,038 (1578 BPM)), a leghosszabb pedig 4,19 másodperc (15 BPM). Ha valaki képes lenne segíteni ebben (megprogramozni/kiégetni) kérem értesítsen.
Ha mondjuk 16f628 as picet használnál a 8as osztót is bele lehetne írni a programba és a 4017 et is elhagyhatnád ! A kimenő impulzusok egyből a pic
8 lábán jelennének meg .
Köszi a tippet! A 4017-et meghagynám (pár régebbi projectet is upgrade-elnék a PIC-cel). Esetleg te foglalkozol PIC programozással?
Igen programozgatok . De tudni kéne mekkora a max
léptetési frekvencia .
Hú, az jó. Sajnos én meg azt sem tudom, hogy mi az a léptetési frekvencia. Az internal oscillator speed 4Mhz. Ha kifejtenéd.
Jobb lenne, ha minél pontosabb lenne a cucc.
A Clock impulse-ok Hz-ben:
leglassabb: 0.25 Hz (15 BPM) leggyorsabb: 6.57 Hz (394 BPM) (a leggyorsabb a négyszer szorzott módban: 26,3 Hz) Tehát a leglassabb 0.25 Hz, a leggyorsabb pedig 26,3 Hz.
Tessék a program 16F628 ra
|
Bejelentkezés
Hirdetés |










