Fórum témák
» Több friss téma |
Fórum » LC mérő
Valóban ízlés dolga... Vagy azt mondod, hogy aki elektronikával foglalkozik, annak nem is kell?
Természetesen mindenki írja úgy, ahogyan neki tetszik. Főleg angolul, mert az olyan "elegáns". Minden kínai trutyira úgy van írva. Én biztosan nem örülnék, ha gagyi kínai terméknek néznék, amit csináltam. Persze, lehet rovásírással is, akár ómagyarul. (... és az még mindig szebb lenne, mint az angol!) Végül is egyre kevesebben tudunk már magyarul, nem kell erőltetni.
Én veled értek egyet. A saját készülékemre én már azt sem írnám rá angolul, hogy"made in hungary", csak azt hogy "készítette X..Y.." Egyébként régebben én is csináltam angol feliratú erőlködöket, mert mániám volt hogy minél jobban hasonlítson a "gyárira", de kezdek felhagyni ezzel a szokásommal
Akkor Te is rájöttél valamire! :yes:
Szia!
Engem is nagyon érdekel a mérő berendezésed! Nagyon komoly lett, ilyet még nem láttam sehol ami ekkora intervallumban mér, és melette ESR-t is. Publikus lesz a kapcsolása és a progija majd? Gratulálok!
Szervusz!
A kapcsolást és a PIC hex kódját egy leírással fel fogom tenni a kapcsolások közé. kb. 2-3 hét múlva. Üdv.
Sziasztok!
A program mikroC-ben nincs meg valamelyőtöknek?
Szia!
Nem sürgetlek, csak meg szeretném kérdezni hogy mire várható a cikk . Köszi!
Sziasztok lenne egy kérdésem!
Ez előző oldalakon emlegette lc-mérő asm-ét sehogy nem bírom befordítani hex-ben ez mitől lehet? Valaki tudna nekem feldobni egy olyan Asm-et ami fordítható(Nem a Hexre van szűkségem! Köszönöm!
Szervusz!
Közben egy kicsit megálltak a dolgok, az "asszony" eltörte a jobb csuklóját és ez súlyos következményekkel jár: mosogatás és egy szórakoztató dolgok... A héten talán leveszik a gipszet és helyreállnak a dolgok. Azért bízom benne, hogy május első hetére meg leszek vele. Üdv.
Sziasztok.
LC mérőt építenék én is. Van is egy ami nagyon tetszik link , itt az oldal közepe felé, yus nevű fórumozó mutatja be. Ami tetszik benne az az, hogy a kijelzőjén több minden elfér, és nekem pont ez kellene, mert mivel adja hozzá a forráskódot is, ezért gondolkodom rajta, hogy kicsit tovább kellene fejleszteni. Szerintetek, érdemes megcsinálni, vagy válasszak a bevált kapcsolások közül? És egy videó róla: Link
Szervusz!
Gyakorlatilag ugyanaz mint a többi, más PIC-kel, kijelzőkkel (EPE magazinost kivéve). Ha fejlesztgetni akarsz ezt is választhatod...
Helló ! A kedves feleséged ,hogy van kell még mosogatni ?
És ezt egyáltalán nem öncélúan kérdezted!
Helló ! Természetesen nem öncélúan, vagy ötvenen várjuk a gyógyulást.
Köszönöm a kedves érdeklődésedet!
A helyzet már javul (pár napja levették a gipszet), csütörtökön elutazunk (ezt a helyzetet nekem is ki kell heverni) egy pár hétre és utána végre tudok a hobbinak is szánni egy kis időt. Konkrétan a cikket be tudom fejezni és feltenni reményeim szerint 31.-ig. Már csak azért is le kell zárnom ezt a projektet, mert a következő projektemet is szeretném elkezdeni (inverteres hegesztő trafó). Üdv: P István
Helló ! Kellemes pihenést kívánok ! Remélem ,hogy megérem még az LC mérő közzé tételét. Az én koromban már bármi elő fordulhat.
Engem is érdekelne kifejezetten a TE kapcsolásod, mivel ESR-t méri a linkelt nem tud.
Nem egy olyan ördöngősség a kapcsolás, de én leírom őszintén, hogy egyfelől lusta vagyok a kifejlesztésére, de szerintem ez megbocsájtható ha azt is leírom, hogy hétfőtől péntekig negyed hatkor kelek, az egész napomat az egyetemen töltöm, ahol teletömik a fejemet mindenféle hülyeséggel, elméleti dologgal, és hazaesek este 7 felé, hulla fáradtan, szóval hogy ez után se erőm, se időm nekiállni fejleszteni, egy egy hétvége alatt szívesen utánépítenék egyszer valaki más kapcsolását. Szóval hajrá, nem kell annak a cikknek olyan professzionálisnak lenni, csak ne úgy készüljön mint a Luca széke...
Igen engem is érdekelne, mert az ESR mérővel a sok rossz kondi cserélhető. Egyre több készülék fordul meg nálam, így jó kis eszköz lenne.
Köszi!
Sziasztok!
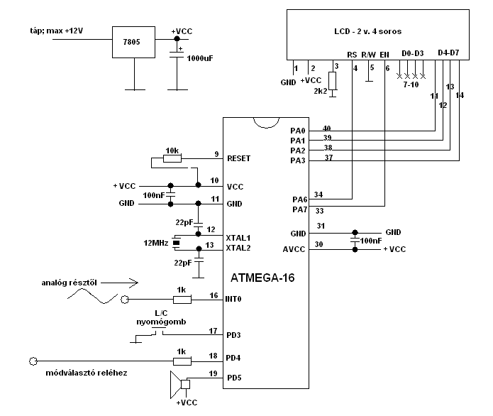
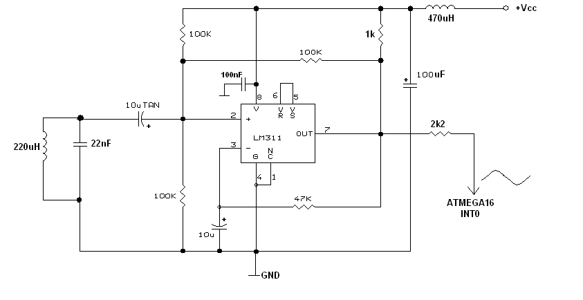
Kb. fél éve építettem meg a saját eszközömet, ATMEGA16 kontrollerrel. Akkoriban az analóg rész valamiért sehogy sem akart berezegni, ezért kikísérleteztem egy másikat, persze nagyon ocsmány volt a jelalak, működése pedig eléggé be volt határolva, és kondikat alig-alig lehetett mérni vele, de induktivitásokhoz jó volt. A szoftverét teljes mértékben magam írtam meg, még a kijelzővezérlőt is. Sajna a PIC-ekhez nem értek, az ATMEL meg egy másik állatfaj... Mai nap, a sok sikeres összerakást olvasva újra elővettem a dolgot, megépítettem az analóg részt egy 3x4cm-es kísérleti NYÁK-ra, és ELSŐRE MŰKÖDÖTT! Még külön illesztő fokozat se kellett a digitális részhez, az ATMEGA16 elég jól tűri az analóg jelet is(gondolom schmitt-triggeres bemenetet használ). A frekvenciáját is jól méri. Sajna oszcilloszkópom csak kölcsönbe volt, így a jelalakot nem tudom megnézni, de biztos szinuszközeli lehet, ha már ennyi mindenkinek sikerült... A digitális rész tökéletesen működik mind a mai napig, csak sajna nem számoltam a 300-400kHz-es alapfrekvenciával(a réginek 40kHz volt), ami miatt mégis újra kell írnom a fél szoftvert. Túl sok lebegőpontos számolást használok fölöslegesen, amire a sok interrupt miatt nem jut idő még 12MHz-es kavics mellett sem... Nos, ez utóbbi miatt 220uH+22nF párost használok, ami kb. 72kHz - es alapfrekvenciát eredményez. A gondom az, hogy bekapcsolás után lassanként(kb. 2-3 perc alatt) elmászik a frekvencia(fölfelé) kb. 300Hz -et és ott stabilizálódik(az utolsó számjegy ugrál csak). Az 1kOhm - os ellenállást kicseréltem 2kOhm - ra(ami a Vcc-t köti össze az LM311 (7) - es kanócával). Ekkor az elmászás lelassult, és most kb. 200Hz - et mászik el, persze még lassabb ütemben. Szinte biztos vagyok benne hogy valamelyik elkó töltődik, emiatt változik a rezgőkör jósági tényezője. Az eltérés még az egy százalékot se éri el, de nagyon zavar, mert az önkalibrálást én minden bekapcsolásnál meg akarom csinálni. Mit kell még változtatnom?
Ez nagyon felkeltette az érdeklődésemet!
Nem lehetne látni valami kapcsolási rajzot esetleg a programot is??
Ha PIC-re szeretnéd, ahhoz biztosan találsz a korábbiakból.
Én ATMEGA16 - ra írtam, és csak az analóg részt vettem át a PIC-es változatból. Ahogy készülget, majd dokumentálom is a művemet, egyelőre csak az analóg rész és a frekvenciamérő+kijelző megyeget. Az analóg részt mindenképp külön panelen építsd meg, mert ha elrontasz valamit(én már tucatszor elrontottam), akkor ne az egész menjen kárba. A digitális részen(ATMEGA16+kijelző+tápfeszkockák) nem sok mindent lehet elrontani. Arról készítettem egy rögtönzött rajzot(remélem jól), és feltöltöttem a RÉGI firmware-t. Még a régi kalibrációs értékek vannak benne, de a frekvenciamérő jó...
Bocsika, az analog1.PNG egy ponton hiányos, nem tartalmazza a +Vcc bekötését.
A pozitív tápfeszt az LM311 a 8-as(V) lábán kapja, innentől értelemszerű hogy hová kell bekötni... Ja igen. a relét sem tartalmazza, mert még olyan friss ez a kapcsolás. Amúgy a relét egy NPN tranzisztor hajtotta meg a régi változatban. Tehát ha az ATMEGA16 PD4 portján pozitív feszültség jelenik meg, akkor átvált kapacitásmérő fokozatra. Az átkapcsoláshoz a nyomógombot le kell nyomni, az átkapcsolást a kijelzőn váltakozó "C=" és "L=" feliratok, illetve a kis hangszóró csippanása jelzi. A nyomógombot szoftverből pergésmentesítettem, a hangszóró egy kis fekete henger alakú NYÁK-os speaker, a kontroller bőven elbírja.
Ja igen, mégegy apróság.
Ugye a korábbi verziók a PIC16F84A - ra épültek, ami sokkal kisebb(méretben) mint az ATMEGA16, ez utóbbi 40 lábú. Jelen feladathoz az ATTINY2313 illetve az ATMEGA8 is megfelelne(lábszám tekintetében), ezek méretben megegyeznek a PIC-el, és az áruk is barátságosabb. Sajna a jelenlegi program meghaladja a 9KB - ot, de talán a lebegőpontos számítások egyszerűsítésével le lehet szorítani 2KB alá, így az ATTINY2313-ra is ráférhet a kód- Azonban tervezek egy olyan változatot, amiben a kijelző 6 darab LED-es 8 szegmenses számsor, ehhez biztos nem elégegy 20 lábas kontroller, márcsak a kijelző miatt is. Ugyancsak tervben van, hogy soros porton tudjak vele kommunikálni, elsősorban a kalibrálás miatt. Ez a sorozatgyártáshoz nélkülözhetetlen. Egyrészt azért, mert nem kéne minden műszer felprogramozásánál nyitva lennie az AVRSTUDIO-nak, hogy oda kézzel beírkálja az ember az értékeket. Másrészt így lehetőség nyílik, hogy a kedves Vásárló is képes lesz minimális számítógépes ismeretekkel újrakalibrálni a műszerét, egy Hyper Terminal és egy soros kábel segítségével. milyen szép is lenne...
Én is Atmel-ekkel küzdök... Biztos nem akarom Pic-el csinálni, azt már rég megtehettem volna.
Az nem volna rossz, ha bele lehetne gyömöszölni a progit a mega8-ba (mega8 van is itthon) de ugye annak csak 8k a memcsije.. Most egy spec fénycsővezérlővel küzdök 1 attiny45ön, meg folyamatban van egy labtáp projekt, ami anyagi okokból csak lassan megy előre. ezeket szeretném befejezni utána vetném magamat ebbe a témába. Én egy komoly műszert szeretnék összehozni, ezért ezt nem fogom elkapkodni.
Bár még csak félig van kész a drágaszág, már most is elég komolynak mondható.
Az eddigi hozzászólásokból ítélve senki nem próbálkozott Atmel kontrollerekkel. AVRStudio alatt, C-ben írtam meg a teljes programot, melyet PonyProg segítségével töltöttem át. Az égetéshez elég egy átalakított nyomtatókábel. De már építettem egy USB - s ISP programozót, azt AVRStudio alatt lehet használni. Majd ha kész lesz a dolog, azt is felteszem.
Üdv.
A mai termés: egy kis zavarszűrés. Az analóg rész tápfeszébe kell egy fojtótekercs, illetve az ATMEGA16 táplábaira(közvetlenül az IC lábaira!!) 1-1 100nF - os szűrőkondit tettem. Az analóg rész 2kOhm - os felhúzó ellenállását visszacseréltem 1K - ra. végeredmény: a frekvencia az első 4-6 másodperc után nem mászik el(annyira). Kb. 100Hz-et növekszik, és ott beáll. Ez már messze nem olyan vészes, tekintve hogy kb. 2-3 ezrelékes eltérést okoz ha azt is beleszámolom hogy a mért érték a frekitől négyzetesen függ. Jelenleg amúgy a kondik mind lomizottak, de legalább az elkókat ki fogom cserélni újakra, mert sok múlik rajtuk is. Az 1kOhm - os ellenállást a továbbiakban békénhagyom, mert ha kisebbre teszem lehet hogy hamarabb beáll a végleges, de rossz freki. Még a legjobb rezgőköröknek is van egy kis sávszélessége, ezt is figyelembe kell venni...
Nemrég újratelepítettem a gépet, most telepítettem fel mindet tool-t(AVRStudio4, AVRStudio-update, WinAVR, PonyProg, stb...), és betöltöttem a projektet.
Úgy néz ki, jót tett az upgrade, mert most "csak" 7324 byte a kód mérete, szóval esélyes az ATMEGA8. Csak az a gond, hogy a MEGA8 majdnem MEGA16 árban van, ami miatt(számomra) még a kisebb méret miatt sem vonzó. Jah, még egy apróság, az adatmemória 435 byte, a MEGA8-nak is 1KB az adatmemóriája? Ezek a számok(szerintem) kisebbek lesznek, megpróbálok lekódolni valami fixpontos számítási rendszert... A cél természetesen az ATTINY2313, az sokkal olcsóbb, mérete a PIC16F84A - val egyezik. Ha az 1KB-os PIC-be belefért a kód, valahogy csak bele lehet gyömöszölni a 2KB-os TINY-ba is, nem?
Szia!
Szerintem úgy lehet legjobban tömöriteni a kódot, ha asm-ben irod meg az egészet. Sokkal gyorsabb lesz az egész és jóval kevesebb helyet foglal. Esetleg még van az a megoldás, hogy optimalizálod saját magad a kódot. Esetleg a ciklusfeltételek környékén nézd meg a kódot. Pl. gondolok a for ciklusra, ami igazából while - lal is megoldható és igy kimarad a komparálás. Lehet, hogy hülyeséget beszélek, csak én igy szoktam "kicsinyiteni". Nekem volt már párszor, hogy nagynehezen összeszenvedtem egy progit és a hozzáértők a kódméretet akár negyedére is össze tudták tömöriteni. Esetleg megoszthatod a C-forráskódot, ha publikus, akkor talán gyorsabban menne. Hát ennyi jutott eszembe hirtelen. Üdv!
Hello!
Ahol lehetett, ott optimalizáltam a kódot. Az AVRStudio is tud egy optimalizációt, jelenleg O3-as szinten van, azon legkisebb a kódméret. Eközben én is rájöttem, hogy a hibátlan működéshez assembly-ben kell megírnom. Ugyanis a kontroller kb. 110kHz fölött beadja a kulcsot, és nem mér valami pontosan. Hamar rájöttem, ez nem az Atmel hibája, egyszerűen sz*r a kód. Hogy lehet, hogy egy 150kHz-en ketyegő jeladó kifagyassza a 12MHz-es kontrollert? Csakis úgy, hogy pl. egy uint8_t(bájt) típusú változó 1-el növelése 20byte-al növeli a kódot(C-ben), holott ez regiszterszinten EGYETLEN bájt lenne. Egy long típusú változó 1-el növelése(count++) kb. 200byte-al(!!!) növeli a kódot, és így a feldolgozási időt is. Végülis nem (túl) nagy para, programoztam már assembler-ben ATMEGA128-at, remélem az ATMEGA16 és az ATTINY2313 nem fog ki rajtam. Én ebből kívánok megélni, ezért nem építhetek olyan műszert, ami 80kHz-en ketyeg, mert eléggé behatárolja a működését a kis freki. Már kaptam állásajánlatot is, igaz, a srác PIC-ekkel foglalkozik leginkább, azon belül is assembler-t használ, legalább lesz egy kis gyakorlat...
Helló ! Ez még az LC mérő topik ? Másik kérdésem mi lehet p istvánnal ???
|
Bejelentkezés
Hirdetés |














