Fórum témák
» Több friss téma |
Fórum » Erősítőhöz való hangsugárzó védelem (koppanásgátló)
Témaindító: Thom, idő: Márc 14, 2006
Témakörök:
Milyen erősítőd van?
Nálam működik a "hangerővédelem" azaz túláramvédelem. Az IC-s hanszóróvédő ezt is tudja. De ahhoz megfelelő erősítő is kell. Ha az erősítő szimmetrikus felépítésű, és a végtaranzisztoroknál van kollektor/emitter ellenállás, akkor nyert ügyed van. Nálam működik, egy potmétrerrel beállítom a hangerőt, és ha ezt túllépi az erősítő old a relé Én a saját B5 erősítőmmel kísérleteztem ezzel. Ha valakit érdekel majd felteszem a kapcsolási rajzot.
Hello!
Nekem elméletileg a PTC bizti megoldása a legszimpatikusabb. Persze az tranziens dolgoktól nem védi meg a hangszórót, csak "statikus" túlterheléstől. Tehát ugyan úgy működik, mint ahogy a hangszóró cséve melegedne. Hiszen maga is egy termikus eszköz. De hogy mekkora áramút érdemes választani hozzá, azt csak próba tudná eldönteni. Azt nem mértem mennyire lineáris eszköz ez, de ha lesz időm megmérem. Mert ez még is csak egy erősen szennyezett szilícium lapka, tehát félvezető. üdv! proli007
Technics SA-EX140, de van úgy, hogy Quad 405-re kapcsolom a dobozokat, amik Wharfedale Valdus 500-asok.
Szerintem hangszórónként és nem hangdobozonként kell az áramot figyelni, mert különböző áramot viselhet el egy magassugárzó és egy mélysugárzó. Az erősítő és a hangszórók között ott van a (passzív) keresztváltó a dobozban. Az általad említett IC-s hangszóróvédő így működik? Szerintem nehéz megoldani, mert a hangdobozokban már nincs tápfeszültség, egy IC-nek meg általában kell, de ma már bármi megtörténhet ![]() Mindenesetre érdekel a kapcsolási rajzod, kérlek tedd közzé! Köszönöm: Pepe
Hello!
A tranziensekre varisztoros megoldásban gondolkodom, amit közvetlenül a hangszóróra kötnék. Persze ez csak akkkor jó, ha az erősítő kimenete rövidzárvédett. A PTC-ket többféle áramértékben lehet kapni. A hangszóró teljesítményének és impedanciájának függvényében ki tudom számolni a maximálisan elviselhető áramot és ennél valamivel kisebbet választanék. Pl. most kinéztem egy 20/30 Wattos magassugárzót, 8 Ohmosat. Ha mondjuk 25 Wattra választom a határértéket, akkor 1.77 Amper jön ki. Az RXEF 135 1.35 Amperes, az RXEF 185 1.85 Amperes, a kettő közül választanék. A nemlinearitásra én is gondoltam. Nyilván mindennek ára van. De ha nem hallható a nemlinearitás okozta probléma, akkor nekem megéri. Itt egy rövid leírás ezekről az eszközökről: http://www.circuitprotection.com/catalog/app/C12_loud_(121-124).pdf Üdv, Pepe
Szia!
Én nem értek annyira a témához, csak a saját gondolataimat írom le, amik lehet, hogy teljesen távol állnak a valóságtól. Ha egy hangdobozban van mindenféle hangszórótípus passziv váltókkal, attól még a hangszóró kimenetén van egy jól mérhető impedancia érték (ellenállásérték) ami pont elég ahhoz, hogy az azon folyó áramot figyeljük. Biztos más terhelést bír el egy mély,és egy magas, de kis kompromisszummal szerintem elég egy védelem is, aminek csak annyi lenne a szerepe, hogyha véletlenül túl magasra tekernéd a hangerőt lekapcsoljon. Lenne egy széles sáv, ami között biztonsággal használnád. Az általam "favorizált" IC-s védelem más fórumokon történő némi továbbfejlesztésével született meg ez a kapcsolási rajz. Ez az erősítő végtranzisztorjainak (kollektor/emitter) ellenállásait figyeli. Elég sokat kísérleteztem vele, és jól működik a B5-ös erősítőmnél. A 2,2k-os trimmer értékével lehet beállítani a max. hangerőt, aminél szeretném, hogy oldjon a relé. Elég sokmindent tud ez az IC-s védelem, majd ha lesz kis időm egy pdf-be összeállítok mindent, amit erről a védelemről tudni lehet (kapcsolási rajzok, nyáktervek, leírások). Különböző verziók vannak, mindenki válogathat a kedve szerint.
Szia!
Egy kis kompromisszummal lehet, hogy elég egy védelem is, ez igaz. Nekem most mindkettő dobozban tönkrement a magassugárzó, de csak az, sem a közép, sem a mélyek nem mentek tönkre. Persze úgy is nézhetjük a dolgot, hogy jó, hogy a többi nem ment tönkre De szerintem ez most nekem azt jelenti, hogy a magasakat jobban kell védenem a többinél.Ezen felül, ha hangszórónként van védelem, akkor csak az a hangszóró hallgat el, amelyik túl van terhelve. Ha úgy méretezném az egységes védelmet, hogy a magassugárzó védelmi szintjénél kapcsolja le az egészet, akkor jó eséllyel nem tudom kihasználni a közép- és a mélysugárzó(ka)t. Ez csak azért fontos, mert néha ez az erősítő és ezek a hangdobozok bulikon biztosítják a zenét és ott szükség van az otthonihoz képest nagyobb hangerőre. Tehát fontos, hogy ki tudjam használni a nagy teljesítményét a dobozoknak és az is fontos, hogy ha valamelyik magassugárzóval gond van, akkor ne legyen hirtelen csend, maximum a magashangok tűnnek el egy rövid (?) időre. Köszönöm szépen a rajzokat, nagyon érdekesek. Ez tényleg egyszerre figyeli a teljes spektrumot, ami jó, de én továbbra is azon töröm a fejem, hogy hogyan tudom külön-külön védeni a hangsugárzókat. Üdv, Pepe
Sziasztok!
Problémám a következő: van egy PIONEER A-307R erősítőm, van hozzá két Connan 4Ohm 100W-os hangfalam, és mindig leold nagyobb hangerőnél, de van mikor a 2-3perc után egy szám közepénél, ha csak egy 25ös mélyládát kötök rá vagy a 6Ohmos minihifi hangfalakat akkor nem old le, melegedni nem melegszik, hogy tudnám kiiktatni ezt a leoldást? Válaszokat előre is köszi
üdv,szerintem van a védelemben egy tulterhelés figyelö áramkör,ami csatonrnánként álltalában 2 tranzisztorból,diódából meg ellenállásokból áll.Azért old le mert kicsi az álltalad használt hangszóró impedanciája.8 ohmos lenne az igazi,kiiktatni kilehet,megkell tudnod,hogy milyen áramkör vezérli az egész védelmet.Ic vagy tranzisztoros védelemröl van e szó,ez nagyon fontos.Utána néztem a neten,aszt hiszem ebben az erösitöben egy ic végzi a védelem vezérlését.A száma pedig C1237HA 8 lábú egy oldalas ic valahol a relé közelében keresd,ha ilyen van benne akkor nagyon egyszerü a dolog,csak az 1.- es lábat lekell kötni és a tulterhelés védelem nemfog müködni,a többi funkciója továbra is megmarad.De,ha tévedek és nem ic s akkor lekell rajzolnod a kapcsolását,hogy segiteni tudjunk.
Üdv! Tranzisztoros.
és ha két 4 Ohmos 150 Wattos teljesítmény ellenállást bekötnék a hangfalakra?
Hello!
Azzal működne, csak a fele teljesítmény odaveszik. Amúgy nem kell ekkora teljesítményű, csak max. a végfok teljesítményének fele méretű. üdv! proli007
müködni fog,de ahogy a koléga is irta a fele teljesitmény elvész az ellenálláson,hövé alakul át.150wattos ellenálás az nem egy kisméretü dolog,épithetsz neki külön ládát
,elég annak a fele teljesitményü is,de szerintem megérné a védelmet megbuherálni inkább egy kicsit,vagypedig megnézni,hogy a végfok tranzisztorainak kimenetein vane teljesitmény ellenálás,és ha van akkor milyen,ezeknek az értékét lehetne kicsit növelni,igy késöbb reagálna a védelem.
Ha valóban IC-s a védelem, akkor némi "beavatkozással" könnyen ki lehetne iktatni az áramvédelmet. Ez előző oldalon közölt rajzaim segíthetnek a megértésben. Az IC 1-es lábát kéne kiiktatni, vagy (ha van) a tranzisztoroknál ellenállás, akkor annak az értékét változtatni. De legjobb lenne, ha lenne egy trimmer, mint nálam is, amivel lehet állítani azt a teljesítményt, aminél már old a rendeszer.
Lehet, hogy a gyári erősítő védelméhez is tettek ilyen trimmert.
Üdv!
Rájöttünk a titok nyitjára: a hangfalakat megmértük és 3,4 Ohm-on működtek. Átkötöttük őket és így 11,2 Ohm lett, és nem old most már le működik rendesen. Köszönöm a segítséget mindenkinek.
Sziasztok!
Megépítettem egy erősítőbe való koppanásgátló áramkört.. Itt található az ELEKTRONIKA/Kapcsolások, építési leírások/Hangszóróvédő kapcsolás menü alatt.. A problémám vele hogy hiába kötöm az U~ csatlakozást a trafó szekunderére nem érzékeli, azaz, ha táp feszt kap egyből meghúz kikapcsoláskor csak akkor kapcsol ki ha kimerült a puffer.. A sárga led halványan világít.. valaki tudna segíteni? Csináltam a rajzot arról ahogy gondolom hogy hogy kötöttem be... Jó ez így? Én úgy gondolom hogy jó.. Előre is köszönöm! Üdv!
Jaj, bocsánat, ez csak ELRAJZOLÁS a panel jól van bekötve!
Köszönöm hogy észrevetted!
A többi jónak tűnik.
És mennyi a táp, amit rákötöttél, mert a kapcsolás +-35V ra van kitalálva ??
Sziasztok!
Megépítette ma a Majki-s védelmet.. Itt található az ELEKTRONIKA/Kapcsolások, építési leírások/Hangszóróvédő kapcsolás menü alatt.. A problémám az lenne hogy nem késleltet semmit.. Bekapcsolom egyből meghúz a relé, zöld led világít, a sárga halványan, amikor bekapcsolom abban a pillanatban a piros is majd elalszik. Majd mikor kikapcsolom, csak akkor ejt el ha elfogy a kondenzátorból a feszültség, ekkor a zöld halványul a piros világít majd elalszik a sárga is addig pislákol míg van feszültség.. A tápfeszültség +/-32V A topic elején olvastam hogy meg kell nézni a T2-T3 at ha kiveszem, eredmény semmi.. C3 nagyobbra cserélése, semmi. Zárlat sehol sincs.. Valaki tudna segíteni? Előre is köszönöm! Üdv!
Nekem is hasonló bajom van, de az oldal elején található kapcsolással. Én kissebre cseréltem a kondit, mert túl sokáig kelett várni amig a relé behúzott.
Kondicserével lehet próbálkozni. Viszont az én bajom az, hogy pufferelt tápot kap. (ezen nem tudok/akarok változtatni), igy viszont kikapcsoláskor nem ejt a relé azonnal. Van valakinek ötlete hogy lehetne megoldani hogy kikapcsoláskor azonnal ejtsen a relé? Az 1 Megás ellenállásnak mi a szerepe? Én nem tettem be, mert ha berakom nem húz be a relé akármeddig is várok. ez a kapcsolás az
üdv
A szekundér tekercsre bekötötted a váltóáram figyelö egységet?Ez fontos,ugyanis aszerint kapcsol ki és be,ja és fontos hogy azon az ágon nelegyen semmi kondenzátor,csak az a dióda és ellenállás.
Az az ellenálás arra szolgál,hogy kikapcsolás után kimeritse a kondenzátort azért hogy a következö bekapcsolásnál ne legyen rövidebb a bekapcs ideje,az oda kell.Nemszabad kihagyni,szerintem valamit elnéztél és kissebb értéküt raktál be,emiatt nembir feltöltödni a kondi és nemhúz be a relé.
Nekem személy szerint az eredeti nyákterv, és az 1db túlvezérlésjelző egyáltalán nem tetszett. Ezért alakítottam rajta a saját izlésem szerint.
Ez tutira működik, kipróbáltam. Esetleg indulhatsz ezen az úton is, vagy legalább nézd meg ezt a fajta kialakítást is. itt van nagyjából összefoglalva, hogy hol érdemes keresgélni. Alkotó
Hello!
Idézet: „az én bajom az, hogy pufferelt tápot kap. (ezen nem tudok/akarok változtatni)” Akkor honnan tudja meg szegény, hogy kikapcsoltad a tápot? Mert a pufferről, nem fogja megtudni. Három leetőség van. - Külön tápról (vagy egyenirányítóról) járatod - A hálózati kapcsolón ha van szabad érintkező, akkor bekötöd sorba pld. a relével. (Vagy más módon hatástalanítod a késleltetést.) - Visszaolvasol a topikban, mert már volt az átalakításáról szó.. üdv! proli007
Szia!
Idézet: „fontos hogy azon az ágon nelegyen semmi kondenzátor,csak az a dióda és ellenállás. ” Ezt hogy érted? Én egy meglévő erősítőbe szeretném berakni.. Akol a trafóból 3 vezeték jön ki ez 2X 23V körül van.. Aztán egy egyenirányító majd puffer.. Akkor emiatt nem működik rendesen? Előre is köszönöm!
Szia!
Nekem azért tetszett mert eléggé jónak mutatkozott, de most úgy látom hogy nem éppen jó.. Már felvetődött bennem hogy holnap építek egy másikat.. Ha szabad megtudni, te mivel tervezed a nyákokat? Mert kéne nekem egy LAY-os nyákterv (persze ha ideadod) mert megvan a 4db felfogató furat, ha a mostani paneled kisebb az az eredetinél akkor fúrhatok újat, azt pedig nem szeretném.. Akkor a végén úgy nézne ki mint egy tésztaszűrő.. Neked miért van 2Db piros LED a paneleden? Üdv! UI.: rájöttem miért a 2 vörös led..
Megtudnád nekem mutatni mégegyszer,hogy milyen kapcsolást használtal a védelemhez?Mert ha olyat,amiben nincs szekundér tekercs figyelö,ami azt figyeli mikor kapcsolod be az erösitöt akkor külön táprol fog kelleni müködtetned a védelmet,vagy pedig az erösitö trafójának váltó kimenetét megcsapolod és teszel egy különálló egyenirányitót és valami kissebb értékü kondenzátort.Azért mert a pufferek soká maradnak feltöltve és addig a relé is bekapcsolva van,de ha különtápod van és csak épp olyam kis kondit használsz ami azonnyomban kimerül,ha lekapcsolod az erösitöt akkor jólessz.
Alkotó!
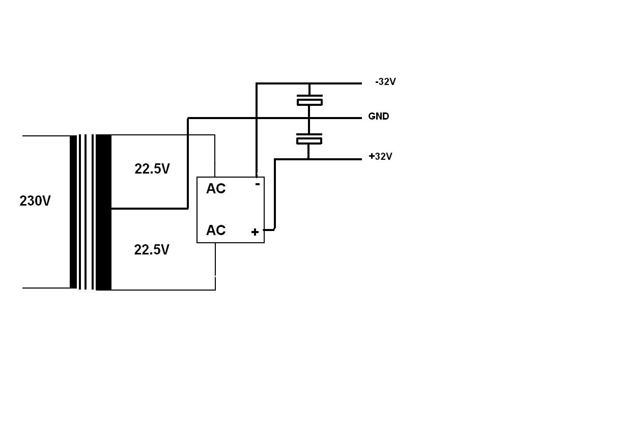
A csatolmányban látott táphoz használható a te módosított kapcsolásod? Az erősítőben így van csinálva a táp.. Üdv
Szia!
Ne bonyolítsd túl azt a váltó dolgot. Az ott van alapból minden erősítőben, csak egy darab dróttal hozzá kell kötni a védelemhez is. Semmi csapolás, meg külön táp, meg "mittudomén" még milyen sallang. CSAK egyetlen szál vezeték! Alkotó |
Bejelentkezés
Hirdetés |







,elég annak a fele teljesitményü is,de szerintem megérné a védelmet megbuherálni inkább egy kicsit,vagypedig megnézni,hogy a végfok tranzisztorainak kimenetein vane teljesitmény ellenálás,és ha van akkor milyen,ezeknek az értékét lehetne kicsit növelni,igy késöbb reagálna a védelem.


