Fórum témák
» Több friss téma |
Rákerestem, nem volt meg máshol sem.
(Csak kb 10 db van egyébként összesen.) Közben letöltöttem egy header csomagot, de nyilván más programhoz voltak, mert nem tudott vele mit kezdeni, egy rakás hibát talált a .H file-ban.
Hohó, megvannak!
A "PIC programozás C nyelven" c írásban ott vannak a végén egy zip-ben.
Pedig ott vannak azok a fordító mappájában, nézd csak meg jobban!
1. Jó lett volna tisztázni, hogy a CCS fordítóról van szó!
2. A demó változat "hivatalból" korlátozott, tehát nem véletlen, hogy nincsenek ott a header fájlok, mivel csak néhány típust támogat. Mindamellett méretben és időben is korlátos, úgyhogy nem tudom, hogy érdemes-e szenvedni vele? A Hitech Lite pl. ingyenes és nem korlátos... Idézet: „The demo is a limited PCWHD compiler for Microchip PIC MCUs: 14-bit PIC16F877, 14-bit PIC16C554, 16-bit PIC18F458, 24-bit PIC24FJ128GA006, and dsPIC30F4012. The demo compiler is licensed for 30 days and has a 2k program size limit.”
Rendben, azt hittem, h a PIC C Compiler már beazonosítja a programot.
Mindenesetre a Hitech Lite-ot kipróbálom.
PICC alatt a HiTech fordítóját szokás emlegetni, ezért hittük azt, hogy arról van szó, bár azt sem azonosítja egyértelműen.
De amúgy az, hogy "PIC C Compiler" az neked mit mond? Mert nekem csak annyit, hogy PIC-hez készült C fordító, ilyenből meg kb. 5-öt tudok kapásból, meg még egy adagot, ha rákeresek
Üdv!
Hogy lehetne megoldani, hogy egy adott port egyik bitjének valami nevet adni és arra hivatkozva írni, olvasni? Én erre gondoltam, de az MPlab szimuláció szerint így nem működik. #DEFINE RS PORTA,0 . . bcf PORTA,RS . .
Gondold végig, hogy mit csináltál. Amit te csináltál, az a preprocesszor (nemtudom, ennek mi a magyar neve) munkája után így nézett ki a fordító számára:
Ha már a define-t nagybetűvel írod (amit amúgy nem szokás), akkor a BCF-t miért kisbetűvel írod (holott ezt meg naggyal szokás)?
Tehát akkor hogy kellett volna írni?
Így? #DEFINE RS PORTA,0 . . BCF RS . .
Sziasztok!
Segítségeteket szeretném kérni. Megépítettem ezt a programozótBővebben: Link és van egy PIC16F627-20/P. Ehhez szeretnék egy programot és egy kapcsolást,hogy letudjam ellenőrizni,hogy jól működik e az égető.Én egy olyanra gondoltam mint a képen látható.Vagy esetleg ehhez az PIC-hez jó a fájlmellékletben szereplő rajz is a programmal együtt?
Hát szerintem ezta progrmozót elfelejthetnéd inkább épitsd meg szilva pickit klonját,saját tapasztalatból mondom sok kellemetlenséget megsopórolsz.
Szerintem mindenki segítőkész ha elakadsz!!
Ezt nem nagyon kell tesztelgetned műkődik és kész!!!
Rendben köszi.
Azért ha már megépítetted, próbáld ki, mert sokunknak ez is működik és legalább lesz mivel felprogramoznod a PK2-t, amit viktorka olyannyira ajánlgat, csak azt nem említi, hogy abban PIC van, amit fel kell előtte programozni.
Még nagyon nem is olvastam el csak átfutottam a szememmel.Akkor ennek is PIC kell amit fel kell ugye programozni. Hát ha ez is jó akkor szerintem felesleges még egyet építeni nem? Talán akkor érdemes ha már jártasabb vagyok a programozásban.
Te tudsz valamit oldalt ajánlani amivel megérthetem a programozást,hogy majd hogyan is kell csinálnom? Olyan kellene ami nagyon jó le van írva mit miért kell csinálni és érthető.
üdv mindenkinek!
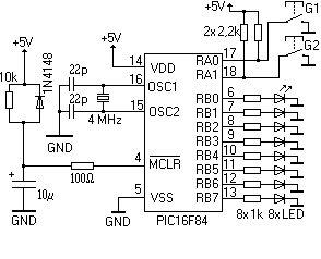
16f628a-t melyik lábán kell programozni? programozás közben is kell neki órajelet adni? és milyen programmal kell felprogramozni? a válaszokat előre is köszi
Mint minden más PIC mikrovezérlőt a VPP,VDD,GND,PGD és PGC lábakon lehet programozni. Külön órajel vagy oszcillátor nem kell.
Idézet: „és milyen programmal kell felprogramozni?” Attól függ, hogy milyen eszközzel történik a programozás. Például PICkit2 esetén a PICkit saját programjával, vagy az MPLAB IDE használatával, esetleg a PK2CMD parancssori programmal. Házi építésű, vagy más gyártók programozó készülékei esetén pedig megadják, hogy milyen programmal használhatók.
köszi a válszt, de én arra lettem volna kívácsi, hogy 16f628a-nak hol van a PGD és PGC lába?
Idézet: „arra lettem volna kívácsi, hogy 16f628a-nak hol van a PGD és PGC lába?” Ott, ahol az adatlap Pin diagramja muatatja: RB7, RB6.
köszi a választ bocs, hogy nem vettem észre. már csak azt szeretném megkérdezni, hogy hova kell kötni a kristájt a két kondenzátorral?
Igaz, hogy (szerencsére) ez egy segítőkész tagokból álló fórum, de azt hiszem, annyi önállóságot minden kérdezőtől elvárhatunk, hogy elolvassa az adott eszköz adatlapját. Még ha nem is tudsz angolul, a benne lévő rajzok teljesen egyértelműek.
Nem muszáj kristályt használni, egyszerűbb feladatokhoz a belső RC oszcillátor is használható.
Külső oszcillátor esetén az OSC1 és OSC2 lábak közé köthető kvarckristály.
Sziasztok
Megépítettem ezt a mini égető-t amelyet Watt oldalán találtam. Próba képpen egy felprogramozott PIC 16c622 használok (nem nagy kár érte ha elrontom) , ami csak olvasható , de próbának megfelel, hogy kiolvassam a tartalmát a Winpic800-as programmal. Most ott tartok, hogy a hardverfelismerés működik, viszont az olvasás nem. Mi lehet a gond? 1. túl hosszú a kábel? .....kb 40cm. 2. nem adja ki a nyomtatóport azokat a fesz. értékeket amit megfelelő lenne ehhez az égetőhöz? (a com-portos rámérést megtaláltam, de erre nem találtam választ, hogy hol kell mérni? Melyik tűket?) ha valakinek van ötlete azt szavesen várom üdv
Ha gyári programozású, akkor nagy eséllyel kódvédett.
A Code Protection pedig pont arról szól, hogy ne lehessen kiolvasni...
Köszi
akkor úgy néz ki ez a project nem jött be, nem is tudtam, hogy ezeket a PIC-eket is le lehet olvasás védeni, bár ha jobban belegondolok érthető. Most már csak az a kérdés, ha a hardver teszt, rendbe találja " Hardver ok"-t ír ki. akkor ki lehet mondani azt, hogy 1.az áramkör jó, 2. a pic-et fölismeri, 3. párhuzamos port megfelő fesz értékeket ad ki (ezt továbbra sem találom, hol kell lemérni )üdv
Feltehetőleg igen, de ezeket ne tőlem kérdezd! (én PICkit2-t használok...)
Feltételezés a kudarc melegágya.
Egy másik PIC-el ki kell próbálnod. |
Bejelentkezés
Hirdetés |





a válaszokat előre is köszi 
)





