Fórum témák
» Több friss téma |
A glimm meg a poti arra való, hogy egy bizonyos értéknél nem engedi tovább nőni a gyújtó kondi feszültségét. Nekem egy 190V -os zener van ott, de szerintem nélküle is mennie kell. Ha minden kötél szakad, akkor tedd be a glimmet, vagy egy zenert.
Vedd ki a triakot, és mérj meg minden feszültséget: az 555 tápját, az opto be -és kimenetén az impulzusokat, a gyújtókondi feszültségét, meg a CS1-CS3 közti feszültséget. Ha minden rendben, akkor marad a trafó, meg a triak (meg a glimm, esetleg).
Így van. Nem lehet olyan nagy a gond. Esetleg még a tekercs gyújtófeszültsége kicsi, mert mégsem ehhez a villanócsőhőz való. De ezt könnyen kipróbálhatod ha van egy akváriumod.
Csak vicc volt.
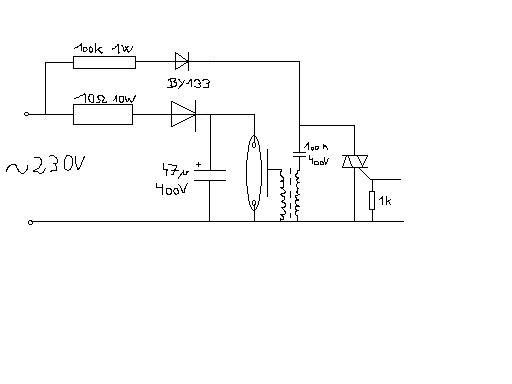
Na +probálom még 1x a rajzot, ha nem m1 akkor hnap szkennelek 1et.A triak után lehet kötni az urbán féle strobi optoját.Illetve a triak helyet alkalmazható a tirisztoros megoldás is.Mellékelem a gyujtó bekötését is.
Ha vkinek van elektronics workbench akkor itt van pár strobi rajz.Van aminek hiányzik a vezérlő rész, de az behelyettesíthető bármelyik strobiéval.
Hy szeretnék építeni egy stroboszkópot de nagyobb teljesítményűt mert van egy kicsi az U alaku csöves de aznem tökéletes discoba. Aki ilyet épített az szóljon és mondja hogy hogyan és hol lehet venni nagyobb csövet.
te hogy építetted azt a kicsit? mer nekem nem akar össszejönni...
Pesten a Zaj stúdióban lehet kapni egyenes csőveket, 40 és 80 cm hosszút. A kissebbik 1700w-os, és tizenpárezerért kapsz is 1-t !
kösz kapcsolást tudszadni?
Tudok, de teljesen más a működési elve, mint a kicsiknek...
Szólj ha valamit nem értesz ! Már írértem, hogy írok egy cikket erről.... scannelt rajz: 1,7kW_ strobó.jpg [off]szabi83 nyúlt bele
hát.. pl azt nem értem hogy-hogy nem rajzoltad még be mert szerintem lenne rá igény mert nem igazán birom kiolvasni.
illetve nincs-e véletlen működő paneled(rajzod)? azért kösz hogy egyűltalán segítsz benne
Mivel ez a készülék már legalább 3 éve megy, mindössze 1 meghibásodással (KY711-es dióda egyszer zárlatos lett, javításkor kettőt tettem be helyette, hogy miért az hosszabb történet..)
Ezért persze van hozzá nyákrajz is, igaz csak kézzel rajzolt, mert akkoriban mindent számgép nélkül csináltam. És ráadásul hibás is, mert az 1ik ic bekötését elcsesztem, és ezközöltem más átalakítást is. Az elkészült nyák vonalvezetéséről nekem is csak egy fotóm van. Tehát van még teendőm a publikálás előtt, viszont időm nemigen van arra, hogy vele foglalkozzam. A készülékről készült fotók +találhatóak a honlapomon.
ha betudnéd szekkennelni akkor én át tudnám rajzolni de így nem tudom kiolvasni és ha van jól olvasható kapcsrajz akkor megtervezném ha minden jólmegy a panelt. És ha lesz időd leírod a működését és kész a cikk. Légyszi bróbálj jó rajzot betenni mert naon fontos
Eszembe jutott, hogy miért nem tesznek kondit sorosan a nagy wattos elkok helyett, ami korlátozz a puffer kondi töltődését, nem lenne melegedés, csak kikéne számolni hogy mekkora kell oda nem?
Szkennelést csak hétvégén tudok csinálni, de összehozzuk !! Most ráadásul a a nyákról készült fotót sem találom
pedig valahol +van.. legalábis remélem, mert a készüléket eladtam, ezért nehéz lesz pótólni a fotót........
nagyon kösz hogy segítesz!!!
Amit belinkeltem wewba doksikat, abban benne van az 1700w-os strobi rajza.
Jo lenne ha vki csinálna belole jgp filet.
Idézet: „Eszembe jutott, hogy miért nem tesznek kondit sorosan a nagy wattos elkok helyett, ami korlátozz a puffer kondi töltődését, nem lenne melegedés, csak kikéne számolni hogy mekkora kell oda nem?” Aham, ezt 1 picit elírtad! Derájöttem mire gondolsz! Az ellenállások helyett szoktak fojtótekercset használni, az nem fűt(annyira) U.i: Rég dumáltunk!! Merre esz a penész?? Mit csinálsz?
Na összeszedtem 1kis rajzgyüjteményt.
Remélem hasznos lesz!?
helo
sikerült beszkennelni a strobi rajzát?
Ne tessék kapkodni ! Még nem jutottam oda !
jó csak érdelklődtem
Sziasztok!
Vásároltam egy villanócsövet 60 w/s és egy hozzá való gyújtótrafót. Hogyan kell bekötni? 12V-ról szeretném üzemeltetni, de úgy hallottam, hogy kb. 300V kell neki?! Hogyan lehet villogót csinálni belőle? Kapunyitó villogójaként akarom használni!!!
Hát ez elég kevés de nem reménytelen. Van valamennyi gyakorlatod hálózati fesszel vagy van FI ralétek? Mert ha igen akkor nem lesz nehéz mert akkor mehetne 230V-ról és pár alaktrész és kész. De ha regeszkodsz az alacsonyfeszhez akkor csinálnod kell egy invertert ami 230V körülire felvszi a feszt és akkor ugyanúgy megy mintha kapásvól 230V kezded. De ez bonyolultabb és szerintem valamivel biztonségosabb de nem sokkal..Itt is vigyázni kell
ez a két alkatrész nekem is megvan!
![]() de nem sikerült eddig összehoznom belőle! ha vkinek van tippe segítsége vagy vmi ötlete valzsonak az nekem is jól jöhet! sőt nagyon is jól jön! köszi geri
ha IFK 120as csövet használsz akkor tudok segíteni 2000ből hoztam ki az enyémet és ritmusra villog irj ha érdekel!!! Jah a csövet hol vetted és mennyibe??? Jah egyébként az oldalamon fennt van a strobinak a leírása ahogy én csináltam
jah a kapunyitó villogólyaként akarod csinálni akkor ez az elmélet nem jó amit irtam!!! Vagyis...
honnan tudom meg hogy a villanócsőnek melyik vége a plusz és melyik a minusz?? (gondolok én itt arra a csőre amelyik mellékelve volt nem rég egy hózzászólásba (48545))
jah és még azt had kérdezzem hogy az a kondi a great ba mire szolgál pontosan?!
Ha jól tudom csak zavarszűrő lenne (javítsatok ki ha nem)
:
Idézet: „honnan tudom meg hogy a villanócsőnek melyik vége a plusz és melyik a minusz?? (gondolok én itt arra a csőre amelyik mellékelve volt nem rég egy hózzászólásba (48545))” Elméletileg bele van gravírozva oda ahova a gyújtás megy. jah ha a képen jól látom van egy pirossal jelölt rész sztem az a negatív... ha itthon lenne most a strobim megmondanám de mivel sajna nincs itthon így nem tom |
Bejelentkezés
Hirdetés |




Csak vicc volt. 

illetve nincs-e véletlen működő paneled(rajzod)? azért kösz hogy egyűltalán segítsz benne
pedig valahol +van.. legalábis remélem, mert a készüléket eladtam, ezért nehéz lesz pótólni a fotót........



