Fórum témák

» Több friss téma
Fórum » Földhurok, avagy mit csináljunk, mikor minden zúg
Lapozás: OK   13 / 64
(#) hadnagyakos válasza zolika60 hozzászólására (») Feb 20, 2009 /
 
Ez meg fogja szüntetni a búgást? A 7812 nem jó, mert csak 1 ampert bír nekem meg nagyon minimum kettő kéne, mert mint írtam 20watos az erősítő.
(#) Topi válasza zolika60 hozzászólására (») Feb 20, 2009 /
 
Pff.. Ezt a sok *** amit összehordotok. StabIC-t erősítőbe.

Kérlek legalább olvass utánna az egyenirányításnak, mielőtt ilyeneket tanácsolsz!
(#) Topi válasza hadnagyakos hozzászólására (») Feb 20, 2009 /
 
Használj sokkal nagyobb puffer kondikat, ugyanis az erősítőd áramfelvétele sokkal nagyobb, mint amennyit a puffer kondik a félhullám/negyed idejére tárolni tudnak.
Továbbá, azzal, hogy kivetted a graetz hidat azzal még tovább rontottad az ügyet.

Most hogy egy diódád van benne, csak egy együtemű az egyenirányításod. Emiatt csak minden félhullám táplálja az erősítődet.

Tedd vissza a graetz hidat és tegyél nagyobb puffer kondikat.

StabIC betétel már az elektronikai alapelmélet ponton megbukik.
Tudni néke mi egyáltalán az egyenirányítás, mielőtt még valaki ilyeneket ír be, hogy a rossz együtemű egyenirányítást stabic-vel kell helyrehozni erősítőben.
Már ha csak azt nézem, hogy a stabic-k nem hirtelen változó terhelésekre van, már ezen a ponton is megbukott.

Szükséges puffer kondenzátor kapacitása kiszámolható abból, hogy az adott kapacitás mekkora energiát tud elraktározni, és az erősítőd mekkora áramot venne fel.
(#) zolika60 válasza Topi hozzászólására (») Feb 20, 2009 /
 
Igazad van. Csak a brumm csillapításán járt az eszem. Nem gondoltam át.
(#) hadnagyakos válasza Topi hozzászólására (») Feb 20, 2009 /
 
Nem, nem egy dióda van benne. A trafó szimmetrikusan ki van vezetve és azt két diódával egyenírányítom, ezel ugyan azt érem el, mint a Graetz híddal. Teszek be nagyobb kondikat, de nem tudom, hogy ha már az erősítő nyugalmi 100mA-es áramánál is búgás van, akkor segíthet-e.
(#) shadowsteve hozzászólása Feb 20, 2009 /
 
Üdv mindenkinek!
nemrég építettem egy 6 csatornás erősítőt, 3db tda1554q-val. minden rendben működött, de mikor összerakás után teszteltem (mind a 6 bemenetet szgépről meghajtva) megjelent a maci is! először földhurokra gondoltam, de nem tudtam sehogy megoldani a maci eltüntetését. mivel közvetlenül a táp után és a tda-k előtt is volt elkó, amik túl is voltak méretezve kicsit, nem is gondoltam rá hogy ezzel lehet a hiba.
néhány nap hibakeresés és vacakolás után mérges lettem és elkezdtem kiszedni az elkókat, és ekkor megtörtént a csoda: eltünt a brumm!
egy csökkent kapacitású elkó okozta az alig hallható brummot, LOL
az érdekes ebben az h zsír újakat építettem be..
(#) proba válasza hadnagyakos hozzászólására (») Feb 20, 2009 /
 
Elég sokan abba a hibába szoktak esni hogy a panelra is raknak egy pufferkondit -biztos ami biztos-, nem csak a graetz után.Ez is igen jelentős brumm forrás.
(#) djyuri válasza proba hozzászólására (») Feb 20, 2009 /
 
Így van....A penelre esetleg a további jeleket megszűrő 100 nanós kondik kellenek....

Nekem is így van a fet-es végfokom és egyetlen gramm búgás nincsen. A nagy mono blokkomon is ez van és ott sincs semmi.

A buffer kondik jó messze...esetleg egy lemezzel elválasztva. A trafó sem árt,ha nem a végfok nyakán van,de ebből még nem láttam komolyabb gondot.

A grates lábai közé (az összes közé) sem árt egy-egy kerámia kondi. (értéket már nem tudok fejből)
(#) Maymax hozzászólása Márc 6, 2009 /
 
Sziasztok! Nekem olyan problémám van hogy Van egy 4Omhos hangrendszerem és nagyobb hangerőnél elég erőteljesen súg. Van egy hifi (vagy inkább cd lejátszjó) ami önmagában nem produkál nagy hangerőt ezért rákötöttem az erősítőmre. Ha az MP3 lejátszómat kötöm az erősítőre akkor nincs súgás. Tehát a hifinek van baja. Abban kellene segítség hogy mivel tudnám ezt javítani? Mit kell benne cserélni? Vagy ha valaki tud egy szűrőt vagy bármit akkor nagyon megköszönném!
(#) m.joco hozzászólása Márc 7, 2009 /
 
Hello
Építettem egy mélynyomót, ami felváltotta a régi 5.1-es házimozi rendszeremnek a mélynyomóját. Ezen kívül a mélynyomó egy aluláteresztő szűrővel ráköthető a műholdas beltéri egységre és a PC-re(persze kapcsolók segítségével lehet átkapcsolni a használati módok között). Minden tökéletesen működik, nincs semmi búgás, kivéve azt, hogy ha összekötöm a mélynyomót a PC-vel, akkor akkor búgni kezd a mélynyomó, és az 5.1 rendszerben a többi hangfal is, holott a kapcsoló úgy áll, hogy a mélynyomó erősítője a DVD-lejátszó 5.1 kimenetéről kapja a jelet. Biztos hogy a PC okozza a gondot, mert ha kihúzom a jack dugót a PC-ből, akkor megszűnik a probléma. Az egész mélynyomó 2-es dugvillával kapcsolódik a hálózatra. Mi lehet a gond?
Üdv.
(#) m.joco hozzászólása Márc 8, 2009 /
 
Hello
Változott a helyzet. Kiderült, hogy mégis kettős földelésű volt a rendszer.
Ugyanis a mélynyomó erősítőjének a testje kapcsolatban van a dvd-lejátszóval, a dvd-lejátszó video jele RCA kábelon keresztül kapcsolódik a tv-re, abba pedig ugye megy a kábeltv coax kábelja. A számítógép pedig földelt konnektorba van bedugva. Gondoltam, milyen jó hogy erre rájöttem. Kihúztam a tv-ből a koax kábelt, bekapcsolom az erősítőt, erre most meg a center sugárzóból pattogó hang jön - kb. 5-6 pattanás hallatszik másodpercenként. Ezután kihúztam a tv-t és a dvd-lejátszót összekötő RCA kábelt, akkor megjavult a helyzet - se pattogás, se búgás.
Ezek szerint a tv-ből jön a pattogás, de ha nincs az erősítő földje kapcsolatban a számítógéppel(magyarán nincs bedugva a jack dugó), és a tv és a dvd-lejátszó is össze van kötve(RCA), akkor nincs pattogás, se búgás. Mi lehet akkor ez?
Üdv.
(#) ZPKing hozzászólása Márc 14, 2009 /
 
Sziasztok!
Építettem egy erősítő rendszert a Creative Live 24Bit hangkártyához.
5.1 es erősítő
Az erősítő vázlatát mellékeltem.
A helyzet az hogy ha bedugom a mélynyomó erősítő előtti szűrőre a jelet elkezd minden búgni.
Mindhárom erősítő egy nagy hűtőbordán van rajta de a teljes fém felülettől el van szibetelve csillámmal tehát semmi áthúzás nics. rámért ellenállás mérővel.
Az erősítőhöz sem a géphez nem csatlakozik tv.
a három trafó előtt 230as ágban a trafónkénti kapcsoló előtt van egy nyomtatóból kiszedett zavarszűrő panel.
Mellékelem még sub szűrő rajzot.
Aki tud esetleg segíteni akkor írjon.
később teszek fel képeket is.
(#) didyman válasza ZPKing hozzászólására (») Márc 14, 2009 /
 
Vágd el a szubszűrő bemenetén a földet, ne csatlakozzon az aljzatra. Célszerű lenne ezt megtenni a TDA1554 felé is, potenciális hurok van arrafelé is. Általában úgy javasolt ilyen több csatorna egymástól relatív messze felállást megoldani, hogy a bemeneti aljzatok testje egy közös vezetéken fusson el a csillagpontba, míg a panelek felé az árnyékolás csak a panelen legyen bekötve.
(#) didyman válasza (Felhasználó 13571) hozzászólására (») Márc 14, 2009 /
 
A két külön tápnak ehhez semmi köze.
(#) ZPKing hozzászólása Márc 14, 2009 /
 
Sziasztok!
Szóval ha helyzet az hogy ameddig levegőben volt az egész rendszer külön bordán minden erősítő akkor is búgott sőt akkor még puskás trafó sem volt.
A subszürőnek a tápja az erősítő tápjáról lett leválasztva a mellékelt módon.
Semmi más nem volt bekapcsolva. csak mélynyomó szürőstül rákötöttem a jelet búgott levettem nem búgot. Levettem sub szürőt direkbe kötöttem a hangkártyát az erősítőbe nem búgott.
Valamit a subszürő összeszed.
A puskás trafó azért kell mert lesz az erősítőben VU méter is aminek kell +-táp. és gondoltam akkor az jó lesz a szürőnek is.
Az LM1036 is szürt tápos. a subhoz is ugyan olyan szürést raktam mindkét tápágba.
Az lm 1036 mostmár kultúráltabban néz ki.kábelekkel van rávezetve a jel. ahogy lerajzoltam előző hozzászólásban.
(#) ZPKing hozzászólása Márc 14, 2009 /
 
még kép.
Az erősítők nyákostul.
TDA7294 meg a közismert hidalt KIT
(#) ZPKing válasza (Felhasználó 13571) hozzászólására (») Márc 14, 2009 /
 
A helyzet az hogy ugye
TDA7386 és TDA1554 és a hidalt TDA7294nek nincs gnd kimenete külön. Tehát a kimenetek az IC lábairól jönnek le.
A TDA7386 és TDA1554 egytápos
a TDA7294 szimmetrikus tápos.
Azt mondod hogy az összes gnd-t táp gnd-t bemenő jel gnd-t kössem eg pontba és onnét vigyem az erősítőkhöz?
De ha egy pontba viszem akkor a Gnd táp kábelen a közös pontból bemegy az erősítőkbe Jel gnd is nem?
Csináltam egy vázlatot ahogy én értelmezem amit írtál
Erre gondoltál te is
ez így mennyivel lenne jobb megoldás mint az előző?
Köszi
Bocsánat hogy itt fárasztalak titetek de van egy vizsonylag profinak mondható jóféle Creative hangkátyám és szeretek 5.1be filmet nézni éshát szeretem a tiszta jó hangzás természetesen búgás mentesen.
Amúgy a másik amire gondoltam hogy csinálok egy galvanikus leválasztásztás minden bemenő ágra.
(#) didyman válasza (Felhasználó 13571) hozzászólására (») Márc 14, 2009 /
 
A két test egy pontban találkozik, ez legyen a csillagpont. A többi kábelezés kérdése, egy táppal is lehet földhurkolni, nem kell ahhoz kettő.
(#) didyman válasza ZPKing hozzászólására (») Márc 14, 2009 /
 
Írtam már, nagyon egyszerű: A szub bemenet földpontját vágd el a bemenet mögött! Az 5.1-es hangkrehácson minden test közösül, így ha az erősítőn belül valahol hurkot "indítasz", az a hangkártyán biztosan záródni is fog. Ez a legegyszerűbb ötlet, legalább próbáld meg, mielőtt belelendülsz a többibe, egyébként meg a probéma valódi megoldása a csillagpontos kábelezés, amire már kaptál vázlatot. Kicsit leegyszerűsítve lerajzoltam. A nagy fekete pötty a GND csillagpontja, ide fut be minden föld. A két tápegység felől is ide érkezik a föld, fontos: A pufferek UTÁN kerüljenek ki a vezetékek! Erre a pontra fut a testelés is, valamint a rajzon látható bemeneti csatlakozók is. A bemeneti panelekre csak a jel megy el, egy árnyékolt kábelen, aminek az árnyékolása csak a panelen van bekötve.
(#) m.gyula3 hozzászólása Ápr 4, 2009 /
 
Sziasztok!

Van egy gyári 2.1-es hangcuccom. Elég jó, csak az a gond, hogy hallom hogy kicsit búg. A számítógépbe van bedugba, hogy tudnám úgy leföldelni, hogy tiszta legyen? Próbáltam a sz.gépházat leföldeni, hogy a központifűtés csövére rákötöttem, de nem használt.
Valami ötlet esetleg?
Köszönöm a segítségeket!
(#) ZPKing hozzászólása Ápr 10, 2009 /
 
Sziasztok!
Újra csak ide kell fordulnom.
Egyszerüen megőeülök ettől a búgástól.
Am van puskás trafóm az búg és beviszi az erősítőbe.
Megcsináltam a csillag pontot is. de még mindig búg.
Ha ki van kapcsolva puskás trafó akkor nem búg semmi.
Hogy lehetne valahogy kivédeni a puskás trafó búgásást.
Amúgy ha csak a puskás trafó van bekapcsolva füllel hallani hogy búg a trafó.
(#) Petikee16 hozzászólása Ápr 15, 2009 /
 
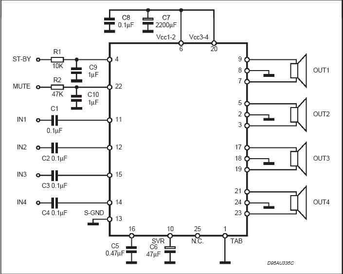
Sziasztok lenne nekem 1 nagy problémám TDA7386 bekötésével mert nemtudom mit kössek a ST-BY és a Mute lábra előre is köszike

TDA7386.jpg
    
(#) Moderátor hozzászólása Petikee16 hozzászólására (») Ápr 15, 2009
 
Ha elárulod, mit keres ez a kérdés a földhurkos témában, én is elárulom neked, hogy az adatlapot kellene jobban átnézned...
:no:
(#) Petikee16 hozzászólása Ápr 15, 2009 /
 
BOCS
(#) dbase hozzászólása Ápr 24, 2009 /
 
Egyik helyi kocsmába rendesen bemartam mindent.
Kábeltvt még én kötöttem be, sajnos hátulról, azaz egy egész háztömbbel máshonnan van leföldelve. Falraakasztós tv, földelt konnektorral és vezetékkel. Alapba megjelentek a csíkokma képen. Majd jött egy házimozi, oda-visza hang-kép 5*8méter rg59vagy 58.
Szépen zugott a hang is. Kikötötöm a tv földet elmegy a csík, de erősebb a zúgás. Jo akkor bekötök egy kondis leválasztást, földelés vissza , csík megjön zugás elmegy. Na most itt állok. A csíkot sehogy sem megy etávolítani. A legjobb a dologba a házimozi földeletlen hangfalakon kívül csak a tv van rákötve. Erre megyek be dvd-t néznek ratyi a kép. Nézem kiszedem a scart-rca átalakítót és a benne lévő video-gnd rövidke vezeték elolvadt, meg a csatlakozó is. Hogy a fenébe?? A dvd nem is földelt, és csak a dvd és a tv közt van valami különbség.
RCA be az oldalába rondább a tv így kinézetre, de a kép meg tiszta lett, de csak a dvd! Cabletv még midig párhuzamos 2-3 csík le fel szaladgál.
(#) Directors hozzászólása Aug 12, 2009 /
 
Üdv!

Az erősítőbe a jelkábelnek csak az egyik végét kell letestelni a másikat nem?
(#) hadnagyakos válasza Directors hozzászólására (») Aug 12, 2009 /
 
Ha jól tudom, az erősítőben és a jelforrásban is le kell kötni.
(#) Directors válasza hadnagyakos hozzászólására (») Aug 12, 2009 /
 
Én az erősítőbe benne mondom mert építettem egy erősítőt és abba kérdéses a bekötés.
(#) hadnagyakos válasza Directors hozzászólására (») Aug 12, 2009 /
 
Az erősítőben belül csak egyszer kell letestelni a kábelt, de ha sztereót építesz, akkor mind a kettőt le kell.
(#) Directors válasza hadnagyakos hozzászólására (») Aug 12, 2009 /
 
köszi
Következő: »»   13 / 64
Bejelentkezés

Belépés

Hirdetés
XDT.hu
Az oldalon sütiket használunk a helyes működéshez. Bővebb információt az adatvédelmi szabályzatban olvashatsz. Megértettem