Fórum témák
» Több friss téma |
Tisztelt felhasználók!
Kéretik a politikai és egyéb felekezeti ill, obszcén viccek bemásolását mellőzni szíveskedjetek.
Csak én érzem kellemetlennek, hogy egy milliárdos nyereséget elkönyvelő
Teszkó nevű cég egy özönvíz előtti celeronnal hajtja meg a kivetítőt? Most már értem, miért akad a kép néha a hirdetőfalon...
Hát igen, de azok még legalább gépek voltak, bár nem vagyok Intel párti de tényleg eltalálták, kitudja lehet hogy ki van száradva a kondija a gépnek és ezért instabil. Eléggé viccces ilyen feliratot látni egy ekkora boltnál, de a minőség is számít... Akkor az áruk milyenek?
...Gazdaságos
Kép: no comment Hirtelen megnőtt az msn-forgalmam a vicccsokor után! :hide: :whistle:
Én nem szeretem a túl jó gépeket. Ha az embernek egy több GHz s gépe van, elfelejti becsülni a 300MHz s t.
Nézd, én 1996-ban 286-oson kezdtem a suliban. Monokróm képernyővel. Az első gépem egy 386-os volt. Nem arról van szó, hogy nem becsülöm. Eljárt felettük az idő. Egy p1-esben ha 32 mega RAM volt, akkor jónak számított. Ma csak a skype 20 megát eszik. Akkor jó volt, ma meg csak a hűtőborda használható belőle. Action2k HT1080Z-n kezdett előttem 10 évvel. Ő is becsüli, és úgy gondolom játszik is a PC-re írt commodore és hasonló emulátorokon, nosztalgiából. Elvégre nem használunk 8 ''-os floppyt sem. Sőt, lassan floppyt sem.
Én nem rád gondoltam hanem csak úgy általánosságban. Valakinek még a 2,4GHz sem elég...
A régi gépek szépen lassan a szeméttelepre kerülnek Amugy szerintem az 1000MHz elég ahhoz a hirdetőképernyőhöz.
Azt javasolnám, hogy menjünk át az offba ha erről akarsz beszélgetni.ez itt a VICCEK topik. Ez a sorsa mindennek a világon. Előbb-utóbb ósdi lesz.
Pont ekkora lesz a műhelyembe is, elég bőven 1 Ghz gép.
Egyszer kérdezd meg, hogy " Tessék mondani, megjött-e az NDK számítógép? A levehető ajtajú
Idézet: „... A hőn szeretett P3asomat csak a videószerkesztés miatt cseréltem le. 1magos procival nagyon jól elvagyok,...” Na ja. Én is elvoltam a régi asztali gépemmel, nem sűrűn cserélek gépet. És apropo videó vágás. Jelenleg egy: Négymagos 2,8GHz-es gépen dolgozom 16GB DDRII RAM-al. De FullHD-s videót renderelni és vágni még mindig feladat. Ezek az "új" technológiák már olyan iszonyatos erőforrást igényelnek, hogy kész pénz kidobás. Életemben nem gondoltam volna hogy valaha ki kell cserélnem a teljesen átbuherált totál hangtalan 300W-os Chieftec tápomat. Arra meg végképp nem gondoltam mikor ez a gépcsere megtörtént, hogy 600W-os sima PC-tápot fogok látni életemben. Láttam én már kW-os szerver tápokat, de ilyen bivaly normál pc-s cuccokat csak PC-bolt kirakatban láttam azelőtt. Borzalmas pénz kidobás ez az egész... Na de tényleg OFF vége.
16Gb RAM? És milyen op'rendszert futtatsz rajta?
Mert pl. az XP nem nagyon kezel 3,5...4Gb-nál többet, ha jól tudom.
XP? Hol van az már. Azóta már a vistán át eljutottunk a windows7 hez, ami egyes esetekben ingyenes is lehet
Szia!
Ha megengednéd én is hozzászólnék ehhez az érdekes beszélgetéshez. talán nekem 3 gépem volt össz-vissz eddig. Az első egy AMD K6-II-es volt, 300MHz-en futott, RAM bővítés után gyönyörűen muzsikált. A második egy Pentium 3-mas volt elősször 566MHz-es celeron procival, utánna, meg kaptam egy pentium 3-mas procit, ami GHz-en ment már. Szinte mindenre tudtam használni amire kellett. És az alaplapba rengeteg bővítőhely volt. Most egy AMD 3200+-t nyúzok ami alapjáraton megy most is, 2GHz-en, 1GB RAM-mal bőven elég. Két óriási problémám van a jelenlegi konfirgurációval. Az egyik a nagyon nagy hőmérséklet. A déli híd chipje üres járatban, is ÉGETI A KEZEMET!! egyszerűen nem tudom megfogni, olyan forró, persze a borda is szószerint aprócska, ventillátor nincs.. A másik a videó kártya. 8500GT van most rajta, passzív hűtéssel. Egy keveset szoktam csak játszani, de hosszú üzem után, úgy felforrósodik az a tekintélyes borda, hogy nem tudom azt sem megfogni és kifagy. A bordák pont lefelé állnak rejta ezért a meleglevegő bennreked a bordák közt. Ügyes kis kinaiak, tudtok ti. A másik hogy nem lehet bővitőkártyát beletenni. A videokártya és a TV kártya fér csak bele és slussz. Csak az a vicc hogy nem is lehet már normál ATX méretű alap deszkát venni, amibe sok bővitőcsatlakozó van. Tehát ha valami integrált szentség beadja a kulcsot a lapon, cserélheted ki az egésszet. Megjegyzés képpen csak azért cseréltem le a P3-mat, hogy tudjak nagy felbontású videót nézni, meg DVD minőségben videokazettáról digitalizálni. Elnézést az OFF-ért, de ezt fontosnak tartottam leírni. üdv
Vista x64 Ultimate. Támogatja a 16GB RAM-ot, és a rá optimalizált vágó és render programok pedig 100%-os kompatibilitással ki tudják használni a 4 magot és a 16GB ram-ot.
Nem tudom kisebb visták viszik-e. Nekem ez van meg hivatalosan, nem is játszottam még home-okkal vagy ilyesmivel. Megfelelő oprendszer kell. Win98-on ne akarjunk már FullHD-t vágni. Idézet: „16Gb RAM? És milyen op'rendszert futtatsz rajta? Mert pl. az XP nem nagyon kezel 3,5...4Gb-nál többet, ha jól tudom.” Linux család pl?
Hát bevallom őszintén, hogy én is FPS játék rajongó vagyok és most eljött a pillanata mikor is új videókártyát kell vennem. Cirka 20e amit ki néztem de félek nem lesz hosszú életű látván a játékok borzasztó fejlődését.
Sajnos ez a csere táp cserét is von maga után ami szintén nem kis pénz. Minél több mag van egy gépben annál lassabb. Legalább is vélemény. Faternak 4 magos gépe van és mégsem tölt be gyorsabban semmit mint az én 2 magos gépem.
Csak kiváncsiságból kérdeztem. Sokan használnak még XP-t mert kevesebb az erőforrásigénye mint a Vistanak. A Windows7-et még nem próbáltam, de az ismerőseim jókat mondanak róla, a Vistát meg sokan szidják - ők tudják miért... A mai Linuxoknak valószinüleg nem gond a 16Gb kezelése, de vajon van rá jó, HD-s videószerkesztő/vágó program? Nekem elég régi gépem van XP-vel és Linux-al, de a windows fut gyakrabban rajta.
Erről nem tudtam eldönteni, hogy ezt valaki komolyan gondolja?
Most kaptam egy videónak a linkjét és tovább kattintottam: Bővebben: Link Szerintem lazán el lehet aludni rajta.
Én C64 el kezdtem, majd 386 aztán 486 sx dx2 dx4, p1 133, 566 AMD K6 II, 1100 AMD, majd a mostani gépem a 4400+ AMD X2. Ószintén néha egy fórumtárssal pakettrádióztam az internetes korszak előtt, 1200 bauddal jött a cucc ha minden stimmelt, bár a TNC-t már tudta emulálni a Graphic pakett DOS alatt, ha jól emlékszem SB 16 hangkártyát és egy bc 182 és pár ellenállást használtam adás vétel váltásra. Ezek voltak a szép idők. Volt baycom hoz modemem is, a hangkártyás korszak előtt.
Ha már a hülye videoknál vagyunk íme :
Bővebben: Link
Nem tudom sírjak-e vagy nevessek. Szokott ez mást is csinálni mint TV-zni meg PC játékokat játszani?
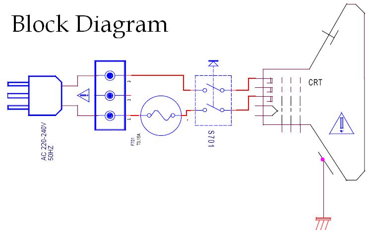
Megosztanám veletek a A legegyszerűbb TV kapcsolási rajzát. Bárhova is megyek Tv-t javítani a tulaj már tudja, sőt el is magyarázza nekem hogy a biztosíték a rossz.
Teljesen mindegy, hogy a TV milyen hibát produkál a hiba a biztosítékban van. Ezért csináltam nektek ezt a kis rajzot. Hogy segítséget nyújtson ha elakadnátok a javításban. Csak előveszitek. És tudjátok is, hogy hol a hiba.
Ezzel ne viccelődjünk, mert történetesen voltam egy diplomavédésen, (nem akarok sulit nevesíteni) ahol a delikvens egy animációt készített, és mikor megkérdezték tőle, hogy amúgy hány képkocka / sec nem tudott válaszolni, és arra se hogy egy mezei film általában mennyi.
Jelentem átment...
Ilyenkor miért nem kötöd rövidre a biztit,(főleg ha az is kiment, de mint tudjuk lehetetlen mert
Idézet: kapcsolod be aztán hadd szóljon„"a tranzisztor a saját felrobbanásával védi az őt védő biztit",” ![]() ![]() ![]() A tulaj ha meg pislog akkor mormogva jegyezd meg, hogy lehet hogy mégse az volt...
Nem kell nekem patkolni a biztosítékot. Megteszi azt a tulaj is.
ÁÁÁÁÁÁÁÁÁ!!! Ezt végig se lehet nézni...
:bummafejbe: Az eleje még jó volt... Na jó hogy ne unatkozzatok, ezt találtam miközben kerestem körbe-körbe rohangálós, üvöltözős smileyt, hogy azt rakjam be... Bővebben: Link |
Bejelentkezés
Hirdetés |




Kép: no comment Hirtelen megnőtt az msn-forgalmam a vicccsokor után! :hide: :whistle: 
Amugy szerintem az 1000MHz elég ahhoz a hirdetőképernyőhöz.


:bummafejbe: 