Fórum témák
» Több friss téma |
Hja, ez a borda több mint kevés. Ez nulla.
A legutóljára épített erősítőmben (32V/5A volt a két csatorna tápfesze/nyugalmi árama), egy 250x100x50-es bordán volt az áteresztő. Ez a borda volt elég neki aktív hűtés nélkül. Szóval az áteresztő bordájával (és a FET-ekével) ne spórolj! Max. empírikus módszerrel vagy számítással határozd meg hogy mennyi a legkisebb hűtőfelület ami még elég.
Még egy ilyen hűtőborda (240x100x80 mm)is hamar felmelegszik 40-50°C-ra 100W terhelés mellett.
Majd beszerzek még egy nagyobb bordát a tápba, és végsősoron megfúvatom még ventillátorral....
A-osztály vonatkozásában lenne egy kérdésem, illetve régóta piszkál az, hogy mi szól a procihűtők ellen, a tradíción kívül?
Egy P4-es elfűt alapesetben is 100W körül. Ha ezt elviszi egy csinos procihűtő (1200Ft), minek bajlódni bazinagy nehezen beszerezhető bordákkal? Ráadásul például egy ilyet, kicsit drágábban, szívesebben is nézegetnék a szobámban, mint egy ósdi bordát... Most ezen dilemmázom, minthogy megjött a csomag, és kezdeném a fetes építését....
Igazából semmi sem szól ellene, talán csak az hogy nem lesz síri csendes, a ventillátor hangja picit zavaró lehet... de ez egyéni preferencia...
Akkor oké.... végülis haladni kell a korral...és talán ez olcsóbb megoldás is, mint a borda, ha új alkatrészeket tekintünk....
Na megcsináltam sztereóban is, nagyon komoly hangja van. Most csak 2*8V a táp, 0,4A a fogyasztás, de meglepően nagyot szól a pc-ről. Tiszta A osztály, nincs kondi a jelútban, nagyon jó audiofil erősítő. Vajon hogy alakul itt a hatásfok ? sokkal jobb kell hogy legyen az 1fetesnél... profik ? Mondjatok valami okosat erről a kis kapcsiról.
Jah, de ha csatornánként 1 ilyet beraksz, plusz az áteresztő tranzisztor hűtése a tápban, az már 3db,
és szerintem 3 ilyennek már van zaja..... A 2x70W-os fetesemen lévő 10 kilós bordáknak darabját vettem 3000 Ft-ért............. Csak keresni kell, és találsz.
Egyetértek wartowskival.
_Nagyon jó és halk procihűtőt kell kifogni ahhoz, hogy ne legyen hangja. A osztályú erősítőt szerintem annak éri meg csinálni, aki a hangjára kíváncsi, és nem a teljesítményére. Ettől függetlenül pl. a DoZ-t alapul véve sokan csináltak ventilátorral besegített A osztályú erősítőt, és eddig még mindenki meg volt elégedve vele. Bizonyos hangerő felett nem észrevehető a ventilátor hangja, csak akkor van baj, ha nagyon hangossan zúg. Mondjuk klasszikus zenét hallgatva kiábrándító, ha csendnek kéne lenni, de nincs az...
Egy 5 fős 3 gyerekes családban szerintem nem ez a kis venti-zaj lesz a szűk keresztmetszet, ráadáasul az akvárium levegőztetője is ad alapzajt...
![]() Mindenesetre meglássuk. Egyelőre eleve csak egy oldalt építek meg a tapasztalatok megszerzése céljából a végleges konfig felé...
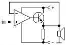
Itt vannak a képek, végre itthon van a kis cucc és a nagy hangfalakon, cd-ről is high-end hangja van, nagyon jó felbontással. A szobahangerő megvan, nem is kell a max. TL082, BD243C, 45 ohm, feszültségkétszerező táp, a trafó 6.3V váltófeszt ad. Jobb a hangja mint a zennek, ez főleg azért lehet mert egyáltalán nincs a jelútban kondi. Kristálytiszta, nagyon részletező, mégsem zavaró, jellegzetes A-osztályú hang. Valaki megkívánta esetleg ?
A fesz. kétszerezés csak azért kell hogy nagyobb legyen a feszültség?
Vagy most jobban megnéztem a fényképet, itt az egyszeres feszültségből 1-1 dióda+ 1-1 kondival állítasz elő szimmetrikus tápot? Test pedig az lesz ami a "jellel jön"? Külön táp-test nincs ezek szerint?
Elvileg ilyen típusú táppal el lehet menni egészen 12-15V-ig? Csak az IC megengedett tápfeszültségéből gondolom. Mert akkor lesz neki +-12-15V.
Szia en szivessen megepittenem csak tul bonyorult
.Majd ha veszek OPA-t akkor megepittem.Ennek 2N3055-el is kene mukodnie nem ?
A hatásfoka pontosan olyan mint más A osztályúaknak.
Ez a kétszerezős táp azért jó mert +- tápnak is használható csak éppen egyoldalas az egyenirányítás. De így sincs brumm. A föld a trafó szekunderének egyik pólusa. A másik pólushoz megy a két dióda ellentétes polaritással. A szokásos.
Bármilyen tranyó jó, persze. A bementre poti mindenképp kell, vagy ha másképp szabályzod a jelet akkor pl. egy 100kohm a földre.
Nagyon zsír ez a kis "minimalist class "A" erősítőd.
Kíváncsi vagyok a hangjára, kár hogy nincs időm megépíteni.... Na mindegy, talán jövőre...
Van belőle FET-es verzió is?
Esetleg próbáltad-e már FET-tel?
Hello!
Átgondoltam a működését. Ha jól értelmezem, akkor a 47ohmon folyamatosan folyna áram a hangszóró felé, de a műveleti erősítő negatív visszacsatolása miatt pont annyira nyitja ki a tranzisztort, hogy (alapesetben, mikor nem szól zene) a kimenet földpotenciálon legyen, így rendesen felfűti az ellenállást. Maximum kivezérlésen kevésbé melegszik, és a maximumot akkor disszipál, amikor a bemenet földre van kötve. Ha pedig szól a zene, akkor a bemenő jelhez képest nyitja és zárja a tranzisztort? Üdv! Idézet: „Maximum kivezérlésen kevésbé melegszik, és a maximumot akkor disszipál, amikor a bemenet földre van kötve” Azt gondolom, hogy amennyiben a zenei jel hosszú idejű integrálja 0 ( az szokott lenni) és feltételezzük, hogy a kivezérelhetőség szimmetrikus, akkor a disszipáció nem függ a kivezérléstől A osztály esetében. Szvsz.
Szia!
Jogos az észrevétel, csak a szóban-forgó kapcsolásban, a negatív irányban a kivezérelhetőség 4 ohm-nál nem üti meg a 10%-ot, ennek minden következményével.
Hello, mindenki,
ebben a tápban van egy 220nF kondi, sajnos most épp nincs itthon. Tesztelésre kihagyható ez az alkatrész? Köszi
Hát igen, Mayan ezt az általam közölt kapcsolást egyszerűsítette le, de lényegében a működési mód és a hangzás ellenőrzésére végül is alkalmas maradt, szóval Mayan érzi a lényeget benne.
Te megépitetted már ezt ? Épitsed meg...
Igy mekkora teljesitmenyt tudna? Egyébként minden zenén nagyon jó hangja van, még metálon is (imádom), nagy, súlyos hangtömeget tud megjeleniteni.
Nos, végül sikerült 150nF-t összekaparni és beindítottam a tápot.
Terheletlenül mértem, és furcsamód csak 26V jött ki max. belőle, 30V bemenő fesz. mellett. Ez mitől lehet? Lehet attól, hogy a 820R-es ellenállat csak 810-es? Vagy tehrhelve magához tér??? Köszi |
Bejelentkezés
Hirdetés |














