Fórum témák
» Több friss téma |
Fórum » PIC - Miértek, hogyanok haladóknak
Gondolom 18F-en csinalod mivel LATx-et hasznalsz...
Amugy a PORTA,0-t is illik inicializalni, azonkivul ha van komparator vagy ADC a porton akkor azokat is inicializalni. Az adatlapban ezek gyonyoruen le vannak irva legtobbszor pelda programokkal, ld. a mellekletet...
Mondjuk itt konkrétan azt írja a LATA-ra, hogy alternate method, szóval a PORTA-t nem kell már piszkálni, ha a LATA-t beállította. És inkább a LATA-t használja, hogy szokja meg, hogy ha kimenet, akkor LATx regisztert írjuk.
Azt értem, viszont nekem a hangsúly azon van, hogy amikor átváltok bemenetről kimenetre, akkor egy rövid időre se jelenjen meg H szint a kimeneten. Ha fordítva csinálom, azaz először RA0-t kimenetnek állítom és utána írok a portra 0-t, akkor egy kis ideig H szintű lehet a kimenet, ha jól gondolom.
Sziasztok
Egy árammérőt szeretnék megvalósítani pic-el. A hardwer része érdekelne a legjobban. A progi úgy van megírva hogy Az ADC1 bemenet 0,5v bemenő jelnél mér 5 a-t. Segítségeteket előre is köszönöm.
Jól csinálod, először LATA-t beállítod, utána a TRISA-t, akkor nem lesz rövid idejű magas szint a kimeneten.
Szia!
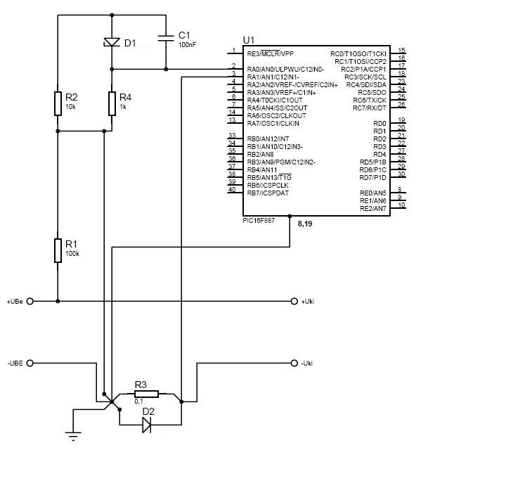
A mérendő áramot (0..5A DC) egy, a pic földje és az analóg bemenete között elhelyezett, 0.1 ohm ellenálláson kell átfolyatni. A pic táplátását úgy kialakítani, hogy az ellenálláson keletkező feszültség az analóg bemenetre a pic földjéhez képest csak pozitív feszültséget (<5V) hozhasson létre. A kisértékű ellenállás miatt az un. négyvezetékes bekötést célszerű alkalmazni: A mérendő áram hozzávezetése és a mérőjel elvezetése külön vezeték legyen, ami csak az ellenállás lábainál kialakított szemnél legyenek összekötve. Az ellenállás földpontja az áramkör föld csillagpontja legyen egyben. Szia>
Szia.
Valahogy így gondoltad?
Egyszer már ezt belinkelted, akkor is mondtuk, hogy ennek semmi értelme(vagy csak a rajzod követhetetlen). Másrészt ez nem PIC kérdés(áram->feszültség átalakítás)! Kérdezd a kezdő kérdéseknél, ott lehet, hogy válaszolnak rá többen is! Ez a téma talán megér egy új topicot is, bár lehet, hogy van már ilyen, rá kell keresni, mielőtt...!
Hello
Ki akartam, akarom próbálni a C18-as kompilert de valamiért nem müködik. A következő hibaüzenetet írja ki: ---------------------------------------------------------------------- Debug build of project `D:\Elektronika\Projectek\Gyalugep_controller\SZOFTWARE\WORK\C18_proba\C18_proba.mcp' started. Preprocessor symbol `__DEBUG' is defined. Sun Oct 18 09:49:34 2009 ---------------------------------------------------------------------- Clean: Deleting intermediary and output files. Clean: Deleted file "D:\Elektronika\Projectek\Gyalugep_controller\SZOFTWARE\WORK\C18_proba\main.o". Clean: Deleted file "D:\Elektronika\Projectek\Gyalugep_controller\SZOFTWARE\WORK\C18_proba\C18_proba.mcs". Clean: Done. Executing: "C:\MCC18\bin\mcc18.exe" -p=18F4620 "main.c" -fo="main.o" -D__DEBUG -Ou- -Ot- -Ob- -Op- -Or- -Od- -Opa- Executing: "C:\MCC18\bin\mplink.exe" "main.o" /z__MPLAB_BUILD=1 /z__MPLAB_DEBUG=1 /o"C18_proba.cof" /M"C18_proba.map" /W MPLINK 4.1, Linker Copyright (c) 2006 Microchip Technology Inc. Error - linker command file required. Errors : 1 Link step failed. ---------------------------------------------------------------------- Debug build of project `D:\Elektronika\Projectek\Gyalugep_controller\SZOFTWARE\WORK\C18_proba\C18_proba.mcp' failed. Preprocessor symbol `__DEBUG' is defined. Sun Oct 18 09:49:35 2009 ---------------------------------------------------------------------- BUILD FAILED Tudja valaki hogy ezt miért és mi a megoldás?......köszönöm!
Hogy próbálod és mivel?
Egyébként nem találja a linkert. A project beállításoknál meg kell adni az elérési útvonalakat.
Szia!
- Feszültség mérés: A maximális mérendő feszültségnél az R2-n 5.00V kell essen: Ubemax = 5 * (R1 + R2) / R1. - Áram mérése: A pic bemenetén a Vss -hez képest a 0,5 V jelenti az 5A-t. A mérőkört úgy kell kialakítani, hogy az árammal arányos feszültség a Vss és az analóg bemenet között jöjjön létre, ezért kerül a 0.1 ohm a föld ágba. Így a feszültség mérő nem a kimeneti feszültséget méri, hanem a bemenetit, ami a 0,1 ohm -on eső feszültséggel nagyobb. Ezt a hibát a kontroller kikorrigálhatja. A kimeneti feszültség pontosabb méréshez már műveleti erősítőt kell alkalmazni. Csak a mérőkört rajzoltam le.... Szia
Én így valósítottam meg az árammérést, legalábbis az elképzelésemben .
Ez "nem tökéletes" megoldás: A táp + kimenetét
rákötöd a gnd re , totál zárlat ! füst és hő !
Már elnézést, de ez a téma átkerült a kezdő kérédsekbe, mivel nem PIC kérdés.
Nem lehet hogy a gnd nek azR2 D1 C1 közös pontlára kéne kerülni ?
Így nem a pic AD bemenete kerül a földre ?
Hello
A select language toolsuite-ban be van állítva de mégsem akarja az iagzságot. A file lehet rossz? vagy máshol kell operálni? Egyéb kérdés: CCS compilert használva hogy lehet az elérni hogy egy const char-t áttadjak valahogy paraméterként függvénynek?.....mert a kiirandó szövegeket nem akarom a RAM-ban tárólni de így meg nem engedi a kiirató függvénynek áttadni paraméterként. (char*)-re való kasztolással is játszottam már de úgy meg valamiért nem ír ki semmit. Amugy sima char tipusokkal megy. előre is kösz!
Valamit nem értek, egy CCS-t akarsz mcc18 alatt lefordítani? Vagy félreértek valamit?
Csatold be a projectett tömörítve, hátha többet tudunk mondani. Ha mcc, akkor ki is próbálhatom, hogy jó-e a fájl, és mit keres a fordító. Ha CCS- akkor sajnos nem tudok segíteni, de más biztosan!
Project->Set language tool locations, vagy valami ilyesmit keress, és ott állítgasd be a C18 fordítónál az elérési utakat. Utána a Project->Build Options->Project, itt keresd meg egyik fülön szintén az ezzel kapcsolatos beállításokat és kattints a Suite defaults gombra. Ezt így fejből írom, de szerintem meg fogod találni.
A fogadó függvény milyen paramétert vár? Annak is const char-t kellene várnia szerintem.
CCS compiler-ben nem lehet const paramétere a függvénynek ezért gondoltam majd átírom az egészet C18-as kompilerbe, de ebbe meg egy for ciklust sem tudok lefordítani. Project->Build Options->Project -ben mit hogyan kell beállítani?
köszi!
Értem. A csatolt kép alapján próbáld beállítani a fordítót. Gondolom az MCC18 fel van telepítve?
Idézet: „Error - linker command file required. Errors : 1” Ez a sor világosan mutatja, hogy nem a fordítással, hanem a linkeléssel van gond. Állítsd be a Linker-Script Search Path-ot is, ez reméhetőleg megoldja a gondodat. Ha mégsem elég a fenti beállítás (vagy testreszabott linker állományt akarsz használni), akkor pedig a Project menü Add File to Project menüpontjában tallózd be a megfelelő linker állományt! Ha nem akarsz hardveres debug-olást játszani, akkor fordítás előtt állítsd át Release-re az MPLAB-ot!
Sziasztok !
Segítsetek légyszi ,mert rögtön agyvérzést kapok ![]() Eddig ment a pickit2 Mplab 7.3 alatt ,raktam új Windows-t és most meg nem akarja az igazat.....nem megy Van valami trükk az installok sorrenjében ,vagy valami egyéb ? Mplab 8 alatt menne a szerencsétlen ,de oda meg valamiért a projectem nem hívható be... Köszi előre is !
Én inkább a projektes problémát igyekeznék megoldani. Van hibaüzenet?
Ha csak programozásra kell, akkor használhatod a pickit2 külső programját is. Idézet: „Mplab 8 alatt menne a szerencsétlen ,de oda meg valamiért a projectem nem hívható be...” Az összes ezeréves projectem működik a legújabb MPLAB-ok alatt. Meg kell tudnod oldani, csak be kell állítani a megfelelő dolgokat(fordító kiválasztása, linker útvonalak, és a PIC kiválasztása esetleg, ha a project nem tartalmazná. Persze az MPLAB telepítésekor ki kell pipálni a PICKit2-t is! Ha ez nem volt így, akkor ezt pótold. Ha valami oknál fogva nem fogadná mégsem, akkor készíts neki új projectet.
Sziasztok!
Érdekes megfigyelés: - Ha egy 8.15 verzióval készített projectet nyitok meg 8.36 verzióval, a szimulátor és a pickit2 programozó jól megfér egymás mellett. A szimuláció után a jónak vélt verzió egyből programozható. Programozás után a hiba egyből kereshető a szimulátorral. - Ha a 8.36 verzióval készítek új projectet (ugyan azoknak a forrás állományoknak), akkor vagy a szimulátort, vagy a programozót engedi kezelni. Ha szimuláció után programozni szeretnék, újra be kell állítanom a pickit2-t, ha programozás után szeretnék hibát keresni a szimulátorban, újra ki kell válsztanom a mpsim-et. Sziasztok
Igen, erről nemrég volt szó, hogy az újabb verziók nem engedik beállítani egyszerre a programozói és a debugger módot a PK2-höz, holott a korábbi verzióknál lehetséges volt. Elvileg a dolog jogos, mert egyszerre nemigen lehet használni, csak azt nem értem, hogy ha eddig jó volt, akkor most mire fel? Lehet, hogy valamelyik újabb PIC miatt? Nem tudom...
Szia!
Egy új projectnél azt sem engedi meg, hogy a beépített szimulátort (nem hardware-es debugger a pickit2-vel) és a pickit2-t programozónak használjam egyszerre, de ha a régiben így volt beállítva, akkor fut rendesen... Szia |
Bejelentkezés
Hirdetés |








