Fórum témák
» Több friss téma |
Mielőtt kérdezel, a következő két dolgot ellenőrizd!
I. A helyes tápfeszültségek megléte.
II. A kimeneten van-e egyenfeszültség.
Élesztés.
Lehet egy bordára rakni, de a szigetelés elengedhetetlen.
szia,ne kapcsod be tobbet mert le eghet a melynyomo, mert ki eghetett a fegfokod a melynyomobol , es azer bug mert ra megy a tap feszulcseg kb fele csereld az ic -t meg ami meg rossz,bisztositek ,ellenallast kondit stb.
Csak azt nem értem mitől mehetett ki mikor nem is használtam, előtte meg működött... Csak a mélynyomó végfokát cseréljem? az a baj hogy nem tudom a többit ellenőrizni, van benne 6 végfok. 5db tda2030 és 1 tda2050
Végül is nem nagy költség, 250 Ft. Tutira ennyi csak a baja? Egyszer volt már gariban javítva, de akkor a tápja ment ki, be sem kapcsolt. jó lenne ha ennyi lenne csak a gond, nem akarok újat venni. Az stk-s sony hifim-nél mondjuk az elszállt oldal nem búgott hanem nagyon halkan recsegett, ott végfokcserével tudtam megjavítani.
kulon le tudod ellenorizni, ha szukseges de itt csak a melynyomonak a vegfokjat csereld ahogy le irta a kolega is a tobbi ha jo akkor nem kell bantani.,
meg lehet fesz-ingadozas is de ez az elektronikaban ez meg tortenik .
Okés, köszi. Ha lesz 1 kis szabadidőm, nekiesek
Addig marad a pc-s csipogó, hangoskodásra meg a stúdió fejes
Sziasztok! a mellékelt képeken látható a gondom. Egy kicsit bővebben erről. A két elégett tranzisztor gondolom a táprészben van és tudomásom szerint az autóerősítők tápjában 4db egyforma tranzisztor van. Az égettekkel szemben lévők szerencsére nem égtek, az égettekről viszont semmit nem tudok leolvasni. pontosabban az első két betüt de azt is nehezen és ez viszont azonos a két szembenlévővel még talán az első szám is. Az első kérdésem az lenne hogy valóban jól gondolom hogy a 4 tranyó egyforma? a második kérdésem viszont az hogy ez egy 72es VW bogárban volt. Ugye ott még dinamó van és feszszabályzó. Már egy erősítőt kigyilkolt igy annak is a tápjában szált el a 4 tranzisztor. Lehet ez a feszszabályzó hibálya ? Pontosabban hogy a feszszabályzó valamikor nagyobb feszültséget enged át és amiatt ment ki a két erősítő tápja ? (ezesetben TP64N tranyók)
Az lehet akár dióda is, külsőre nem lehet megkülönböztetni, bár új korában még rajta volt a rajzjel. Nézd meg, hogy esetleg hova csatlakozik. Ha a középső lába a pufferkondik felé megy, akkor dióda, ha a trafó felé, akkor tranyó, vagy inkább fet.
igaz ezt nem is néztem a nyákon Q9 Q10el vannak jelölve igy biztos hogy tranyók, ha tranyó sztem is fetesek. A baj hogy ahonnan szoktam rendelni ott nincs pontosan TP64Nes viszont a keresőlye egy IRF4905PBF fetet dob helyette. Gondolom ez helyettesítője lehet akkor. szerinted okozhatta ezt a rossz fesszabályzó?
és ahogy mondtad is a tekercsek felé megy a középső láb
Ezekben még mechanikus feszszabályzó van. Annyit azonban le kell szögezni, hogy ezek a forgógép (dinamó) gerjesztőkörét szabályozzák, meglehetősen primitív, de hatékony módon, és nem a megtermelt feszültséget. Ennek "sebessége" a dinamó jelentős induktivitása miatt alacsony. Viszont a kommutáció (főleg, ha kopottak a kefék) jelentős feszültségcsúcsokat képes generálni, amit az akku nem biztos, hogy képes maradéktalanul elnyelni. A szabályzókör jóságát egyszerű feszültségméréssel eldöntheted. Dinamó alapjáraton gyakorlatilag nem tölt, gázadásra a feszültség nem haladhatja meg a 14,4V-ot. Ellenőrizheted még az akkusarukat is (a töltővezetékkel együtt), ezek kontakthibája okozhat túlfeszültséget.
Szerk: Igen, nagy valószínűséggel mindkét oldali FET-ek típusa azonos, mert ellenütemben vannak vezérelve. Lehet, hogy érdemes lenne mindegyiket kicserélni.
amikor elöször hozzámkerült a bogár 17,6 voltot töltött
ezt leszabályoztuk rendesen. Valószínüleg kontakt hiba lehet mert anno nem töltöttött és megkapargattuk a sarukat a feszszabályzón és utánna töltött rendesen. Szerintem kap egy másik feszszabyálzót és új sarukat. Köszönöm a segitséged
Sziasztok!
Az NMOS végfokba betettem még 4db FET-et. Így most 6db van a nyákon. Így is szép hangja van, viszont fűt elég szépen. Ezt a 25cmX11cm-es hűtőbordát feltüzeli rendesen. Kell neki ventis hűtés mindenképpen. Üdv!
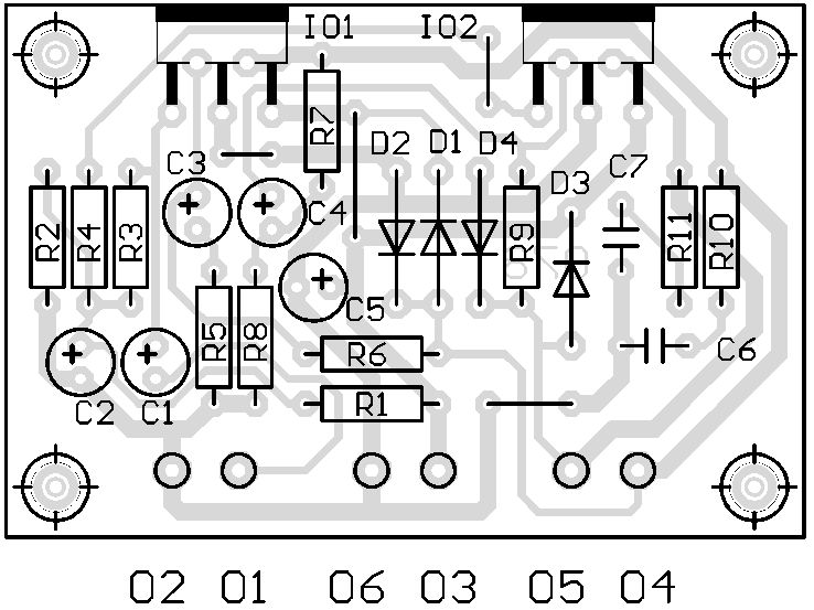
Emberek, erre a kapcsolásra milyen alapon kell szigetelni az IC-ket ha közös hűtőbordára akarom rakni őket? Hisz az IC 3-as lábait köti össze ami a kapcsolásban is össze van kötve, szóval szerintem különösebb zavart nem okozhat, vagy tévedek?
Szerintem itt kialakul miatta egy belső hurok, ha nem tévedek, és nekem ezzel már egyszer volt bajom. Bár máskor is csináltam ilyen "kettős földelést" és akkor nem okozott hallható zavart.
na most kipróbáltam, közös bordára raktam a 2 IC-t, semmi probléma nincs, sőtt komolyan mondom hogy csökkent az alapzaja az erősítőnek
nem, szóval ha valaki megépítette már, nyugottan lehet 1 dordára rakni
Használj bátran nagybetűket a mondatkezdésekre, és írásjeleket a mondatvégeken. szamóca
Sziasztok!
Talán jó helyen kérdezek. Mitől van az, hogy az AD161/162 a hűtőbordával rövidrezárja az áramkört?
Biztos rossz a szigetelés a tranyók és a hűtő között. Nem? Hol van a rövidzár? Ha van Ohm -mérőd, akkor könnyen felderítheted a dolgot.
Megépítettem a TDA2030 hidas kapcsolást és egy idő után elkezdett nagyon recsegni, ott volt folyamatosan ez a recsegős alapzaj, de am szólt rendesen, mi lehet a baj? kimehetett az egyik IC?
A 161-esen fellazítottam a csavarokat és megszűnt a zárlat. Alatta van valamilyen átlátszó fólia meg az anya alatt is ha jól látom. Leszedem az egészet és kap új szigetelést.
kicseréltem, nem IC baja van, csak akkor tudnám hogy mitől sistereghet, nagyon idegesítő:@. Szóval ha valaki tud megoldást azt nagyon megköszönném. Ja és a kontakt is ki van zárva. Segítsetek
Szia!
Először tedd fel a pontos kapcsolást, amit megépítettél.
Ez lenne az. De ha mozgatom a nyákot akkor változik a recsegés is, de szerintem nem kontakt hiba mert nem sok mozgatható alkatrész van a nyákon, csak a 2 IC meg a jack aljzat, de ha nincs bedugva semmi, akkor is recseg, elég érdekes
A csavarokkal fémesen kapcsolódik a hűtőre tehát újra rövidzár lesz bármennyi szigetelést is rakok alá. Végülis a hűtőbordának ez a szerepe. Nem értem eddig miért nem volt rövidzár, vagyis hogyan működhetett a magnó? Vagy csak nekem magas mint majomnak a zongora?
Nekem az tetszik inkább, hogy "Sertésnek a stelázsli".
A csavarok alá szigetelő alátétek járnak, ezáltal nem tudnak zárlatot csinálni. Ilyen.
Az AD161/162 collector és emitter között 0 ohm van.
Hi lapose és Mate 78!
A küldött Sípos cikknek (RT 2008 61.oldal) még egyszer nekifogtam. Most találtam meg a „next pédzs” gombot. Így a múltkori véleményem csak az első oldalra vonatkozott. Egy két dologgal nem értek egyet, néha fogalmakat kéne tisztázni, de egészébe véve számomra rendkívül hasznos volt a cikk. Főleg a 2. rész, mivel a jó hangzást igyekezett összekapcsolni az erősítők műszaki tulajdonságaival. Ezért oszlatta a ködöt a tranzisztoros kontra csöves témában. Utólag is köszönet, hogy felhívtátok rá a figyelmem. Nem szeretnék családregényt írni, ezért csak főbb észrevételek, sorrendbe: - Az nem tagadható, hogy egy kissé elfogult a csövek javára. ≈Már a nácik is használták a V2 rakétákban.. . Nade nem azért mert a számtalan remek megoldás közül a cső lett volna a legjobb választás, hanem azért mert akkoriban nem volt más. A megbízhatósággal kapcsolatosan azért az is hozzá tartozik az igazsághoz, hogy az első, csöves számítógép többet állt mint működött, mert valamelyik cső mindig elszállt (a néhány száz közül). Bár kétségtelen, hogy a Londonig tartó 0.5-1 órás utat az a néhány, a rakéta orrába hibátlanul tette meg. - Hogy egy hangszer hangja felharmonikusokat is tartalmaz, azt én nem tekintem „torzításnak” . - Az erősítő slew rate-je szerintem nem torzítási jellemző, hanem az erősítő hasznos paramétere. Az átvihető jel amplitúdója, és frekvenciája közti kapcsolatot lehet vele meghatározni. - Hasznos volt annak hangsúlyozása, körülírása, hogy a tranyós erősítő nemlineáris nagyfrekis karakterisztikáján, szorzó keverés jön létre és ennek termékei lógnak bele a hangfrekis sávba. Ezek a torzítási termékek zavaróbbak mint a hangfrekis sávban eredetileg is ott lévő pl. harmonikus torzítások. Ez a jelenség a csöves erősítőknél, építőelemeik alacsonyabb határfrekvenciája, sávkorlátozó képességei miatt, nem jelentkezik. A fentiek alapján úgy látom, hogy a tranzisztoros HI-FI erősítők nagyfrekis karakterisztikájának linearizálása még nincs megnyugtatóan megoldva. Nem érzem lehetetlennek. Ezzel azt az annyira hangsúlyozott szorzó keverést meg lehetne szüntetni, v. legalább is csökkenteni. Hogy a tranzisztorok gyorsabbak a csöveknél, ezen nem érdemes keseregni, inkább tanuljuk meg ezt kihasználni. |
Bejelentkezés
Hirdetés |




Addig marad a pc-s csipogó, hangoskodásra meg a stúdió fejes












