Fórum témák
» Több friss téma |
Mielőtt kérdezel, a következő két dolgot ellenőrizd!
I. A helyes tápfeszültségek megléte.
II. A kimeneten van-e egyenfeszültség.
Élesztés.
Bocs hogy ilyen hülye vagyok de itt a kapcsoláson hogy kell használni a standby és mute lábakat, ami ott szabadon van kivezetés, azzal mit kell kezdeni? Köszi a válaszokat előre is!
Rá kell kötni a pozitívra. Érdemes már a maratás előtt összekötni, úgysem fogod használni, mert tök felesleges.
ja bocs, nem csatoltam a képet
. Pótoltam! Akkor azt is megcsinálhatom hogy a 2 IC 9 és 10-es lábára nem kötök semmit, és üresen hagyom azt a 2 lábat?
Nem üresen. Tápot kell neki adni, mert másképp nem fog szólni.
Amikor tápot adsz a végfoknak, akkor alapban a mute bekapcsolt állásban van, így nincs semmi koppanás a hangszóróból. Ha a mute csatlakozóra is tápot adsz ezután akkor koppanás nélkül rákapcsolja a jelet a hangszóróra. Ahogy bassmester írja jobban teszed ha alapban összekötöd a táppal, és kész. Én is mindig így tettem amikor készítettem ilyet.
Tegyél bele minden alkatrészt ami a rajzon van, a 10k és a 22k ellenállásokat pedig kösd a pozitív tápágra. Jól teszed, ha már a nyák maratása előtt, filccel összekötöd, hogy élesztéskor ne kelljen ismét segítségért kiáltanod itt a fórumon, hogy "nem akar megszólalni"
Kösz a segítséget, ez fontos volt, nem tudtam hogy így van megoldva a koppanás gátlás. Bassmester neked külön köszönet hogy mindig ott vagy amikor kell
Sziasztok.Szeretnek epiteni 2erositot.
Az egyik erosito 2 darab 30 cms hangszorot kene mukodtesen. A hangszoro adatai:Max teljesitmeny: 180W impedanta: 8 Ohm sensibilitate: 91dB frecventa: 20Hz - 4kHz magnet : 30 Oz Ez az erosito mely hangot kene kibocsajtson es lehessen alitani a hangerejet es a baszust. A masik erosito 8 darab 16.5 cms hangszorot kene mukodtessen. A hangszoro adatai:Max teljesitmeny: 60W impedanta: 4 Ohm sensibilitate: 90dB frecventa: 30Hz - 5kHz magnet : 16.6 Oz Ez az erosito simma hangot kene kiadjon es allithato mely kozep es magas hangal. Ha lehetne 12 voltal mukodjon de ha nincs olyan rajz akkor ugy is jo.Elore is varom valaszaitokat
Udv,
Ahhoz hogy erositot tudjunk ajanlani jo lenne tudni az egesz rendszer felhasznalasi teruletet is! Ha otthonra, szobahangerore szukseges akkor elegendo valamilyen egyszeru, kis teljesitmenyu erosito is de ha diszkozni akarsz akkor nagyobb teljesitmenyu, sokfele (leginkabb rovidzar es hangszoro) vedelemmel ellatott, komolyabb erosito szukseges. A kis teljesitmenyu erositohoz elegendo lehet a 12V-os tapfeszultseg, a nagy teljesitmenyu valtozathoz mindenkepp nagyobb tapfesz ajanlott. Ha esetleg autos felhasznalasrol van szo akkor pedig lehetoseg van DC/DC konvertert hasznalni a nagyobb teljesitmenyu erositok tapellatasahoz. De biztos van mas lehetoseg is, specialis autos erositok, stb. ... az ebben profibb forumosok biztos segitenek majd, en nem vagyok auto hifi rajongo.
Szia mester! Megszűnt az oldal ahol az n-mos sorozat fent volt. Agyhalál kerülget esküszöm. Most akartam bevásárolni hozzá.
Küldjek anyagot? Nekem le van mentve róla minden.
Az nmos 200-asé kellene a to247 tokozású fettel.
Szia othonra kene es bulizni is hasznalnam egyszer ketszer
@-ben küldtem egy-két dolgot.
Szia! Köszönöm szépen!
Szívesen! Nézd meg az Alesist is! Valami precíziós visszacsatolása van neki. Nem lehet rossz...
Sziasztok!
Szeretnék építeni egy erősítőt, ami egy 9V-os elemről megy, és 1W-os, gondoltam az lm386-re, de az ugye nincs 1W/4ohm? Másfajta kapcsolást tudtok mutatni? Köszi!
Az elem nem nagyon fogja bírni sokáig.Inkább kettő darab lapos elemmel menjen.Az erősítő jó ,hogyha csak 1w kell neked ,de én úgytudtam ,hogy 8ohmon ad le ennyit.
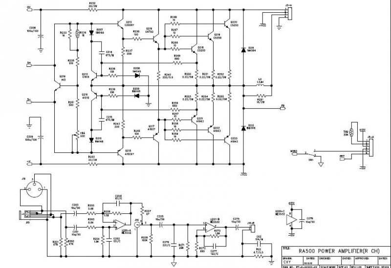
Itt a service manualja az Alesis RA500-nak.
Oké... én csak a pdf elején olvasható, figyelmeztető szöveg miatt nem bátorkodtam feltenni ide
Üdv. Mindenkinek.
Megépítettem az stk4241II-es erősítőt. Tegnap lett kész de csak ma próbáltam ki. Az a helyzet, hogy szerintem teljesen rossz. Mindent ugyan úgy ültettem be és kötöttem be ahogy a kapcsolási rajzos és a beültetési rajzon van. Az ic max feszültsége: 2X77v én a régi gyári stk-s erősítőm trafójáról és egyenirányítójáról teszteltem: 2x30v. Szerintem ezzel működnie kellene. Na de a problémák a következők: Ráadom a feszültséget és a bal csatorna folyamatosan búg. Rámertem műszerrel 26V egyenáram van rajta Az ic nem melegszik és nem füstölt semmi sem el. A jobb csatornán nem mérek feszültséget, de ott csak egy ilyen kis pici sistergés hallatszódik mikor bekapcsolom de megszűnik. Ha a bemenetre kötök hangjelet iszonyúan sivalkodik szörnyű hangja van pedig ha lehalkítom akkor is. Nem tudom mi lehet a baja. Egyébként az ic HQVideó.hu-ról rendeltem. Lehet valami gyári hiba vagy átvertek az oroszok? A végfokról vannak képek. Kérlek benneteket segítsen már valaki!
üdv
Akárhogy is van összerakva,ha egyenfeszt mérsz a kimeneten akkor az ic nek annyi.Ezek nagyon érzékeny ic k,az is elég neki ha bakapcsoláskor már a kimeneten vannak a reprók és pukkannak.Kiüti a végtranyókat.Nekem már ilyen is történt.Mivel tudjuk az STK t már nemgyártja a sanyo hanem csak utángyártott másolatokat lehet kapni és ezeknek a belsejükben sokszor egy teljesen leegyszerüsitett kapcsolást tanálunk gyengébb alkatrészekkel.Az eredeti darabok amiket még itt-ott belehet szerezni azok árai a csillagos egeket verik.Ennek ellenére azért ha jól van összerakva minden a nyákon,azért mennie kellene.De mindenképp cserélned kell az ic t.Ha egy stk kimenetére egyenfesz kerül az 99 százalékban halált jelent az ic részéröl.Ha + fesz van akkor átütött benne aTR9 nek jelölt npn tranyó,ha megnézed a belsö kapcsolását az adatlapon akkor rátudsz mérni zárlatkeresövel 13. lábat a 12 essel aztán pedig a 11. es lábat a 12. essel kel mérni,kolektor emitor biztos fütyülni fog.
Sajnos nagy a valószínűsége hogy igazad van. A HQ-nál sincs már eredeti STK a tapasztalataim szerint.
Sajnos az STK ick lassan felejtösek lesznek,már csak a jóhirük maradt fenn,de a tapasztalatok azt mutatják,hogy nemigazán érimeg épiteni velük erösitöt.Enis beleinvesztáltam egy féléve egy komojabb projektbe,amiben 2 darab STK4050 es 200wattos ic volt.Elsö bekapcskor elszállt az egyik oldal ugyan ugy mint nálad semmi ok nélkül csak a hangszóró volt rajta bekapcskor,a másik oldalra csak utólag tettem reprót az szépen szólt is,meg is vágattam kicsit,aztán kikapcsoltam,de rajta felejtettem a reprót,bekapcskor az is kinyuvadt,ugyan ugy mint a másik,a + tápfesz volt a kimeneteken.Utána rendeltem máshonnan bele ic ket,azok drágábbak voltak 10 euróval,ami kb 2800Ft körül van,azokkal jólment,de túl is adtam rajta hamar.Nemvolt kedvem többet bele költeni.
ááhh.
Elment a kedvem az egésztől. Eddig 10 e forintba került mindenestől együtt a cucc + 20 e forint lett volna a táp. Nincs kedvem zsákba macskát venni megint. Pedig direkt azért építettem volna, mert már 2 stk erősítőm volt és mind 2 tökéletesen müködött és nagyon szép hangjuk volt. Nem tudom hogy smint legyen tovább. Talán adjak esélyt egy új végfok ic-nek 6000ft-ért? És ha az is fake lesz Azt mondják hogy 10-ből 2-3 fake.
Minden TDA 7294 működik.
koliban van egy tda végfokom de inkább az a 2 mélyládánkat hajtja mert annyira nem tetszik a hangja, torzít szana-széjjel arra meg tökéletes, hogy meghajtsa.
Tda-t soha többet nem építek.
Egyébként a csodálatos HQ videónál nem cserélik az stk-mat? A kapcsolás 100%-osan jó.
Miért nem próbálkozol diszkrét elemekből végfokot készíteni?
Nem cserélnek IC-t egyik boltban sem. Én is jártam így a konthában anno.
Szerintem veszek egy új ic-t. Max a tápot később veszem meg hozzá addig meg jó lesz neki 2x30V. (Feltéve ha az ic nem lesz ismét hamisítvány).
A régi stk-im a Daniella kft.-től származnak, bár 2x annyiba kerül mint a hqvideo-nál, de szerintetek az már jó lesz vagy ott is vannak fake stk-k? Vásárolt már valaki a Daniella kft-től és működött is neki?
Külső jegyek alapján nehéz megállapítani azt hogy eredeti-e az IC. Az ár sem mérvadó a jelenlegi kereskedelmi viszonyok között.
Ha beütöd a gugliba az stk-t, ömlenek a kínai árú küldő oldalak. És azok nem arról híresek hogy eredeti dolgokat árulnak. Jó pár hazai "vállalkozó" is innen szerez be olcsón alkatrészeket. |
Bejelentkezés
Hirdetés |




. Pótoltam! Akkor azt is megcsinálhatom hogy a 2 IC 9 és 10-es lábára nem kötök semmit, és üresen hagyom azt a 2 lábat? 




Az ic nem melegszik és nem füstölt semmi sem el.







