Fórum témák
» Több friss téma |
Fórum » Propeller Clock
Találtam egy érdekes órát:
Bővebben: Link
Hello
Hmm, annyit már lehet tudni a videó alapján, hogy mágnes alapú, minden egyes kis tekercsszerűség, ami a kijelző falon van, minden segmens-nek tudni kell, hogy hol van a helye! Ha ez mind nem elég, akkor még azt is kell tudni, hogy a szegmens milyen állapotban van, hogy a kijelzőhöz pontosan illeszkedjen! Ne hiszem, hogy ilyen órát csináltak már valaha! Üdv.
Ha visszaolvasol rendesen mindenre találsz választ! Bővült az óra kijelzése hét napjának neve kiírása,hőmérséklet,páratartalom mérése,fordulatszám,rotor pufferfeszültség mérése stb ezért 20 led van bent A másodperc mutató elsétál a digitális számok felett,binális kijelzés,aktuális horoszkóp jegy mutatása RTC egységbe írja az időt így nem felejti el,fényerő szabályozása időzítetten,fényerőre, nagy vonalakban ennyi! Felteszek egy layt abbn van 3,5,10 mm ledhez terv RTC is bele van tervezve ha nem rakod bele akkor ugyan az mint vicsys órája! Távirányítót se a simát csináld meg szerinetem hanem a bővítettet 3x16 parancsot tus az eredeti 1x16 parancsal és csak két gomb kell bele semmi alkatrész szinte csak a program más! EZT a nyákot én terveztem és működik is.
Szia! Egy kérdésem még lenne! A portkábel mivel összekötöm még nincs kész és az lenne a kérdésem amit küldtél abban van egy kép a bekötésről ez jó ehhez a kiosztáshoz mit most csináltam meg vagy számot számmal kössek
A motor helyére egy rizsszem izzó lesz kb 1W a tekercset pedig egy 5W-os autó helyzetjelző izzóval helyettesíteném. Más szerintem tiszta és a kapcsolás is jó lehet mert még egyszer megnéztem az éjjel
Szia!
Sajnos nincs nálam a rajz... A PC adás (TxD) vonalának kell a pic RC7 lábára mennie, a PC vétel vonalát a pic RC6 lábáról kell meghajtani (a szintillesztőkön keresztül). Legalább egy modem vezérlő jel kell még, mivel azok (7 - 8, ill. 1 - 4 - 6) össze vannak kötve, az esetleges cserére nem érzékenyek. Szia
Szia!
Szerintem ilyen kell hozzá... Szia
Köszi patexati,
ezt is szeretném majd megcsinálni, meg ezt a nyáktervet láttam is csak a másikhoz már megvannak az alkatrészek és nem szerettem volna egyenlőre venni a frissített verzióhoz plusz alkatrészt hanem megcsinálnám az eredetit és később ezt. (A nyákot akkor is át kellene alakítani ha kihagynám az RTC-részt legalábbis fölöslegesen van a kész nyákon az a vezető sáv, ezért gondolkoztam a régebbi nyák verzióba. Én úgy gondoltam hogy ez a jobb megoldás, de lehet hogy nem )Köszönöm szépen zsoltii90
Szia majd késöbb tudok tesztelni mert el kell mennem egy sürgős esethez majd jelentkezek!
Szóval, hogy kicsit pontosabb legyek meg szeretném csinálni az eredeti bázist, propellert, távirányítót és majd később mire összegyűlnek az újabbra az alkatrészek azt a hármast is megcsinálom.
(Esetleg aminek előzőleg elküldted a nyákterveit (bázis, prop, távsz.) belinkelnéd a kapcsolási rajzait, mert abból is láttam több "próbálkozást" és nem igazán tudom melyik a valós és helyes.) Különben és 18 LED-et számoltam akkor melyik volt az a 20 LED-es verzió? Kössz. Üdv:zsoltii90
Szia!
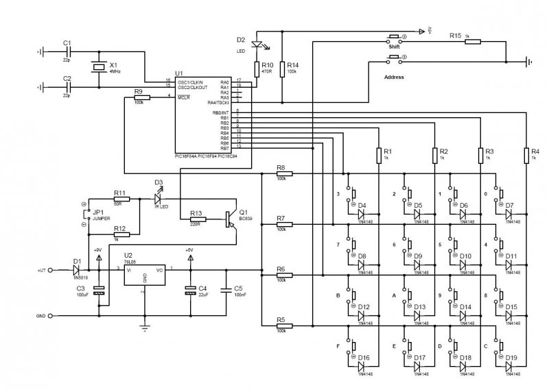
Ha a cikkben szereplő propellert építed meg, legalább a távirányítóból az általam módosítottat kellene hozzá elkészíteni, főleg, ha több órát is fogsz készíteni. Ekkor ugyanis egy távirányítóval az összes (max. 16) órádat kezelheted. (Munkát, pénzt és időt takaríthatsz meg, csak két nyomógombbal kell több...) A több parancs kiadásának lehetősége is jól jön, az eredeti órának sem elég a 16. - A propeller 16F876/886 verzióján 9 belső led, 8 led a számjegyek kiírására, külön led a másodpercnek és az óraosztásnak valamint a külső led. 9+8+1+1+1=20 - A fórumra feltöltöttem: Propeller 16F628(A)-648A RTC-vel (az RTC kihagyható), Bázis: 16F628(A)-648A vagy 16F87-88 kontrollerrel - ébresztő - kapcsoló óra 20/40 független időponttal. Távirányító: 16 készüléknek lehet vele 48 - 64 fajta parancsot küldeni. - További változatok: A 16F876 -os verzió február óta működik kiválóan (20 led, hőmérséklet, páratartalom, fordulatszám, buffer feszültség mérése, hét napjai névvel 16 nyelven, RTC, stb) Készülőben van a propeller 16F886 (16F876 tudása és az automatikus fényerő állítás) és a bázis 16F886/18F2550 verziója (40 időpontos ébresztő - kapcsoló óra, DCF77 szinkron, stb). A propotípust élesztjük. Kidolgozott verzió van még 16F648A-ra (hét napjai névvel 16 nyelven). Ugyancsak elkészült a 16F690 verzió (másodperc és óraosztás led), de még nem készült prototípus. Az RTC-vel rendelkező áráknak nem kell állandó táplálás, a dátum, az idő és beállítások megmaradnak áramszünet, átmeneti táplásási zavarok (takarítás) esetén is. Olvass át a Wand Clock topikba is, az ott megvalósított időkijelzési módok hamarosan a propeller órán is (18F2620 kontrolleren) megjeleníthetők lesznek... Szia
Hello Hp41C
Köszönöm az összefoglalót a verziókkal kapcsolatban. Először biztos, hogy a cikkben szereplőt építem meg viszont akkor mégis az újabb távszabályzóval (ebből így tényleg csak 1 kell )Akkor a lényeg: Be tudnád nekem linkelni az újabb távszabályzó működőképes kapcsolási és nyáktervét? "Távirányító: 16 készüléknek lehet vele 48 - 64 fajta parancsot küldeni." Illetve a "- A fórumra feltöltöttem: " változatot a 16F628-as és a"- További változatok:" 16F876-os februári verzió bázis és propeller nyáktervét, hogy meglegyen így egybe. Gondolom a PIC miatt nem ugyan olyan mindkettő kapcsolás. Tudom, hogy a régebbi hsz-ekben már belinkelték többen, de láttam, hogy mindig frissült,bővült a kapcsolás és nem tudom hogy melyik a végleges verzió, ezért így tiszta ha egyszerre be tudnád linkelni Köszönöm szépen Szia. U.i.:Biztos én tudok rosszul valami de a patexati által belinkel (én is belinkelem) prop nyákterven én 18 LED-et számoltam, de az alkatrészek viszont a bővített verzióra utalnak Igazából ezt nem értettem.
Szia!
Sajnos van két rossz hírem... - Nincsnek nyákterveim... Az összes kapcsolást átterveztem és próbanyákon csináltam meg. Így nagyon könnyen tudtam újabb és újabb funkciókat beépíteni. - Az általad feltöltött nyákterv a Patexati féle terv, a dip 18 tokozású 16F628(A), 16F648A illetve 16F87, 16F88 kontrolleres, RTC-s verzióhoz való. A 18 lábon nem megy a 20 led vezérlése és az RTC egyszerre. 20 led vezérlése a 16F690 20 lábú és a 16F876(A), 16F886 28 lábú kontrollerekkel megy az RTC kezelése mellett is. (A 28 lábú tokkal már 3-4 analóg mérés is megy.) A távirányító Patexati féle nyákterve itt található... Szia
Bocsánat elírtam:
A 16F690-nel csak 19 led vezérlése megy az RTC kezelése mellett...
Szia! Na nekiálltam az élesztésnek! Csináltam egy nullmodem kábelt de nem tudom milyen az a terminál program mit mondasz! A tápot rátettem csak a pic van bent és villog a D10 led ha megnyomom a távirányító bármely gombját akkor meg villog a kis rizsszem izzó a motor kimeneten a tekercs kimeneten nincs fesz! A motoré is csak villog de nem kapcsolja be a bázist szerintem mert végigzongoráztam az egész távirányítót!
RTC nincs bent elindítottam a propeller exe-t de ha nyomok egy opent akkor csak homokórázik nem csinál semmit.
Szia!
Jó a Hyperterminál is: Com1, 9600, 8, No parity, 1 Stop, No handshake. A mellékletben is van egy, sajnos félig német.... Szia
Szia! Ha megnyomom a "wake gombot bekapcsolja a motoron is a fesz meg a tekercsre is megy fesz mérni még nem mértem ha a"rel" gombot megnyomom az is bekapcsol (jelzi a led) de ki nem kapcsol utánna bármelyik gombot nyomkodom viszont ha a távirányítón megnyomok egy gombot (bármelyiket bármelyik lapon) akkoz leáll és csak a D10 villog és a motor izzója ha kapjelet annak ütemében villog
a progi sem csinál semmit ki kéne írni neki valamit ha látná ugye?
Szia!
Haladjunk fokozatosan. -- Terminál program Term95. - A Setup menüben állítsd be: Com1, 9600, no parity, 1 stopbit, 8 databit, no handshake. - Switch Mode: A fejlécben "Term95 in text mode" legyen - A kábeledet csatlakoztasd a PC hez. Kösd össze a másik végén a 2. és a 3. kivezetést. - A Send gomb elötti mezőbe írj be valamit, de ne nyomj Enter-t. Nyomd meg a Send gombot - Az alsó mezőben, a vett üzenetek helyén, meg kell jelenjen a beírt szöveg. Ha nem jelenik meg jól, a kábelt kell alakítani. -- Kapcsold ki a bázis tápját, vedd ki a pic-et. - Csatlakoztasd a soros vonali kábelt a bázishoz, kapcsold vissza a bázis tápját. - Kösd össze az RC6-ot az RC7-tel. - Nyomd meg újra a Send-et. - A szövegnek még egyszer be kell íródnia a vett üzenetek abalkába. Ha nem jön meg, a szintillesztő környékén hiba van. (Az R26 - D15 - D14 közös pontján van-e negatív fszültség a földhöz képest?) -- Ha vette a szöveget, akkor táp kikapcsolás, RC7 - RC6 összekötés megszüntetése, pic betétele, táp vissza. - A bekapcsolás hatására a "Propeller Clock" szöveget kell venni. Szia
Ha a kábelen zárom össze akkor jó de ha a 17,18 lábat zárom össze semmit nem csinál tápot is adtam rá mert a tranyóknak kell gondolom de akkor sincs semmi
A PIC bizos jó mer megcseréltem az órában lévővel kíváncsiságból!
Szia!
Pic nélkül mérj tovább: - A soros kábel legyen csatlakoztatva, a bázis tápja legyen bekapcsolva. - Milyen feszültség van a bázis soros portjának 2, 3, 4 kivezetésén. - Mérj feszültséget a Send gomb nyomogatása közben az RC7-en azaz a 18. lábon. Szia
2-0.15V,
3-7V 4-8,5V A kábelt átforgattam most szám a számmal van kötve de így sem jó ha rövidre zárom!
Szia!
Nem tudlak így követni... A PC soros port csatlakozójának 2. lába a bázis 3. lábára, a PC soros port csatlakozójának 3. lába a bázis 2. lábára kell menjen. A bázison mérj kábel és pic nélkül a következő pontokon - Csatlakozó 3. lába és a pic 18. lába. - A pic 17.lába és a csatlakozó 2. lába. - Egy 1k-s ellenállással húzd a földre a 17. lábat és mérd meg rajta és a cstlakozó 2. pontján a feszültséget. - Egy 1k-s ellenállással húzd a +5V-ra a csatlakozó 3. pontját és mérd meg a feszültséget rajta és a pic 18 lábán. Figyelj a feszültségek előjelesek lehetnek, minid a földhöz képest mérj. Szia
- Csatlakozó 3. lába és a pic 18. lába. 5V
- A pic 17.lába és a csatlakozó 2. lába. 0V - Egy 1k-s ellenállással húzd a földre a 17. lábat és mérd meg rajta és a cstlakozó 2. pontján a feszültséget. 5V - Egy 1k-s ellenállással húzd a +5V-ra a csatlakozó 3. pontját és mérd meg a feszültséget rajta és a pic 18 lábán. 2,7 V Közben a kábel is vissza lett alakítva úgy,hogy a rajzon van mit tegnap mutattam!
Szia!
Itt valami baj van... Ugye sem a kábel sem a pic nem volt bent, amikor mértél. - Q4 környékét mérjük: - Ha a csatlakozó 3. pontjára nem kapcsolsz feszültséget, a pic 18. lábának +5V-nak kellene lennie. - Ha az 1k ellenállással a csatlakozó 3. pontját +5V-ra húzod, a pic 18. lábának 0V körülire kell beállnia. - Q5 környékét mérjük: - Ha a pic 17. lábára nem kapcsolsz feszültséget, a csatlakozó 2. lábának 0V-nak kellene lennie. - Ha a pic 17. lábát földre kapcsolod, a csatlakozó 2. lábának +5V-nak kellene lennie. Szia
A Q4 az jó a Q5-nél van valami bibi a mérések is hazudósak így egy leddel teszteltem de az R22 ellenállás nem lehet,hogy túl nagy? A led egy 1K-val világít de a 10K az sok szerintem mert nem kapcsol a tranyó rendesen!
Mérve sem éri el az 5V-ot csak 4,7 körül megy nincs elég bázisáram szerintem
Szia!
- R20 csökkenthető akár 1k -ra is. Ha ezzel jó a szintiiesztő, akkor - a kábelen - nem csatlakoztatva a bázishoz - az 5. ponthoz képest kell megmérni a 2., 3., 4. lábak feszültségét. Negatívak is lehetnek... Szia
Nem tudom mi lehet
Megvan az 5V a kettes lábon ha testre húzom a a 17-est de ha leveszem van rajt kb 09-1 V C 11 úgylátom nincs a panelo valahogy kimaradt az okoz valami keveredést? |
Bejelentkezés
Hirdetés |




A motor helyére egy rizsszem izzó lesz kb 1W a tekercset pedig egy 5W-os autó helyzetjelző izzóval helyettesíteném. Más szerintem tiszta és a kapcsolás is jó lehet mert még egyszer megnéztem az éjjel


