Fórum témák
» Több friss téma |
- Ez a felület kizárólag, az elektronikában kezdők kérdéseinek van fenntartva és nem elfelejtve, hogy hobbielektronika a fórumunk!
- Ami tehát azt jelenti, hogy a nagymama bevásárlását nem itt beszéljük meg, ill. ez nem üzenőfal! - Kerülendő az olyan kérdés, amit egy másik meglévő (több mint 17000 van), témában kellene kitárgyalni! - És végül büntetés terhe mellett kerülendő az MSN és egyéb szleng, a magyar helyesírás mellőzése, beleértve a mondateleji nagybetűket is!
Szép estét!
Rendeltem a hestore-ból lm741-es ic-t ez helyett ua741cp-t küldtek, ez ugyan az vagy egy teljesen más ic?
A dinamikus mikrofon tápfeszültség nélkül viszonylag kis jelet ad. Az elektretnek kell táplálás, viszont nagyobb a kimenőjele. A hangjuk is más (ehhez én nem értek). Az elektretnek az adott kapcsolásból biztosítani kellene a tápfeszültséget, szűrést, a kimenőjelét pedig le kellene osztani. Meg lehet oldani, csak kísérletezni kell vele.
Szia!
Ugyanaz, csak más a gyártó.
Sziasztok. Gondom azzal lenne, hogy van egy PIC16F628A-val felépített számláló. Van 4 digit, ami egy tranyóra megy, és arra megy a kijelző. Hogy oldjam meg, hogy egy 12V-os kijelzőt tudjon kapcsolni? Most is egy BC547-es van ott, a bázisra egy 1K, a kollektorra 12V van kötve, és az Emmiteren még sincs 12V, mert ha rákötöm a 12V-os kijelzőt, nem működik.. :S
köszi!
Hello!
Hát az értelmét még így sem nyerte vissza a dolog. Az opto, nem egy tirisztor, hogy ki-be kapcsolgat. Ha meg az áthatási karakterisztikára (4N25/ Output Current versus Input Current) hajazol, akkor csak a pontatlanságok és alkatrészfüggőség fog nőni semmi egyéb.. Szóval amit keresel az egy komparátor. De a PIC bemenetet is lehet Smitttriggeresre programozni. Ha ennek hiszterézise neked túl sok, akkor egy komparátor IC-ből (V. egy műveleti erősítőből tetszőleges érzékenységű-hiszterézisű komparátor készíthető. Sőt adott PIC esetáben akár az AD bemenetére is vezetheted, és akkor a kapcsolási szinteket akár programozhatod is. üdv! proli007
Szia!
köszi! Átvariáltam a rajzot, betettem bc212 tranyókat, és remélem jól számoltam ki a bázis ellenállását, ugye a moc3020-nak 50mA-kell, és a tranyó bétája 310.(ha jól mértem), és így kiszámoltam az ellenállást. Javítottam a hibákat, de ha még akad szóljatok. Tehát, így jólesz a kapcsolás? Köszi!
Hello!
Hát nagy baj is lenne, ha meglenne rajta a 12V!! Mert még a nevében is benne van, hogy emitterkövető kapcsolás. Tehát az emitter követi a bázist (levonva annak 600mV nyitófeszültségét). De a gond nem olyan nagy mint látszik. pd.: Két földelt emitteres kapcsolást kell alkalmazni. Az NPN-t hajtja a PIC, a PNP-t meg az NPN. és már rángatja is a 12V-ot. üdv! proli007
Hello!
- A BC212 PNP tranyó. Ebben az alkalmazásban viszont NPN kell. - A rajz, most majdnem jó, csak a zöld ellenállások másik végét nem a GND-re, hanem a tápra kell kötni. Az optók lábszámát, meg visszaállítani (felül az 1-es, alul a 2-es) - Egyébként a zöld ellenállásokból elég 1db. mert mindig csak egy opto van bekapcsolva (persze ha a mátrix is úgy lesz tervezve.) - A bázisba, pedig inkább 47kohm kell, mint 60ohm. - A tápot (Vdd-GND) meg nem kellene összerajzolni, hogy el is igazodjunk benne. De nem lenne egyszerűbb valami áramkör tervező programot használni, mint egy rajzprogramot? Mint pld. én is? üdv! proli007
Szia!
Köszi! Tehát én összecseréltem, mert ugye azért kell npn, mert nem a + feszt kapcsolom, hanek a gnd-t? mert a pozitív fesz megy az opto anódjára, az ellenálláson keresztül. Hát azért nem használok progit, mert nem nagyon értek hozzá. Köszi ! Üdv!
Kösz. Egy kapcsolás rajzot tudnál firkantani?
Hello!
Valami ilyesmi.. üdv! proli007
Üdv
Tudna valaki ajánlani pár jó boltot ahol alkatrészeket lehet vásárolni? Ismerem a Hestore-t, általában ott vásárolok, de most terveim szerint szükségem lenne egy R301-GP2Y0A21YK-re vagy esetleg szervókra, érzékelőkre, LED-ekre... Ezeket külföldről kellene rendelnem vagy vannak olyan magyar helyek ahol megkaphatók? Tehát minél több magyar bolt címe, esetleg honlapja jó lenne. Köszi Dolfin
Köszi
Csak valahogy nem találtam ezt a fórumot, pedig gondoltam hogy létezik. Köszi
Sziasztok egy olyan kérdésem van hogy mit jelent mos fet végerősítő
Van pár pár jópofi fotó azon a linken egy fehér színű dugaszos próbapanelről (csak maga a próbapanel érdekel). Hol lehet olyat kapni?
Köszönöm a segítséget. Ma órák alatt az egészet egyedül újrakötöttem, és most valóban a kábel végén is a várt 7 ohm -ot mérek. Eddig aki hozzányúlt az mind elkötötte, mondtam, hogy igazad van a napközis bekötéssel kapcsolatban
Köszönöm.
Menet közben találtam itt a topicoc között egy ezzel a témával foglalkozót, ahol reklámot csináltak a Conrad-nak - dupla áron van ott ugyan az a cucc
Hello!
Természetesen jó, sőt azzal, akár 300mA is lehet a digitek árama. Gondolom, ez egy nagyméretű soros Led-es kijelző lesz, hogy 12V kell számára. üdv! prolio007
Köszi a kimerítő választ ,már látom hogy csak egy elvetélt ötlet volt . Nem tudnál egy ic-t javasolni ami 5v tápfesszel komparátorként használható ? (a 16f628 nak sajnos nincs AD bemenete viszont az összes többi funkció megoldható vele , és olcsó . ezért szeretném evvel megépíteni a kütyüt )Még ha több külső alkatrész is kerül a nyákra .
Szia!
Na most szerintem már jó a rajz. Mostmár csak a 4017 áramkörével lenne egykét gondom. Szóval csak annyi gondom van hogy a reset lábat, ami a kapcsoláson rávan kötve a gnd-re, azt ugye nekem nem kell rákötni, mivel a q5 re kötöm. És még az hogy én úgyemlékszem, amikor egyszer ezt megcsináltam, csak, akkor működött, amikor a 12. lábát rákötöttem a gnd-re, de ez nincs rejta a rajzon. köszi! Üdv!
Hello!
Most már jó a rajz, csak kicsit perverz.. :yes: A 12-es láb az átviteli kimenet, ha a 4017 után másikat kötnél. Azt a világért sem kell sehova kötni itt. Viszont az IC-nek tulajdonképpen van két órajel bemenete. - Ha a CLK bemenetet használod, akkor a 4017 mindig az órajel felfutó élére billen. Ilyenkor az ENA bemenetet, GND-re kell kötni (mint ahogy az eredeti rajzon is van) - Ha az ENA bemenetet használod, akkor minden órajel lefutó élére billen a számláló. Ilyenkor a CLK bemenetet VCC-re (a helyes a VDD lenne) kell kötni, hogy számolni tudjon. Szerintem Te a 13-as lábra emlékeztél. üdv! proli007
Kedves proli007!
Nem tudom, hogy megnézted-e a hozászólásomat, de azt tudom, hogy nem válaszoltál... Ugye azt mondtad, hogy írjam le, hogy mi miért... megtettem... Üdv.: Litldákk
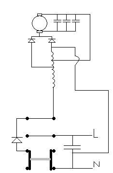
Sziasztok!
Miért megy 2 dióda a motor egyik szénkeféjére?Elvileg akkor is működne a motor ha csak egy lenne nem?
Hello!
Őszintén szólva, azt gondoltam, hogy még dolgozol rajta, csak nincs időd... Mert ez még elég hiányos. Nem úgy van kialakítva, ahogy gondoltam, és nincsenek kondik a stabi előtt-után.. De most megtaláltam egy rajzot, amit valahova már feltettem ide. De most még egyszer. üdv! proli007
Hello!
Mert ez egy kétutas egyenirányító, csak ellenállás osztóval van megoldva, nem trafóval. Amikor meg a kapcsoló melletti dióda csökkenti a fűtőteljesítményt, akkor a motor egyutas jelet kap, és csökken a fordulata is. (A kapcsoló, meg a dióda kicsit el van rajzolva, nézz utána, hogy működne.) üdv! proli007
Köszönöm.
A hajszárítóban így volt bekötve,onnan rajzoltam le.
Az 628-ban van komparátor. Miért nem használod azt? Már ha szabadon vannak a megfelelő lábak.
|
Bejelentkezés
Hirdetés |














