Fórum témák
» Több friss téma |
- Ez a felület kizárólag, az elektronikában kezdők kérdéseinek van fenntartva és nem elfelejtve, hogy hobbielektronika a fórumunk!
- Ami tehát azt jelenti, hogy a nagymama bevásárlását nem itt beszéljük meg, ill. ez nem üzenőfal! - Kerülendő az olyan kérdés, amit egy másik meglévő (több mint 17000 van), témában kellene kitárgyalni! - És végül büntetés terhe mellett kerülendő az MSN és egyéb szleng, a magyar helyesírás mellőzése, beleértve a mondateleji nagybetűket is!
Ha van rajta hőfokszabályozó, akkor azt tekerd le a minimumra. Más bojlereken sem szokott lenni kapcsoló.
140 méter hosszú, 1,5 mm átmérőjű rézvezeték ellenállása 1,39 Ohm.
Ha a hangszóró van 140 méterre, akkor a vezetékhossz 280 m (oda-vissza), és az ellenállás a duplája 2,8 Ohm. (A méréskor nem volt a körben valahol egy kondenzátor? Az el tudja bolondítani a mérést.)
Köszi a választ!
Sajnos az sincs rajta, csak egy mutató, ami a jelenlegi hőfokot mutatja. Az áram is a falból jön, tehát nem lehet kihúzni a konektorból sem. Gondolom elvileg ez azt jelenti, hogy mindig melegen tartja a vizet és nincs lehetőség hőfok csökkentésre, esetleg kikapcsolásra. ?
Sziasztok!
Nincs meg valakinek ez a könyv elektronikus(vagy nem elektronikus de eladó) példányban? Régebben HE-n láttam fájlmegosztó linkeket,de már elfelejtettem őket. Köszönöm.
Hello!
- A vezeték ellenállását Te is ki tudod számolni. R=rho*l/A Ahol az "rho": a réz fajlagos vezetőképessége (kb. 0,017ohm*m*mm2), a "l" :vezető hossza méterben (kétszeres, mert oda-vissza van), az "A" a vezető keresztmetszete négyzet milliméterben. - De a sulirádió, nem 8ohm-os hangfalakkal, hanem 100V vonali trafókkal szerelt rendszer. (tehát minden hangszóró előtt impedancia váltó trafó van) Tehát az erősítő után is kell trafó, ami a feszültséget feltranszformálja 100V-ra. (a feszültség az áttétel nagyságával, míg az impedancia az áttétel négyzetével arányos) üdv! proli007
Szia!
Van lehetőség a hőfok csökkentésére! Le kell venni a bojler alján levő szürke műanyag tálcát, és akkor hozzá tudsz férni a termosztáthoz. A termosztát az amelyik csatlakozik a fűtőszálra, ebbe mennek bele a hálózati kábelek, valamint ebből van kivezetve a visszajelző glimm lámpa is. A termosztát alján kell lennie egy forgatógomb szerűségnek, azt a megfelelő irányba tekerve beállítható a maximális hőfok. Ha nekiállsz szerelgetni, akkor a hálózati kismegszakítót mindenképpen kapcsold le, nehogy baj legyen! Egyébként amikor bekapcsolva van a fűtés, akkor hallasz víz forrásához hasonló hangot? Ha igen, akkor vízköves a fűtőszál és emiatt nagyobb a bojler fogyasztása. Üdv.
Hello kendre256 és proli007. A sulirádióban hagyományos hangfalak vannak 8 ohm -ra (16-cm-s 60wattos mélyközép és egy aktív csipogó), maximum az aktiv csipogó előtt gondolom, hogy van egy kondenzátor. Amúgy a 140 métert már duplával számoltam, vagyis oda-vissza, és én is akkor ezek szerint jogosan sokalltam a mért értéket, én is pár ohm -osnak saccoltam a vezetéket. Megpróbálom az összes hangfalnál rövidre zárni és akkor újra mérni, de ha így is nagy ellenállás jön ki akkor szerintem az illesztéseknél lesz a gond.
Császtok
nekem az lenne a kérdésem hogy mi az az "af power generator" mit lehet vele csinálni? előre is kössz
AF = audio frequency, azaz hangfrekvencia. Power generator = teljesítmény generátor. Hangfrekvenciás jelgenerátor, tehát például színuszjelet ad ki magából. De ebben teljesítményerősítő is van. A teljesítmény kellhet például hangszóró, távbeszélő vonal méréséhez.
Még egy lehetőség:
Ha a "villanyóra szekrényben" külön kismegszakítója van a bojlernek - általában lenni szokott, ha pedig "éjszakai áramról" megy, akkor még külön mérőórája is van! - akkor annak a lekapcsolásával teljes biztonsággal, és tetszőleges időre teljesen ki tudod kapcsolni. Ezzel azért vigyázni kell egy picit, mert ha a ház/lakás nincsen fűtve télen, akkor bizony el is fagyhat. (Igaz, akkor a többi cső is ki van téve ennek a veszélynek.)
Szia! Magát a ládádat és a hangszórót nem ismerem, de tapasztalatból mondhatom, hogy 300Hz az nagyon sok. Legalább is az az én fülemnek elviselhetetlenül búg. Már csak abból ítélve is sok, hogy a legtöbb erősítőn ilyen magas vágási frekvenciát be sem tudsz állítani. Olyan 200-250 körül szokott lenni a maximum és ennél csak kevesebbet tudsz beállíani. Az lenne a legideálisabb, ha ismerősnek az autójában ki tudnád próbálni egy olyan erősítővel, amin van alul áteresztő állítható vágási f.-val. Azért lenne jó, mert ez egy nagyon szubjektív dolog és mindenkinek a saját ízléséhez kell ezt beállítani. Én pl. kb. 90Hz-hez állítottam magamnak, de ez nem azt jelenti, hogy ez neked is jó lesz. Én így szeretem. Anno amíg az én erősítőm se tudott ilyet addig egy ilyet használtam Bővebben: Link és mostanában is szoktam, mert egy ilyen van a házimozihoz is. Nos ha megnézed 120Hz-nél vág. Ennek már elég jó a hangja az én fülemnek, főleg szobában, de autóban ahogy mondtam 90Hz re van állítva. Üdv.
Köszönöm válaszod!
Nos, nem vagyok egy white-fülű, a lényeg, hogy a hangszóró ne kapja meg a nem oda illő frekvenciákat. Akkor azt mondod, legyen inkább 120Hz? Annyira nem értek az audiotechnikához, csak azt szeretném, hogy minden jó legyen.
Kedves El_Pinyo!
Nagyon köszönöm a választ! Megtaláltam a szürke tálca eltávolítása után a forgatógombot és az állítás során ki és bekapcsol a lámpa. Szerintem rendben lesz! Sokat segítettél! Köszi mégegyszer! Szép estét!
A rendszerben 4 hangszóró van, és valóban ezelőtt pár évvel óvodás szinten szerelődött fel. Azóta senki hozzá nem értő nem nyúlt hozzá. Egy lemezjátszós 2*25W-os philips erősítő (azóta 1 kimenet meghalt a sok biztosíték helyett szeg elven) működtette a 4 hanszórót, és ezek nem ilyen bevásárlóközpontban levő 100V-os hangfalak, hanem hagyományos 2.0-ás 60wattos hangfalak egy mélyközéppel és egy csipogóval. Én vagyok az aki 4 év után kicsit gondjaiba vette most, csináltam egy új erősítőt, és újrakötöttük. 2-2 arányban osztottam el. Elég szép teljesítménnyel szólnak a zenék, miket beteszek, de szerintem jobban is szolhatna ha nem lenne ez a kb. 140 ohm -os ellenállás csatornánként. Arra gyanakodok hogy a régi illesztéseknél oxidálódott a réz kábel, mert nem voltak ezek cínezve, csak szimplán összebogozva és szigetelőszallagozva. Igaz nemtudom egy oxidált rézdrót illesztés mekkora ellenálással rendelkezhet, egyáltalán jogos-e a félelmem.
Nem mondhatom, hogy az tuti jó, de szerintem jó lesz. Mert ugye ez függ a hangszórótól, a láda kialakításától is. Nem tudom mennyibe kerül neked össze dobni egy ilyet, de elgondolkoznék azon is, hogy mennyi lenne egy aktív hangváltót, amit az erősítő elé rakhatnál. Lehet ugyan ott lennél, nem tudom. Nézz szét szerintem itt az oldalon ez irányban, mert nekem úgy rémlik nem olcsóak ekkora teljesítményre a tekercsek.
Hát igen, erre is gondoltam, de az igazgatónk abszalut nem támogat semmi ilyen jellegű dolgot, és a mostani erősítőt is saját alkatrészből csináltam, úgy, hogy ha jövőbe megyek egyetemre akkor azt is viszem magammal. Ezek a hangfalak hagyományos 2 eres dupla szigetelésű hálózati kábellel vannak bekötve. Ha az összes illesztést le is ellenőrzöm és amit gyanúsnak találok újra kötöm, cínezés nélkül, akkor esély van rá, hogy megszünjön ez az irdatlan nagy ellenállás?
Köszönöm a segítségeteket. Holnap megint péntek és megint 1 délután rá lesz áldozva
Amúgy az még érdekes, hogy mindkét csatornában ilyen nagy az ellenállás, most vagy amikor mi folytattuk a hálózatot nem tisztítottunk meg valami vezetéket illesztésnél vagy az ellenőrizetlen 4-5 éves illesztéseknél lett valami. Mégegyszer köszönöm. Esetleg a LED-es régi problémámra nem tudnál válaszolni és kicsit felvilágosítani? Bővebben: Link
Sziasztok!
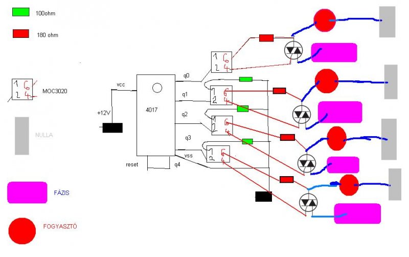
Akkor ez miatt mégis úgydöntöttem, hogy maradok a triakos verziónál, szereztem mac3020-ot, meg triakokat, és most csináltam egy "rajzot" (bocsi hogyha nem áttekinthető) ahogy gondoltam a bekötését, hogyha nemjó, légyszi mondjátok meg hogy mi a hiba. (a mac katód ellenállásáról fogalmam se volt, hogy milyen értékű legyen, kb 100 ohm-ra tippeltem) A diódamátrix, még nincs a rajzon. Köszi!
Örülök, hogy segíthettem!
Szia!
Azért gondoltam az optotranyó optokapu párosításra
hogy a lassan változó (emelkedő -csökkenő ) fényerő egy bizonyos szint be -ki kapcsolást váltson ki . amíg az optotranyó nem ad elég "áramot" az optokapu ledjének addíg nincs változás, aztán reményeim szerint lesz egy szint amikor már begyújt a led és kapcsol a tranzisztor (indítja a pic bemenetét .)
Sziasztok! Egy olyan kérdésem lenne hogy a stereo jack dugót hogy kell bekötni vagyis hogy honnét tudom hogy hova forrasszam a jobb és hova a bal csatornát? Mi alapján lehet ezt tudni? A földelést tudom. Köszi előre is. Üdv.
Szia!
Miért nem használod erre a célra a PIC16F628 beépített komparátorát?
Szabvány szerint a csúcsa a bal és a középső a jobb csatorna, az alsó a test.
Mert parsic -progit használok és abban nincs lehetőség erre . (azt talán include -ként lehetne megírni hozzá
de ehhez sajnos nincs meg a felkészültségem .
Sziasztok!
Egy olyan kérdésem lenne, hogy ha egy URH mikrofonhoz dinamikus mikrofont írnak, nekem pedig elektret mikrofonom van, azzal is jó lesz? Vagy valamit elé kell rakni? Vagy nincs megoldás?
Előrebocsátom, hogy a MOC3020-as optóval nincs tapasztalatom (de majd ír valaki, ha valamit rosszul írok).
A rajzodban több problémát is látok. A doksikat átnézve a MOC3020 1-es lábára kell(ene) a 4017 kimenetét kötni, mert az az anód, oda kell a pozitív feszültség (vagyis a rajzodon az 1. és 2. lábakat fel kellene cserélni.) A MOC3020 diódájának a kimeneti triak triggereléséhez 30-60 mA kell. Ehhez a soros ellenállásnak 12V-os tápfeszültségről 160-330 Ohm között kell lennie. A 4017 adatlapját megnézve viszont kiderül, hogy a kimenet csak 1-2 mA-rel terhelhető! Ebből az következik, hogy ezekkel az alkatrészekkel, így nem fog működni. Vagy be kell tenni még egy-egy tranzisztort a 4017 kimeneti terhelhetőségének növelésére, vagy kellene a MOC3020-hoz hasonló, de sokkal érzékenyebb áramkört keresni. |
Bejelentkezés
Hirdetés |




Amúgy az még érdekes, hogy mindkét csatornában ilyen nagy az ellenállás, most vagy amikor mi folytattuk a hálózatot nem tisztítottunk meg valami vezetéket illesztésnél vagy az ellenőrizetlen 4-5 éves illesztéseknél lett valami. Mégegyszer köszönöm. Esetleg a LED-es régi problémámra nem tudnál válaszolni és kicsit felvilágosítani?







