Fórum témák
» Több friss téma |
Fórum » LED mátrixos kijelző
Témaindító: Satterhand, idő: Aug 20, 2005
Témakörök:
Hali!
Az lenne a kérdésem, hogy hol lehetne jó áron kapni 4*40-es LCD kijelzőt? Ha lehet HD44780-as chippel.
Hello!
Foglalkozom éppen egy (először csak 8x8-as, később majd meglátjuk mekkora) Led mátrix kijelző építésével LPT portra. A kérdésem az lenne, hogy tud-e valaki esetleg olyan megírt és letölthető programot, ami meg tudja ezt az eszközt vezérleni, vagy muszály lesz nekem leprogramozni?! Előre is köszönöm a válaszokat!
Hello!
Foglalkozom éppen egy (először csak 8x8-as, később majd meglátjuk mekkora) Led mátrix kijelző építésével LPT portra. A kérdésem az lenne, hogy tud-e valaki esetleg olyan megírt és letölthető programot, ami meg tudja ezt az eszközt vezérleni, vagy muszály lesz nekem leprogramozni?! Előre is köszönöm a válaszokat!
Muszáj lenne neked igen!
De miért nem PIC-kel és shift regiszterekkel építesz egyet, sokkal jobb. Én kb. 2 hét múlva állok neki egy 5x10 modulos, 8x8-as bicolor (red, green, orange) mátrixnak. Sajnos csak akkor jönnek meg a mátrix kijelzők.
Hali.
Avr óra és a kimenetein tranyzisztorok 5V szintillesztés miatt, majd irf 540 ls irf 5305. Irf 540-el van gondom 2khz en fut a kijelzés és a fet nem akar kisütni. Mikor sötét lenne a led kijelző halványan világít. Soros 330ohm ellenállás és 1kohm g-s ellenállás esetén sem. A belső kondija nem akar kisülni. Mit kell ilyenkor tenni? Mekkora a minimum pásztázási frekvencia szerintetek 4db 7szegmenses kijelző esetén? Kapcsolóüzemű autóerősítő tápegységek jutottak eszembe, ott 20-50kHz-en kapcsolgatnak a fetek ott is így viseledik a fet? enyhén vezet folyamatosan? Sajnos kevés időm van, hétvégétre kész kell lennem a cuccal, én frekvencia csökkentésre gondoltam 500hz vagy 1kHzra. Szerintetek?
Vannak kimondottan FET meghajtó IC-k. Sokkal egyszerűbb ha ilyet használnál a FET-ek meghajtására. De egy tranzisztor pár is megteszi, ha nem akarsz cél IC-t használni. A 2Khz -es kapcsolási frekvencia nem olyan magas, hogy ne tudna vele megbirkózni a FET. Csak normális meghajtó fokozat kell a FET elé. Ami nagy árammal tudja tölteni és kisütni a FET-et. Én cél IC-t használnék erre.
valaki kötött már uln 2003-at párhuzamosan a kimeneteit és bemeneteit a 2szeres áram miatt?
Meg nem értem most akkor mekkora áram kell a bemenetére? -IB Continuous base current 25 mA Vagy: -II(ON) Input current for ULN2003, VI = 3.85 V, 0.93-1.35mA Plusz 400mA-nél 1,5V a saturation voltage akkor az 0,6w/csatorna, közben az IC Power Dissipation Pd 950mW Tamb=25°C,495mW Tamb<85°C. El sem bír annyit fűteni. >
Igen, lehet kötni. Az ULN2003 elvileg 500mA / port. De kb 250mA / port áramot tud disszipálni. Tapasztalat.
Istenigazábol különbséget látsz a 2 IC közt?
Bemeneti áramba tudsz segíteni? Melyik érték az igaz?
Bocs, elírtam. Nem ULN2803 hanem ULN2003. Különbség annyi, hogy 7 vagy 8 darlington van benne. Javítottam az előző hozzászólásom.
Kérdéses áramokról: A 25mA az abszolút max bázis áram. Annál többet nem folyathatsz be. Neked Input Current kell, ami pedig 5V esetén 0,5mA és 3,85V esetén max 1.35mA. Magyarul szórásból eredendően alakul ez az érték, de mivel a max érték az 1.35mA, az azt jelenti, hogy még a legrosszabbnak is 1,35mA-re ki kell nyitnia. De a tipikus a 0,93mA. De amúgy ne tegyél bázis ellenállást az ULN2003-hoz. Ha megnézed az adatlapot, akkor ott a belső felépítése, és látható hogy az ULN2x03-ban van egy soros 2,7KOhm-os ellenállás a bázison. Az közvetlen mehet kapura, vagy proci kimenetre.
AVR kimenetére fog mennni, de párhuzamosítom mert 400mA-rel terhelem és 24órában fog menni. Kicsit túl akarom építeni. Így 2db IC fog 7szegmens meghajtani legalább.
Pontosabban KA2657 IC vel mert az is van itthon sok pénztárgépből.
400mA? NE ULN-ezz. Melegedni fog. Még párhuzamosan kötve is. És ha 30°C-ra melegszik, akkor nyári 30 fokos melegben 60 fokra, vagy afölé fog menni.
Nem egyszer gyártottam már többszáz mA-t fogyasztó nagy kijelzőket. És nem elég hogy sima tranyó melegszik, még lassú is a multiplexnél. FET! Nem sokkal drágább, de cserébe SO8 tokon áthajthatsz 4A-t is melegedés nélkül. Pl. IRF7303 Két darab N csatornás FET, 30V 4,9A. Nem kell borda, nem kell trükközni párhuzamosítással, gyorsan kapcsol ki, és az ULN ahhoz hogy 400mA-t ki tudj belőle szedni DIP tokban célszerű. De akkor meg már akkora alapterületbe elfér egy rakat IRF7303.
A probléma ott van holnapra kész kellene lenni, én beterveztem fettel, bika nagy fetek bekötve csak épp tranzisztoros síma meghajtással aminek köszönhetően nem sül ki gyorsan a gateje. Időm nem sok van 270ohm már a gate-sorce ellenállás de még melegednek a fetek. irf540 és irf5305.
Annak meg nem sok értelme van, hogy totempole meghajtást készítsek a feteknek bazi nagy amperes tranyókkal mikor folyik rajta 400mA és 2,8A. Elöbb írtad 250mA-t elvisel szépen, nekem csak 200/csatorna lenne. Időhiány, és most ismerkedek a fetek nagyfrekvenciás viselkedésével is, sajnos.
Avr kimenetére maximum 3A-es vezérlésre milyen kapcsolást ajánlotok? Pozitív és negatív tápfesz kapcsolgatásra? Van valakinek bevált jo?
Esetleg olcsó Fet meghajtó IC is érdekelne .
Elég lenne pozitív táp kapcsolgatása, pozitív 5V-ról is valami kapcsolás.
FET meghajto ICnek TC4469 esetleg..? vagy TC4421, v. hasonlo.
Köszöm ez is segítség, eddig csak (fet driver szóval kerestem) ez az ami nem éri meg. 100ft os fetet hajtsak 4-500Ft -os meghajtóval?? Vagy helyettesítsem, akkor sem éri meg 3-5A-nál árban.
Es valami ilyesmi: UC1709, UC2709, UC3709 ? (arakat nem neztem) Esetleg: Bővebben: Link
Ezeket építettem meg, és mind 2-nek a kimenetét 1k-val lekellett tennem az ellentétes tápra mert különben a ledek parazsoltak. A kis tranyók meg melegedtek rendesen.
jelenleg ott tartok, hogy uln2003-at használok mert egyszerübb nagyobb tápfesz és kisebb árammal elértem hogy jobb hatásfokkal. Egyedül még a p-fetes áramköri rész az nem 100%-os. Azé ha lehetne fet jobban tetszene.
Hello!
Egy 7*30as LED mátrixot szeretnék építeni. A működési elvet már nagyjából összehoztam. Röviden és tömören: Egy PIC számol 1-31-ig így a demultiplexerrel tudok sorban hivatkozni az oszlopokra Amikor egy oszlopra hivatkozok abban az idő pillanatban a PIC-el hivatkozok arra a sorra, amelyikben szeretném hogy az adott LED/LEDEK világítsanak. Hogy ez folyamatosnak tűnjön 1 másodperc alatt 50szer legalább meg kell hogy ismétlődjön. Kérdés: Normál vagy erős fényű LED-et használjak? Mivel nem tudom, hogy a másodperc alatti villanások miatt halványan fog világítani-e a LED... A kapcsolási rajzot amit eddig készítettem mellékeltem! Ha esetleg valaki tudna segíteni előre is köszönöm!
Nagyon betomoritetted a rajzod.
Egyszerusitheted az egeszet ULN tranyotombokkel. (4 db) Ajanlom nezegest meg a topicot. A LEDen atfolyo aram ilyen kitoltessel 32szeres kellene hogy legyen. Nem tudom ennyit at lehet-e hajtani rajta, es hogy fog viselkedni. Ekkora aramnal a vezerlest figyelni kell, es ha gond van (leallt a multiplexeles) gyorsan lekapcsolni a tapot, kulonben fust lesz.
Sziasztok!
Jól tudom azt,hogy az egyes óraimpulzusok szélességének 20 ms - nak kell lennie, ahhoz hogy megtudja különböztetni a szemünk egy pontmátrixon a szöveget, ha multiplexelt üzemben van? Ekkor tehát a legkisebb oszcillátor frekvencia, amit használni tudunk, az 2 MHz?
Hali mindenki
Valaki nem tudja véletlenül hogy, hogy kell úgy vezérelni 3x7 LED-et mátrix-ban hogy az fényerőszabályzással legyen megoldva. Tehát különböző fényerővel menjenek a LED-ek, természetesen csak soronként változna a fényerő
A mátrixolásnál az adott sorról hamarabb lekapcsolod a vezérlést mint ahogy egyébként sor kerülne a következőre. Minél hamarabb annál haloványabb.Természetesen így csak sötétíteni tudsz,de ha az egészet a legvilágosabbra állítod be ,akkor a kívánt fényviszonyok beállíthatók szerintem.
Köszi az ötletet még gondolkozok a megvalósításán.
Sziasztok!
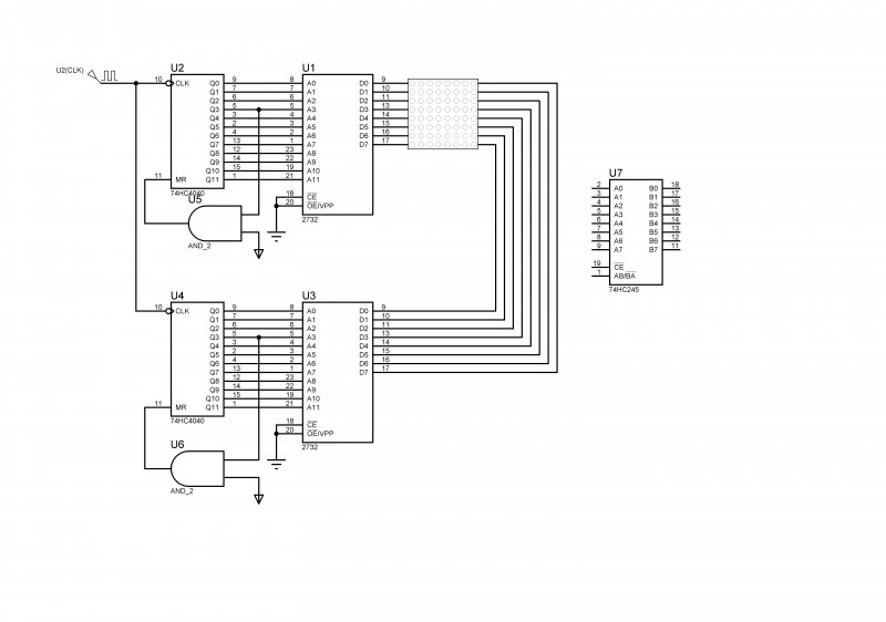
Tudom hogy vannak hasonló témák,de sehol nem talaltam választ,segítséget. A suliban kaptam ezt a feladatot : 8x8as led matrixal futófényt megvalósítani,több programmal stb...A kapcsolás 2db memóriát kell hogy tartalmazzon,és egy bus drivert (74hc245).Az egészet Proteusban kell csak megvalósítani...A kapcsolásom tulajdonképpen már müködik,de nem használtam a BUS DRIVERT. Tudna e valaki segíteni,hogyan használjam az említett áramkört a kapcsolásban?
Üdv!
Iktasd be az egyik memória és a ledmátrix közé, mátrix elé 220 ohm ellenálláshálózattal.
Simán tedd be az EPROM-ok és a LED mátrix közé. A 2732-es EPROM egy lábán extrém esetben 8 LED árama is átfolyhat, ennyit azonban képtelen meghajtani, ezért van szükség a HC245-re.
Szia!
A 2732 EPRom max 2.1 mA áramot tud egy kimenetén a föld felé folyatni alacsony szintű kimenetnél. A magas szintnél 2.4 V-ra csökkenhet a kimenőfeszültsége 400uA kimenőáramnál. Szerintem mind a két memória kimenetére kellene a meghajtás, a ledmátrix egyik oldalára a meghajtó és a ledmátrix közé meg a 200 ohm sorosan minden kimenetre. Adatlap Szia |
Bejelentkezés
Hirdetés |













