Fórum témák

» Több friss téma
Fórum » PIC kezdőknek
 
Témaindító: Placi84, idő: Okt 3, 2005
Témakörök:
- A PIC ÖSSZES Vdd és Vss (AVdd és AVss) (tápfeszültség) lábát be kell kötni!
- A táplábak mellé a lehető legközelebb 100nF-os KERÁMIA kondenzátorokat kell elhelyezni.
- Az MCLR lábat, 10kohm-mal fel kell húzni a Vdd tápfeszültségre.
- Külső kvarc használatakor 4MHz-ig XT, a fölött pedig HS konfigurációt kell beállítani.
- Stabilizált tápegységet kell használni, a kapcsoló üzemű "telefon töltő" adapterek okozhatnak hibákat.
- Programozáshoz, használj lehetőleg PICKIT2 vagy 3 programozót. Kerülendő a JDM (soros porti) programozó.
- A PIC adatlapja (PDF), tartalmazza a lábak kiosztását és a PIC minden paraméterét. Az adatlap ingyen letölthető!
- Egyes PIC típusoknál az RA4 nyitott nyelőelektródás (Csak lefelé húz L szintre, H szintet nem ad ki!)
- Ha a PGM lábat digitális ki-/bemenetnek használod, az alacsony feszültségű programozási lehetőséget le kell tiltani.
Lapozás: OK   39 / 1222
(#) watt válasza pajti2 hozzászólására (») Jan 7, 2010 /
 
Idézet:
„Az LPT-s égetőkkel is pont ugyan az van, mint az RS232-esekkel.”

Ezt még is honnan veszed? Nézd meg a COM-os égetőt és hasonlítsd össze a az LPT-ssel és látni fogod, hogy mi a különbség. (Koncentrálj a vezérlő szálak számára és az ebből fakadó korlátokra. A cikkben említem az ebből fakadó problémákat.)

Idézet:
„Ha az a 16F-es pic típus még nincsen kőbe vésve, inkább egy 18F-el kezdj ki, vagy valami még újabb típussal, és kevesebb bajod lesz vele.”

Ebben viszont teljesen egyetértek veled!
(#) watt válasza elektromania92 hozzászólására (») Jan 7, 2010 /
 
Az LPT portos égetőkkel mindegyik 5V-os PIC-et lehet égetni, ha a használt program ismeri a típust. Bármelyiket is választod, a 7407-el, vagy a 74LS07-el építsd meg.
(#) pajti2 válasza watt hozzászólására (») Jan 7, 2010 /
 
Idézet:
„Ezt még is honnan veszed? Nézd meg a COM-os égetőt és hasonlítsd össze a az LPT-ssel és látni fogod, hogy mi a különbség. (Koncentrálj a vezérlő szálak számára és az ebből fakadó korlátokra. A cikkben említem az ebből fakadó problémákat.)”


Részemről pld laptopot használok, de asztali gépben is láttam már olyan alaplapot, amin se soros port, se párhuzamos. Két darab ps2-es csati billentyűzetnek + egérnek, 4 darab USB csatoló, alaplapi integrált hangkártya, hálókártya és slussz. Ilyen egy olcsó alaplap.

Ha USB-s eszközre kell hagyatkozni, bizony érdekelne engem az az eszköz, ami viszi a PIC égetőket. Ebből a szempontból tök ugyan azon a ponton bukik ki mindkét típus: azoknál a perifériáknál nem tudod bitenként vezérelni a kimenetet.
(#) elektromania92 válasza watt hozzászólására (») Jan 7, 2010 /
 
Egy külföldi oldalon, találtam egy furatszerelt PicKit 2 klónt.Szerintem ezt fogom megcsinalni.Fajlokat csatoltam.Nézzétek meg.Lehet, hogy semmi extra, mint a többi.
Egy kérdés. Ezekhez hogyan kell csatlakoztatni a programozandó pic-et?
(#) pajti2 válasza elektromania92 hozzászólására (») Jan 7, 2010 /
 
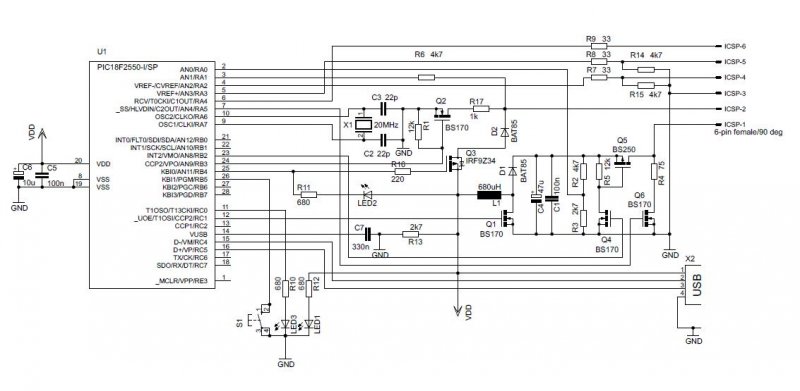
ICSP port. Az egy 6 pontos csatlakozó. A kapcsrajzon is megtalálod jobb fent.
(#) elektromania92 válasza pajti2 hozzászólására (») Jan 7, 2010 /
 
Akkor gondolom, erre van valami dugasz. De akkor az IC-knek kell valami külön lapot készitenem a foglalatokkal?Vagy hogy is van ez? Elnézést kérek, ha nagyon hülyéket kérdezek, de érdekel a dolog, csak hát nincs ilyenekkel tapasztalataim.
(#) watt válasza pajti2 hozzászólására (») Jan 7, 2010 /
 
Természetes, hogy ha nincsenek portok a gépen, akkor az gondot okoz!

De itt az a helyzet, hogy van COM és LPT port is a gépén, ha jól értettem, és a választás-e kettő között volt aktuális. Ekkor jeleztem, hogy milyen korlátai vannak a COM port-os égetőknek, ha direktben billegtetik a biteket(kevés vezeték). Ezért ajánlottam az LPT-st.
(#) watt válasza elektromania92 hozzászólására (») Jan 7, 2010 /
 
Olvass utána, kezd az oldalamon... Itt a fórumon is találhatsz rengeteg infót, csak a keresőt használd.
(#) elektromania92 válasza watt hozzászólására (») Jan 7, 2010 /
 
Én most a PicKIT re gondoltam, pár hozzászóllással korábban csatoltam egy pár fájlt.Most az ICSP dugaszra gondoltam.Mert nem értem ahoz,hogy csatlakozik a programozandó pic.
(#) watt válasza elektromania92 hozzászólására (») Jan 7, 2010 /
 
Én is!
(#) elektromania92 válasza watt hozzászólására (») Jan 7, 2010 /
 
Köszönöm. Az oldaladon tényleg sok hasznos infó van.Ha jól értelmezem, akkor ha csinálok egy pic es projectet, példaul egy egyszerű 8 ledes akármit, azon kialakitom a dugaszt.Rádugom a vezetékeket és mehet is a programozás áramkörön belül.
(#) watt válasza elektromania92 hozzászólására (») Jan 7, 2010 /
 
Pontosan. Biztosan olvastad az ICSP-s írásomban, hogy mi a jelentése az ICSP rövidítésnek, így tudod, hogy pont erre találták ki.
(#) pajti2 válasza elektromania92 hozzászólására (») Jan 7, 2010 /
 
Kukkants végig ezen az oldalon. Kapcsrajz az ICSP + pic égetés elrendezéséről, meg fotó is van gyári pk2-vel, meg egy dugaszpanelben 90 fokos tüskesorral.

http://esca.atomki.hu/PIC24/circuit.html

Edit:

Ezen a kapcsrajzon egy 24F-et nyomat a cikk. Ami pk2 klónt belinkeltél kapcsrajzzal, az nem képest 3.3V-os picet égetni. Erre figyelj. Az a klón csak 5V-os pichez jó! Inkább csak az elrendezés, és a fotó érdekesek számodra az oldalról, a többit inkább ne akarsz kiszőrszálazni.
(#) watt válasza elektromania92 hozzászólására (») Jan 7, 2010 /
 
Azt a furatos PK2-t hol találtad? Nem szilva oldalán?
Érted pajti2 jelzését, mit jelent az, hogy csak 5V-os PIC-eket kezel?
(#) elektromania92 hozzászólása Jan 7, 2010 /
 
Figyu. Néztem az eshopokat, de a PIC18F2550-I/SP nem találtam.Legalább is itt nálunk Felvidéken, nem nagyon tudok hozzájutni.Lehet helyettesíteni valamelyik mással?HEstore-on láttam, hogy van ilyen pic.Szerintetek en is megtudnám rendelni, márminthogy szlovákiába?
(#) kaqkk válasza elektromania92 hozzászólására (») Jan 7, 2010 /
 
Kérdezz rá a Chipcad -nál azt a céget próbáltad már ?
(#) elektromania92 hozzászólása Jan 7, 2010 /
 
A PIC18F2550-I/SP nem lehet helyettesíteni PIC18F252-I/SP-vel?
(#) El_Pinyo válasza elektromania92 hozzászólására (») Jan 7, 2010 /
 
Szia!
Sajnos nem, mert a 18F252- ben nincs USB interfész!
Üdv
(#) pajti2 válasza elektromania92 hozzászólására (») Jan 8, 2010 /
 
http://www.chipcad.hu/

Néztem az árlistájukat, 18F2550 SP van náluk készleten, akár 1 darabot is rendelhetsz belőle. A postaköltséget persze külön kifizeted, és nem biztos, hogy olcsóbb lesz, mint maga a pic
(#) elektromania92 válasza pajti2 hozzászólására (») Jan 8, 2010 /
 
Az biztos,hogy a posta ugyanannyi mint a pic.Az nálunk is Szlovákiában igy van. SOS ben, mondjuk ott nincs is, de a postaköltség 5 euró, 20euró alatt még 3 eurót kell fizetni.
Nekem leginkább onnan úgy éri meg, ha 50 euró felett, mert akkor személyesen is átvehetem, de hát az meg már tényleg sok.Mondjuk egy PICKIT ott 55euró, ezért még el is mehetnék, de az elég drága szerintem.

Ja és, akkor a PIC18F2550 SP-t nem is lehet helyettesiteni massal?
(#) watt válasza elektromania92 hozzászólására (») Jan 8, 2010 /
 
Idézet:
„Ja és, akkor a PIC18F2550 SP-t nem is lehet helyettesiteni massal?”

Nem.
(#) pajti2 válasza elektromania92 hozzászólására (») Jan 8, 2010 /
 
Idézet:
„Ja és, akkor a PIC18F2550 SP-t nem is lehet helyettesiteni massal?”


A 2550-es család tagjai: 2455 / 2550 / 4455 / 4550

Elvileg PDIP tokos is létezik mindegyikből. Ellenőrizd a helyi bolt kínálatában ezeket.

De szép csöndben szólok, ami utat megpróbálsz járni, az gyakorlott szakiknak van kitalálva, és nem kezdőknek. Ha egyedül nem boldogultál el ezzel a kérdéssel (márpedig nem boldogultál el), az kb annyit jelent, hogy itt a vége, és ne tovább. Ha tényleg pic-ekkel akarsz foglalkozni, kezdésnek fogadd el, hogy jobb lenne megvenni egy express csomagot égetőstül, demo boardostul. Aztán vagy megéri neked a pénzt, vagy nem. Azt már neked kell tudnod.
(#) pajti2 hozzászólása Jan 8, 2010 /
 
Van egy rendetlenkedő SPI buszom.

Ha nincs itthon oszcilloszkópom, hogyan tudom ellenőrizni, hogy az SPI masterem csakugyan meghajtja kifele menet az SCK jelet?

A szoftver azt mutatja master oldalon, hogy a modul "működik", tudok rajta kiírni jelet, és van visszaérkező jel is (ellenállással földre vagy +tápra huzigálva a jelet 0x00 vagy 0xFF érkezik meg), de slave oldalon az adat nem "érkezik meg". Részemről azt feltételezem, nincs SCK jel meghajtás a master felől. Elkötési marhaságokat elvileg nem csináltam. Nem olyan bonyolult ezt a pár vezetéket átlátni.

Valami trükk kellene.
(#) El_Pinyo válasza pajti2 hozzászólására (») Jan 8, 2010 /
 
Szia!
Ha emlékezetem nem csal, PicKit2- vel programozol parancssoron keresztül. Telepítsd fel a pickit saját szoftverét, abban van logikai analizátor funkció, egészen jól használható is. Olvass bele a pickit2 kézikönyvébe a részletes leírásért!
Üdv.
(#) kaqkk válasza El_Pinyo hozzászólására (») Jan 8, 2010 /
 
Egy kérdés : a PK2 "kézikönyve " megtalálható a neten valahol magyar nyelven ?
(#) potyo válasza pajti2 hozzászólására (») Jan 8, 2010 /
 
A Slave, amiből olvasni akarnál, az kap Chip Select jelet? Amúgy ott a Pickit2, van neki debugger funkciója, miért nem állítod meg a kódot ott, ahol az SPI-re írás van, és utána meg a disassembly listing ablakot megnyitva F7-el egyesével lépteted? Ekkor elvileg az SPI-n egyesével lépnek ki a jelek, tudod egy univerzális műszerrel is mérni, hogy melyik lábon mikor mi jelenik meg, és hogy te ezt szeretted volna-e vagy nem.
(#) prst14 hozzászólása Jan 8, 2010 /
 
Sziasztok.
Azt mondják az okos ember mások hibájából tanul ,a hülye meg a sajátjából.
Szeretnék okosnak látszani ,ezért felteszek egy kérdést.
CNC vezérlőt építek ,ehhez fel kell programoznom 3 db PIC12c508-ast.
Mivel nem nagyon hiszem hogy a továbbiakban PIC-kel fogok foglalkozni ,ezért úgy döntöttem hogy WATT kolléga eme egyszerű programozója nekem meg fog felelni.
Letöltöttem a icprog nevű alkalmazást ,és hardware nélkül elindítottam ,kíváncsiságból ,hogy lássam hogy s mint néz ki.
Betöltöttem a *.HEX fájlt ,de nem változott semmi.Nem látom hogy egyáltalán betöltötte volna. Ez azért van mert nincs csatlakoztatva égető ,vagy azért mert én vagyok a hülye.
Még egy kérdés:
Olvasgattam a programozás menetelét ,de nem mindent értek.
Tehát értem azt hogy:
icprog elindít ,az felismeri ha minden jól megy az égetőt.Kiválasztom a megfelelő PIC tipust.
VDDre főkapcsolóval adok 5V feszültséget.
VPPre adok 12V feszt ,egy kis idő után.
Előtte csatlakoztattam a többi lábat.
Majd betöltöm a HEX fájlt ,és rámegyek a ...
Na innentől nem tudom.
Nem akarom a PICet tönkre tenni ,inkább kérdezek mielőtt belefogok első PIC-em programozásába.
Szeretném ha megírná nekem valaki hogy a VPP az folyamatosan bekapcsolva marad az égetéskor ,vagy csak egy pillanatra kell ráadni a feszt. hogy a PIC égethető legyen?
Mellékeltem a HEX fájlt ,hogy az e a hibás vagy simán én nem tudtam megnyitni?!
(ez egy PIC-es Léptető motor vezérlőjéhez kell ,méghozzá ehhez! )
Válaszaitokat előre is nagyon szépen köszönöm!

Original.HEX
    
(#) El_Pinyo válasza kaqkk hozzászólására (») Jan 8, 2010 /
 
Én nem tudok róla, de attól még lehetséges!
Üdv
(#) watt válasza prst14 hozzászólására (») Jan 8, 2010 /
 
Ha megnyitod a hex fájlt, akkor a programozó program hex ablakában meg kell jelenjen a progam gépi kódja hexadecimális számok formájában. Ha ez nem történik meg, akkor valami mást csináltál.

A program nem ismeri fel az égető áramkört(legalább is ezeket nem)

A Vpp folyamatosan be van kapcsolva az égetés alatt(De ha figyelmesen elolvasod a kezeléséről írt részeket, akkor ez a folyamatból kiderül.).

A programod elég fura és elég rövid, de nem tudom mit kell neki csinálnia, lehet hogy azt amire a CNC-nek szükséged van. Mindenesetre simán meg lehet nyitni a WinPIC800-ban(én nem használok IC-Prog-ot, csak elvétve).

(#) prst14 válasza watt hozzászólására (») Jan 8, 2010 /
 
Köszi ,mindjárt próbálom a WinPic800-al.
Következő: »»   39 / 1222
Bejelentkezés

Belépés

Hirdetés
XDT.hu
Az oldalon sütiket használunk a helyes működéshez. Bővebb információt az adatvédelmi szabályzatban olvashatsz. Megértettem