Fórum témák
» Több friss téma |
Az időzítő része megvan, csak olyan módon kellene, ami elbírná azt a hatalmas áramot amit a ködfényszorók vesznek fel.
Nekem 1 az 1-be olyan kapcsolás kellene ami az új merckiben, fiátokban stb. van, visszont nem akarom bonyolítani, tehát az index + jelélről kapná a jelet és úgy működne az adott oldali ködlámpa...
Inkább csak a megfogalmazással van gond. A lényeg, hogy az az oldali ködlámpa világítson, amerre fordul, és csak pár másodperccel tovább, mint ameddig az index megy. Ami még lényeges, hogy az öregebb, vagy nem elektromos szervós autókba csak akkor lehet berakni, ha az indexről kapja a jelet. Nekem is ilyen autóm van, de szeretném, ha ez a "kanyarvillany" működne valahogyan.
Sziasztok!
Halkan jegyzem meg,hogy a menetstabilizátorral felszerelt autókban általában a kormány mögött található a kormányszög jeladó.Ha pedig nincs ESP a jeladó beszerezhető és beépíthető, bár az ára húzós, egy 2002-es golf 4-be 70 papír.
Igen kb ennyi. Sok szép új autóban van gyárilag ez a funkció. Többször is láttam, hogy indul kisautó benzinkútról és ahogy kiteszi az indexet, kapcsol is az azonos oldali ködlámpája. Nekünk(nekem) olyan egyszerű időzítő kellene, ami az index pozitív jelére elindít egy időzítést. Az időzítés mondjuk 2 másodperc. Amíg az index megy, ez az idő állandóan újraindul, így meghúzva egy relét, ami kapcsolja a ködlámpát. Ha befordultam a sarkon, az index alaphelyzetbe kerül, nincs több impulzus, az időzítés lejár, lámpa elalszik. Azért gondoltam az 556-os időzítőre, mert a 2 időzítő jó lenne a két oldalnak egyszerre. Az elméletet már levezettem, még egy egyszerű kapcsolást is össze tudok dobni, de megtervezni sajna nem tudom...
Idézet: „a ködlámpa magában 180 ° ban világít, te nagyobb szögben is tudsz kanyarodni?” Ebben a téli, havas utakon könnyű egy 360°-os pirulettet is lejteni. Idézet: „Amíg az index megy, ez az idő állandóan újraindul,” Itt a probléma! Mármint nem vagy tisztában még az index működésével sem. Ha kiteszed az irányjelfő kart, akkor az vagy +12Vot ad ki a megfelelő oldalra, vagy testeli a megfelelő oldalt. Mindaddig amíg ki van rakva, függetlenül az irányjelző relé működésétől, ott állandó stabil jel van. Nincs impulzus. Ergo nem kell semmi időzítő. Kar kitesz, megfelelő oldali lámpa bekapcsol, kar alapállapotba kerül, lámpa kikapcsol. Ahogy Köbzoli barátom is írta, ehhez nem kell más, mint két relé. Az egyiknek az egyik tekercskivezetése az irányjelző egyik oldalára meg, a másiknak az egyik tekercskivezetése az irányjelző másik oldalára meg, s mindkét relé másik tekercskivezetése az előbb már említett testelős, vagy +12V-ot kiadós logika szerint vagy testre, vagy +12V-ra megy. Persze, az alap logika szerinti fordított módon. Azaz, ha +12V-ot kapcsol a kar, akkor a relét testelni kell. Ha testel a kar, akkor +12Vra megy a relék közöse. Ami még kellhet, egy egy dióda, ami megakadályozza e két ködfényszóró egyidejű működését. Gondolom eléggé szájbarágósan írtam, s nem kell ezt még lerajzolni is. Azt meg hogy mit hova köss, a Te autód kapcsolási rajzán derül csak ki. Én még a wareszomhoz is kaptam annó rajzot, de mostanában már nem adnak semmihez. Egyszerűen ki kell mérni az autódon, hogy mi-hogy van, vagy nekiállsz a netet bújni, s talán találsz szervízdoksit.
Attól tartok Te nem vagy tisztába egy autó elektromos hálózatával! Ugyanis az általad vázolt felállásból véletlenül hiányzik az irányjelző automata. Ugyanis abból csak 1 darab van, míg irányjelzőből 2 oldal! A bekötése a gyengébbek kedvéért a következő:
1. biztosíték 2. irányjelző automata 3. irányjelző kar 4. irányjelző lámpák Ugyanis a automata a rajta átfolyó áramot figyeli és annak függvényében üzemel. Ha kicsi az áramfelvétel mert kiégett valamelyik izzó, akkor dupla sebességre kapcsol, hogy ezt tudassa a vezetővel. Szerintem kapd elő a waresz rajzait és nézd meg rajta a bekötést, hogy tisztában legyél pár alapvető fogalommal, mielőtt mást fikáznál. Ja és egy tipp! A wareszon ne tévesszen a parkolólámpa, mert azt is az irányjelző karra kötötték és ha bekapcsoltad a kormányzárat, akkor ott tudtad kiválasztani, hogy melyik oldal világítson(vagy egyik se)...
Húú itt már van minden
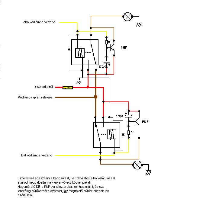
Az alapmegoldás oké, de nekem olyan kellene ami nem lekapcsol hanem elhalványodik, tehát relé kilőve. Volt egy tranzisztoros megoldásom az elhalványodó lámpára, csak sajnos a tranzisztor nem nagyon bírta volna a nagy áramot, pár oldallal arrébb fel is raktam a kapcsolást.
Valakinek van valami ötlete, megoldása, vagy felejtős a dolog?
Sziasztok!
Bocs hogy nem válaszoltam vissza eddig, de sajnos nem mindig voltam netközelbe. Olvasgattam a hozzászólásokat, hát nem a ködlámpa fordul, hanem azon az oldali ködlámpa kapcsol amerre kanyarodunk, és igen 180 fokba világít a jó ködlámpa, de láttam én már olyant is ami nem világít még 10 fokba se és 2méter a max hatótávolsága az az ilyen olcsó kinai utángyártottra gondolok de a megfelelően beállított gyáriakkal nincs gond azokkal lehet látnixD A lényeg hogy ha valaki ennyire ragaszkodik az irányjelzős megoldáshoz akkor ne hagyja figyelmen kívül az elekadásjelző kapcsolót se, mert azon keresztül megy ott az áram, legalábbis a kispolszki kivételével szinte minden kocsibaxD de gondolom nem kispolákba fogja ez senki se szerelni ![]() Na a lényeg én szerintem az irányjelzős megoldás az fél megoldás. Feltettem ide múltkor egy kapcsi rajzot, az a legegyszerübb, és mikrokapcsi kell hozzá amit a kormányösszeköttető kapcsol és természetesen jó vizhatlan szigetelés ami alapvető. Kifejtem miért nem jó megoldás az irányjelzős: azért mert pl alagutba nem használunk indexet az ut fordulatakor ha ugyanugy megyünk ahogy fordul az út és ittis ugyebár látni akarunk h mi van elöttünk (remélem érthető mindenki számára) na az a lényeg hogy kell időzitő minden megoldásban az indexesben is, gondolkodjatok csak az index 1percbe kb 80at villog, magyarul impulzusokat ad, ide meg folyamatos jel kell, hogy ne együtt villogjon a ködlámpa az indexel, hanem világítson, és ha vissza engedjük az indexkart akkor kb még 3másodpercig világítson. Ja és kitérnék arra, hogy ha utánna lekapcsol rendesen, nem pedig fokozatosan elhalványulva az miért baj? A Fiat bravonál se fokozatosan halványul el, hanem relé vezérli és lekapcsol. Amugy csak megjegyezném hogy egyik ismerősöm nemrég vett új bravójában már fel is lépett a hiba, és folyamatosan világít a jobb ködlámpa kikapcsolhatatlanul menet közben, na ezért viszont a rendőr büntet azért kell egy kapcsolót közbe rakni, hogy netán hiba esetén ki lehessen kapcsolni. Amugy bocs h most nem rakok fel ujabb rajzot, de felesleges tovább bonyolítani fokozatos elhelványulással szerintem mert nagyobb a hibajelentkezősége. Jó munkát mindenkinek hozzá a megvalósításhoz, de szerintem inkább a kormányösszeköttetőre csináljátok, higyjétek el sokkal jobb úgy
Nekem pont az elhalványulós része miatt érdekelne a legjobban, megmondom összíntén, inkább optikai célból kellene, mint praktikum.
Volt egy FET-es megoldás is, azzal nem lenne lehetséges?
Szia
Akkor most felteszek ide agy kapcsolást, ami úgy müködik, mind ahogy leírtad, remélem hasznára lelsz. Sok szerencsét a kivitelezéséhez, bár nem túl bonyolut.
Helló!
Engem az érdekelne, hogy szerinted alkalmazható ez a módszer, akkor is, ha utólagosan szereltetem a ködlámpát a grande puntomba? Utána vennék egy kanyarkövető modult, azt is beszereltetném egy villamoságisnál, majd úgy beköttetni, hogy ne indexre, hanem tényleg kanyarodásra reagáljon, valamint hogy halványuljon. Csak az a baj, hogy nemtudom én így elmagyarázni, meg nem is tudom, hova kéne ezzel fordulnom. Tudnál megbízható villamoságist ajánlani Budapesten?
Hello.
Ha veszel gyári kanyarkövető ködlámpamodult, abból már van olyan ami elhalványulva kapcsolja ki a ködlámpát, és akkor felesleges is ezzel a kapcsolással túlbonyolítani az egészet, úgy fog működni az egész, ahogyan kell neki, kormány tekerésre, ezt a kormányszervó elektromos reléjére kell majd kötni, ha van gyárilag ilyen a grande puntoban, de szerintem van benn. Csak az a kérdés, hogy kanyarkövető ködlámpamodult hol lehet venni??Mert én már kerestem, de nem találtam sehol, de ha te már találtál, akkor belinkelhetnéd az oldalt ha van elérhetősége, mert szerintem sokak kiváncsiak lennének rá. Ha megvan már a modul, bármelyik villamossági szerelő beszereli, hát így Bp-i autószerelőt egyet ismerek, megadom a számát esetleg: +36309587161 szerintem ő majd beszereli, meg van mégegy szerelő Albertisán (az Bp mellett van kb 30km ha jól tudom) neki is megadom a számát: +36304604073, de ne hívatkozzon senki se arra hogy én adtam meg, személy szerint nem ismerem 1iket se, de tudom hogy autószerelők, és jól dolgoznak.
Sziasztok !
Beleolvastam a témába, de álltalában a kanyarkövetö csak bizonyos sebesség alatt működik (40km/h).Gondoljatok az autopályára ott mi a fenének kapcsol fel az a szerencsétlen, meg pl. ha mész 70-nel és előzől. Szerintem ami kéne : index-ek , helyzetjelző, sebességjel AVR vagy PIC szerintem könnyedén megcsinálja, aztán még lehet füszerezni minden finomsággal. Vélemény ?
Valóban a kanyarkövető ködlámpa a Mercikben 50KM/h óra felett nem működik. A Fiat Bravóban müködik még 200nál is, mert nincs meghatározva, így azt tudom mondani, ez is csak típus kérdése, akinek úgy tetszik, az valósítsa meg úgy, hát túl lehet bonyolítani ilyesmivel, hogy folyamatosan erősödve gyullad fel az adott ködlámpa, majd ugyanígy halványuljon el.
Szerintem meg lehet oldani 2 db 555-ös ic-vel is, ha valaki nagyon akarja, fő lényeg a késleltetés, meg akkor amint mondod, ez a sebességérzékelés, amit le lehet venni vagy a klimáról, vagy a sebességjeladóról, hiszen már szinte mindegyik kocsiban jeladós sebességmérő van, nem pedig az a hangos régimódi bowdenes. A sebességjeladó testet kaspcsolgat, mert az egy hall relé. Így akkor egy plusz tranzisztorral, és potméterrel szépen be lehet állítani, hogy 40 felett már ne húzza meg a relét.
És milyen kapcsolást tudtok arra, ami pl. elbírja egy ködlámpa 10 A-es áramát, relé nélkül?
Sziasztok,
Zsolt74 kollégával abszolút egyetértek, bár szerintem a sebesség helyett a szürkületet lenne érdemes figyelni, ugyanis ha csak este aktiválódik a kanyarfény, sokkal kevésbé terheljük az izzószálat a folytonos ki-be kapcsolgatással. Azt meg hogy mi aktiválja mindenki saját magának kell eldöntse, természetesen van mindkét megoldásnak pozitiv és negativ oldala. Én azonban mégis az indexkar működtetéséhez kötném, szűrve a szükségtelen kapcsolgatást (pl. vészvillogó). Ennek az az előnye, hogy már jóval a kanyarodás előtt bevilágit, kiemelve a kanyarban sokszor rossz minőségű útburkolatot. Persze ehhez feltételeznünk kell, hogy az indexet a Kresz szerint használjuk, nem pedig a kormányelforditáskor kapcsoljuk be...
Hali!
Olvasom ezta témát és nagyon foglalkoztat a dolog! Nos én is az indexes verziót tartanám a legegyszerűbbnek, de valaki írta ezt a szervó rellés bekötést is ami a puntókban van! Nos nekem egy 2007-es swiftem van és abba akarom ezt megvalósítani! Ami nagyon érdekelne, hogy ez a szervórellés megoldás mikor kapcsol be? Mekkora kormányelfordulás kell neki? Mert ugye nem akarjuk, hogy egy pici tekerésnél is pofázzon, meg az is kérdés hogy S kanyar esetén hogy reagál? Tetszene ez a szenzoros ötlet is, ha valaki tud rá jó megoldást ami kiküszöböli azt hogy teljesen kitekert kormánynál is az adott oldal világítson megszakítás nélkül! Az ötleteket szívesen várom és köszönöm! Ha valaki tud kész modult a szervósra linkelje be, vagy kapcsolási rajzot!
Hát úgy látom ez egy halott téma kezd lenni, vagy már az is?
Most készítettem el a harmadik továbbfejlesztett változatot a ködlámpa-index vezérléses megoldásra. Nos, szerintem elegendő, ha késleltetjük a bekapcsolást és a kikapcsolást is. Jelenlegi, már beépített modulban több funkció is beépítésre került az alábbi beállításokkal: - Csak a 4. indexvillanásra kapcsol fel az adott oldali ködlámpa( autópálya sávváltás csak 3-at indexelek) - Index kikapcsolása után 5s-ig világít majd lekapcsol (nincs elhalványítás, szerintem felesleges) - Mivel nekem xenon lámpáim vannak utólag beépítve, így a fényszórómosó időzítése is ide került beépítésre - Reflektor felkapcsolásakor a ködlámpák is azonnal felkapcsolnak (tudom, a kresz tiltja... hagyjuk),eredetileg ide kell kötni a gyári ködlámpakapcsoló jelét ami nálam sajnos tönkrement így kap ott a refitől jelet. Minden paraméter viszonylag széles határok közt állítható, így minden típusba beépíthető. Be lehet állítani az indexek villanása közti időt (oldalanként),hányadik villanásra kapcsoljon be a ködlámpa(oldalanként) és meddig világítson (oldalanként). Továbbá még beállítható a szélvédő mosás minimális ideje ami elindítja a fényszórómosót bekapcsolt tompított mellett illetve a mosás ideje is. Az egyes részeket nálam relék választják el egymástól, ennek mindössze annyi az oka, hogy ezek voltak itthon és a lehető legkissebb anyagi ráfordítással akartam megoldani ha lehet. Természetesen bárhogy lehet helyettesíteni őket, kinek mi van otthon arra szabja át... Kapcsolási rajz csak fejben volt meg de ha van rá igény akkor készíthetek. ui.:egyáltalán nem vagyok profi, csak egy lelkes kísérletező és néha sikerül is valamit összehozni.
Üdv.
Egy kapcsolási rajzot tudsz csatolni? Köszi.
Szerintem írj neki mailt, vagy privát üzenetet, mert fél éve nem járt itt, így kicsi az esély, hogy olvassa amit írtál.
Sziasztok! BÚÉK !!! Mindenkinek. Rég jártatok erre. Lenne ezzel a témával kérdésem. Van egy 2002-es Fiat Stilom. Ebbe szeretnék építeni kanyarkövető ködfényszórót. (a fényszórók benne vannak) Többek között azt nem tudom ha valamilyen egyszerű kapcsolással levennék egy vezérlő jelet az indexkapcsolóról és azzal működtetném , hogy bezavarna-e computerba? Ha valakinek van egy működő kapcsolása szívesen látnám itt a rajzot. Köszönöm László.
Sziasztok! Elég halott a téma, de gondolkodtam figyelmetekbe ajánlom ezt. Sajnos elég drága, és vannak hiányosságai:
1. akkor is bekapcsol, ha 130-cal megyek autópályán 2. központi zár nyitásakor villog Mindezeket egyedi elektronika beépítésével lehet orvosolni, aki kedvet érez hozzá, és van elég pénze, beszerezheti, vagy ha már úgyis kell hozzá elektronika, ezt is meg lehet nézni. Ha lesz időm, megveszem a második linken található terméket, és megírom a tapasztalataimat.
Hi.En megoldottam a kanyarfény kérdését. Teljesen gyári mükődésű. Nem is drága. Tuti a cucc.Ha valakit érdekel irjon e-mailt.
A gyári is világit teljesen kitekert kormánynál. Én tudok megoldást nem nyulok bele a gyári elektronikába. Így nincs para nem üt ki semmit az az utolagos elektronika. Teljesen gyári müködésű.
A legtöbb autoban az ABS elektronika küldi a sebességjelet a bal elsö kerék forgásjeladójátol CAN buszon. Szerintem 1 tranyo kevés lesz.
Sziasztok,
van nekem egy köd és drl egybe lámpatestem, ilyen: https://www.aliexpress.com/item/3-5-Inch-With-CREE-LED-Chips-Fog-Li...KecS7G bár a lámpatest kopp ugyanaz, mint a 72.000 Ft-os osram ledriving fog, az elektronikát már nem sikerült kilopniuk a gyárból - van-e itt valaki, aki megépíti nekem az osram elektronikáját (kivéve villogás bekapcsolt vészjelző esetén)? Ha igen, akkor pm-ben jelentkezzen és pontosítunk, megegyezünk ÉS/VAGY a mostani elektronikát kellene piszkálni kicsit, mégpedig: - most bekapcsolt irányjelzők esetén együtt villog az ködlámpa az irányjelzővel(grrrr, kínai giccses drl controller faszság), nekem olyan kellene, hogy folyamatosan villágítson, kvázi statikus kanyarfény lenne - az előbbi funkció akkor is aktiválódik, ha "drl mode"-ban van tehát, nem kap jelet fényszóróról, pedig csak akkor kellene, ha fel van kapcsolva a fényszóró (ez ugye illegális is, mivel 1 ködfény megy kanyarfényként, de drl nem) mivel az áramkör puha, lekaparható gyantával le van öntve, áramkörök elemein semmi jelölés nincs, ezért én (programozóként) úgy tudnám elképzelni, hogy az indexről leszedett jelet még a vezérlő doboz előtt kellene manipulálni, az alábbi logikai feltétel alapján
természetesen ez lehet úgyis, hogy 2 ilyen logikai feltétel van (külön a bal és jobb) és igaz esetén engedi át a kapott jelet köszönök előre is mindent!
Ezt inkább az Apróba kellett volna feltenned.
|
Bejelentkezés
Hirdetés |






