Fórum témák
» Több friss téma |
- Ez a felület kizárólag, az elektronikában kezdők kérdéseinek van fenntartva és nem elfelejtve, hogy hobbielektronika a fórumunk!
- Ami tehát azt jelenti, hogy a nagymama bevásárlását nem itt beszéljük meg, ill. ez nem üzenőfal! - Kerülendő az olyan kérdés, amit egy másik meglévő (több mint 17000 van), témában kellene kitárgyalni! - És végül büntetés terhe mellett kerülendő az MSN és egyéb szleng, a magyar helyesírás mellőzése, beleértve a mondateleji nagybetűket is!
Szia!
Ez nem kapu, hanem műveleti erősítő (OPA), és a kapcsolás neve komparátor. Egyébként amit leírtál igaz.
A diódákon eső veszteséget te mi alapján számoltad ki így ebben a formában? Milyen íipusú diódákkal számoltad ezt?
Ha megfelelő bemeneti fesz. mellett már nem 5V jelenik meg a kimeneten. És persze nincs a megengedett max. hőmérséklet felett. Közben eltűnt a kérdés.
Talán bele akartál kötni?
Nem akartam túl sokat bajlódni a különféle számításokkal, ezért nekiláttam, de alacsonyabb feszültséghez, 0,28-as huzallal 22ohm lett és 8V ról már simán megy 340mA kíséretében, de azért kösz az anyagot.
Nem számoltam. Tapasztalat, ökölszabály.
De ha konkrét példa érdekel: 12VAC 500W-os (toroid) tápom van, számolt értékek: 12*1,44=17,28 12*1,4=16.8 12*1,3=15.6 Mért értékek egyenirányítás után: üresjárás: 16.5V Terhelve 1-2A-ral: 16V Terhelve 10-20A-ral: 14.5V Ugyebár az elmélet és a gyakorlat között van pár különbség, pl: kondi szivárgása, diódán eső feszültség (2*0,7 - 1,2V), na meg a melegedés, hatásfok, stb.
Sziasztok
Valaki próbált már esztergálni szénszálas rudat? Sajnos közelről még nem is láttam, így fogalmam sincs milyen a belső szerkezete. Ilyenre gondoltam.
Aha, akkor ezek szerint nem a típusjelzésben, hanem a LOG vagy LIN szócskában kell hinni...
Ez jó lenne horgászbotnak is.
Végre egy segítő kéz.Szóval azt mondod hogy cseréljem meg az optóba menő 2 vezetéket?
Ha azokat meg a rossz tranyókat kicserélem működhet a kapcsolás?
Sziasztok!
Összedobtam egy kondiból egy ellenállásból meg egy telepből álló kis "kapcsolást". Azt vártam volna, hogy a LED folyamatosan villogni fog (mert ugye a kondi kisül és újra töltődik, kisül ,töltődik és így tovább...) Ehelyett egy rövidet villan és kész. Miért van ez?
De ha kisül a leden meg az ellenálláson keresztül miért nem töltődik vissza?
Üdv!
Szerintetek ebbe a kapcsolásba 47K poti helyett berakhatok 50KOhm-osat?
Szia!
Igen, belerakhatod. Nincs nagy értékkülönbség köztük.
Köszönöm!
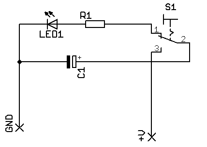
Lerajzoltam az kapcsolást, mellékeltem a képet. Még azt hozzátenném, hogy egy elko-t használtam és figyeltem a polaritásra, a negatív pólusát a telep negatív pólusára kötöttem. A led anódja pedig a telep pozítív pólusára került.
Gondoltam, hogy ez lesz. A LED-en addig nem bír újra áram folyni, ameddig a kondenzátor fel van töltve. Valamilyen módszerrel kell sütni úgy, hogy a kondival időnként párhuzamosan kötsz egy ellenállást.
Egy astabil multivibrátor kapcsolással már képes vagy LED-et villogtatni külső beavatkozás nélkül.
De ha visszamész az alapokhoz, akkor megérted hogy miért is van így. Röviden: A kondenzetort úgy képzeld el, mint 2 vaslemezt egymás mellett nagyon közel, de nem érintkeznek egymással. Ha erre feszültséget kapcsolsz, akkor a vaslemezeken töltések halmozódnak fel. Addig amíg töltődik, ill. kisütődik, addig folyik áram a körben. A te kapcsolásodban minden sorba van kötve. Vagyis egyszer feltöltődik a kondi az ellenálláson és a LED-en keresztül a tápfeszültség értékére és ott marad. Nincs ami kisüsse. De, mint azt előttem is írták egy astabil MV kapcsolás már alkalmas erre a célra. (Csak ott már lesz 2 aktív alkatrész is 2db tranzisztor.) Ő fogja kapcsolgatni hogy mikor töltődik és mikor sül ki a kondi.
Jaaa mostmár leesett...
Tehát az első felvillanás azért jön létre mert a töltődés során egy kis ideig még folyhat áram a kondenzátoron aztán mikor teljesen feltöltődött a záró irányban előfeszített led miatt nem tud kisülni. Ezek szerint ha a ledet megfordítanám és leföldelném a katódját akkor kisülne és a led villanna egyet?
Megfordítottam a ledet és a telep polaritását. Felvillant a led. Tehát a kondi kisült. Ha jól értelmezem.
A kondenzátor mindig helyes polaritással csatlakozzon a tápfeszültségre. Erre nagyon ügyelj!
Szia alex!
Itt egy kapcsolás mely működik de a kapcsolót neked kell kapcsolgatni. Ha azt helyettesíted egy kondenzátorral már készen is van egy villogó.
Természetesen, ez csak rendhagyó eset volt.
Hello.
Szerintetek a TO-220-as tokozású 7805-öst átmenetileg helyettesíthetem TO-92 essel? Vagy pedig... 79L05-ös akadna... Ebből nem lehet valahogy +5V-t kivarázsolni? köszönöm
Az attól függ, hogy mekkora áramot kell adnia.
Ha van mégegy LED-ed, akkor:
|
Bejelentkezés
Hirdetés |













