Fórum témák
» Több friss téma |
Mielőtt kérdezel, a következő két dolgot ellenőrizd!
I. A helyes tápfeszültségek megléte.
II. A kimeneten van-e egyenfeszültség.
Élesztés.
Az én próbaverzióm nyákja így nézett ki. Emitterellenállások, zénerek és védelem nem volt benne. A vcs.-nél lévő kondi lehet kerámia, de 68pF bőven elég. A végfok nem 400 hanem 200W-os, 400-at a két-két fet nem bír el.
Hogyhogy mivel hajtod ki?
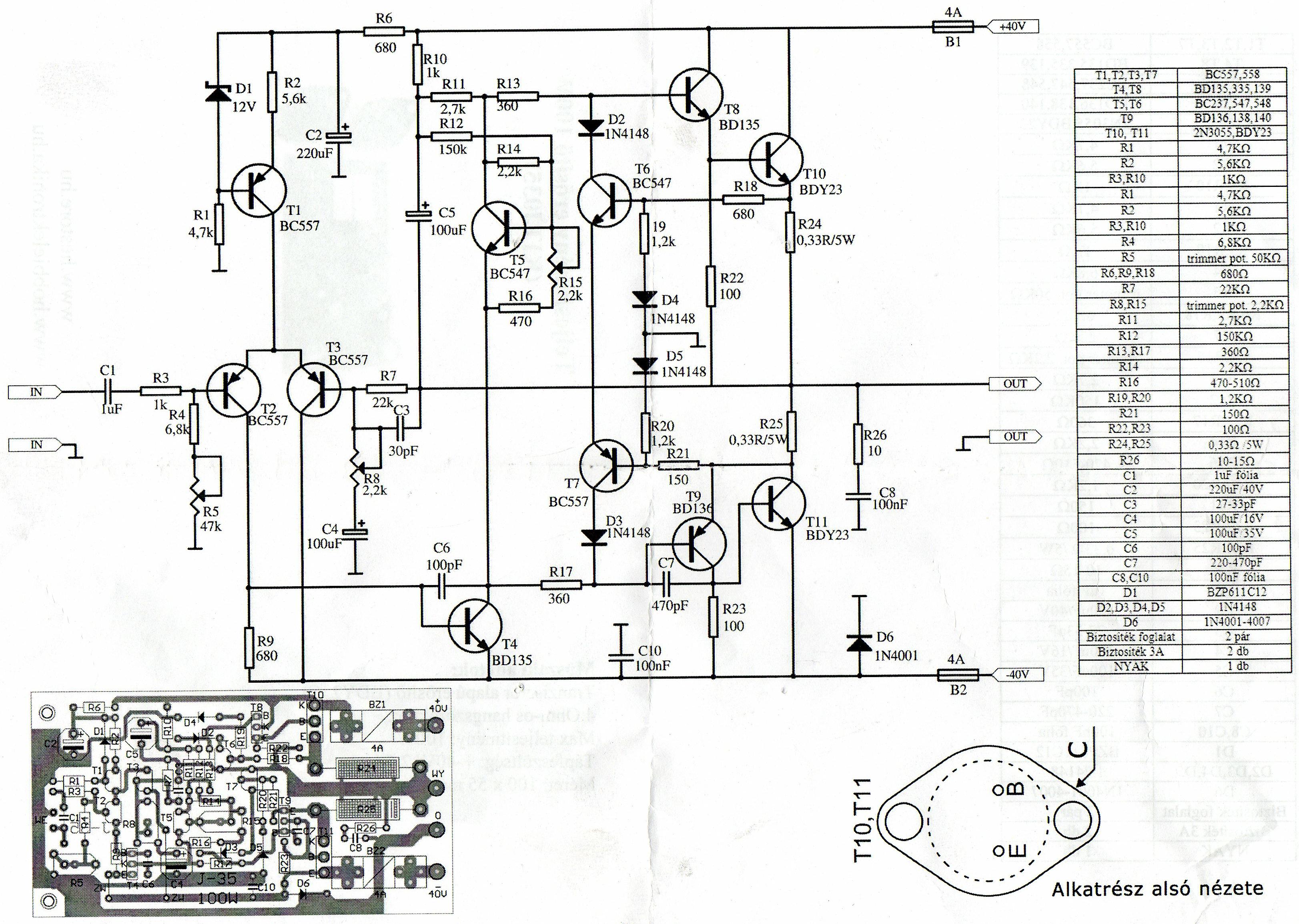
A bemenetre 2.2 Vpp kell a teljes kivezérléshez a baloldalt alul látható adatok szerint. Ez 0.780 (0.775) mV eff jelent, ami normál szint. Tehát a bemenet akár szabványosnak is tekinthető. Egyébként egy nagyon jó kapcsolás, integrált áramkörös technika, áramgenerátorokkal, áramtükrökkel, és differenciál erősítővel. Egy buktatója azért van, mivel az integrált áramkörökben nem gond az egyforma paraméterekkel rendelkező, akár komplementer tranzisztorok előállítása, a jelzett paraméterek eléréséhez elég sokat kellene válogatni a félvezetőket.
Sziasztok!
Elég kezdő vagyok, de elkeztem egy erősítőt építeni egy cikk alapjánBővebben: Link. Feszt minden alkatrész kap de meg sem moccan. Mi lehet a baj? Csatolok még pár képet is.( a küllemét ne nézzétek lehetőleg9
Szerintem valahol maratási hiba van, legalábbis a képen szerintem első ránézésre 1 szakadás tuti van. Ónozd át a panelt.
Sziasztok!
Szeretnék egy MC4558-as IC-ből egy erősítőt összedobni, csak nemtudom merre induljak el. Ha valakinek van egy kapcsolási rajza azt nagyon megköszönném. További szép napot!
Köszönöm a segítő hozzászólásokat. Nekem úgy van megoldva az egész, hogy van egy 3 sávos aktív hangváltó, ez egy egység, és két erősítő doboz. (túl nagy a két erősítő ahhoz, hogy egy egység legyen). Sok eres kábellel vittem a ventik feszültségét a két dobozba, és gondolom a párhuzamosan futó vezetékek vették át a zajt. Megoldottam úgy, hogy minden ventivel párhuzamosan kötöttem 1-1 1000u-s kondit. Így is hallani picit a ventiket, de ez már nem zavaró (buli erősítő).
Az egyik kondi megsült, kicseréltem de semmi változás csak csend.
Én szeretnélek most így virtuálisan megdicsérni. Már csak azért is mert mint sok más kezdő abban esik bele, hogy mint kezdő ő egyből 20000W-os erősítőt akar építeni. Annak ellenére hogy jelenleg nem működik a kicsike, te legalább a megfelelő úton jársz (persze vannak még mások is, de most rólad van szó). Továbbá annak ellenére hogy kezdő vagy, ha a forrasztási oldal külalakján javítasz, elég szép dolgokat fogsz tudni készíteni már most.
De hogy érdemben is hozzászóljak: Multiméter dióda vizsgálójával ellenőrizd le a vezetősávokat hogy nincs-e valahol hajszál repedés. Vagy az egyszerűbb, ha vékonyan beónozod a sávokat. Ezt úgy tedd, hogy először picit felmelegíted a rezet, és közben hozzányomod a forrasztó ónt, ne a páka/pisztoly fejéhez hanem a rézhez, és így nem lesz 1cm vastag ónkupac az egészből.
Üdv Melorin
Az utóbbi 2 hétben alig voltam a gép előtt. Kudarcaidról részben értesültem csak. Pár órát már hallgattam a No-1-s NF technikával épített JLH hallgatóerősítőt. Minden rendben vele. Azért 10mV DC marad(hagytam a fix ellenállást, így nincs potméter) Szerintem egyoldalas -átgondolt - nyomtatott áramköri struktúrával is jól megoldható az építés. Ennek bizonyítására újból összerakom az áramkört egy másik nyomtatott áramkörön, amihez stabilizátort nem fogok használni csak pufferolt Greatz kapcsolást. Az új vázlaton ügyeltem a tranzisztorok bázisára kapacitíven kevés jel hasson vissza, valamint B-s sorozatú közepes erősítési tényezőjű tranzisztorokat fogok alkalmazni. Idő hiányában egyenlőre felteszem ezt a vázlatot, de még néhány nap kell, hogy megépítsem. Elképzelhető ahol D1,D2 van oda még 1 harmadik diódát is beteszek . Tanácsolom várd meg amíg teljesen befejezem. Szeretném ha az újabb kudarcok elkerülnének. http://www.tcaas.btinternet.co.uk/jlhphones.htm
Hello.Valaki megépítette már ezt?
Vagy valaki tudna adni egy egyszerű hangszóró védő kapcsolást?
Ha magától megsérült, akkor valószínűleg fordított polaritással kötötted be. Emlékeim szerint a tda2030 kicsatoló kondis.
Aha.Akkor megépítem.És ez azt is megszüntetheti hogy amikor tekerem fel vagy-le a potit akkor behúzza vagy kitolja a hangszórót.Vagy ez az erősítő hibája.
Én ezt Bővebben: Link építettem meg, elég egyszerű. (természetesen sikerült elbaltáznom elsőre
) Ha jól van összerakva, akkor egy lemerült 1,5 voltos elem feszültségétől is leoldja a hangfalakat,(kimeneti dc figyelés, ez nagyon fontos) a bekapcsolási késleltetés kb 3mp.szerk: most nézem, kb, ugyanaz a két kapcsolás, csak a hobbielektrós rajzhoz van panelterv is. A membrán rángatásra annyit tudok mondani, hogy régebben az orion se1025 mii erősítők csinálták, mert idővel eleresztettek a forrasztások, és kontakthibásak lettek a panelek.
Az az erősítőd hibája. Rakj csatolókondenzátort a hangerőszabályzó és az erősítő közé.
Húha akkor jön az értetlenkedés.A csatoló kondi az elko ugye?Hogy rakjam be? a megcsapolt ágba?Milyen legyen a kondi??uF?
Aha.Tényleg majdnem ugyan az.Az erősítő egy Hestroés 100w erősítő.
Nem mondtam, hogy ugyan az, csak egy bizonyos típusnál ez okozta a hibát. Így nyugodtan okozhatja nálad is.
ÖÖ a kapcsolásra mondtam
Különben az erősítő decemberben lett véve.
Ezen a rajzon a C1 kondenzátor a bemeneti csatoló: Bővebben: Link. Ha lehet, akkor ne elektrolitkondenzátort használj, hanem sima MPK polarizálatlan kondit.
Köszi az infót, de az igazi kérdésem az lenne hogy maga a rajz a nyák rajz jó-e ? A fetek jól vannak e benne mert szó volt a drain-source felcseréléséről is, azzal mi újság?
Hogy érted hogy nincs a proba verziódban zéner és a teljesítmény ellenálat? Anélkül probáltad ?:O Vagy most mi van ? ![]() Esetleg még több infót tudsz mondani róla? Azt hogy nem bír max 200w ot azt hogy számoltad? Szerintem bírná a 400 at mert ugye 2x125w az 250w egyik táp ágon + ugyan ez a másik ágon ugy teljes a jel alak az 500w max amit a fetek bírnak. Tehát tudhatná a 400w ot... bár én inkább rakok 3x-4x 2 fetet... legyen tarcsi is ![]() Vagy tévedek?
Aha értem.De a bemenetnél van egy fólia kondi.A C1.Kevés lenne az 1 mikro?
Talán az R5-el szabályozod a hangerőt?
Nem.Van egy poti a bemenet előtt.Az R5-re nem reagál.Az egyik 2K2-es poti tekerésével lehet valamennyit változtatni de azt csak akkor szoktam tekerni ha torz a hang.Be van állítva és úgy van.Így ha a potit ami a bemenet előtt van teljesen letekerem akkor sem torzít sem maxon.
Pedig ha jól van összekötözve az erősítőd, akkor nem kéne a kimeneti egyenfeszültségnek ilyen durván beállni hangerőszabályzás alatt. Csökkentsd a bemeneti csatoló kapacitását.
Kell, hogy értsen hozzá, doktori fokozata van.
A diff erősítő tranzisztorait is válogasd párba, ha teheted, nem túl drága tranzisztorok. Ha lehet, a konstrukciót (nyákot) úgy alakítsd ki, hogy a párban levő tranzisztorok hőcsatolásban is legyenek. |
Bejelentkezés
Hirdetés |










) Ha jól van összerakva, akkor egy lemerült 1,5 voltos elem feszültségétől is leoldja a hangfalakat,(kimeneti dc figyelés, ez nagyon fontos) a bekapcsolási késleltetés kb 3mp.
Különben az erősítő decemberben lett véve. 




