Fórum témák

» Több friss téma
Fórum » Egyszerű rádió adó vevő
Lapozás: OK   1 / 3
(#) Szilvo hozzászólása Feb 5, 2008 /
 
Sziasztok.
Problémám a következő:
100-150 méter távolságról szeretnék irányítani (ki-bekapcsolni) egy másik áramkört, rádióhullámmal. Sajnos az ilyen adó vevők megépítésében semmi tapasztalatom. Ezért arra gondoltam, hogy küldhetnétek nekem egy egyszerű kapcsolási rajzot, egy olyan adó vevőről amivel pl.:egy ledet tudok vezérelni.
Előre is köszi
(#) kobold válasza Szilvo hozzászólására (») Feb 5, 2008 /
 
Ilyen távolságra már nem biztos, hogy az "egyszerű" a helyes jelző, a tizedére még rendben volna
Ha nem építettél még rádiósat, két utat választhatsz: nekikezdesz építeni, szívsz és tanulsz közben rengeteget (főleg műszerezettség híján), és nem is biztos, hogy menni fog; vagy veszel gyárit.
Ha építeni szeretnél, akkor az rfPIC-ek, vagy Maxim encoder/decoder párosok dokumentációiban elég jó kapcsolási rajzokat találsz, a MAX1472 eval board doksijában még nyákrajz is van az adóhoz.
Volt már itt sok téma egy kisebb hatótávolságú eszköz kiterjesztéséről, de általános kapcsolási rajzot, receptet szerintem nem lehet adni, utána kell keresgélni a neten.
(#) Szilvo hozzászólása Feb 5, 2008 /
 
Ha tizede az a 10-15m-t jelenti akkor egyenlőre ez is megtenné. Remélem ez már egyszerűnek minősul, így erre kérnék szépen egy kapcsolási rajzot. Nekem ekkora távolság is megfelelő.
(#) jocokacska válasza Szilvo hozzászólására (») Feb 5, 2008 /
 
Heló!
Ha 10-15 méteresset akarsz akkor sokkal egyszerűbb ha veszel valami autót, vagy akár milyen távirányítós játékot. Ez nem a legmegbízhatóbb de ha nézel egy jó akciót valameik áruházban, akkor olcsón is meguszhatod. Ha azért kellene, hogy tanulj, akkor építs!
Üdv.: Jocó!
(#) Szilvo hozzászólása Feb 5, 2008 /
 
Köszi a hozzászólást Jocó, pont azért szeretnék építeni hogy tanuljak belőle, és villogtatni szeretném azt a nyavalyás ledet. A vásároltat is tudnám használni, mert van is egy ilyan tavirányítós játékautóm, de annak nem látok bele a működésébe. Működne de nem akarom használni. Azért szeretnék én építeni egyet, mert érteni szeretném, hogy hogyan is működik. Az alapokkal tisztában vagyok, hisz elektrotechnikát végeztem, de sehol és senkinél nem találtam egy valóban egyszerű bekötést ezzel a témával kapcsolatban. Ezért fordulok hozzátok.
(#) jocokacska válasza Szilvo hozzászólására (») Feb 5, 2008 /
 
Már én is régóta keresek ilyen kapcsolást de nem találtam. Remélem te sikerrel jársz.
(#) Szilvo hozzászólása Feb 5, 2008 /
 
Nézz utána itt, néhány nap múlva. Hátha meglesz.
(#) kobold válasza Szilvo hozzászólására (») Feb 5, 2008 / 4
 
A "könnyű" kezdéshez részemről a MAX1472 encoder, és MAX1473 decoder párost javasolnám. Adatlapot találsz a Maxim honlapján, a benne lévő kapcsolások kiindulásnak megfelelőek, ráadásul termékmintaként is hozzájuk lehet jutni. A feladat legnehezebb része az antenna-impedancia illesztése, amihez a gyártó a 3401-es számú segédletet is kiadta.
Kapcsolási rajzot igazából azért nehéz adni, mert hiába a rajz, az átvitel minősége (így távolsága is) nagyban függ a nyák kialakításától, főként az antenna és a hozzá kapcsolódó elemek méretétől, elhelyezésétől stb. Vagyis ha nem kapsz komplett tervet, akkor nem biztos, hogy utána tudod építeni, mert máshová teszed a nyákon az elemeket, és máris befolyásoltad a frekvenciát, sávszélességet, jelerősséget.
Szerintem nézd meg az említett doksikat, aztán ha már van valamennyi sejtés a követelményekről meg a buktatókról, lehet tovább keresni.

Így utólag jutottak eszembe a Topi egyik cikkében is vesézett 433 MHz-es adó-vevő modulok, lehet, hogy sokkal gyorsabban eredményre jutsz velük, bár az RF-rész építésének "örömét" így mellőznöd kell
(#) Medve válasza Szilvo hozzászólására (») Feb 5, 2008 /
 
Nekem van némi tapasztalatom, de vevőt nem építenék. Valóban, szívatós lehet, főleg kezdőként. Ilyesmi feladatra vennék egy vez.nélküli csengőt 2000-ért, azzal is lehet tapasztalni, gyakorolni, tuningolni.
(#) Szilvo hozzászólása Feb 5, 2008 /
 
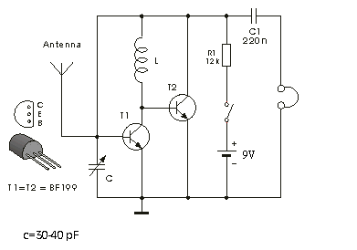
Köszi a választ Kobold, használhatónak érzem, a maximosat is, illetve a Topi cikkét egyaránt. De volna még pár kérdésem. A Topi adó illetve vevő moduljában van egy-egy rész ami nem világos. A vevő részt csatolom példának, ahol a 15 lábú vevőről nem tudom micsoda. IC vagy egy megépítendő áramkör, amit ha megrendelek aurel bc-nbk néven, akkor meg kell építenem. Tudom, van ott kép is, meg egy csomó jó leírás, de nekem valahogy nem áll össze a kép. Lehet hogy tapasztalatlan vagyok
(#) kobold válasza Szilvo hozzászólására (») Feb 5, 2008 /
 
Az adó, és a vevő is komplett áramkörök, amiket csak pár egyszerű elemmel (pl. a képen látható ellenállások, antenna stb.) kell kiegészítened, egy led vagy hasonló eszköz kapcsolgatásához. Bonyolultabb feladatnál az adó előtt és a vevő után is processzorok lehetnek, tetszőlegesen kódolt információk adás-vételéhez.
Nézz szét a ChipCad honlapján is, ott is van jó pár ilyen modul, lehet válogatni.
(#) Szilvo hozzászólása Feb 5, 2008 /
 
Köszönöm szépen, sokat segítettél.
(#) sebestyen_ferenc hozzászólása Szept 17, 2008 /
 
szeretnék épiteni egyszerű adó-vevőt tranzisztorosat az adó részében tisztába vagyok 1 tranyos és az fm sávban dolgozik van is van hozzá, de a vevőhőz nincs rajzom szintén egyszerű kelene. Légyszíves segitsetek!
(#) Kutyuli hozzászólása Szept 21, 2008 /
 
Az adó milyen frekvencián dolgozik ?
(#) sebestyen_ferenc válasza Kutyuli hozzászólására (») Szept 21, 2008 /
 
88-108Mhz
(#) edgar válasza sebestyen_ferenc hozzászólására (») Szept 21, 2008 /
 
Kerestem egy egyszeru rajzot:
Bővebben: Link
Kulonben a Kinai piacon aruljak azokat az egyszeru fulhallgatos kis radio vevoket amelyek az altalad kivant frekvencian dolgoznak.
Nezz utanuk.
TDA7088T Ic-vel van felepitve.
Itt a lap aljan kapsz egy vevot:
Bővebben: Link
Keress ra az IC-re es sok mindent megtudsz.
(#) edgar válasza edgar hozzászólására (») Szept 21, 2008 /
 
A TDA788t egy nagyon kenyelmes IC-e mert a tekercsek cserejevel at lehet hangolni a vevot a kivant frekvenciasavra.
Az alabbi linket is tanulmanyozd at:
Bővebben: Link
(#) sebestyen_ferenc válasza edgar hozzászólására (») Szept 22, 2008 /
 
Köszi a tanácsokat én is gondoltam erre, csak az volt a probléma velük ahogy, ki kapcsoltam az adót elhangolodtak az automatikus hangolás miat!
(#) edgar válasza sebestyen_ferenc hozzászólására (») Szept 22, 2008 /
 
Kerres ra az IC-re mert van megoldsas, hogy ne hangolodjon el.
Ki lehet kapcsolni az automata hangolast.
Lattam is rajzot.
A googelba ird be "TDA7088 receiver schematics" es miutan megkapta valtsd at a kepekre ott egybol latod a rajzokat kicsiben es ki lehet szurni , hogy melyiket nyisd meg.
(#) sebestyen_ferenc válasza edgar hozzászólására (») Szept 23, 2008 /
 
Köszönőm a tanácsokat és a googlet is tudom használni, de én ugy gondolkoztam mivel az adó is egyszerű egy tranzisztorral megoldható ebből az érvből gondolva a vevőt is meglehetne oldani! Én táv vezérlésre használnám egyszerű feladatok végrehajtására az adó-vevő rendszert.
(#) kobold válasza sebestyen_ferenc hozzászólására (») Szept 23, 2008 /
 
Pont a távvezérlés az, ahová nem elég az egyszerű áramkör (tranzisztorok szintjéről beszélek). Nemcsak adni kell, de jól, és mindig ugyanazt kell adni, hogy az utasítás egyértelmű legyen; illetve megfelelő erősséggel venni is kell, kiszűrni a zavarokat, hibamentesen beazonosítani a parancsot. Nem véletlen, hogy a legegyszerűbb távvezérlők is különféle modulációkkal dolgoznak, digitálisan kódolt adatot küldenek, a vevő oldalon pedig előtérbe kerülnek a dekóderek, vagy egyenesen a mikroprocesszorok is.
Azért két rajzot felteszek, igaz, hogy hangátvitelre van, de talán látszik rajtuk a sok hátrány is. Egy vezérlőparancsot mondjuk állandó frekvenciás bemenőjellel meghatározhatsz (pl. egy astabil a mikrofon helyére, gombnyomásra mondjuk 1 kHz-es frekvenciát ad, ezzel modulálod a vivőt). Vételi oldalon egyből hiányzik egy olyan kör, ami a vett adatból csak az 1 kHz-es jelet venné figyelembe; ez azt eredményezi, hogy rendkívül zavarérzékeny, akár instabil, kiszámíthatatlan lesz a vezérelni kívánt eszközöd. Azaz, egy-két tranzisztorral nem igazán szokás távvezérlést megoldani.
Ha belenézel valami olcsóbb vezetéknélküli csengőbe, akkor kicsit bonyolultabb panelt látsz, de még mindig csak műveleti erősítőt, tranzisztort, és passzív alkatrészeket láthatsz; és még ezek mellett is előfordulhat, hogy a szomszéd nyomógombja miatt megszólal a te csengőd is (sőt, akár gombnyomás nélkül is...).
(#) sebestyen_ferenc válasza kobold hozzászólására (») Szept 23, 2008 /
 
Köszi szépen a tekercsek értékére kiváncsi lenék
(#) kobold válasza sebestyen_ferenc hozzászólására (») Szept 23, 2008 /
 
Arra én is
Általában úgy szokott ez lenni, hogy
Idézet:
„tekerj 4 menetet egy 4 mm-es csévetestre, 0.5-ös huzalból”
, meg hasonlók. Légmagos tekercseket szoktak alkalmazni, a leírthoz hasonló menetszámokkal és méretekkel, de a gyakorlatban (legalábbis nálam, minden műszer híján) hasra elkészül valami kiindulási alap, néha több tekerccsel a gyors cseréhez, aztán széthúzással, összenyomással, na meg forgókondival hangolás a legjobb vételig.
Őszintén bevallom, egy tekercsem sem lett még olyan, a paramétereit illetően, mint amit a rajzokon láttam... Viszont marha jól el lehet vele játszani.
(#) Sebi válasza kobold hozzászólására (») Szept 23, 2008 /
 
Honnan tudod, hogy amit a rajzon láttáll, annak milyenek a paraméterei?
Meg vagyok róla győződve, hogy ha eljátszottál vele egy ideig, akkor elérted az áramkörrel a lehetséges max. teljesítményt/vételkészséget.

Sajnos, több megoldás közül is a legegyszerűbb PLL alkalmazásával kiküszöbölni az adóoldali elhangolódást. Ez a biztonságos távvezérléshez alapfeltétel: semmit nem ér a bonyolult kódolás, modulációs trükkök, ha az adó jele "nem talál" a vevőbe. Stabil adóval DTMF-el is lehet vezérelni bármit, egy - akár mezei URH-vevő hangfrekis kimenetére csatlakoztatott - DTMF dekóderrel.

Nézzetek szét itt:
Bővebben: Link
nagyon korrekt kivitelű cuccok.
(#) kobold válasza Sebi hozzászólására (») Szept 23, 2008 /
 
Nem az általam csatolt rajzról beszéltem, hanem olyanokról, ahol fel is voltak tüntetve ezek a számok (megnéztem már kismilliót, mert nagyon érdekelne a téma, és egyik-másik leírja a menetszámokat, átmérőt is. Csak hirtelen nem találtam olyat...).
A PLL-lel kapcsolatban egyetértek, csak ott még mindig nem tartok Leghőbb vágyam egy SA, hogy végre lássam is, mit csinálok, mostanában ehhez gyűjtögetek anyagot.
(#) gulasoft hozzászólása Szept 27, 2008 /
 
Hali!

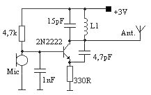
Én megépítettem a topi félét, az ő általa használ bc182 nem volt itthon, raktam bele egy bc237-et. A táő ráadásakor a led szép lassan teljesen kicsulad, akor is ha az adó nincs is bekötve.
Ha az adón megnyomom a gombot, akkor a led viláosabb lesz amíg a gomb nyomva van, azután a fényerő leesik, mejd megint szép lassan kivilágosodik, tehát csinál valamit az adó meg a vevő, csak azt kéne megoldani, hogy a led csak akkor világítson ha ténylegesen jön a jel.
Ötlet hogy mi lehet a gond?
(#) ALenning hozzászólása Okt 17, 2008 1 /
 
hello

Nekem is ilyesmi problémám van ugyanezzel az adó-vevővel. Én be tudtam szerezni a bc182-es tranzisztort, de nekem folyamatosan villog. Valamikor gorsan (olyan 1 Hz) vmikor csak fél Hz. Ha megnyomom az adó kapcsolóját akkor felvillan a LED (de mondjuk csak 1 m-es távolságon belül). nem tudom mi lehet a gond
(#) Szobrász hozzászólása Feb 9, 2010 /
 
Üdv mindenkinek

Az lenne a promlémám hogy seholsem találok olyan egyszerüen összerakható rádió adó rendszert ami legalább 20 km-es körzetben tud sugározni.
Kaptam már olyan tanácsot hogy növeljem meg az energiaforrást egy egyszerűbb adón de nem tudom hogy jó ötlet e és nem süti meg az adót.

Remélem tudtok segíteni ha lenne valami jó ötletetek kérlek küldjétek el erre az email címre : cs.feco@indamail.hu
(#) ferzoo válasza Szobrász hozzászólására (») Feb 9, 2010 /
 
Olyan hogy egyszerü nem létezik,mint ahogy 1-2tranzisztorral sem lehet érzékeny,használható vevöt építeni,ugyanúgy adót sem.Még 200m.se tudna,a modulációról nem beszélve,igencak torz lenne.
(#) david550 hozzászólása Márc 23, 2010 /
 
Helló, ezekhez lehet építeni valami egyszerű vevőt?
Következő: »»   1 / 3
Bejelentkezés

Belépés

Hirdetés
XDT.hu
Az oldalon sütiket használunk a helyes működéshez. Bővebb információt az adatvédelmi szabályzatban olvashatsz. Megértettem