Fórum témák

» Több friss téma
Fórum » Hőkioldó fűtőszálhoz
 
Témaindító: sliderboy, idő: Ápr 10, 2010
Témakörök:
Lapozás: OK   1 / 1
(#) sliderboy hozzászólása Ápr 10, 2010 /
 
Üdv! Szeretnék építeni egy grill készüléket. A problémám az, hogy a fűtőszál már megvan, (rögzítve is van, már forgató készüléket is építettem ami forgatja az ételt) csak nincs hozzá hőkapcsolóm. Ami egy adott hőfokon lekapcsolja a fűtőszálat, és egy adott hőfok esés után ismét vissza kapcsol. Jelen esetben olyan 200C-on kellene leoldjon, és 190C-on vissza.(De ha esetleg nem jó ez a hőfok, javítsatok ki!) Ha esetleg van ilyesmivel tapasztalatotok, vagy konkrét termék adatok esetleg (amit venni lehetne) megköszönném! A fűtőszál adatait nem tudom, csak annyit hogy 230V-on működik.
(#) Busz hozzászólása Ápr 10, 2010 /
 
"Ezek a betétetek 90%-ban a belső szigetelőmassza elporlódása miatt lesznek zárlatosak és mennek tönkre ha nem használsz földelést akkor komoly baleset lehet belőle!"



Tehát akkor a régi hősugárzók nagyon nem biztonságosak?

Meg pl egy földelés nélküli bojler is így akkor életveszélyes?

Mint pl ami a képen van az mennyire biztonságos? Egyszer működés közben egy fél métert zuhant a padlóig, de szerencsére nem ment tönkre.
1967-es gyártású.
A nagyobb szerencse meg az volt hogy felébredtem rá mert fél másodperc alatt is az izzó izzószál megégette a padlót
(#) dcsabi válasza sliderboy hozzászólására (») Ápr 10, 2010 /
 
A hús valóban 200C körül sül meg, de ha a fűtöszál 5-6...-10 cm-re van, akkor jóval magasabb hőmérséklet kell.(a fűtöszálnak)
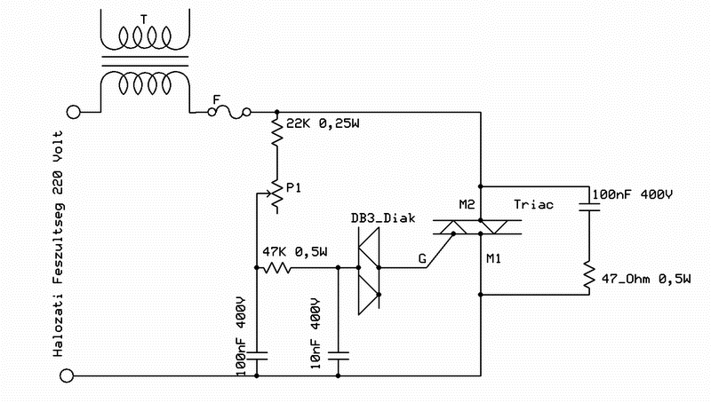
Szerintem szemre sokkal jobb,...- teszel rá egy triakos szabályozót (egy triak, egy 470k poti, egy diak, 10k és egy 100n)
A fórumon több helyen is fenn van a kapcsolása.
A potival a "kívánt" teljesítményt beállítod, ami a húsnak legjobban megfelel.
Ha 200C-s fűtőszállal sütöd soha sem sül meg!
A gyáriakban is piros vagy majdnem piros a fűtőszál.
Ott is van több fokozat...
(#) sliderboy válasza (Felhasználó 15355) hozzászólására (») Ápr 10, 2010 /
 
Megvan mindenem ami a hővédelemhez kell. az összes vezeték 200C-ig hőálló, és pluszban vettem az összes vezetékre ilyen hőálló csövet. (szerintem ez a warnish cső) ez a fűtőszál izzik keményen. csak attól tartottam hogy esetleg szétéghet ha nem szabályzom! De lehet megépítem azt a triakos szabályzót, és majd azzal kísérletezgetek hogy milyen hőfok lesz jó. Esetleg tudnátok többet mondani erről a triakos szabályzóról? kapcs rajz, működés stb. Kezdő vagyok ilyen téren! köszi!!
(#) Busz válasza (Felhasználó 15355) hozzászólására (») Ápr 10, 2010 /
 
Én már láttam olyat hogy a föld vezeték be volt kötve a bojlerbe, de a villanyóraszekrényben meg csak úgy szabadon lógott.... Sok sok ilyen bojler van még az biztos amin nincs föld.

De amúgy van orosz merülőforralóm is, természetesen kéteres vagyis földelés nélküli a kábele.
Nem tudom az mennyire biztonságos, pancsolhatok-e a vízbe amibe éppen bele van dugva??

A hősugárzóról meg sejtettem hogy tűzvédelmileg nem ok, mert ha rászállt egy tollpihe az rögtön kigyulladt..
De legalább a talpa nem melegedett át annyira így rárakhattam a szőnyegre is.
De legalább földelése van, feltéve ha földelt konnektorba dugom. De szeretem mert ötvözi a ventilátoros és a halogén hősugárzók előnyeit. Sugározza is a meleget nomeg a levegőt is fűti. Nem a műhelyben használtam, hanem ott ahol a képen is van, egy lefelé nyíló vagyis lenyitható szekrényajtóra téve mert így sugárzott pont az ágyra. Csak leszakadt éjszaka csak úgy magától az ajtó és mindenestől leesett a földre. Persze a készülék pont a sugárzó felivel lefele esett... D
De tényleg csak évente 2-szer használom. A vaterán amúgy kapható néha párezer forintért nagyon jó állapotú is.
Mellette nem egy régi lámpa található, egy normál "csirkenevelő" infralámpa egy kiégett PC táp és egy kiégett orosz akksitöltő burkolataival házasítva. A vezetékét (nincs rajta földelés) meg egy kidurrant fadobozos tévéről szedtem.

Egy a hősugárzóval hasonló korú villanyrezsóm nekem is van, az is működik. Igaz a hatásfoka az már szerintem a felületén lévő sok rozsda miatt igencsak rossz de akkor ez is bármikor testzárlatos lehet?
Az nem tudom mennyire számít neki hogyha vízbe merítem? Mert úgy takarítottam meg hogy szó szerint vízbedobtam és kimostam, mert szétjönni a korrodált csavarok miatt nem jött. De télen festékes dobozok melegítésére megfelelt.
(#) dcsabi válasza dcsabi hozzászólására (») Ápr 10, 2010 /
 
triakos_szabályzó
Pl: ez bőven megfelel...(az izzó helyén természetesen a fűtőszál)
Triak: bta40/600 - elnyűhetetlen, és minden kivezetés el van szigetelve a hűtőfelülettől.
(#) sliderboy válasza (Felhasználó 15355) hozzászólására (») Ápr 11, 2010 /
 
Ez a fűtőszál egy 3 fázisú sütőberendezésből lett kivéve. egymáson helyezkedik el kettő darab. Ez közvetlen a sütőtérben volt benne. Szerintem nem fog tönkremenni, ez ilyen "száraz" betét akkor nem rakok bele hőfok szabályzót. látszik hogy két külön fázissal üzemeltették a fűtőszálakat mert az egyik bekötési pontja (0) össze van kötve. Szeretném úgy megcsinálni hogy nagyobb fokozatkapcsolás legyen rajta úgy hogy rá tudjam kapcsolni a második fűtőszálat is. Ez a triakos szabályzó bírni fogja a fűtőszál teljesítményét?rátehetem mind a kettőt?( Egy fázisunk van, de bírja a két fűtőszálat)
(#) berjoska válasza sliderboy hozzászólására (») Ápr 11, 2010 /
 
2000Ft körül lehet venni sütő hőfokszabályozót csak be kell dobozolni XIV ker Őrnagy u nem tudom hány szám de rövid utca a népstadion metró megállótol 2 perc mindent kapsz ami höfjlesztő rezső főzőkészülékhez kellhet
(#) sliderboy válasza dcsabi hozzászólására (») Ápr 11, 2010 /
 
Kösz a kapcs rajzot, megcsináltam már a nyáktervet. a kérdésem az lenne hogy az a "diac" az pontosan milyen?
(#) kadarist válasza sliderboy hozzászólására (») Ápr 11, 2010 /
 
Ez jó lesz diaknak.
(#) sliderboy válasza kadarist hozzászólására (») Ápr 11, 2010 /
 
De ez 2A. javíts ki, ha nincs igazam..tényleg kezdő vagyok.. de itt nem fog több áram folyni mint 2A? tényleg elég nagy teljesítményűek azok a fűtőszálak.
(#) sliderboy válasza (Felhasználó 13571) hozzászólására (») Ápr 11, 2010 /
 
Értem. én azt hittem hogy ezen is nagy áramok fognak folyni
(#) sliderboy válasza (Felhasználó 15355) hozzászólására (») Ápr 11, 2010 /
 
Rendben. Látom te tapasztalt vagy. akkor nem lesz elektronika. végül is ez így teljesen jó, ahogy írtad. 3 állás. tökéletes. Köszi szépen!!
(#) yohnsee hozzászólása Jún 20, 2010 /
 
Helló! Egy kis segítséget kérnék tőletek. Van egy elektronika hibás hajvasaló, amit meg kellene javítsak. Az elektronika, amit csináltam hozzá, nem tökéletes, mert mikor bekapcsolom, akkor hogy felfűtsenek a szálak, ahhoz kb. 150V~ -nak kell rajtuk folynia, majd mikor 180 fokra felmelegedtek, akkor már 30V is elég, hogy tartsák a hőfokot, ez gondolom abból adódik, hogy ahogy melegszenek, csökken az ellenállásuk. Jelenleg a 2 fűtőszál sorosan van kötve, így szobahőmérsékleten kb. 700 ohm az eredő ellenállásuk, 180 fokon ez leesik kb 400 ohmra.
Hogyan tudnék ehhez az elektronikához esetleg egy egyszerű vezérlést csinálni?
A szabályzó rajzát csatolom.

fesz_szab.gif
    
(#) crapgame hozzászólása Ápr 20, 2013 /
 
Üdv mindenkinek!

Van egy Aldi-s kontakt girllem, és az a bajom vele, amikor bekapcsolom normálisan felfűt, viszont amikor a hőfokszabályozó kikapcsol, az egész cucc visszahűl szinte teljesen, és kb 15-20 perc után lép újra működésbe. Hiába tekerem a teljesítményszabájozót, csak a maxi főmérséklet változik, a minimális hőmérséklet, és az be-ki kapcsolási időtartam nem.

Hogyan tudnám feljebb tolni az alsó határ hőmérséklet korlátját?
A hozzászólás módosítva: Ápr 20, 2013
(#) crapgame válasza crapgame hozzászólására (») Ápr 21, 2013 /
 
A kérdés tárgytalan, nincs benne semmi elektronikai elem, pusztán mechanikai.
Következő: »»   1 / 1
Bejelentkezés

Belépés

Hirdetés
XDT.hu
Az oldalon sütiket használunk a helyes működéshez. Bővebb információt az adatvédelmi szabályzatban olvashatsz. Megértettem